NPM-D3A Partlist.pdf - 第187页
Ref No. Remark s R 1 Q'ty 1-B PC デュアルコンベア:NPM- D3A PC Dual Convey or :NPM-D 3A イラスト No. Part No. 品 名 品 番 数量 R 2 パーツリスト Kit No. キット品番 Kit Nam e キット名称 MTKA031512A A Part Nam e 備 考 セクションN o. PARTS LIST Section No. R 3 …

1-B
PC デュアルコンベア:NPM-D3A
PC Dual Conveyor :NPM-D3A
パーツレイアウト
Kit No.
キット品番
Kit Name
キット名称
MTKA031512AA
セクションNo.
PARTS LAYOUT
Section No.
--
O3
( KMTKA031512AA-01-2 )

Ref
No.
Remarks R
1
Q'ty
1-B
PC デュアルコンベア:NPM-D3A
PC Dual Conveyor :NPM-D3A
イラスト
No.
Part No.
品 名品 番 数量
R
2
パーツリスト
Kit No.
キット品番
Kit Name
キット名称
MTKA031512AA
Part Name
備 考
セクションNo.
PARTS LIST
Section No.
R
3
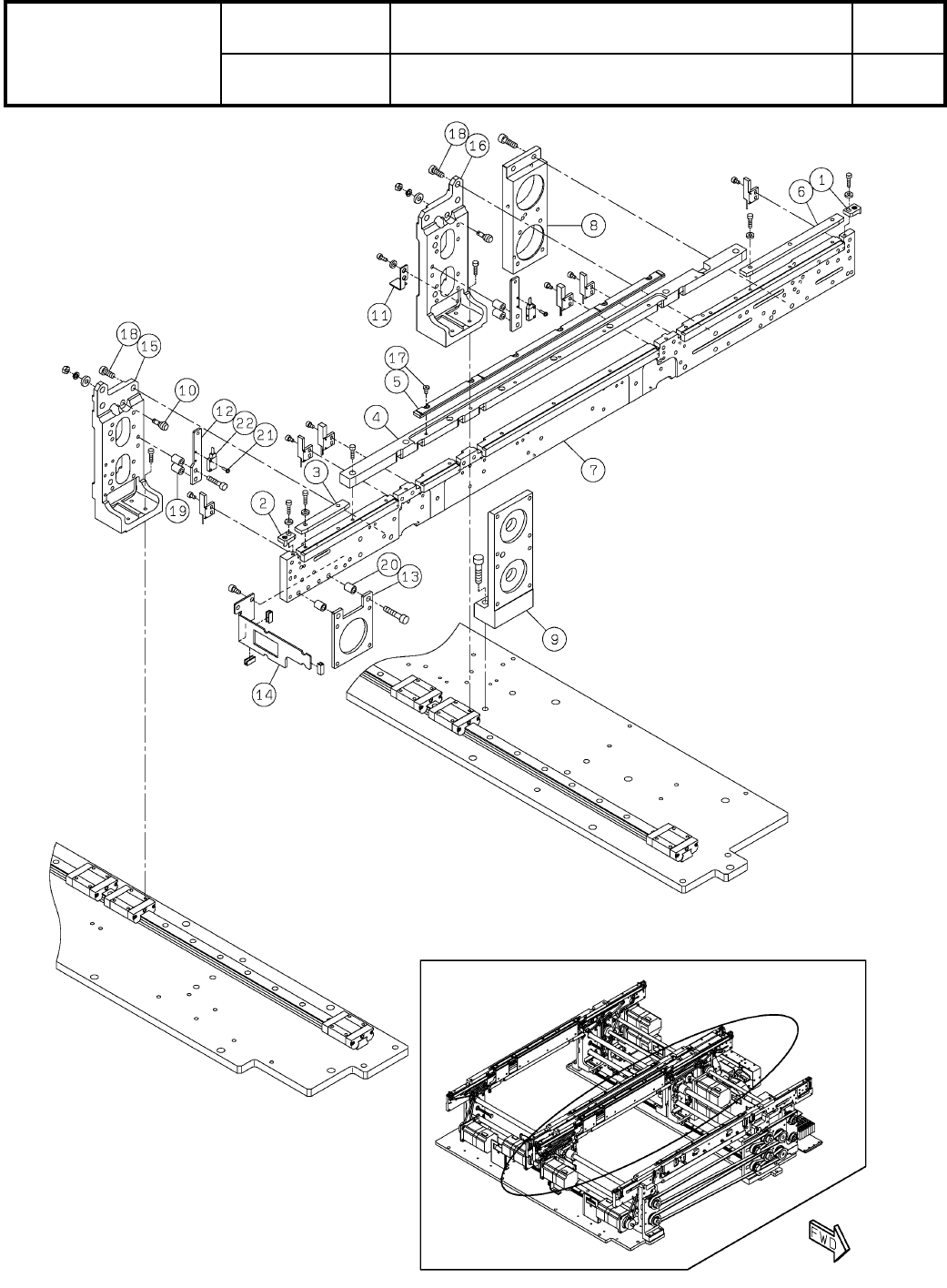
GUIDE
1
1 N210105097AC
GUIDE
1
2 N210105096AB
GUIDE
1
3 N210184601AB
GUIDE
1
4 N210184763AE
PLATE
1
5 MTPA044817AA
GUIDE
1
6 N210184604AB
FRAME
1
7 N210176836AH
HOLDER
1
8 N210173685AC
BRACKET
1
9 N210173694AB
PIN
2
10 KXFB0210A00
DOG
1
11 N210173720AA
PLATE
2
12 N210182115AC
PLATE
1
13 N210178038AA
BRACKET
1
14 N210182682AB
BRACKET
1
15 N610151386AC
BRACKET
1
16 N610151387AB
BOLT
6
17 N510056643AA Ultra bowlow Cap M3X6L(SCM435.Fe3O4)
BOLT
6
18 N510067779AA Low Head Cap Screw M5X12-8.8 A2J(Trivalent)
SPACER
4
19 N510030565AA CB-411E
SPACER
2
20 N510037036AA CF-510E
SCREW
4
21 N510018669AA
Cross recessed Pan head machine screw with Spring washer & Small rou
SENSOR
1
22 MTKP007466AA
O4
--
( KMTKA031512AA-01-2 )

1-C
PC デュアルコンベア:NPM-D3A
PC Dual Conveyor :NPM-D3A
パーツレイアウト
Kit No.
キット品番
Kit Name
キット名称
MTKA031512AA
セクションNo.
PARTS LAYOUT
Section No.
--
O5
( KMTKA031512AA-01-3 )