NPM-D3A Partlist.pdf - 第194页
1-F PC デ ュアル コン ベ ア:N P M- D3 A PC Dua l Conveyor :N PM- D3A パーツレイアウト Kit N o. キット品番 Kit Name キット名称 MTKA031512 AA セクシ ョンNo. PARTS LAYOUT Section No. - - O11 ( KMTKA031512 AA-01-6 )

Ref
No.
Remarks R
1
Q'ty
1-E
PC デュアルコンベア:NPM-D3A
PC Dual Conveyor :NPM-D3A
イラスト
No.
Part No.
品 名品 番 数量
R
2
パーツリスト
Kit No.
キット品番
Kit Name
キット名称
MTKA031512AA
Part Name
備 考
セクションNo.
PARTS LIST
Section No.
R
3
RING
2
1 N210088855AA
A
PULLEY
2
2 N210092041AA
PULLEY
49
3 N610127907AA
PULLEY
16
4 MTKP002057AA
NUT
8
5 N510048038AA NSMT-04-4
BELT
4
6 MTNK002606AA
A
TA-4UEB M/D2 4.5WX0.65TX990L
BELT
2
7 MTNK002595AA
A
TA-4UEB M/D2 4.5WX0.65TX1566L
MOTOR
2
8 N510056785AB
S
DU13H713S-02
O10
--
( KMTKA031512AA-01-5 )

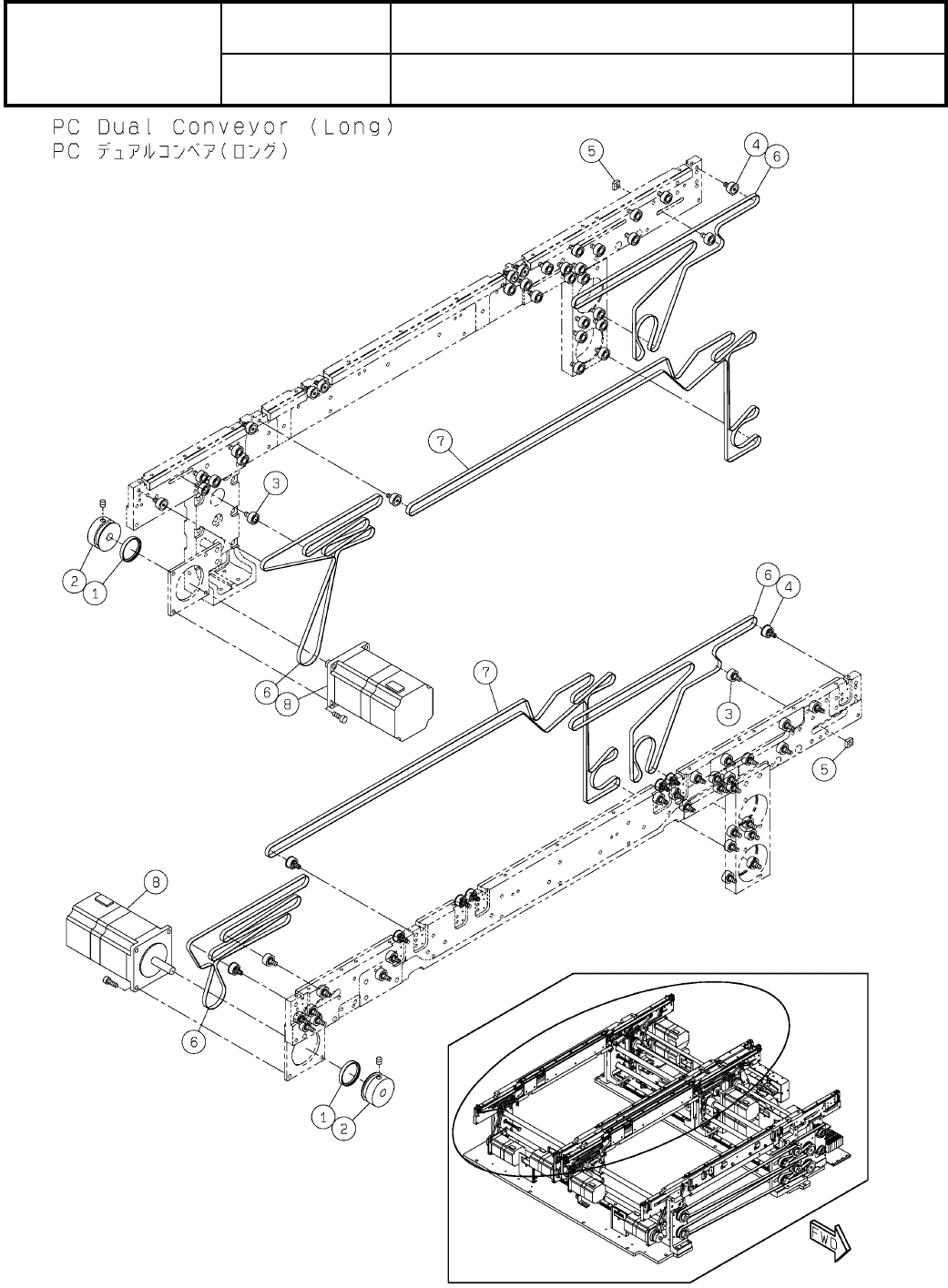
1-F
PC デュアルコンベア:NPM-D3A
PC Dual Conveyor :NPM-D3A
パーツレイアウト
Kit No.
キット品番
Kit Name
キット名称
MTKA031512AA
セクションNo.
PARTS LAYOUT
Section No.
--
O11
( KMTKA031512AA-01-6 )

Ref
No.
Remarks R
1
Q'ty
1-F
PC デュアルコンベア:NPM-D3A
PC Dual Conveyor :NPM-D3A
イラスト
No.
Part No.
品 名品 番 数量
R
2
パーツリスト
Kit No.
キット品番
Kit Name
キット名称
MTKA031512AA
Part Name
備 考
セクションNo.
PARTS LIST
Section No.
R
3
RING
2
1 N210088855AA
A
PULLEY
2
2 N210092041AA
PULLEY
53
3 N610127907AA
PULLEY
16
4 MTKP002057AA
NUT
8
5 N510048038AA NSMT-04-4
BELT
4
6 MTNK002606AA
A
TA-4UEB M/D2 4.5WX0.65TX990L
BELT
2
7 MTNK002595AA
A
TA-4UEB M/D2 4.5WX0.65TX1566L
MOTOR
2
8 N510056785AB
S
DU13H713S-02
O12
--
( KMTKA031512AA-01-6 )