NPM-D3A Partlist.pdf - 第242页
12-A 交換台車駆動部( 前側):NPM-D 3 Feeder cart dri ve unit(front side):NPM -D3 パーツレイアウト Kit N o. キット品番 Kit Name キット名称 N610160989A A セクシ ョンNo. PARTS LAYOUT Section No. - - O59 ( KN610160989 AA-08-1 )

Ref
No.
Remarks R
1
Q'ty
11-G
下受けピン自動交換ユニット:NPM-D2
Support Pin Automatic Change Unit:NPM-D2
イラスト
No.
Part No.
品 名品 番 数量
R
2
パーツリスト
Kit No.
キット品番
Kit Name
キット名称
N610153808AA
Part Name
備 考
セクションNo.
PARTS LIST
Section No.
R
3
Support Pin Automatic Change
1
1 N610145493AA
PLATE
4
2 N210170479AB
STOPPER
4
3 N210170480AB
SPACER
8
4 N510050257AA CF-405ZE
BOLT
8
5 N510067828AA Ultra Low Head Cap Screw M4X16-A2-50
O58
--
( KN610153808AA-03A-7 )

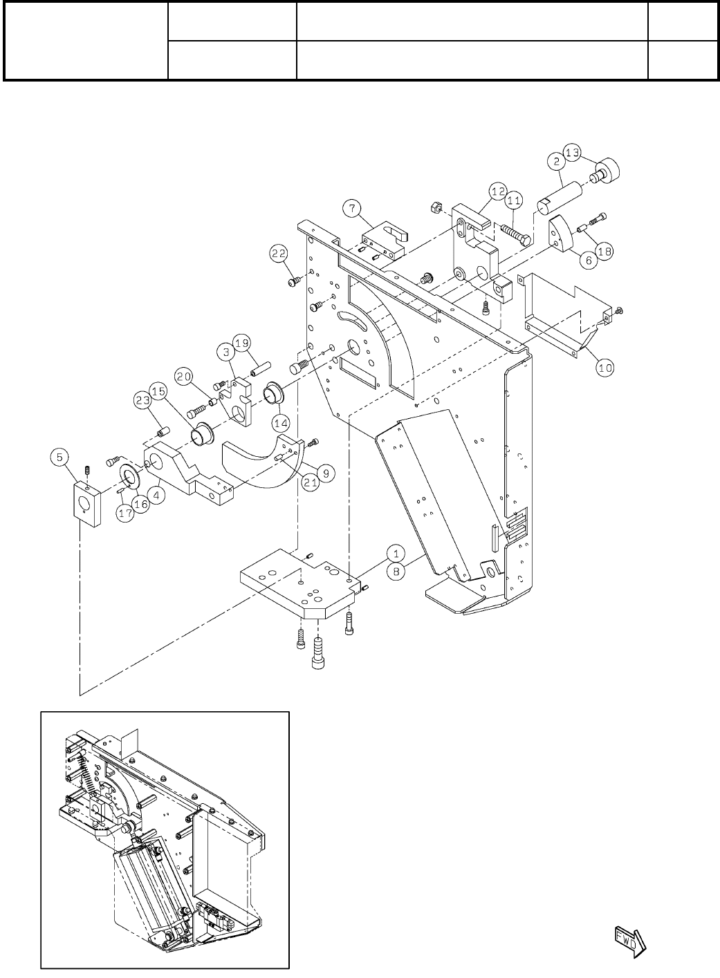
12-A
交換台車駆動部(前側):NPM-D3
Feeder cart drive unit(front side):NPM-D3
パーツレイアウト
Kit No.
キット品番
Kit Name
キット名称
N610160989AA
セクションNo.
PARTS LAYOUT
Section No.
--
O59
( KN610160989AA-08-1 )

Ref
No.
Remarks R
1
Q'ty
12-A
交換台車駆動部(前側):NPM-D3
Feeder cart drive unit(front side):NPM-D3
イラスト
No.
Part No.
品 名品 番 数量
R
2
パーツリスト
Kit No.
キット品番
Kit Name
キット名称
N610160989AA
Part Name
備 考
セクションNo.
PARTS LIST
Section No.
R
3
PLATE
1
1 N210091232AC
SHAFT
1
2 N210091107AA
LEVER
1
3 N210103082AE
LEVER
1
4 N210103083AB
PLATE
1
5 N210091110AA
GUIDE
1
6 N210094054AC
GUIDE
1
7 N210103087AC
PLATE
1
8 N210190529AC
GUIDE
1
9 N210103090AB
COVER
1
10 N210103091AD
STOPPER
1
11 N610160991AA
BRACKET
1
12 N610160572AA
CAM-FOLLOWER
1
13 N510036568AA CF-SFU-12B
BUSH
1
14 N510037242AA LFF-2010
BUSH
1
15 N510013369AA LFF-2015
WASHER
1
16 N510037241AA LFW-2015
PIN
1
17 N510020590AA MMS3-10
SPACER
2
18 N510038787AA 3382330-50120
DOWEL-PIN
1
19 N510038675AA MMST8-30
SPACER
1
20 N510042412AA 3382330-60080
PIN
1
21 N510020607AA MMS5-10
BOLT
4
22 N510017555AA
SSS 003 Hexagon socket button head screw M6X12-10.9 A2J (Trivalent)
PIN
1
23 N510027277AA MMST8-15
O60
--
( KN610160989AA-08-1 )