NPM-D3A Partlist.pdf - 第356页
50-D 2ノズル ヘッド:NPM 2 NOZZLE HEAD :NPM パーツレイアウト Kit N o. キット品番 Kit Name キット名称 N610157743A A セクシ ョンNo. PARTS LAYOUT Section No. - - O173 ( KN610157743 AA-18-4 )

Ref
No.
Remarks R
1
Q'ty
50-C
2ノズルヘッド:NPM
2 NOZZLE HEAD:NPM
イラスト
No.
Part No.
品 名品 番 数量
R
2
パーツリスト
Kit No.
キット品番
Kit Name
キット名称
N610157743AA
Part Name
備 考
セクションNo.
PARTS LIST
Section No.
R
3
PLATE
2
1 N210082170AA
NUT
2
2 KXFB0APSA00
HOLDER
2
3 N210017657AB
RING
2
4 KXFB0APTB00
HOLDER
2
5 KXFB0APUB00
CYLINDER
2
6 KXFB0APVA00
PISTON
2
7 KXFB0ATVA00
HOUSING
2
8 N210016067AC
COLLAR
2
9 KXFB0ATXA00
CLAMP
4
10 KXFB00L1A02
A
RING
2
11 KXFB0ATYA00
ARM
2
12 KXFB00HMA02
PIECE
2
13 N210110278AA
RING
2
14 KXFB0ATZA00
SCREW
2
15 N210133825AA
COUPLING
2
16 KXFB0HBTA00
SPRING
2
17 N210201305AB
A
DOG
2
18 N210026984AA
FILTER
2
19 N610009394AC
TUBE(173mm CUT)
2
20 N610144924AC
MOTOR
2
21 N510043455AA
S
P50BA2002BXS3D
BEARING
4
22 N510033224AA 6803ZZCM
C-RING
4
23 KXF0A74AA00 STW-9
PACKING
8
24 KXF05YHAA00 MYA-6
JOINT
2
25 N431PLH4M5M PLH4-M5M
DIAPHRAGM
2
26 KXF0DZHVA00
DM2-13-13-T2.NN501(Delivery drawing available)
BALL-SPLINE
2
27 N510037999AA LF6SGCSM+66LPM(12028716X002)
BEARING
8
28 KXF0DZXDA00 F-679
SHIM
6
29 MTPB008948AA
FASTENER
4
30 KXF0DKMAA00 BX2.5-8(Drawing available 0DKMA)
BOLT
12
31 XVE26B6FTC
Hexagon socket head cap screw M2.6X6-12.9 SOB
BOLT
2
32 XVE2B5FTC Hexagon socket head cap screw M2X5-12.9 SOB
BOLT
8
33 XVE26B12FTC
Hexagon socket head cap screw M2.6X12-12.9 SOB
BOLT
4
34 XVE25B8FTC
Hexagon socket head cap screw M2.5X8-12.9 SOB
O-RING
2
35 KXF0DJ1AA00 CO0614A
JOINT
2
36 MTNP000776AA M-5AU-6-X83
O172
--
( KN610157743AA-18-3 )

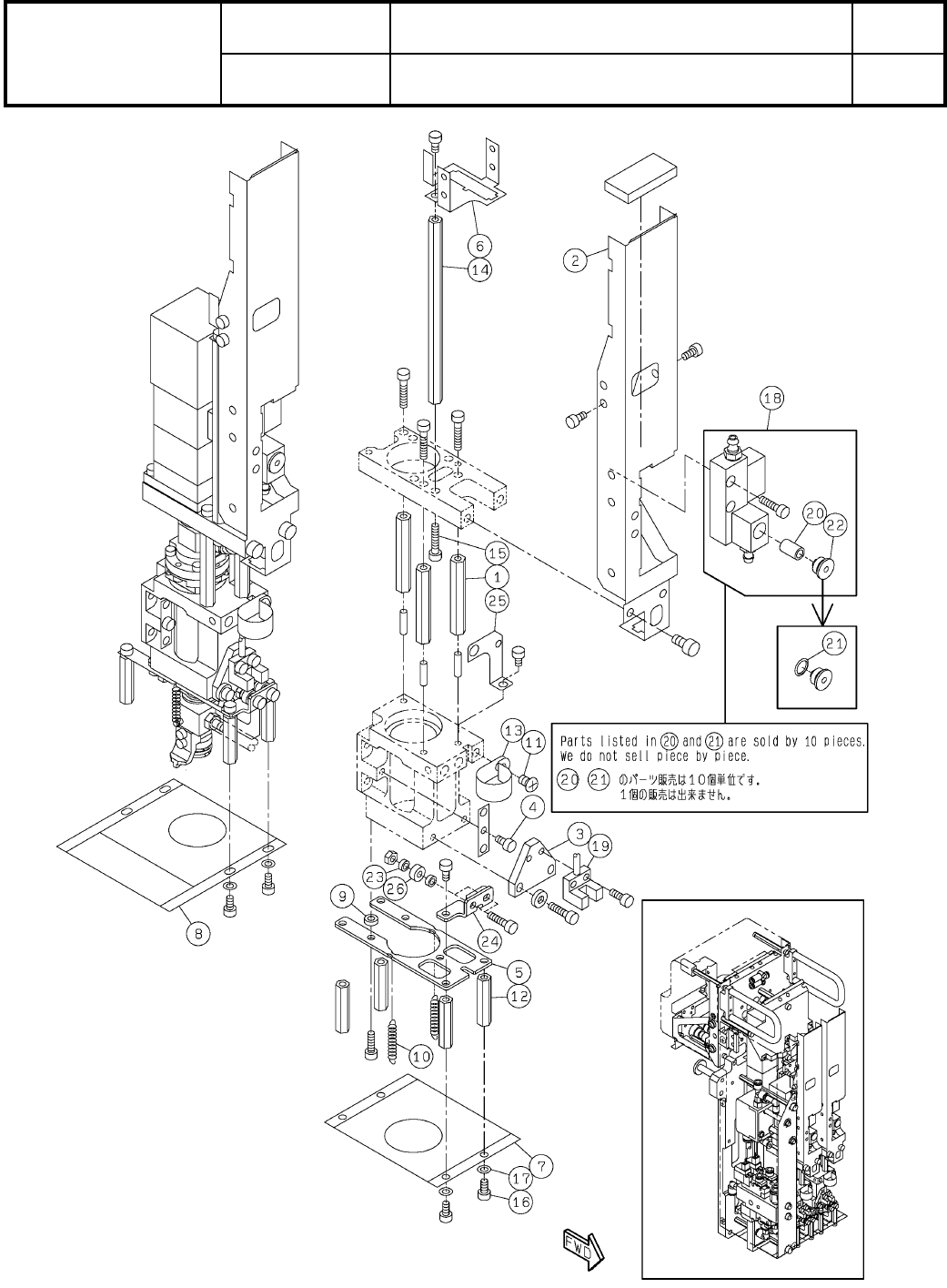
50-D
2ノズルヘッド:NPM
2 NOZZLE HEAD:NPM
パーツレイアウト
Kit No.
キット品番
Kit Name
キット名称
N610157743AA
セクションNo.
PARTS LAYOUT
Section No.
--
O173
( KN610157743AA-18-4 )

Ref
No.
Remarks R
1
Q'ty
50-D
2ノズルヘッド:NPM
2 NOZZLE HEAD:NPM
イラスト
No.
Part No.
品 名品 番 数量
R
2
パーツリスト
Kit No.
キット品番
Kit Name
キット名称
N610157743AA
Part Name
備 考
セクションNo.
PARTS LIST
Section No.
R
3
POST
6
1 KXFB0AU3A00
BRACKET
2
2 N210122618AB
PLATE
2
3 N210082178AA
STOPPER
4
4 N210016069AA
PLATE
2
5 MTPB009700AA
DOG
2
6 N210122619AA
REFLECTOR
1
7 N610066208AA
REFLECTOR
1
8 N610066209AA
SPACER
6
9 N510019911AA CB-302E
SPRING
4
10 KXF0E07FA00 SP(Drawing available KXF0E07FA00)
SCREW
2
11 N510018279AA
Cross recessed Truss head machine screw M4X6-4.8 A2J (Trivalent)
SPACER
8
12 N510026809AA ASB-325E
CLIP
2
13 KXF08EUAA00 NK-4N
SPACER
2
14 N510017047AA ASB-3100E
BOLT
2
15 N510017312AA
Hexagon socket head cap screw M3X15-10.9 A2J (Trivalent)
BOLT
8
16 N510017338AA
Hexagon socket head cap screw M3X6-10.9 A2S (Trivalent)
WASHER
8
17 N510033304AA
Small round-plain washer 3 10H A2S (Trivalent)
SENSOR
2
18 MTNS000432AA PFMV530F-1-N-X518C
SENSOR
2
19 MTKP005547AA
ELEMENT
10
20 N510059196AA ZS-36-A-X264
O-RING
10
21 N510059865AA ZS-36-A-X271
CAP
1
22 N510067900AA ZS-36-A-X314
COLLAR
8
23 N210198705AB
BRACKET
2
24 MTPB009743AA
BRACKET
2
25 N210198656AC
BEARING
4
26 KXF0C8ZAA00 683ZZ
O174
--
( KN610157743AA-18-4 )