NPM-D3A Partlist.pdf - 第401页
Ref No. Remark s R 1 Q'ty 58-C 軽量8ノズル ヘッド Light W eight 8 Nozz le Head イラスト No. Part No. 品 名 品 番 数量 R 2 パーツリスト Kit No. キット品番 Kit Nam e キット名称 N610166370A A Part Nam e 備 考 セクションN o. PARTS LIST Section No. R 3 COLLAR 8…

58-C
軽量8ノズルヘッド
Light Weight 8 Nozzle Head
パーツレイアウト
Kit No.
キット品番
Kit Name
キット名称
N610166370AA
セクションNo.
PARTS LAYOUT
Section No.
--
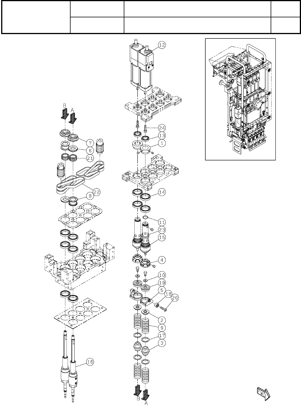
O217
( KN610166370AA-15-3 )

Ref
No.
Remarks R
1
Q'ty
58-C
軽量8ノズルヘッド
Light Weight 8 Nozzle Head
イラスト
No.
Part No.
品 名品 番 数量
R
2
パーツリスト
Kit No.
キット品番
Kit Name
キット名称
N610166370AA
Part Name
備 考
セクションNo.
PARTS LIST
Section No.
R
3
COLLAR
8
1 MTPA008221AA
COLLAR
8
2 N210081873AA
GUIDE
8
3 N210081874AA
HOLDER
8
4 MTKA005211AA
HOLDER
8
5 MTKA005212AA
COLLAR
8
6 MTKA005214AA
NUT
8
7 MTKA005215AA
COLLAR
8
8 N210193599AB
SPRING
16
9 MTPA002054AA
WASHER
8
10 N210160245AA
O-RING
8
11 N510049539AA CO7044A
MOTOR
8
12 MTNM000003AA
S
R2GA02D20FXSP0
BEARING
8
13 KXF00RMAA00 DDA-1510 H P0P25LO1
BEARING
40
14 KXF00RWAA00 DDA-2015 H P0P25LO1
BALL-SCREW
8
15 MTNB000222AA BLK0608S-2.6GT+60LCp5R(B)(33218326K010)
BALL-SPLINE
8
16 MTNB000019AA MAG6C1R162S1E070
SHIM
16
17 N510033382AA RF012016050
BEARING
8
18 N510017124AA R-830ZZ R P0P25LY121
BEARING
8
19 KXF078MAA00 DDRF-1650HH R P0P25LY121
BOLT
8
20 N510067768AA Low Head Cap Screw M3X12-8.8 A2J(Trivalent)
PULLEY
8
21 N510068309AA P24-2GT-BLP(P1306-018)
T-BELT
4
22 N510068311AA 144-2GT-6(3F30N17)S-107489
O-RING
16
23 KXF05RYAA00 CO0510A
BOLT
16
24 N510017311AA
Hexagon socket head cap screw M3X14-10.9 A2J (Trivalent)
O218
--
( KN610166370AA-15-3 )

58-D
軽量8ノズルヘッド
Light Weight 8 Nozzle Head
パーツレイアウト
Kit No.
キット品番
Kit Name
キット名称
N610166370AA
セクションNo.
PARTS LAYOUT
Section No.
--
O219
( KN610166370AA-15-4 )