SM421_TechnicalReference(Eng_Ver6) - 第107页
Page SAMSUNG TECHWIN 97 SM421 Electric Control Part

Page
SAMSUNG TECHWIN
96
SM421
Cable Ass’y
NO. LEVEL PART NO. PART NAME Q'TY TYPE Old No. Stock Apply Reference
27 J90831367C FIX1_ILL_IF_CABLE_ASSY 1 [116] at 100 page
28 J90831368B FIX2_ILL_IF_CABLE_ASSY SM41-VI003 1 [117] at 100 page
29 J90831369B HEAD_VAC-BLOW_CONTROL_CABLE_ASSY SM41-VI 1 [118] at 100 page
30 J90831370C FIDUCIAL_CAMERA_CABLE_ASSY SM41-VIS001 1 J90831370B [156] at 120 page
31 J90831371B FIX1-2_CAMERA_CABLE_ASSY SM41-VIS002 1 J90831371A [157] at 120 page
32 J90831377C FLY_CAM_PWR_SYNC_CABLE_ASSY SM41-VIS007 1 [158] at 120 page
33 J90831379D FLY_CAM_SIG_CABLE_ASSY 1 [159] at 120 page
34 J90831387C HEAD_NETWORK_SERIAL_CABLE_ASSY 1 [119] at 115, 116 page
35 J90831246D KVMS_MONITOR_REAR_CABLE_ASSY 1 J90831246B [151] at 121 page
36
37 J90831320B KVMS_REAR-OP-IF-CABLE-ASSY 1 [160] at 121 page
38 J90831373C REAR_TBOX_CABLE_ASSY 1 J90831373B [120] at 121 page
39 J91841004A TBOX_IF_CABLE_ASSY-2 SM41-CV043 1 [121] at 121 page
40 J90831326B RFDR_CVIF_CAN_CABLE_ASSY 1 [122] at 102, 103 page
41 J90831343A MAIN-POWER-CABLE-ASSY SM41-PW001 1 [123] at 127 page
42 J90831353B COVER_FAN_CABLE_ASSY 1 [124] at 129 page
43 J90831316B CONV_SW_OUTPUT_CABLE_ASSY 1 [125] at 103 page
44 J90831136B CONV_SW_INPUT1_CABLE_ASSY 1 [126] at 106 page
45 J90831137B CONV_SW_INPUT2_CABLE_ASSY 1 [127] at 106 page
46 J90831146B SMEMA_CABLE_ASSY 1 [128] at 104, 107 page
47 J90831419B HEAD_AIR_SOL_CABLE_ASSY 1 [129] at 104 page
48 J90831428C CONVEYOR_SENSOR_IF_CABLE_ASSY 1 [130] at 111 page
49 J90831425D Y_AXIS_SENSOR_CABLE_ASSY 1 [131] at 111 page
50 J90831397B FEEDER_UNLOCK_LEFT_CABLE_ASSY 1 [132] at 112 page
51 J90831398C FEEDER_UNLOCK_RIGHT_CABLE_ASSY 1 [133] at 112 page
52 J90831399E FEEDER_UNLOCK_SENSOR_CABLE_ASSY 1 [134] at 112 page
53 J6702021A SOLENOID VALVE [K180-4E1-21-DC24V] 2 Only Indication

Page
SAMSUNG TECHWIN
97
SM421
Electric Control Part

Page
SAMSUNG TECHWIN
98
SM421
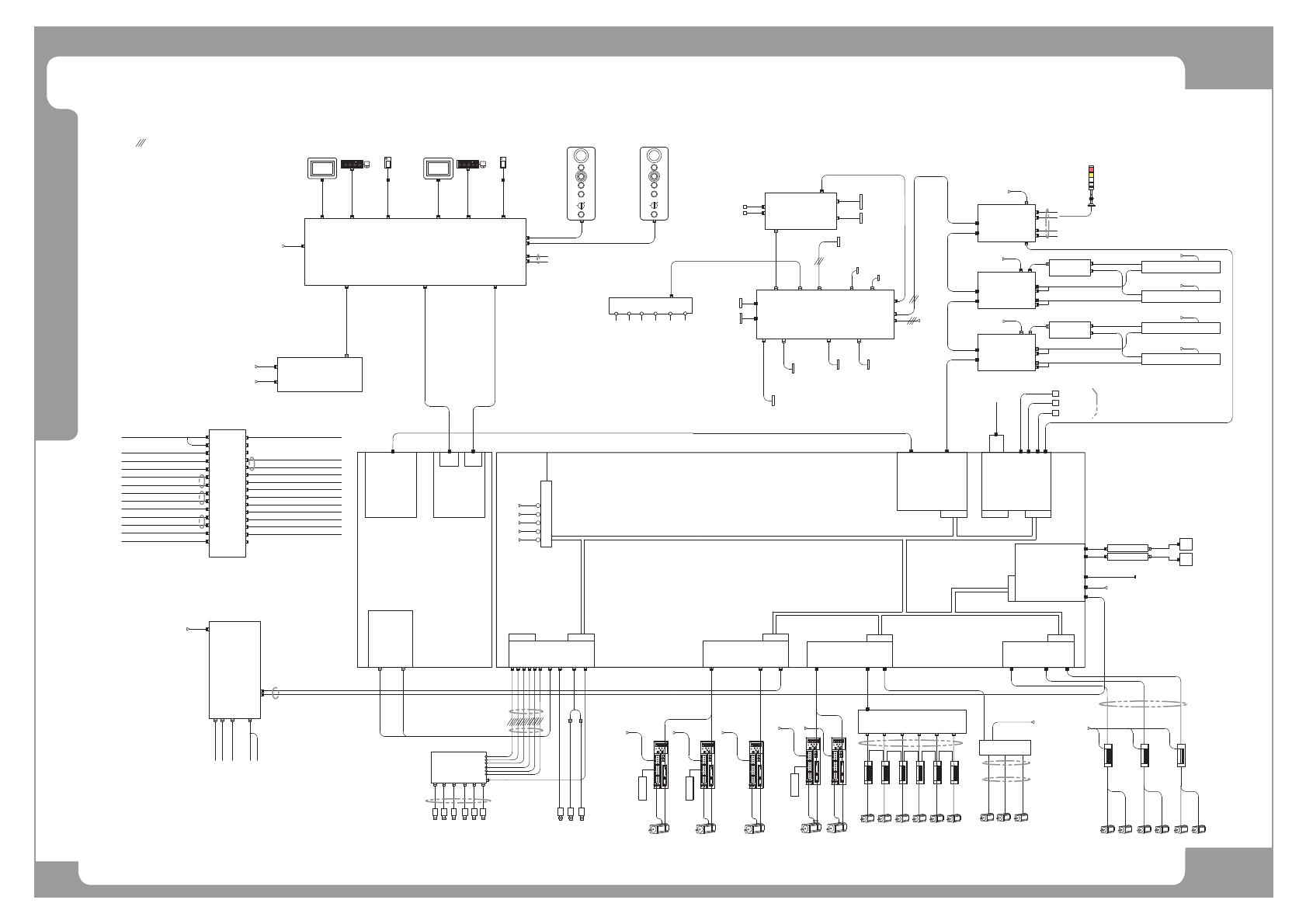
SM421 Wiring Diagram
گڲڤکٻڮڠڭڱڪٻڝڊڟٻگڲڤکٻڮڠڭڱڪٻڝڊڟٻ ڳڒڋڏڎکٻڝڊڟڳڒڋڏڎکٻڝڊڟ
ڥڌڈڝڜڞڦګڧڜڤکڥڌڈڝڜڞڦګڧڜڤک
ڞڜکٻڨڜڮگڠڭڞڜکٻڨڜڮگڠڭ ڨڱڨڠڎڌڋڋٻڨڜڤکڨڱڨڠڎڌڋڋٻڨڜڤک
ڝڪڜڭڟڝڪڜڭڟ ڝڪڜڭڟڝڪڜڭڟ
ڱڨڠٻڤڪٻڝڊڟڱڨڠٻڤڪٻڝڊڟ
ڗڡڭڪکگڙڗڡڭڪکگڙ ڗڭڠڜڭڙڗڭڠڜڭڙ
ڡڭڈڪګڠڭڜگڠڃڦڱڨڮڄٻڝڪڜڭڟ
ڡڈڡڠڠڟڠڭٻڤڊڡڡڈڡڠڠڟڠڭٻڤڊڡ
ڝڪڜڭڟڝڪڜڭڟ
ڭڈڡڠڠڟڠڭٻڤڊڡڭڈڡڠڠڟڠڭٻڤڊڡ
ڝڪڜڭڟڝڪڜڭڟ
ڞڪکڱڠڴڪڭٻڤڊڡڞڪکڱڠڴڪڭٻڤڊڡ
ڝڪڜڭڟڝڪڜڭڟ
ڣڠڜڟٻڤڧڧډڝڊڟڣڠڜڟٻڤڧڧډڝڊڟ
ڣڠڜڟٻڤڪٻڝڊڟ
ڭڮڍڎڍٻڮڠڭڤڜڧڭڮڍڎڍٻڮڠڭڤڜڧ
G
ڧڪڞڦ
R
S
T
M
E
E
ڞڣڜکڢڠ
ڡڊڡڠڠڟڠڭ
ڭڠڮڠگ
ڋک
ڮگڪګ
ڮگڜڭگ
ڭڠڜڟڴ
E
O
P
C
N
Y
G
ڧڪڞڦ
R
S
T
M
E
E
ڞڣڜکڢڠ
ڡڊڡڠڠڟڠڭ
ڭڠڮڠگ
ڋک
ڮگڪګ
ڮگڜڭگ
ڭڠڜڟڴ
E
O
P
C
N
Y
ڗڡڭڪکگڈڪګڙڗڡڭڪکگڈڪګڙ ڗڭڠڜڭڈڪګڙڗڭڠڜڭڈڪګڙ
کڠڳگڠڴڠٻکڠڳگڠڴڠٻ
ڱڤڮڤڪکٻڝڊڟڱڤڮڤڪکٻڝڊڟ
ڱڤڮڤڪکٻڤڊڡٻڱڤڮڤڪکٻڤڊڡٻ
ڜکڜڧڪڢڜکڜڧڪڢ ڝڪڜڭڟڝڪڜڭڟ
ڞڜڨڠڭڜٻڤڪٻڝڂڟڞڜڨڠڭڜٻڤڪٻڝڂڟ
ګڞڤٻڤڊڪګڞڤٻڤڊڪ
ڝڪڜڭڟڝڪڜڭڟ
ڮڝڞڮڝڞ
ڤکڟڰڮگڭڤڜڧ
ګڞ
ڨڪکڤگڪڭڨڪکڤگڪڭ
ګڪڭگګڪڭگ
ڰڮڝڌڰڮڝڌ
ګڪڭگګڪڭگ
ڮڤڟڠٻڤڧڧډٻڰګڊڟکٻٻڮڠک
ڱڜڞڰڰڨٻڮڠکڮڪڭٻڝڂڟڃڣڌۙڣڑڄڱڜڞڰڰڨٻڮڠکڮڪڭٻڝڂڟڃڣڌۙڣڑڄ
ڱڨڠ
ڡڠڠڟڠڭٻڤکګڰگڡڠڠڟڠڭٻڤکګڰگ
ڠڳگډڝڪڜڭڟڠڳگډڝڪڜڭڟ
ڝڪڜڭڟڝڪڜڭڟ
ڜڳڤڮٻڮڠکڮڪڭڜڳڤڮٻڮڠکڮڪڭ
ڃگڪٻڞڪکڱڠڴڪڭٻڤڊڡٻڝڊڟٻڞکڍڑڄڃگڪٻڞڪکڱڠڴڪڭٻڤڊڡٻڝڊڟٻڞکڍڑڄ
ڡڧڜگٻڞڜڝڧڠڡڧڜگٻڞڜڝڧڠ
ڭڠڜڭٻڡڠڠڟڠڭٻڝڜڮڠٻڧڠڡگٻڝڊڟڭڠڜڭٻڡڠڠڟڠڭٻڝڜڮڠٻڧڠڡگٻڝڊڟ
ڭڠڜڭٻڡڠڠڟڠڭٻڝڜڮڠٻڭڤڢڣگٻڝڊڟڭڠڜڭٻڡڠڠڟڠڭٻڝڜڮڠٻڭڤڢڣگٻڝڊڟ
ڡڠڠڟڠڭٻڤکګڰگڡڠڠڟڠڭٻڤکګڰگ
ڠڳگډڝڪڜڭڟڠڳگډڝڪڜڭڟ
ڡڭڪکگٻڡڠڠڟڠڭٻڝڜڮڠٻڭڤڢڣگٻڝڊڟڡڭڪکگٻڡڠڠڟڠڭٻڝڜڮڠٻڭڤڢڣگٻڝڊڟ
ڡڭڪکگٻڡڠڠڟڠڭٻڝڜڮڠٻڧڠڡگٻڝڊڟڡڭڪکگٻڡڠڠڟڠڭٻڝڜڮڠٻڧڠڡگٻڝڊڟ
ڮگڠګٻڞڪکگڭڪڧٻڝڊڟڮگڠګٻڞڪکگڭڪڧٻڝڊڟ
چڍڏڱڇڍڏڢ
ڮڲٻڣڪڨڠٻڮڠک
ڞڪکڱډڮڰڝٻڤڊڡٻڝڪڜڭڟڞڪکڱډڮڰڝٻڤڊڡٻڝڪڜڭڟ
ڃگڪٻڞڪکڱڠڴڪڭٻڤڊڡٻڝڊڟٻڞکڍڒڄڃگڪٻڞڪکڱڠڴڪڭٻڤڊڡٻڝڊڟٻڞکڍڒڄ
ڡڤڳڌٻڧڠڟٻڤڊڡٻڝڊڟڡڤڳڌٻڧڠڟٻڤڊڡٻڝڊڟ
ڡڤڳڍٻڧڠڟٻڤڊڡٻڝڊڟڡڤڳڍٻڧڠڟٻڤڊڡٻڝڊڟ
ڮڠڟڠڮٻڮڧڜڱڠٻڝڊڟڮڠڟڠڮٻڮڧڜڱڠٻڝڊڟ
ڮڲڳ
ڭڈڮگڠګګڤکڢڭڈڮگڠګګڤکڢ
ڟڭڤڱڠڭڟڭڤڱڠڭ
ڮڞڮڞ
ڟڞڟڞ
ڝڊڟڝڊڟ
ٻځٻځ
SM41_VM011
SM41_AX001
SM41_AX003
SM41_AX004
SM33_CS034
SM41_AX006
SM41_VI001
SM41_VI002
SM41_VI003
SM41_VI004
SM41_FD005
SM41_CA002
SM41_CA001
SM41_FD001
SM_FD003
SM_FD004
SM_FD006
SM_FD007
SM41_FD005
SM_FD006
SM_FD007
SM41_CA003
SM41_FD002
SM_FD003
SM_FD004
SM41_HD001
SM33_CA006
SM41_HI001
SM41_HD009
SM41_HD005
SM41_HD010
SM41_HD002
SM41_HD013
SM41_HD004
SM41_HD006
SM41_HD007
SM41_HD008
SM41_KV001(FROM SAFETY CONTROL B/D CN24)
SM41_KV006
SM41_KV007
SM41_KV008
SM33_KV003-3
SM33_KV003-1
SM33_KV003-2
SM33_KV005-1
SM33_KV005-2 SM33_KV005-3
SM41_CV037
SM41_CV035 SM41_CV036
SM41_VM010
SM33_VM009
SM41_MD026
SM41_MD028
SM41_MD030
SM41_MD027
SM41_MD029
SM41_MD031
SM41_VM007
SM41_PW019 SM41_PW018
SM41_MD038
SM41_MD001
SM41_MD002
SM41_MD020
SM41_MD021
SM41_VM009
SM41_SC011
SM41_MD012
SM41_MD011
SM41_MD033
SM41_MD035
SM41_MD034
SM41_SC012
SM41_MD008
SM41_MD010 SM41_MD009
SM41_MD013
SM41_MD017
SM41_MD014
SM41_MD018
SM41_MD015
SM41_MD016
SM41_VIS001
SM41_VIS005
SM41_VIS002
SM41_VIS007
SM41_VIS006
SM41_VIS010
SM41_VIS009
SM41_VIS011
SM41_VIS004(MEGA:SM41_VIS012)
SM41_PW016(DC POWER SUPPLY #1)
SM41_SC001(FRONT OP PANEL)
SM41_SC002(REAR OP PANEL)
SM33_SC009(F/R SAFEGUARD KEY)
SM33_FD008/SM41_FD010
(FRONT FEEDER BASE B/D R/L)
SM33_FD009/SM41_FD011
(REAR FEEDER BASE B/D R/L)
SM41_SC011(R STEPPING DRV)
SM41_SC012(DC POWER B/D CN1)
SM41_SC005(CONV. SUB I/F B/D)
SM41_VM001(TFEM1)
SM41_VM002(TFEM2)
SM41_SC006(MAGNETIC CONT. #1)
SM41_CV001(CONVEYOR I/F B/D)
SM41_FD001/SM41_FD010(F FEEDER I/F-DC)
SM41_FD002/SM41_FD011(R FEEDER I/F-DC)
SM41_AX001(AXIS SENSOR B/D)
SM41_KV001(KVMS B/D)
SM41_IT003(SCANNER)
SM41_VI001(VME I/O B/D)
SM41_SC013(SEDES B/D)
SM41_SC003(SEDES SLAVE B/D)
SM41_VM003
SM41_PW020
SM41_PW019
SM41_MD036
SM41_MD037
SM41_MD004
SM41_MD005
SM41_MD006
SM41_MD007
SM41_VM004
SM41_PW018
SM41_MD022
SM41_MD023
SM41_CA004
SM41_CV001
SM33_CV021
SM41_AX005
SM33_CV023-2 SM33_CV023-3
SM33_VM017
ڞکڍ ڞکڌ ڞکڍ ڞکڌ ڞکڍڞکڎ ڞکڎ ڞکڎ
ڞکڍ
ڞکڎ
ڞکڐ
ڡڤڳٻڧڠڟپڌ
ڡڤڳٻڧڠڟپڍ
ڞکڌ
ڞکڌ ڞکڌڍ
ڰڮڝڈڤک
ڱڢڜڈڤک
ڞکڍ
ڨڪکڤگڪڭڈڜ
ڞکڎ
ڨڪکڤگڪڭڈڝ
ڞکڌڎ
ڡڈڰڮڝ
ڞکڌڏ
ڭڈڰڮڝ
ڞکڏ
ڞڜکڌ
ڠگڣڠڭکڠگ
ڞڪکڮڪڧڠڌ
ڞڪکڮڪڧڠڍ
ڞڪکڮڪڧڠڎ
ڞڪکڮڪڧڠڏ
ڟڈڮڰڝٻڍڐګڤک
ڞڪکڮڪڧڠ
ڧڜکٻ
ڞکڍ
ڞکڎ
ڞکڍ
ڞکڎ
ڞکڎ
ڞکڍ
ڞکڍ
ڞکڏ
ڞکڐ
ڞکڑ
ڞکڐ
ڞکڑ
گڪڲڠڭٻڧڜڨګٻځٻڢڠکڠڭڜڧٻڤڊڪٻ
چڐڱ
ڐڢ
چڌڍڱ
ڈڌڍڱ
ڌڍڢ
ڞڜک
ڞڜک
ڞڜک
ڞڜک
ڞڣڍ
چڍڏڱڇڍڏڢ
چڍڏڱڇڍڏڢ
چڍڏڱڇچڍڏڱګڇڍڏڢ
ڞکڏ
چڍڏڱڇٻڍڏڢ
ڥڪڢڊڜ
ڞکڔ
ڥڪڢڊڝ
ڞکڌڌ
ګڌ ګڌ ګڌ
ګڌګڍګڌ
ګڞڤ
گڭڜکڮڞڠڤڱڠڭ
ڍڌڋگڮ
ڞڣڌ
ڞکڎ
ڞکڑ
ڞکڏ
ڨڪکډ ڦڝڟ
ڨڪڰڮڠ گڈڝڪڳ
ڨڪکډ ڦڝڟ
ڨڪڰڮڠ گڈڝڪڳ
ڗڈڈڙٻڞڪکڱډڮڰڝٻڤڊڡٻڝڊڟڇٻڦڱڨڮٻڝڂڟ
ڞکڍړ
ڞکڍ
ڞڜک
ڞڜک
ڣڌۙڣڑ
ڪڰگڠڭٻڧڠڟ
ڣڌۙڣڑ
ڮڤڟڠٻڧڠڟ
ڡڤڟڰڞڤڜڧٻڪڰگڠڭٻڧڠڟ
ڞکڎ
ڞکڏ
ڞکڔ
ڗڈڈڙٻڪګٻګڜکڠڧ
ڞکڌڌ
ڞکڌ
ڞکڌ
ڞکڍ ڞکڎ
ڞکڏ
ڥڏڥڎڥڍ
ڥڌ
ڥڐ ڥڑ
ڥڏ
ڥڎ
ڥڍ
ڥڌ
ڥڐ
ڥڑ
ڡڧڴٻڞڜڨڠڭڜڌۙڑ
ڡڤڳٻ
ڣڟچڊڈڇڱڟچڊڈڇچڌڍڱڇڌڍڢ
ڞڜڨٻپڌڇپڍ
ڡڤڟڰڞڤڜڧٻڞڜڨڠڭڜ
ڞکڌڌ
ڞکڌڋ
ڞکڐ
ڞکڑ
ڞکڒ
ڞکڌڏ
ڞکڌڐڞکڌڎڞکڏ ڞکڌڍ
ڮڤڟڠٻڤڧڧٻڰګڊڟڪڲکٻڮڪڧ
ڭڌڍڇڭڎڏڇڭڐڑٻ
ڜڰڳډڮڠک
ڞکړ
ڵٻڌۙڑٻڣڪڨڠٻڮڠک
ڮڠکڮڪڭڮڠکڮڪڭڮڠکڮڪڭڮڠکڮڪڭ
ڱڜڞډ
ڱڜڞډڱڜڞډ
ڱڜڞډ
ڣڌ ڣڍ ڣڎ ڣڏ ڣڑڣڐ
ڱڜڞډ ڱڜڞډ
ڮڠکڮڪڭ ڮڠکڮڪڭ
ڣٻڌۙڑٻڱڜڞٻڮڪڧ
ڣٻڌۙڑٻڝڧڪڲٻڮڪڧ
ڞکڌڌ
ڞکڑ
ڞکڏ
ڞکڎڞکڍ
ڞکڒ
ڞکڐ
ڞکڌ
چڍڏڱڇڍڏڢ
ڡڭڪکگٻڡڠڠڟڠڭٻڰکڧڪڞڦٻڮڠکڮڪڭ
ګڞڝٻڤکڊڲڜڤگڊڲڪڭڦڊڮڠڞڪکڟڊڪڰگ
ڲڟٻڣڪڨڠ
ڴڌٻڣڪڨڠڊچڧڤڨڤگڊڈڧڤڨڤگ
ڭڠڜڭٻڡڠڠڟڠڭٻڰکڧڪڞڦٻڮڠکڮڪڭ
ڞکڎ
ڞکڍ
ڞکڎ
ڞکڍ
ڡڍڏڱڊڢڇڟڍڏڱڊڢ
ڡڍڏڱڊڢڇڟڍڏڱڊڢ
ڡڍڏڱڊڢڇڟڍڏڱڊڢ
ڡڍڏڱڊڢڇڟڍڏڱڊڢ
ڞکڌ
ڞڣڌ
ڞڣڍ
ڞکړ
ڞکڌڋ
ڞکڐ
ڡڤڟڰڞڤڜڧٻڤککڠڭٻڧڠڟ
چڍڏڱڇڍڏڢ
ڣڠڜڟٻڣڪڨڠٻڮڠکڮڪڭ
ڞکڌ
ڞکڌ
ڭڌڍڇڎڏڇڐڑٻڣڪڨڠٻڮڠک
ڞکڐ
ڞکڑ
ڞکڒ
ڞکڒ
ڣڠڜڟٻڱڜڞڊڝڧڪڲٻڮڪڧ
ڃڡڭڪڨٻڮڜڡڠگڴٻڞڪکگڭڪڧٻڝڊڟٻڞکڍڑڄ
ڞکڑ
ڃگڪٻڣڠڜڟٻڤڪٻڝڊڟٻڞکڌڎڄ
ڞکڌڌ
ڡڭڪڨٻڮڜڡڠگڴٻڞڪکگڭڪڧٻڝڊڟٻڞکڍڌ
ڞکڒ
ڞکړ
ڞکڌ
ڞکڌ
چڍڏڱڇٻڍڏڢ
ڡڭڪڨٻڮڜڡڠگڴٻڞڪکگڭڪڧٻڝڊڟٻڞکڍڍ
ڞکڒ
ڞکړ
گڪٻڱڨڠٻڤڊڪٻڝڊڟٻڞکڌ
ڃڎڋڲڄ ڃڎڋڲڄ ڃڎڋڲڄ
ڞکړ
ڞکڌڌ ڞکڌڍ
ڵڌ ڵڍ
ڞکڌڎ ڞکڌڏ
ڵڎ ڵڏ
ڞکڌڐ ڞکڌڑ
ڵڐ ڵڑ
ڃڎڋڲڄ ڃڎڋڲڄ ڃڎڋڲڄ
ڃڐڋڲڄڃڒڐڋڲڄ
ڭڠڢڠکڠڭڜگڤڱڠ
ڭڠڮڤڮگڪڭ
چڍڏڱګڇڍڏڢ
ڭڐڑڭڎڏ
ڃڮگڠګګڤکڢٻڨڪگڪڭڄ
ڭڌڍ
ڞڝڌ
ڞڝڍ
ڲڝڌ
ڲڝڍ
ڞڝڎ
ڞڝڏ
چڍڏڱګڇڍڏڢ
ڞکڌ
ڞکڍ
ڞکڎ
ڞکڏ
ڞکڐ
ڞکڑ
ڞکڒ
ڞکړ
ڞکڔ
ڞکڌڋ
ڞکڌڌ
ڞکڌڍ
ڞکڌڎ
ڞکڌڏ
ڞکڌڐ
ڞکڌڑ
ڞکڌڒ
ڞکڌړ
ڞکڌڔ
ڞکڍڋ
ڞکڍڌ
ڞکڍڍ
ڞکڍڏ
ڞکڍڐ
ڞکڍڑ
ڞکڍڒ
ڞکڍړ
ڞکڍڔ
ڞکڍڎ
ڃڌڦڲڄ
ڴڍ
ڃڌڦڲڄ
ڴڌ
ڭڠڢڠکڠڭڜگڤڱڠ
ڭڠڮڤڮگڪڭ
ڭڠڢڠکڠڭڜگڤڱڠ
ڭڠڮڤڮگڪڭ
ڃڌڋڋڲڄ
ڲڟ
Front OP Panel
Rear OP Panel
ڞکڐ
ڞکڏ
SM41_PW031
SM41_PW031
SM41_PW031
SM41_PW031
SM41_PW031
SM41_OP003
SM41_OP004