SM421_TechnicalReference(Eng_Ver6) - 第110页
Page SAMSUNG TECHWIN 100 SM421 V ME IO Board Interface ڞکڐ ڏګ ڱڨڠٻڤڪٻ ڝڪڜڭڟ ڱڨڠٻڤڪ ڝڪڜڭڟ ڑګ ڞکڍګ ڎ ڞکڍڮ ڍ ڐ ڍڋګ ڞکڌګ ڎ ڎ ڏڏ ڍ ڌ ڍ ڌ ڍڏڢ ڍڏڢ چڍڏڱ ڞکڐڮ چڍڏڱ ڑ ڌ ڏ چڍڏڱ ڡںڡڤڳڌٻڮڤڟڠ چڍڏڱ چڍڏڱ ڡںڡڤڳڌٻڪڰگڠڭ ڡںڡڤڳڌٻڤککڠڭ ڑ ڎ ڍ …

Page
SAMSUNG TECHWIN
99
SM421
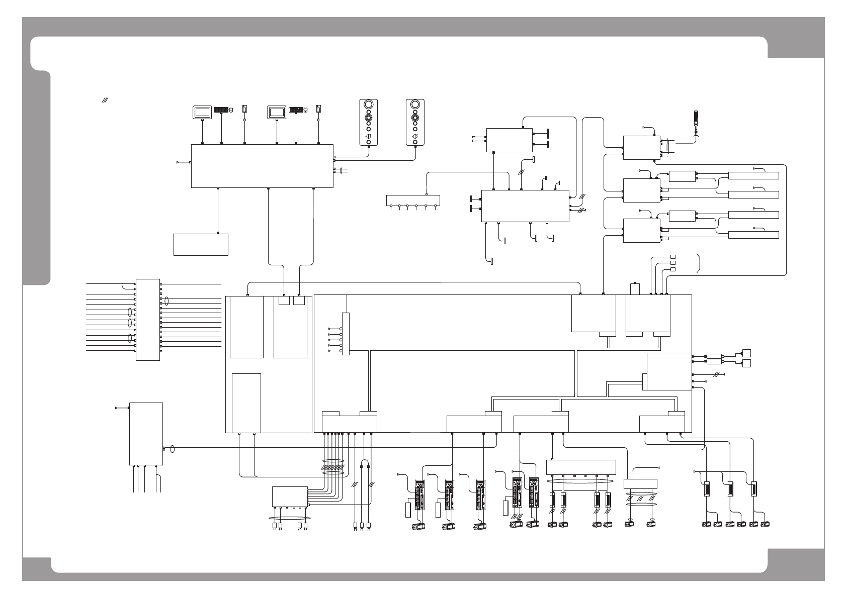
SM421F Wiring Diagram
CN2 CN1 CN2 CN1 CN2CN3 CN3 CN3
TWIN SERVO B/D
X7043N B/D
J1-BACKPLAIN
CAN MASTER MVME3100 MAIN
BOARD BOARD
VME IO B/D
<FRONT>
<REAR>
FR-OPERATE(KVMS) BOARD
CN2
CN3
CN5
FIX LED#1
FIX LED#2
CN1
CN4
CAN1
ETHERNET
CONSOLE1
CONSOLE2
CONSOLE3
CONSOLE4
D-SUB 25PIN
CONSOLE
LAN
F-FEEDER I/F
BOARD
R-FEEDER I/F
BOARD
CONVEYOR I/F
BOARD
HEAD ILL.B/D
HEAD IO B/D
CN2
CN3
CN2
CN3
CN3
CN2
CN2
CN4
CN5
CN6
CN5
CN6
TOWER LAMP & GENERAL I/O
+5V
5G
+12V
-12V
12G
CAN
CAN
CAN
CAN
RS232 SERIAL
CH2
+24V,24G
+24V,24G
+24V,+24VP,24G
CN4
+24V, 24G
G
LOCK
R
S
T
M
E
E
CHANGE
F/FEEDER
RESET
0N
STOP
START
READY
E
O
P
C
N
Y
RESET
F/FEEDER
CHANGE
STOP
START
READY
P
O
T
S
Y
N
C
E
E
E
M
R
G
<FRONT-OP> <REAR-OP>
P1 P1 P1
P1P2P1
PCI
TRANSCEIVER
210TS
CH1
CN3
CN6
CN4
MON.
KBD MOUSE
T-BOX
MON.
KBD MOUSE
T-BOX
<--> CONV.SUB I/F B/D, KVMS B'D
CN28
CN2
CAN
CAN
H1~H6
OUTER LED
H1~H6
SIDE LED
FIDUCIAL OUTER LED
CN3
CN4
CN9
<--> OP PANEL
NEXTEYE VISION B/D
CN11
CN1
VISION I/F
CN1
CN2 CN3
CN4
ANALOG
J4J3J2
J1
J5 J6
BOARD
J4
J3
J2
J1
CAMERA IO B'D
J5
J6
FLY CAMERA1,2,5,6
FIX
HD+/-,VD+/-,+12V,12G
CAM #1,#2
FIDUCIAL CAMERA
PCI I/O
BOARD
SBC
INDUSTRIAL
PC
MONITOR
PORT
USB1
PORT
CN11
CN10
CN5
CN6
CN7
CN14
CN15CN13CN4 CN12
SIDE ILL UP/DOWN SOL
R12,R56
AUX.SEN
SIDE ILL. UP/DN SEN
CN8
Z HOME SEN
SENSORSENSORSENSORSENSOR
VAC.
VAC.VAC.
VAC.
H1 H2
H3 H4
VACUUM SENSOR B'D(H1~H6)
H6H5
VAC. VAC.
SENSOR SENSOR
H 1~6 VAC SOL
H 1~6 BLOW SOL
VME
CN11
FEEDER INPUT
EXT.BOARD
CN6
CN4
CN3CN2
CN7
CN5
CN1
BOARD
AXIS SENSOR
+24V,24G
FRONT FEEDER UNLOCK SENSOR
PCB IN/WAIT/WORK/SECOND/OUT
WD HOME
Y1 HOME/+LIMIT/-LIMIT
REAR FEEDER UNLOCK SENSOR
CN3
CN2
(TO CONVEYOR I/F B/D CN26)
SM_VM011
FLAT CABLE
REAR FEEDER BASE LEFT B/D
REAR FEEDER BASE RIGHT B/D
FEEDER INPUT
CN3
CN2
EXT.BOARD
FRONT FEEDER BASE RIGHT B/D
FRONT FEEDER BASE LEFT B/D
F24V/G,D24V/G
F24V/G,D24V/G
F24V/G,D24V/G
F24V/G,D24V/G
LOCK
0N
CN1
STEP CONTROL B/D
CH1
CH2
CN5
FIDUCIAL INNER LED
+24V,24G
HEAD HOME SENSOR
CN1
+24V,24G
CN1
R12,56 HOME SEN
SW HOME SEN
CN5
CN6
CN7
CONV.SUB I/F BOARD
CN7
(TO CONVEYOR I/F B/D CN27)
HEAD VAC/BLOW SOL
SM41_AX001
SM41_AX003
SM41_AX004
SM33_CS034
SM41_AX006
SM41_VI001
SM41_VI002
SM41_VI003
FIX1 LED I/F B/D
FIX2 LED I/F B/D
SM41_VI004
(FROM SAFETY CONTROL B/D CN26)
CN6
(TO HEAD IO B/D CN13)
CN11
SM41_FD005
SM41_CA002
SM41_CA001
SM41_FD001
FROM SAFETY CONTROL B/D CN21
CN7
CN8
SM_FD003
SM_FD004
SM_FD006
SM_FD007
CN1
CN1
SM41_FD005
SM_FD006
SM_FD007
SM41_CA003
+24V, 24G
SM41_FD002
FROM SAFETY CONTROL B/D CN22
SM_FD003
SM_FD004
CN7
CN8
SM41_HD001
SM33_CA006
SM41_HI001
SM41_HD009SM421F_HD005
SM41_HD010
SM421F_HD002
SM421F_HD013
SM41_HD004
SM41_HD006
TO VME I/O B/D CN1
SM41_HD007
SM41_HD008
SM41_KV001(FROM SAFETY CONTROL B/D CN24)
SM41_KV006
SM41_KV007
SM41_KV008
SM33_KV003-3
SM33_KV003-1
SM33_KV003-2
SM33_KV005-1
SM33_KV005-2 SM33_KV005-3
SM41_CV037
SM41_CV035 SM41_CV036
(30W) (30W)
SEDES SLAVE B/D
CN8
CN11 CN12
Z1 Z2
CN13 CN14 CN15 CN16
Z5 Z6
(30W) (30W)
SM41_VM010
SM421F_VM009
SM41_MD026
SM41_MD030
SM41_MD027 SM41_MD031
(50W)
SW
(750W)
X
REGENERATIVE
RESISTOR
SM41_VM007
SM41_PW019 SM41_PW018
SM41_MD038
SM41_MD001
SM41_MD002
SM41_MD020
SM41_MD021
+24VP,24G
R56
(STEPPING MOTOR)
R12
R-STEPPING
DRIVER
SM41_VM009
SM41_SC011
SM41_MD012
SM421F_MD011
SM41_MD033 SM41_MD035
CB1
CB2
WB1
WB2
CB3
CB4
SM41_SC012
SM41_MD008 SM41_MD010SM41_MD010 SM41_MD009
SM41_MD013 SM41_MD017
SM41_MD014 SM41_MD018
SM41_MD015
SM41_MD016
+24VP,24G
SM41_VIS001
SM41_VIS005
SM41_VIS002
SM41_VIS007
SM41_VIS006
SM41_VIS010
SM41_VIS009
SM41_VIS011
SM41_VIS004(MEGA:SM41_VIS012)
CN1
SC
CN2
CN3
CN4
CN5
CN6
CN7
CN8
CN9
CN10
CN11
CN12
CN13
CN14
DC
B/D
CN15
CN16
CN17
CN18
CN19
CN20
CN21
CN22
CN24
CN25
CN26
CN27
CN28
CN29
SM41_PW016(DC POWER SUPPLY #1)
SM41_SC001(FRONT OP PANEL)
SM41_SC002(REAR OP PANEL)
SM33_SC009(F/R SAFEGUARD KEY)
SM33_FD008/SM41_FD010
(FRONT FEEDER BASE B/D R/L)
SM33_FD009/SM41_FD011
(REAR FEEDER BASE B/D R/L)
SM41_SC011(R STEPPING DRV)
SM41_SC012(DC POWER B/D CN1)
SM41_SC005(CONV. SUB I/F B/D)
SM41_VM001(TFEM1)
CN23
SM41_VM002(TFEM2)
SM41_SC006(MAGNETIC CONT. #1)
&
SM41_CV001(CONVEYOR I/F B/D)
SM41_FD001/SM41_FD010(F FEEDER I/F-DC)
SM41_FD002/SM41_FD011(R FEEDER I/F-DC)
SM41_AX001(AXIS SENSOR B/D)
SM41_KV001(KVMS B/D)
SM41_IT003(SCANNER)
SM41_VI001(VME I/O B/D)
SM41_SC013(SEDES B/D)
SM41_SC003(SEDES SLAVE B/D)
(1KW)
Y2
(1KW)
Y1
REGENERATIVE
RESISTOR
REGENERATIVE
RESISTOR
(100W)
WD
SM41_VM003
SM41_PW020 SM41_PW019
SM41_MD036 SM41_MD037
SM41_MD004
SM41_MD005
SM41_MD006
SM41_MD007
SM41_VM004
SM41_PW018
SM41_MD022
SM41_MD023
SM41_CA004
SM41_CV001
SM33_CV021
SM41_AX005
SM33_CV023-2 SM33_CV023-3
SM33_VM017
SM421F_PW031
CN1 CN12
USB-IN
VGA-IN
CN2
MONITOR-A
CN3
MONITOR-B
CN13
F-USB
CN14
R-USB
JOG/A
CN9
JOG/B
CN11
CN8
CN10
Panasonic AC servo
SET
MODE
Panasonic AC servo
SET
MODE
Panasonic AC servo
SET
MODE
Panasonic AC servo
SET
MODE
Panasonic AC servo
SET
MODE

Page
SAMSUNG TECHWIN
100
SM421
VME IO Board Interface
ڞکڐ
ڏګ
ڱڨڠٻڤڪٻ
ڝڪڜڭڟ
ڱڨڠٻڤڪ
ڝڪڜڭڟ
ڑګ
ڞکڍګ
ڎ
ڞکڍڮ
ڍ
ڐ
ڍڋګ
ڞکڌګ
ڎڎ
ڏڏ
ڍ
ڌ
ڍ
ڌ
ڍڏڢ
ڍڏڢ
چڍڏڱ
ڞکڐڮ
چڍڏڱ
ڑ
ڌ
ڏ
چڍڏڱ
ڡںڡڤڳڌٻڮڤڟڠ
چڍڏڱ
چڍڏڱ
ڡںڡڤڳڌٻڪڰگڠڭ
ڡںڡڤڳڌٻڤککڠڭ
ڑ
ڎ
ڍ
ڐ
ڏ
ڌ
ڞکڎګ
ڑګ
ڞکڎڮ
چڍڏڱ
چڍڏڱ
ڡںڡڤڳڍٻڤککڠڭ
ڡںڡڤڳڍٻڪڰگڠڭ
ڡںڡڤڳڍٻڮڤڟڠ
چڍڏڱ
ڑ
ڐ
ڏ
ڎ
ڍ
ڌ
ڡڭڪڨٻڮڜڡڠگڴٻ
ڞڪکگڭڪڧٻڝڊڟٻڞکڍڑ
SM41_VI001
SM41_VI002
SM41_VI003
ڌڍ
ڌڌ
ڌڋ
ڔ
ړ
ڒ
ڑ
ڐ
ڏ
ڎ
ڍ
ڣڟڈڮڪڧ
ڌ
ڡڧڜگٻڞڜڝڧڠ
ڌڍ
ڌڌ
ڌڋ
ڔ
ړ
ڒ
ڑ
ڐ
ڏ
ڎ
ڍ
ڌ
ڣڌڈڱڜڞ
ڣڍڈڱڜڞ
ڣڎڈڱڜڞ
ڣڏڈڱڜڞ
ڣڐڈڱڜڞ
ڣڑڈڱڜڞ
ڌڎ
ڌڍ
ڎ
ڐ
ڒ
ڑ
ڏ
ڍ
ڞکڌڮ
ڍڋڮ
ڣڑڈڝڧڪڲ
ڣڏڈڝڧڪڲ
ڣڐڈڝڧڪڲ
ڣڎڈڝڧڪڲ
ڣڍڈڝڧڪڲ
ڣڌڈڝڧڪڲ
ڍ
ڏ
ڎ
ڌ
گڪٻڡڤڳڌٻڧڠڟٻ
ڤڊڡٻڝڊڟٻڥګڌ
گڪٻڡڤڳڍٻڧڠڟٻ
ڤڊڡٻڝڊڟٻڥګڌ
ڌڐ
ڌڏ
ڌڒ
ڌڑ
SM41_VI004
ڎ
ڍ
ڐ
ڑ
ڌ
ڏ
ڎ
ڍ
ڐ
ڑ
ڌ
ڏ
ڎ
ڍ
ڐ
ڑ
ڌ
ڏ
ڌڎ
ڌڍ
ڎ
ڐ
ڒ
ڑ
ڏ
ڍ
ڌڐ
ڌڏ
ڌڒ
ڌڑ
ڍڋګ
ڞکڑ
ڝڐ
ڝڏ
ڝڎ
ڝڍ
ڝڌ
ڜڒ
ڜڑ
ڜڐ
ڜڏ
ڜڎ
ڜڍ
ڞکڒ
ڜڌ
ڜڳڤڮٻڮڠکڮڪڭٻ
ڝڪڜڭڟ
ڡڭڪکگٻڡڠڠڟڠڭٻڰکڧڪڞڦ
ڭڠڜڭٻڡڠڠڟڠڭٻڰکڧڪڞڦ
ګڞڝٻڤک
ګڞڝٻڲڜڤگ
ګڞڝٻڲڪڭڦ
ڬڰڤڞڦڃڮڠڞڪکڟڄ
ڢکڟ
ګڞڝٻڪڰگ
SM41_AX005
ڢکڟ
ڢکڟ
ڢکڟ
ڢکڟ
ڝڐ
ڝڏ
ڝڎ
ڝڍ
ڝڌ
ڜڒ
ڜڑ
ڜڐ
ڜڏ
ڜڎ
ڜڍ
ڜڌ
^:9`
^447`
^449`
^44:`
^44;`

Page
SAMSUNG TECHWIN
101
SM421
Front Feeder Board Interface
ڞکڌڌګ
ڎڏګ
ڡڭڪکگٻڡڠڠڟڠڭٻ
ڡڭڪکگٻڡڠڠڟڠڭٻ
ڤڊڡٻ
ڤڊڡٻ
ڝڪڜڭڟ
ڝڪڜڭڟ
ڡڭڪکگٻڡڠڠڟڠڭٻ
ڡڭڪکگٻڡڠڠڟڠڭٻ
ڤکګڰگٻڠڳگٻڝڊڟ
ڤکګڰگٻڠڳگٻڝڊڟ
چڍڏڱ
ڢکڟ
ڢکڟ
چڍڏڱ
ڊڤڪںڭڠڮڠگ
چڍڏڢ
چڌڍڢ
چڌڍڱ
ڞڜکںڣ
ڞڜکںڧ
ڞڜکںڣ
ڞڜکںڧ
ڊڤڪںڭڠڮڠگ
چڍڏڢ
چڌڍڢ
چڌڍڱ
ڏ
ڐ
ڑ
ڏ
ڐ
ڑ
ڏګ
ڞکڏګ
ڑګ
ڞکڎګ
ڏ
ڐ
ڑ
ڏ
ڐ
ڑ
ڌڌ
ڑڋ
ۙ
ڑڋ
ڞکڐڮ
ڍ
ڍ
ڎ
ڎ
ڞکڎڮ
ڌ
ڌ
ڑګ
ڞکڍګ
ڎ
ڎ
ڞکڍڮ
ڌ
ڍ
ڌ
ڍ
ڏ
ڐ
ڑ
ڎ
ڍ
ڌ
ڞڜکٻڨڜڮگڠڭٻڝڪڜڭڟ
ڞڜکٻڨڜڮگڠڭٻڝڪڜڭڟ
ڞڜکڌ
ګڞڤ
ڎ
ڍ
ڌ
ڭڠڜڭٻڡڠڠڟڠڭٻڤڊڡ
ڭڠڜڭٻڡڠڠڟڠڭٻڤڊڡ
ڞکڎ
SM41_FD001
SM41-CA001
SM41_CA002
ڞکڐګ
ڑڋګ
ڏ
ڎ
ڍ
ڌ
ڮڜڡڠگڴٻڞڪکگڭڪڧٻڝڊڟ
ڮڜڡڠگڴٻڞڪکگڭڪڧٻڝڊڟ
ڞکڍڌ
ۙ
ۙ
ړ
ڞکڒګ
ړګ
ڌ
ۙ
ړ
ڌ
ڞکڒڮ
ڏ
ڌ
ڏ
ڌ
ڞکڏڮ
ڍڍ
ڎڎ
ڌڌ
ڑڋ
ڑڋګ
ۙ
ڑڋ
ۙ
ڞکڑګ
ڞکڑڮ
ڡڭڪکگٻڡڠڠڟڠڭٻڝڜڮڠ
ڡڭڪکگٻڡڠڠڟڠڭٻڝڜڮڠ
ڧڠڡگٻڝڊڟ
ڧڠڡگٻڝڊڟ
ڡڭڪکگٻڡڠڠڟڠڭٻڝڜڮڠ
ڡڭڪکگٻڡڠڠڟڠڭٻڝڜڮڠ
ڭڤڢڣگٻڝڊڟ
ڭڤڢڣگٻڝڊڟ
ڡڠڠڟڠڭٻپڌۙپڎڋ
ڡڠڠڟڠڭٻپڌۙپڎڋ
ڡڠڠڟڠڭٻپڎڌۙپڑڋ
ڡڠڠڟڠڭٻپڎڌۙپڑڋ
SM_FD003
SM_FD004
ڌڌ
ڎڏ
ۙ
ڎڏ
ۙ
ڞکڌڌڮ
ڌڌ
ڎڏ
ۙ
ڎڏ
ۙ
ڞکڌګڞکڌڌڮ
ڎڏګ
SM41_FD005
ڑڋ ڑڋ
ڌ
ڑڋګ
ۙ
ڞکڎګ
ڌ
ۙ
ڞکڎڮ
ڌڌ
ڑڋ
ڑڋګ
ۙ
ڑڋ
ۙ
ڞکڍګ
ڞکڍڮ
ڡڠڠڟڠڭٻپڎڌۙپڑڋ
ڡڠڠڟڠڭٻپڎڌۙپڑڋ
ڭڤڢڣگٻڝڊڟ
ڭڤڢڣگٻڝڊڟ
ڡڭڪکگٻڡڠڠڟڠڭٻڝڜڮڠ
ڡڭڪکگٻڡڠڠڟڠڭٻڝڜڮڠ
SM_FD007
ڡڠڠڟڠڭٻپڌۙپڎڋ
ڡڠڠڟڠڭٻپڌۙپڎڋ
ڡڭڪکگٻڡڠڠڟڠڭٻڝڜڮڠ
ڡڭڪکگٻڡڠڠڟڠڭٻڝڜڮڠ
ڧڠڡگٻڝڊڟ
ڧڠڡگٻڝڊڟ
SM_FD006
ڡڠڠڟڠڭٻڤکګڰگڃپڌۙپڑڋڄ
ڡڠڠڟڠڭٻڤکګڰگڃپڌۙپڑڋڄ
ڡڠڠڟڠڭٻڤکګڰگڃپڑڌۙپڌڍڋڄ
ڡڠڠڟڠڭٻڤکګڰگڃپڑڌۙپڌڍڋڄ
ۙ
ۙ
ړړ
ڞکړګ
ړګ
ڌ
ڞکړڮ
ڌ
ڏ
ڐ
ڑ
ڎ
ڍ
ڌ
ڏ
ڐ
ڑ
SM41-VM011
^4`
^436`
^6`
^7`
^8`
^9`
^:`
^445`
^448`