SM421_TechnicalReference(Eng_Ver6) - 第136页
Page SAMSUNG TECHWIN 126 SM421 E lectric Circuit Diagram (2/6) ڠ ڠ ڌڎ ڌڏ ڐ ڔ ڈڜڍ چڜڌ ڈڜڍ چڜڌ ڌڎ ڌڏ ڌڎ ڌڏ ڌڎ ڌڏ ڍڏڢ چڍڏڱ ڈڡڰڮڠڌ ڈڡڰڮڠڌ ڈڦڌ ڈڦڌ ڈڨڞڌ ڈڨڞڍ ڈڨڞڌ ڈڭڠڜڟڴٻڮڊڲ ڈڭڠڜڟڴٻڮڊڲ ڈڦڌ ڈڦڎ ڃڡڭڪکگڄ ڃڭڠڜڭڄ ڈڨڞڍ ڈڦڍ ڈڦڌ ڈڦڎ ڈ…

Page
SAMSUNG TECHWIN
125
SM421
Electric Circuit Diagram (1/6)
ZZXX YY
[[ \\ ]]
ڃڼڄڃڼڄ
OPOP
OPOP
OPOP
OPOP
ڃڽڄڃڽڄ
*5$3+,&6<0%2/
TltzV~TltzV~
TtjTtj
TyTy
jvpsGwhy{jvpsGwhy{
z~p{jopunGwhy{z~p{jopunGwhy{
ylshylsh
z~p{jopunGwhy{z~p{jopunGwhy{
thnul{pjGjvu{hj{thnul{pjGjvu{hj{
thnul{Gjvu{hj{thnul{Gjvu{hj{
ylshylsh
jvpsGwhy{jvpsGwhy{
z~p{joGshtwz~p{joGshtw
ZGwohzlGtv{vyZGwohzlGtv{vy
TtTt
slkG{wlslkG{wl
z~p{joz~p{jo
kvvyGpu{lysvjrkvvyGpu{lysvjr
z~p{joz~p{jo
TkzV~TkzV~
TshtwTshtw
TumTum
,7(0
TtjjiTtjji
6<0%2/
TjwTjw
TzjTzj
zGGtGiGvGsGGGsGpGzG{zGGtGiGvGsGGGsGpGzG{
*5$3+,&6<0%2/
uvpzlGmps{ly
uvpzlGmps{ly
wv~lyGjvuzlu{wv~lyGjvuzlu{
jpyj|p{Giylhrlyjpyj|p{Giylhrly
jpyj|p{Gwyv{lj{vyjpyj|p{Gwyv{lj{vy
ltlynlujltlynluj
jvvspunGmhujvvspunGmhu
zwhyrGrpsslyGOXwoPzwhyrGrpsslyGOXwoP
TmhuTmhu
TzrTzr
O|zlGmvyGhjPO|zlGmvyGhjP
{lytpuhsGisvjr{lytpuhsGisvjr
zwhyrGrpsslyGOZwoPzwhyrGrpsslyGOZwoP
TtTt
T{iT{i
*5$3+,&6<0%2/'(6&5,37,21 '(6&5,37,21
6<0%2/
,7(0
'(6&5,37,21
Tm|zlTm|zl
TzkTzk
m|zlm|zl
zly}vGkyp}lyzly}vGkyp}ly
jvu{hj{jvu{hj{
O{olythsPO{olythsP
myhtlGlhy{omyhtlGlhy{o
wlwl
OnlulyhsPOnlulyhsP
jvu{hj{jvu{hj{
Ojpyj|p{GiylhrlyPOjpyj|p{GiylhrlyP
Ojpyj|p{Gwyv{lj{vyPOjpyj|p{Gwyv{lj{vyP
jvu{hj{jvu{hj{
6<0%2/
,7(0
'(6&5,37,21 *5$3+,&6<0%2/
6<0%2/
,7(0
YThpzGkyp}lyYThpzGkyp}ly
Z¥Z¥
tt
YYYY
XYXY
YXYX
XXXX
YYYY
XYXY
YXYX
XXXX
}}||
~~ ll
sZsZsXsX sYsY

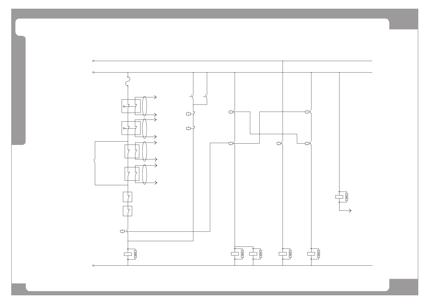
Page
SAMSUNG TECHWIN
126
SM421
Electric Circuit Diagram (2/6)
ڠ ڠ
ڌڎ
ڌڏ
ڐ
ڔ
ڈڜڍ
چڜڌ
ڈڜڍ
چڜڌ
ڌڎ
ڌڏ
ڌڎ
ڌڏ
ڌڎ
ڌڏ
ڍڏڢ
چڍڏڱ
ڈڡڰڮڠڌڈڡڰڮڠڌ
ڈڦڌ
ڈڦڌ
ڈڨڞڌ
ڈڨڞڍ
ڈڨڞڌ
ڈڭڠڜڟڴٻڮڊڲڈڭڠڜڟڴٻڮڊڲ
ڈڦڌ
ڈڦڎ
ڃڡڭڪکگڄ
ڃڭڠڜڭڄ
ڈڨڞڍ ڈڦڍ
ڈڦڌ
ڈڦڎ
ڈڦڎ
ڃڍڐڋڱڇڋډڐڜڄڃڍڐڋڱڇڋډڐڜڄ
ڌڌ
ڒ
ڦڎ
ڔ
ڐ
ڦڍ
ڌڍ
ړ
ڨڞڠکڌ
ڌڋ
ڑ
ڨڞڜڌ
ڈڦڏ
ڈڦڍ
کڪڌڜ
ڔ
ڐ
کڪڌڝ
ڟڍڏڱڃڮگڠګګڤکڢٻځٻڡڠڠڟڠڭٻګڪڲڠڭڄڟڍڏڱڃڮگڠګګڤکڢٻځٻڡڠڠڟڠڭٻګڪڲڠڭڄ
ڦڌ
ڨڞڍ
ڨڞڌ
ڞکڌڔڈڌ
ڞکڌڔڈڍ
ڞکڌړڈڍ
ڞکڌړڈڌ
ڞکڎڈڎ
ڞکڎڈڏ
ڞکڏڈڎ
ڞکڏڈڏ
ڍڍ
ڌڍ
ڈڠڨٻڮڊڲڌڈڠڨٻڮڊڲڌ
ڍڌ
ڌڌ
ڃڞڪکڱډڞکڌڒڈڎڄڃڞڪکڱډڞکڌڒڈڎڄ
ڠڨڌ
ڈڠڨٻڮڊڲڍڈڠڨٻڮڊڲڍ
ڍڍ
ڌڍ
ڍڌ
ڌڌ
ڠڨڍ
ڃڞڪکڱډڞکڌړڈڎڄڃڞڪکڱډڞکڌړڈڎڄ
ڃڡڭڪکگڄڃڡڭڪکگڄ
ڃڭڠڜڭڄڃڭڠڜڭڄ
ڍڌ
ڍڍ
ڌڌ
ڌڍ
ڍڌ
ڌڌ
ڍڍ
ڌڍ
ڈڟڪڪڭٻڮڊڲڌڈڟڪڪڭٻڮڊڲڌ
ڃڡڭڪکگڄڃڡڭڪکگڄ
ڈڟڪڪڭٻڮڊڲڍڈڟڪڪڭٻڮڊڲڍ
ڃڭڠڜڭڄڃڭڠڜڭڄ
ڟڪڪڭڌ
ڃڞڪکڱډڞکڌڒڈڏڄڃڞڪکڱډڞکڌڒڈڏڄ
ڟڪڪڭڍ
ڍڏڢ
ڃڞڪکڱډڞکڌڒڈڐڄڃڞڪکڱډڞکڌڒڈڐڄ
ڃڞڪکڱډڞکڌړڈڏڄڃڞڪکڱډڞکڌړڈڏڄ
ڍڏڢ
ڃڞڪکڱډڞکڌړڈڐڄڃڞڪکڱډڞکڌړڈڐڄ
ڍڏڢ
ڃڞڪکڱډڞکڌڒڈڑڄڃڞڪکڱډڞکڌڒڈڑڄ
ڍڏڢ
ڃڞڪکڱډڞکڌړڈڑڄڃڞڪکڱډڞکڌړڈڑڄ
ڭڠڜڟڴٻڪڰگڭڠڜڟڴٻڪڰگ
ڭڠڨڌ
ڡڟڌ
ڭڟڌ
گڡڎ
ڦڌ
گڡڍ
ڈڠڨٻڮګڜڭڠڌڈڠڨٻڮګڜڭڠڌ
ڈڠڨٻڮګڜڭڠڍڈڠڨٻڮګڜڭڠڍ
گڡڌ
ڈڮڜڡڠڢڰڜڭڟ
ڪڱڠڭڭڤڟڠٻڦڠڴ
ڦڌ
ڟڤګٻڮڲڈڌ
ڟڤګٻڮڲڈڏ
ڟڤګٻڮڲڈڎ
ڟڤګٻڮڲڈڍ

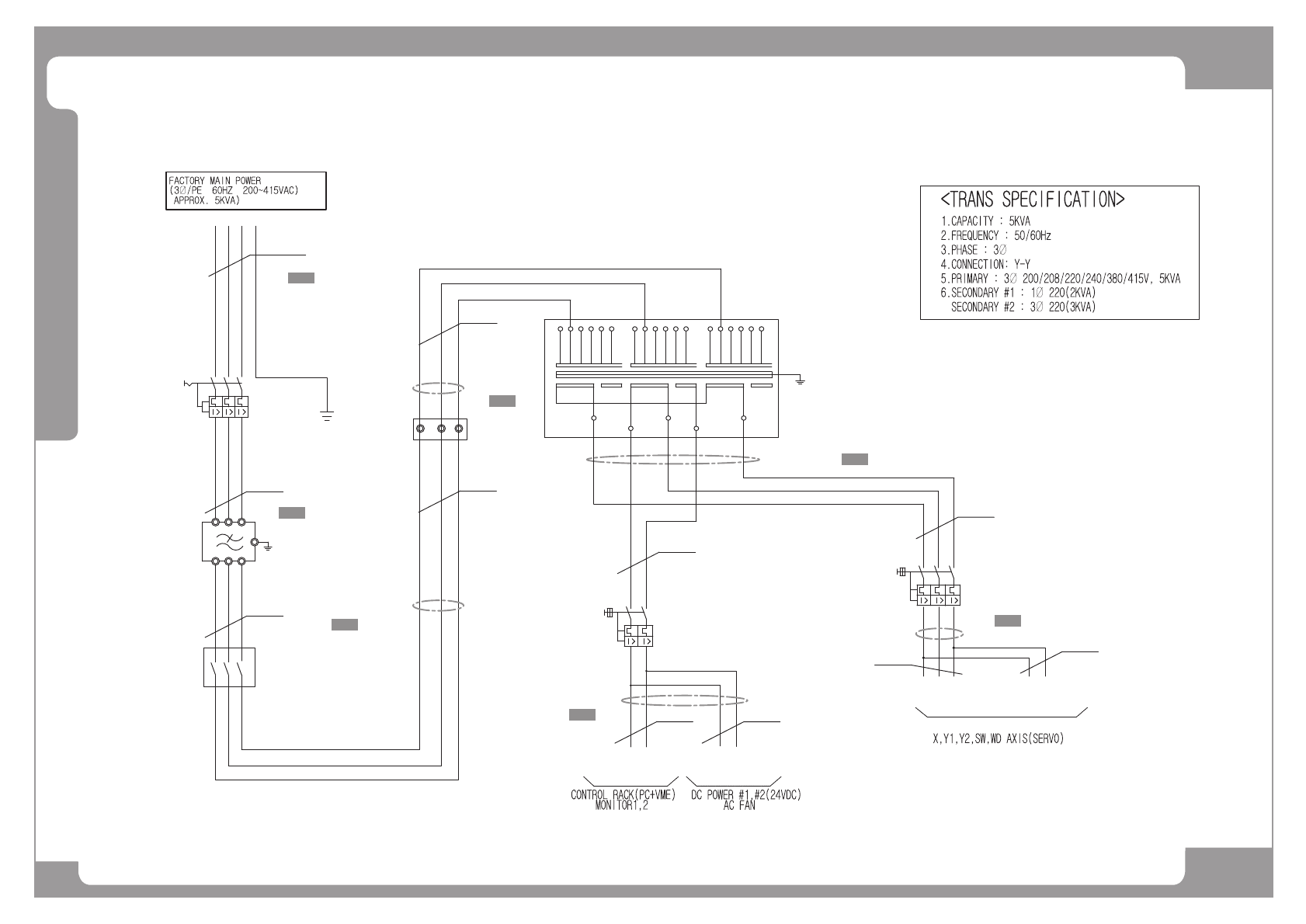
Page
SAMSUNG TECHWIN
127
SM421
Electric Circuit Diagram (3/6)
ڍڏڑ
ڌڎ ڐ
ڌ
ڏڐڑ
ڍڎ
ڍڑڏ
ڌڎڐ
ڍڏ
ڌڎ
ڑ
ڐ
(SM41_PW005)
(SM41_PW004)
ڍډڐٻۈۈ
ڍډڐٻۈۈ
ڈڨڜڤکٻڮڊڲ
ڃڑڋڋڱڜڞڇڍڋڜڄ
ڧڎڍ
ڧڎڎ
ڧڎڌ
ڈکڡڌ
ڃڎØڇٻڍڋڜڄ
ڧڍڍ
ڧڍڌ
ڧڍڎ
(SM41_PW003)
(SM41_PW001)
ڍډڐٻۈۈ
ڏډڋٻۈۈ
ڈڨڞڞڝڌ
ڃڎØڇٻڍڋڜڄ
ڧڌڎ
ڧڌڍ
ڧڌڌ
گ
ڮڭ
ڈڠڜڭگڣٻګڧڜگڠ
ڡڭڜڨڠٻڢڭڪڰکڟ
ګڠ
ڍڍڮ
ڍڍڭ
(SM41_PW008)
ڍڍگ
ڎګڈڞڌڑ
ڈڞګڍ
گڡڍڧڌ
گڡڍڧڍ
گڡڍڧڎ
ۏۊٻڨڞڌ
ڃڍڎړړڋڄ
ۏۊٻگڝڌڈڍڌڜڇگڝڌڈڍڑڜ
ڍڍڭ ڍڍگ
ڈگڝڍ
(SM41_PW030)
ڍډڐٻۈۈ
ڍډڐٻۈۈ
(SM41_PW006)
ڍډڐٻۈۈ
ڍډڐٻۈۈ
ڍ
ڍ
ګڠڋڌ
ڍ
ڍ
ڍ
ڍ
ڍ
ڍ
ڍ
ڌ
ڏ
ڎ
ڍګڈڞڌڑ
ڈڞګڌ
ۏۊٻگڝڌڈڌڜڇگڝڌڈڐڜ
ڌڧڌ
ڌڧڍ
ڍډڐٻۈۈ
ڃڍڎړڑڋڄ
گڡڌڧڌ
گڡڌڧڍ
ڍډڐٻۈۈ
ۏۊٻگڝڌڈڔڜڇگڝڌڈڌڏڜ
ڌڧڌ
ڌڧڍ
ڍډڐٻۈۈ
(SM41_PW007)
ڍ
ڍ ڍ
ڍڏڋ
ڍڏڋ
ڍڍڋڱ
ڍڍڋڱ
ڍڋړ
ڍڋړ
ڍڋڋ
ڍڋڋ
ڍڍڋ
ڍڍڋ
ڧڎڌ
ڧڎڌ
ڍڍڋڱ
ڍڍڋڱ
ڍڍڋڱ
ڍڍڋڱ
ڋڱ
ڋڱ
ڍڍڋڱ
ڍڍڋڱ
ڍڋڋ
ڍڋڋ
ڍڍڋ
ڍڍڋ
ڏڌڐ
ڏڌڐ
ڎړڋ
ڎړڋ
ڍڋڋ
ڍڋڋ
ڍڋړ
ڍڋړ
ڎړڋ
ڎړڋ
ڍڏڋ
ڍڏڋ
ڏڌڐ
ڏڌڐ
ڧڎڍ
ڧڎڍ
ڏڌڐ
ڏڌڐ
ڍڋړ
ڍڋړ
ڍڍڋ
ڍڍڋ
ڎړڋ
ڎړڋ
ڍڏڋ
ڍڏڋ
ڧڎڎ
ڧڎڎ
ګڠڋڍ
ګڠڋڍ
ڈگڭڜکڮ
^93`
^94`
^95`
^;9`
^;:`
^<<`
^456`