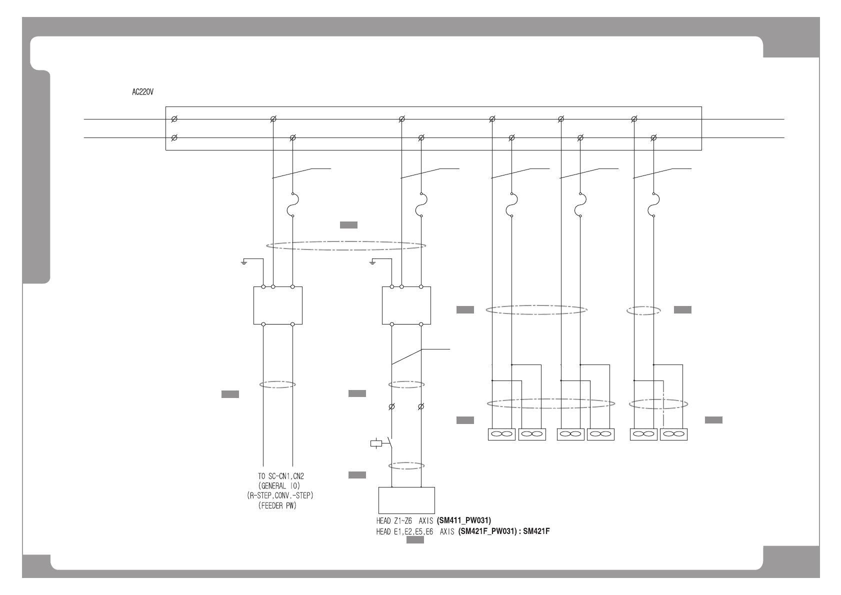
SM421_TechnicalReference(Eng_Ver6) - 第139页
Page SAMSUNG TECHWIN 129 SM421 E lectric Circuit Diagram (5/6) ڌڏڜ ڔڝ ڜ ڝ ڌڑڝ ڌڌڜ ڔڜ ڜ ڝ ڌڏڝ ڜ ڝ ڌڐڝ ڌڋڜ ڝ ڜ ڌڍڜ ڌڒڝ ڜ ڝ ڌړڝ ڌڎڜ ڌڔڝ ڌڎ ڌڏ ڍڋڝ ڍڋڜ ڌڔڜ ڌڍ ڌڧڍ ڌڧڌ ڃڭڤڢڣگٻڮڤڟڠڄ ڃڭڤڢڣگٻڮڤڟڠڄ ڈڡڜکڌ ڈڡڜکڌ ڈڡڜکڍ ڈڡڜکڍ ڌڧڌ ڌڧڍڃ…

Page
SAMSUNG TECHWIN
128
SM421
Electric Circuit Diagram (4/6)
ڐڜ
ڐڝ
ڌڜ ڌڝ
ڑڜ
ڍڜ ڎڜ
ڒڜ
ڌ
ڎڏ
ڍ
ڏڜ
ڏڝ
ړڜ
ړڝ
گڪٻڭڠڜڭٻڨڪکڤگڪڭٻ
گڪٻڭڠڜڭٻڨڪکڤگڪڭٻ
ڃګڞچڱڨڠٻڜڮڮڴٻګڪڲڠڭڄ
ڃګڞچڱڨڠٻڜڮڮڴٻګڪڲڠڭڄ
گڪٻڞڪکگڭڪڧٻڝڪڳٻ
گڪٻڞڪکگڭڪڧٻڝڪڳٻ
گڪٻڡڭڪکگٻڨڪکڤگڪڭ
گڪٻڡڭڪکگٻڨڪکڤگڪڭ
ڌڧڌ ڌڧڍ
ڡڭڪڨٻڞګڌ
ڌڧڍ
ڌڧڌ
ڌډڐۈۈ
ګڪڲڠڭٻڤکڧڠگ
ګڪڲڠڭٻڤکڧڠگ
ڌڧڌ ڌڧڍ ڌڧڌ ڌڧڍ
ڌډڐۈۈ
ڜڞڍڍڋڱ
(SM41_PW010)
ڈکڡڍ
ڃڌٻګۃڼێۀڇٻڐڜڄ
ڌڧڌک ڌڧڍک
ڌډڐۈۈ
ڌډڐۈۈ
(SM41_PW021)
(SM41_PW010)
(SM41_PW022)
ڪڰگڧڠگ
ڪڰگڧڠگ
ڤکڧڠگ
ڤکڧڠگ
ڰګڮٻڪګگڤڪکٻڤکڮگڜڧڧ
ڰګڮٻڪګگڤڪکٻڤکڮگڜڧڧ
ڈڰګڮ
ڃړڋڋڱڜڄ
ګڠڋڏ
ڍ
ګڠڋڐ
ګڠڋڎ
ڍ
ګڠڋړ
ڍ
ڍ
^;3`
^:3`
^;<`
^;<`

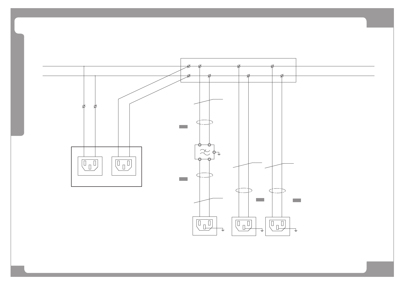
Page
SAMSUNG TECHWIN
129
SM421
Electric Circuit Diagram (5/6)
ڌڏڜ
ڔڝ
ڜ
ڝ
ڌڑڝ
ڌڌڜڔڜ
ڜ
ڝ
ڌڏڝ
ڜ
ڝ
ڌڐڝ
ڌڋڜ
ڝ
ڜ
ڌڍڜ
ڌڒڝ
ڜ
ڝ
ڌړڝ
ڌڎڜ
ڌڔڝ
ڌڎ
ڌڏ
ڍڋڝ
ڍڋڜ
ڌڔڜ
ڌڍ
ڌڧڍ
ڌڧڌ
ڃڭڤڢڣگٻڮڤڟڠڄڃڭڤڢڣگٻڮڤڟڠڄ
ڈڡڜکڌڈڡڜکڌ
ڈڡڜکڍڈڡڜکڍ
ڌڧڌ ڌڧڍڃڡڎڄ
ڋډڒڐۈۈ
ڈګڮڌ
ڌډڐۈۈ
ڌڧڌ
ڌڧڍڃڡڌڄ
ڈڡڰڮڠڌٻڃڜڞڍڐڋڱڇڌڋڜڄ
چڍڏڱ ڍڏڢ چڍڏڱڨ ڍڏڢ
ڌڧڌ
ڌڧڍڃڡڍڄ
ڈڡڰڮڠڍٻڃڜڞڍڐڋڱڇڌڋڜڄ
ڌډڐۈۈ
ڈګڮڍ
ڈڡڰڮڠڎٻڃڜڞڍڐڋڱڇڐڜڄ
ڈڡڜکڎڈڡڜکڎ
ڃڧڠڡگٻڮڤڟڠڄڃڧڠڡگٻڮڤڟڠڄ
ڈڡڜکڏڈڡڜکڏ
ڌڧڌ ڌڧڍڃڡڏڄ
ڈڡڰڮڠڏٻڃڜڞڍڐڋڱڇڐڜڄ
ڋډڒڐۈۈ
ڃڮڠڭڱڪٻڟڭڤڱڠڭٻڭڜڞڦڄڃڮڠڭڱڪٻڟڭڤڱڠڭٻڭڜڞڦڄ
ڈڡڜکڐڈڡڜکڐ
ڈڡڜکڑڈڡڜکڑ
ڌڧڍڃڡڐڄ
ڈڡڰڮڠڐٻڃڜڞڍڐڋڱڇڐڜڄ
ڋډڒڐۈۈ
ڌڧڌ
(SM41_PW011)
(SM41_PW012) (SM41_PW013)
(SM41_PW014) (SM41_PW015)
ڍڏڢ
چڍڏڱڵ
ڈڨڞڌ
ڌډڐٻۈۈ
(SM41_PW017)
(SM41_PW017)
ڡڭڪڨٻڞګڌ
(SM41_PW016)
ڍ
ڟڞٻګڪڲڠڭڃڏڋڋڲڄڟڞٻګڪڲڠڭڃڏڋڋڲڄ
ڃچڄ
ګڠڋڑ
ڃڈڄ
ڜڞ ڤک
ڍ
ڍڏڱڟڞڍڏڱڟڞ
ڟڞٻګڪڲڠڭڃڏڋڋڲڄڟڞٻګڪڲڠڭڃڏڋڋڲڄ
ڃڈڄ
ڍڏڱڟڞڍڏڱڟڞ
ڃچڄ
ڜڞ ڤک
ڍ
ګڠڋڒ
ڍ ڍ
ڵڈڜڨګ
ڍ
^;6`
^;7`
^;8`
^;8`
^<3`
^457`
^<4`
^<5`
^435`

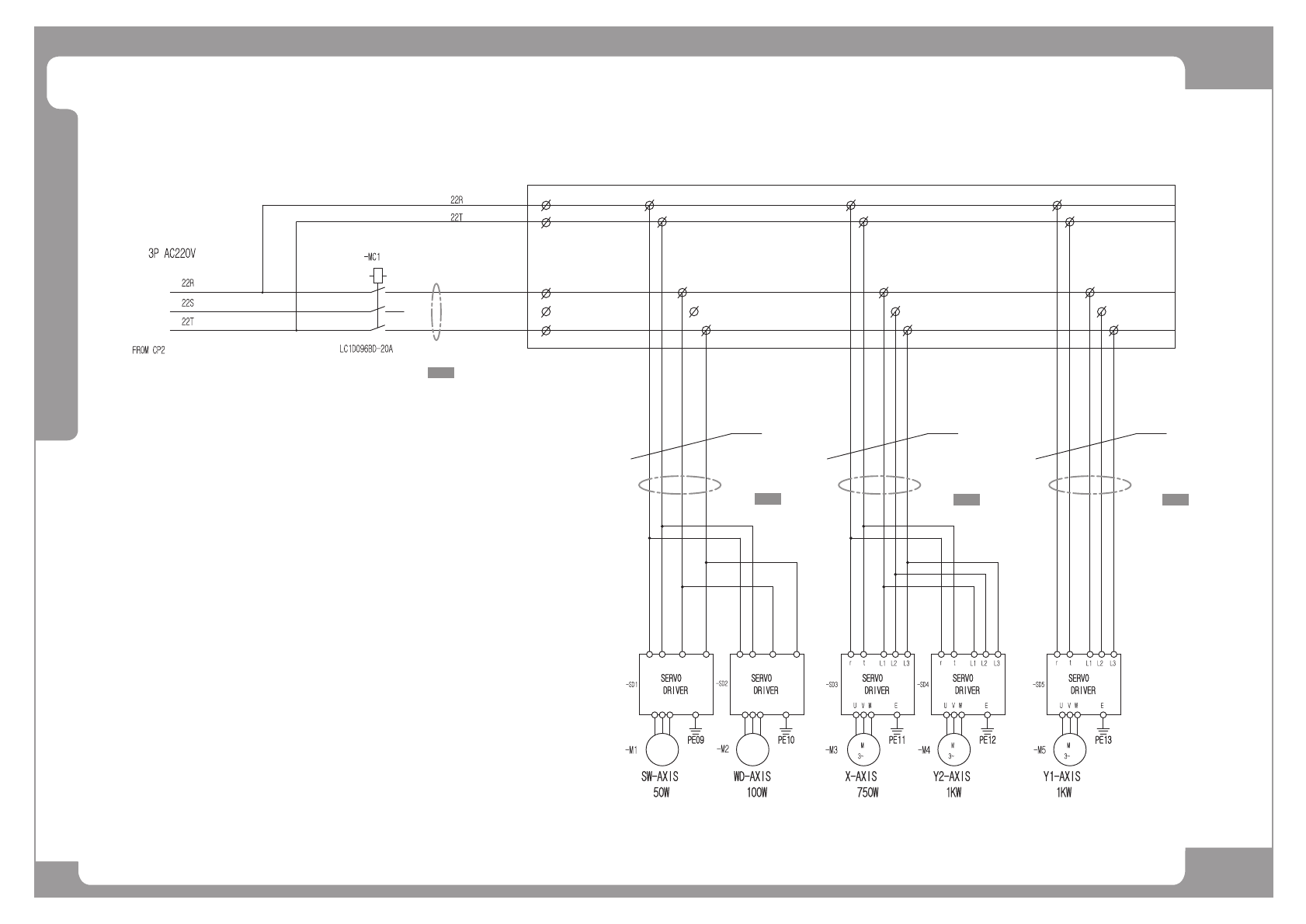
Page
SAMSUNG TECHWIN
130
SM421
Electric Circuit Diagram (6/6)
ڎړڝڎڒڝ
ڏڋڝ
ڏڎڝ
ڏڌڝ
ڏڏڝ
ڎڏڝ
ڎڌڝ
ڎڐڝ
ڎڍڝ
ڎڔڝ
ڏڐڝ
ڏڍڝ
ڎڑڝ
ڎڎڝڎڌڜ
ڎڏڜ
ڎڒڜ
ڏڋڜ
ڏڎڜ
ڌ
ڎ
ڐ
ڍ
ڏ
ڑ
ڍڍڧڌ
ڍڍڧڎ
ڍڍڧڍ
(SM41_PW018)
ڋډڒڐۈۈ
(SM41-PW019) (SM41_PW020)
(SM41_PW009)
ڋډڒڐۈۈ ڋډڒڐۈۈ
ڰ
ڎۙ
ڨ
ڲڱ ڠ
ڎۙ
ڨ
ڰڱڲ ڠ
ڧڎ
ۍ
ڧڌ
ۏ
ۍۏ
ڧڎڧڌ
ڍ
ڍ ڍ
^;;`
^<6`
^<7` ^<8`