SM421_TechnicalReference(Eng_Ver6) - 第143页
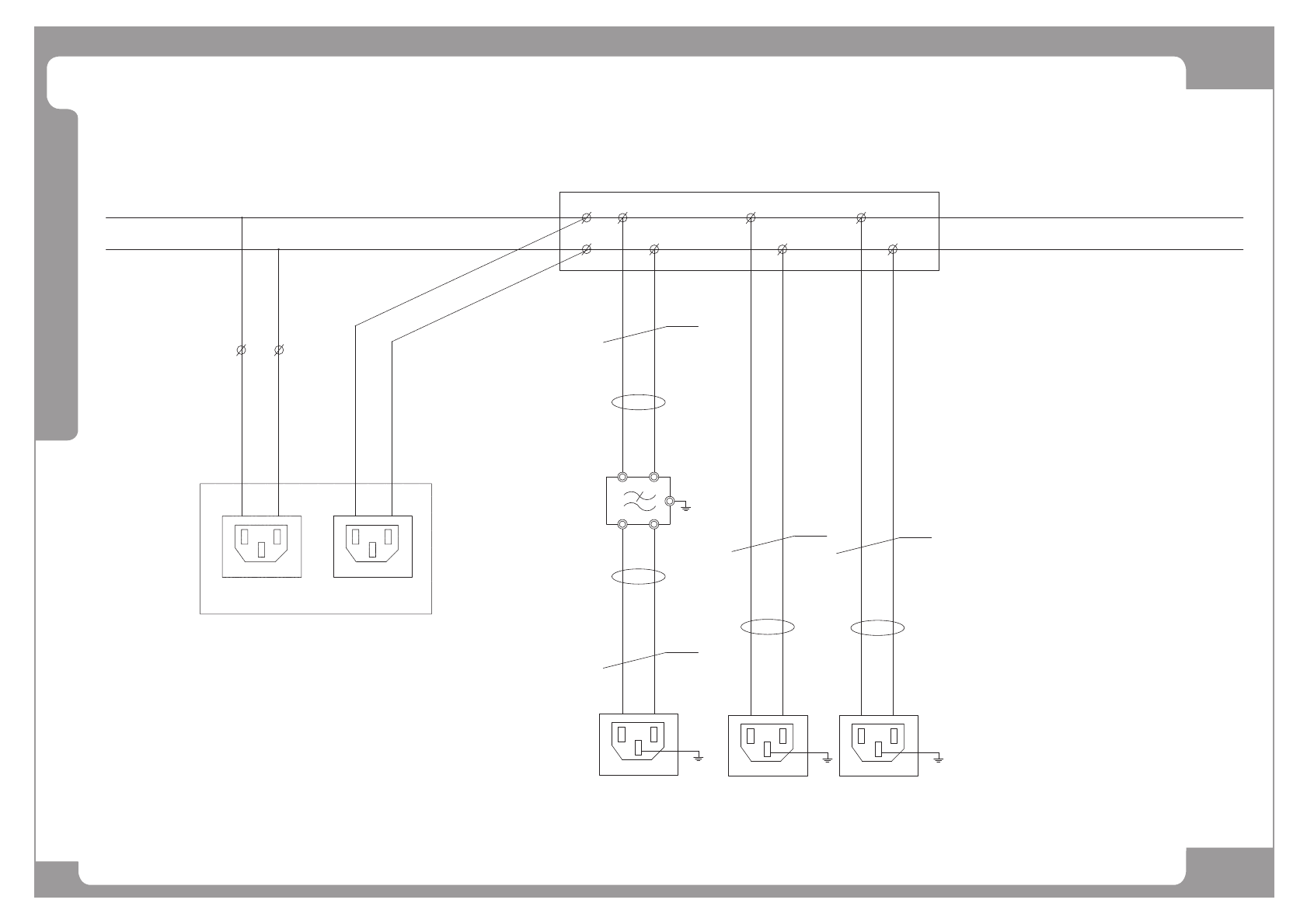
Page SAMSUNG TECHWIN 133 SM421 E lectric Circuit Diagram - SM421N (3/6) TO REAR MONIT OR (PC+VME ASSY POWER) TO CONTROL BOX TO F RON T MO NI TOR PE04 1L1 1L2 FROM CP1 1L2 1L1 5A 5B 1A 1B 1.5mm 2 6A 2A 3A PE05 7A POWER IN…

Page
SAMSUNG TECHWIN
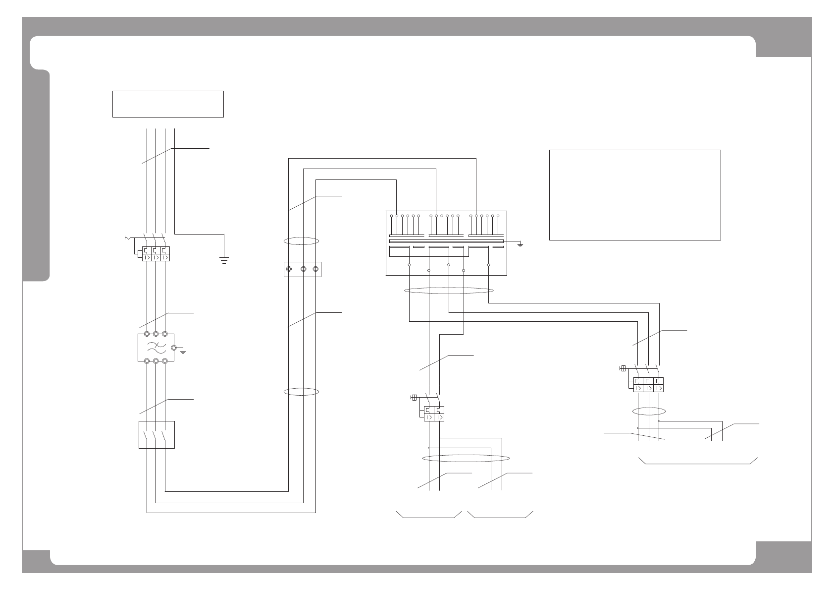
132
SM421
Electric Circuit Diagram - SM421N (2/6)
240
(SM41_PW005)
(SM41_PW004)
2.5 mm
2.5 mm
-MAIN S/W
(600VAC,20A)
L32
L33
L31
246
135
-NF1
(3Ø, 20A)
L22
L21
L23
1
4
5 6
2 3
2
2
PE01
2P-C16
-CP1
2
1
(SM41_PW003)
(SM41_PW001)
2.5 mm
FACTORY MAIN POWER
4.0 mm
(3Ø/PE 60HZ 200~415VAC)
-MCCB1
(3Ø, 20A)
L13
L12
L11
2 64
1 3 5
APPROX. 5KVA)
T
SR
2
-EARTH PLATE
FRAME GROUND
-TRANS
220V
208200 220
L31
2
PE
to TB1-1A,TB1-5A
1L1
1L2
4
3
22S
22R
(SM41_PW008)
22T
3P-C16
-CP2
2 4
13
TF2L1
TF2L2
6
5
TF2L3
220V 220V
0V 220V
PE02
200220415380 200 208 380240 415
L32
415208 220 380240
L33
2.5 mm
2
X,Y1,Y2,SW,WD AXIS(SERVO)
to MC1
6.SECONDARY #1 : 1Ø 220(2KVA)
SECONDARY #2 : 3Ø 220(3KVA)
2.FREQUENCY : 50/60Hz
1.CAPACITY : 5KVA
3.PHASE : 3Ø
4. CONNECTION: Y-Y
<TRANS SPECIFICATION>
5.PRIMARY : 3Ø 200/208/220/240/380/415V, 5KVA
(23860)
(23880)
to TB1-21A,TB1-26A
22R 22T
CONTROL RACK(PC+VME)
MONITOR1,2
-TB2
(SM41_PW030)
2.5 mm
2
TF1L1
TF1L2
2.5 mm
2
(SM41_PW006)
2.5 mm
2
2.5 mm
2
2.5 mm
2
to TB1-9A,TB1-14A
1L1
1L2
DC POWER #1~#4(24VDC)
AC FAN
2.5 mm
2
(SM41_PW007)

Page
SAMSUNG TECHWIN
133
SM421
Electric Circuit Diagram - SM421N (3/6)
TO REAR MONITOR
(PC+VME ASSY POWER)
TO CONTROL BOX
TO FRONT MONITOR
PE04
1L1 1L2
FROM CP1
1L2
1L1
5A
5B
1A 1B
1.5mm
2
6A
2A 3A
PE05
7A
POWER INLET
PE03
1L1 1L2 1L1 1L2
1.5mm
2
AC220V
(SM41_PW010)
-NF2
(1Ø, 5A)
1
3
4
2
PE08
1L1N 1L2N
1.5mm
2
1.5mm
2
(SM41_PW021)
(SM41_PW010)
(SM41_PW022)
OUTLETINLET
UPS OPTION INSTALL
4A
4B
8A
8B
-UPS
(800VA)
* UPS사용시만결선

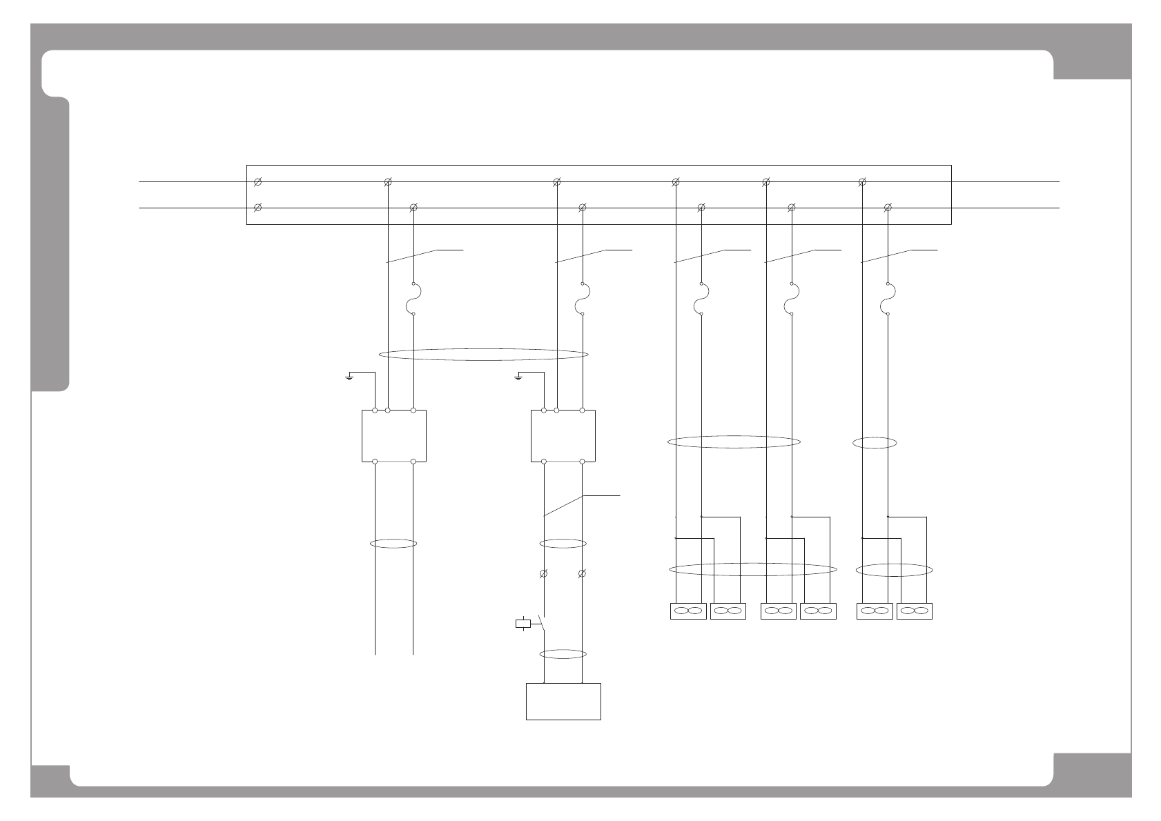
Page
SAMSUNG TECHWIN
134
SM421
Electric Circuit Diagram - SM421N (4/6)
1L2
1L1
14A
9B
(RIGHT SIDE)
-FAN1
-FAN2
1L1 1L2(F3)
0.75mm
A
B
2
16B
11A
DC POWER(400W)
-PS1
(+)
PE06
(-)
AC IN
9A
1.5mm
1L1
1L2(F1)
A
B
2
14B
24VDC
-FUSE1 (AC250V,10A)
TO SC-CN1,CN2
+24V 24G
+24VM 24G
DC POWER(400W)
(-)
24VDC
(+)
AC IN
1L1
1L2(F2)
-FUSE2 (AC250V,10A)
A
B
1.5mm
2
15B
10A
-PS2
PE07
-FUSE3 (AC250V,5A)
-FAN3
(LEFT SIDE)
-FAN4
B
A
1L1 1L2(F4)
-FUSE4 (AC250V,5A)
2
0.75mm
12A
17B
(SERVO DRIVER RACK)
-FAN5
-FAN6
1L2(F5)
A
B
-FUSE5 (AC250V,5A)
0.75mm
2
18B
13A
1L1
AC220V
(SM41_PW011)
(SM41_PW012)
(SM41_PW013)
(GENERAL IO)
(FEEDER PW)
(R-STEP,CONV.-STEP)
(SM41_PW014) (SM41_PW015)
24G
19B
+24VZ
13
14
-MC1
Z-AMP
20B
20A
19A
1.5 mm
2
(SM41_PW017)
12
HEAD Z1~Z6 AXIS
(SM41_PW017)
FROM CP1
(SM41_PW016)