SM421_TechnicalReference(Eng_Ver6) - 第23页
Page SAMSUNG TECHWIN 13 SM421 F eeder Base Ass’y - DC NO. LEVEL P ART NO. P ART NAME Q'TY TYPE Old No. Stock Apply Reference A-1 J90571015A FEEDER_BASE_ASSY_F RONT -DC J90571015A 1 1 J90600352B FEEDERBASE_RIGHT_COVE…

Page
SAMSUNG TECHWIN
12
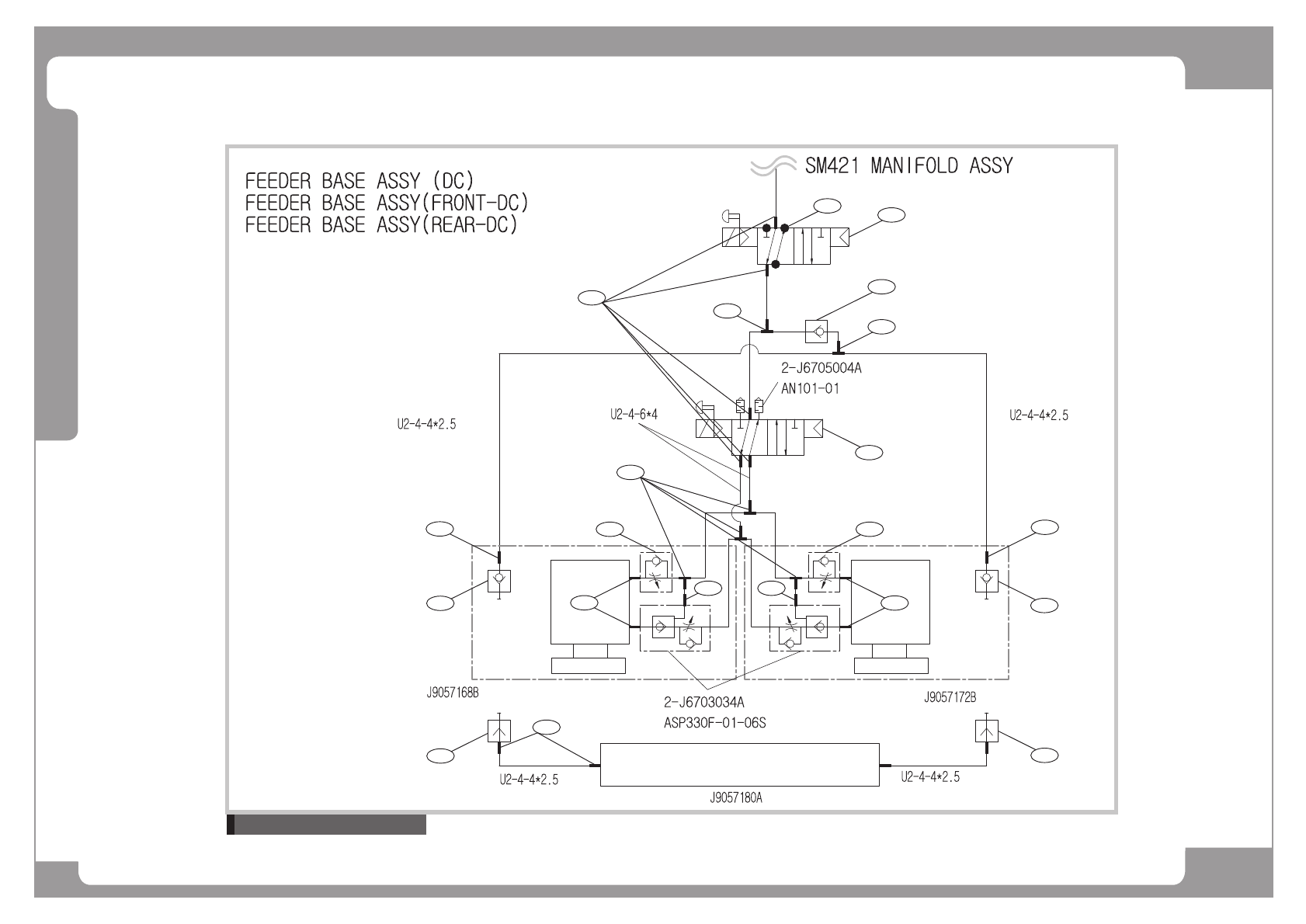
SM421
Feeder Base Ass’y - DC (4/4)
Reference to Air Ass'y
ڡۀۀڿۀۍٻڝڼێۀٻڃڟڞڄ
5
5
7
9
9
13
13
7
7
11
12 12
11
23
24
25
18
23
21
19
25

Page
SAMSUNG TECHWIN
13
SM421
Feeder Base Ass’y - DC
NO. LEVEL PART NO. PART NAME Q'TY TYPE Old No. Stock Apply Reference
A-1 J90571015A FEEDER_BASE_ASSY_FRONT-DC J90571015A 1
1 J90600352B FEEDERBASE_RIGHT_COVER_PCB_ND 1
2 J90600351B FEEDERBASE_LEFT_COVER_PCB_ND 1
3 J91741071A FEEDER_INPUT_EXT_BOARD VER 1.1 1
4 J91741070A FEEDER_IO_BOARD VER 1.2 1
5 J6712008A PLUG 2
6 J6711256A COUPLER[KD-M5-SA34697KR] 56
7 J1301188 FITTING [KQ2L04-M5/PL4-M5M/SQL04-M5] 4
8 J6711104A STRAIGHT FITTING[KQ2H04-00/PU4] 1
9 J6711256A COUPLER[KD-M5-SA34697KR] 1
10 J6703033A SPEED CON[AS2201F-01-06S] 1
11 J6703034A SPEED CON[ASP330F-01-06S] 1
12 J6711009A ELBOW FITTING [KQ2L06-M5] 1
13 J6711247A ELBOW FITTING[PT18EF] 2
14 J6711001A ELBOW FITTING 1
15 J70540267B FRONT SENSOR BKT2 J70540267B 1
16 J70540266C FRONT SENSOR BKT1 1 J70540266B
17 J1300101 DRAWER PULL [HD-108] 2
18 J6712008A PLUG [PT 1/8] 3
19 J67110119B UNION Y FITTING [KQ2U04-06] 1
20 J67050004B SILENCER AN101-01 2
21 J6703037A CHECK VALVE[AKH06-00] 1
22 J6061601000 DOWEL PIN [MS6-10] 4
23 J1300284 FITTING [KQ2U06-00/PY6M] 5
24 J1300276 FITTING [KQ2L06-01/PL6-01] 5
25 J6702021A SOLENOID VALVE [K180-4E1-21-DC24V] 1
26 J90831142A F_DOCKING_CART_SNS_CABLE_ASSY SM33-CV019 1 [10] at 107 page

Page
SAMSUNG TECHWIN
14
SM421
Feeder Base Ass’y - DC
NO. LEVEL PART NO. PART NAME Q'TY TYPE Old No. Stock Apply Reference
27 J90831149B F_DOCKING_CART_SOL_CABLE_ASSY 1 J90831149A [11] at 104 page
28 J90830202B FRONT D-CART PWR CABLE ASSY, D-C 1 [12] at 123, 124 page
29
30 J90830204C DOCKING CART I/F CABLE ASSY 1 Only Indication
A-2 J90571016A FEEDER_BASE_ASSY_REAR-DC J90571016A 1
31 J70540268C REAR SENSOR BKT1 1
32 J70540269B REAR SENSOR BKT2 1
33 J90831143A R_DOCKING_CART_SNS_CABLE_ASSY SM33-CV020 1 [13] at 107 page
34 J90831150B REAR_DOCKING_CART_SOL_CABLE_ASSY SM33-CV 1 J90831150A [14] at 104 page
35 J90830203B REAR D-CART PWR CABLE ASSY, D-CA 1 [15] at 123, 124 page