Foreign Machine Interface - 第3页
FOREIGN MACHINE INTERFACE FMI POD Chapter Issue 3 Jan 08 Technical Reference Manu al 28.3 FMI Loom NC NC NC NC NC NC M/C Available I/P 25 Send Downline O/P 0V NC NC NC +12V +24V US Downline Ready I/P NC NC NC DEK M/C Ava…

FOREIGN MACHINE INTERFACE
FMI POD
28.2 Technical Reference Manual Chapter Issue 3 Jan 08
FMI POD The FMI Pod is only used where both the upline and downline are using
SMEMA, Fuji or Panasonic interfaces. For all other interfaces refer to the MIU
interface later in this chapter.
The DEK FMI Pod is a communications interface that allows DEK Printing
Machines to communicate with upline and downline board handlers.
03 Board Available (Input)
10 Board Pass (Input)
01 Dek M/C Available (Output)
16 Downline M/C Available (Input)
19 Board Available (Output)
24 Board Pass (Output)
Upline
Downline
M28SK02
External Service Panel
POWER ON
PART No. 160740
M/C AVAILABLE
BOARD AVAILABLE
BOARD PASS
DOWNLINE
BOARD AVAILABLE
BOARD PASS
M/C AVAILABLE
UPLINE
18 Board Available (Input)
05 Board Pass (Input)
15 Dek M/C Available (Output)
09 Downline M/C Available (Input)
06 Board Available (Output)
13 Board Pass (Output)
Upline
Downline
M28PL01
FMI POD

FOREIGN MACHINE INTERFACE
FMI POD
Chapter Issue 3 Jan 08 Technical Reference Manual 28.3
FMI Loom
NC
NC
NC
NC
NC
NC
M/C Available I/P
25
Send Downline O/P
0V
NC
NC
NC
+12V
+24V US
Downline Ready I/P
NC
NC
NC
DEK M/C Available O/P
NC
Send Upline O/P
Upline Ready I/P
NC
+24V SW
NC
Machine Controller
Enclosure
1
2
3
4
5
6
7
8
9
10
11
12
13
14
15
16
17
18
19
20
21
22
23
24
25
FMI Pod
0V (24V)
0V (24V)
0V (24V)
+5V O/P
+5V O/P
Ready to Receive Downline O/P
M/C Available O/P
Send Downline I/P
+5V O/P
0V I/P
0V
+24V US
+24V US
+12V
+24V US
TX
RX
NC
DEK M/C Available I/P
0V
Send Upline I/P
Ready to Receive Upline O/P
NC
+24V SW
NC
M36SK04
01
02
03
04
05
06
07
08
09
10
11
12
13
14
15
16
17
18
19
20
21
22
23
24
25
193
007
192
128
126
191
014
023
013
127
PL01
193
007
192
128
126
191
014
023
013
127
01
02
03
04
05
06
07
08
09
10
11
12
13
14
15
16
17
18
19
20
21
22
23
24
25
DEK M/C (SK) M28PL01

FOREIGN MACHINE INTERFACE
FMI POD
28.4 Technical Reference Manual Chapter Issue 3 Jan 08
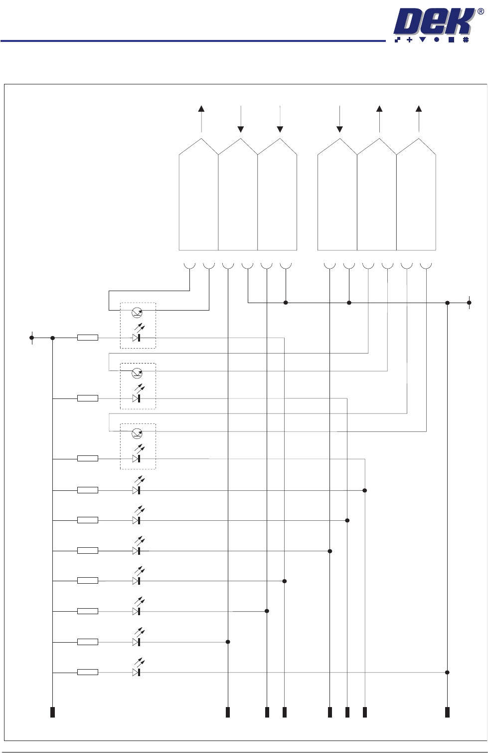
FMI Pod Circuit
+12V
0V
22
18
05
15
09
06
13
07
023
R1
4K7
D1
D3
D4
D5 D6
D7
D2
R2
4K7
R3
4K7
R4
4K7
R5
4K7
R6
4K7
R7
4K7
R8
1K
R9
1K
R10
1K
ICI-A
ICI-B
ICI-C
191
193
126
192
127
128
007
M28PL01
M28SK02
DEK M/C Available
0V Return
0V Return
0V Return
0V Return
0V Return
0V Return
Board Available
Board Pass
Board Pass
Board Available
01
03
04
10
11
16
17
19
21
24
25
02
O/P
O/P
O/P
I/P
I/P
I/P
Downline M/C Available
To Upline M/C
To Downline M/C