三星贴片机SM321机械电气图 - 第119页
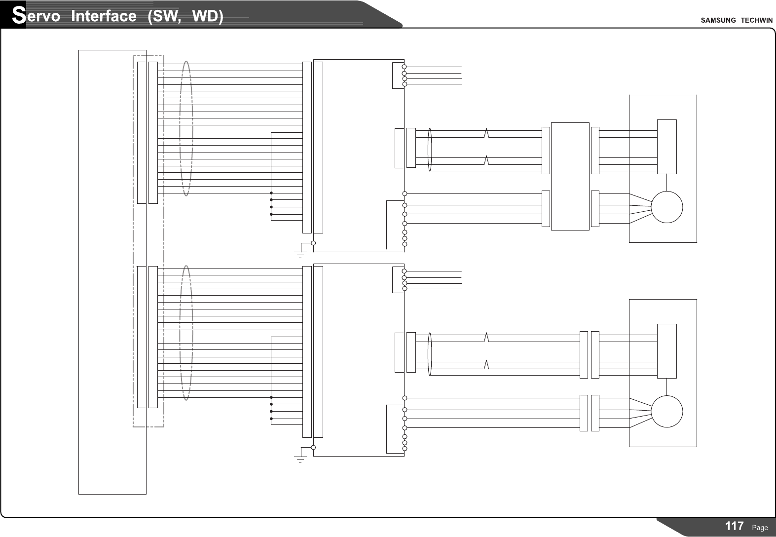
NO. PARTNO. PARTNAME Q'TY TYPE REMARK 1 J90800692C Z5,Z6DRVCOMMANDCABLEASS'Y SM_VM007 2 J90800674C Z5,Z6SERVOPOWERCABLEASS'Y SM_PW017 3 J90800813D Z5MOTORPWRCABLEASS'Y SM_M…

X2
SERVODRIVER
ROWA
13
7043A
AXISB'D#3
19
22
30
21
20
16
18
17
15
14
9
12
11
8
7
CN1
3
4
2
1
13
19
22
30
21
20
16
18
17
15
14
GND
/EZ
EZ
EB
/EB
/EA
-COM
EA
INP
FG
50
9
8
49
25
38
36
24
23
21
48
22
41
39
9
12
11
8
7
3
4
2
1
+COM
/ALM
/ALMRST
/SON
SP1
/CW
/CCW
CCW
CW
6
30
37
31
29
7
5
4
3
Z5AXIS
X5
RB2
RB3
RB1
r
X1
L1
L3
t
TB1-29B
TB1-25B
TB1-22B
TB1-19B
(S M_P W 017)
SP2
1010
27
13
8
50
9
41
21
13
31
30
38
36
25
24
23
49
48
22
39
37
27
29
7
6
5
4
3
Z5MOTOR
U
V
W
PE
6
4
5
3
1
2
SHIELD
SD
SD/
0V
+5V
4
6
5
2
3
1
EN
(S M_MD017)
(S M_MD016)
X6
(S M_VM007)
4
1
2
3
4
1
2
3
FLATCABLE
1
2
3
4
5
3
6
2
4
5
U
ROWB
38
50
FG
8
9
50
8
38
9
RB3
RB2
X2
RB1
W
V
1616
2020
22
30 30
22
21 21
1818
19 19
17 17
15 15
14
13
14
13
11
12
11
12
10
9
10
9
33
77
8 8
4 4
11
2 2
SP1
13
27
37
30
39
41
22
48
21
23
24
36
25
49
/EZ
GND
/EA
/EB
EZ
EB
-COM
EA
INP
SP2
/ALMRST
/ALM
31
21
23
25
36
24
48
49
22
PE
5
6 6
5
41
39
13
37
31
27
30
1
3
2
4
X6
3
4
2
1
29
/CCW
/SON
+COM
CCW
/CW
CW
5
7
6
3
4
SERVODRIVER
5
Z6AXIS
7
29
6
3
4
X5
L1
X1
L3
r
t
11
Z6MOTOR
3
2
3
2
SD
SD/
SHIELD
(S M_MD018)
4
4
5
3
+5V
0V
1
(S M_MD019)
2
EN
FLATCABLE
4
3
6
2
4
5
TB1-25B
TB1-29B
TB1-19B
TB1-22B
(S M_P W 017)

NO. PARTNO. PARTNAME Q'TY TYPE REMARK
1 J90800692C Z5,Z6DRVCOMMANDCABLEASS'Y SM_VM007
2 J90800674C Z5,Z6SERVOPOWERCABLEASS'Y SM_PW017
3 J90800813D Z5MOTORPWRCABLEASS'Y SM_MD016
4 J90800814D Z5MOTORENCCABLEASS'Y SM_MD017
5 J90800815D Z6MOTORPWRCABLEASS'Y SM_MD018
6 J90800816D Z6MOTORENCCABLEASS'Y SM_MD019
7
8
9
10
11
12
13
14
15
16
17
18
19
20
21
22
23
24
25
26
27

X2
SERVODRIVER
ROWA
13
7043A
AXISB'D#3
19
22
30
21
20
16
18
17
15
14
9
12
11
8
7
CN2
3
4
2
1
13
19
22
30
21
20
16
18
17
15
14
GND
/EZ
EZ
EB
/EB
/EA
-COM
EA
INP
FG
50
9
8
49
25
38
36
24
23
21
48
22
41
39
9
12
11
8
7
3
4
2
1
+COM
/ALM
/ALMRST
/SON
SP1
/CW
/CCW
CCW
CW
6
30
37
31
29
7
5
4
3
SWAXIS
X5
RB2
RB3
RB1
r
X1
L1
L3
t
TB1-43B
TB1-37B
TB1-22B
TB1-31B
(S M_P W 018)
SP2
1010
27
13
8
50
9
41
21
13
31
30
38
36
25
24
23
49
48
22
39
37
27
29
7
6
5
4
3
SWMOTOR
U
V
W
PE
6
4
5
3
1
2
SHIELD
SD
SD/
0V
+5V
4
6
5
2
3
1
EN
(S M_MD021)
(S M_MD020)
X6
(S M_VM008)
4
1
2
3
4
1
2
3
FLATCABLE
1
2
3
4
5
3
6
2
4
5
U
ROWB
38
50
FG
8
9
50
8
38
9
RB3
RB2
X2
RB1
W
V
1616
2020
22
30 30
22
21 21
1818
19 19
17 17
15 15
14
13
14
13
11
12
11
12
10
9
10
9
33
77
8 8
4 4
11
2 2
SP1
13
27
37
30
39
41
22
48
21
23
24
36
25
49
/EZ
GND
/EA
/EB
EZ
EB
-COM
EA
INP
SP2
/ALMRST
/ALM
31
21
23
25
36
24
48
49
22
PE
5
6 6
5
41
39
13
37
31
27
30
1
3
2
4
X6
3
4
2
1
29
/CCW
/SON
+COM
CCW
/CW
CW
5
7
6
3
4
SERVODRIVER
5
WDAXIS
7
29
6
3
4
X5
L1
X1
L3
r
t
1
WDMOTOR
3
2
SD
SD/
SHIELD
(S M_MD022)
+5V
0V
(S M_MD023)
EN
4
3
6
2
4
5
TB1-37B
TB1-43B
TB1-31B
TB1-34B
(S M_P W 018)
2
3
1
4
6
3
2
5
4