三星贴片机SM321机械电气图 - 第87页
CN1 4P VMEIO BOARD VMEIO BOARD 6P CN2P CN2S 20P CN9P 24G 24G +24V CN1S +24V +24V F_FIX1SIDE +24V +24V F_FIX1OUTER F_FIX1INNER 6 3 2 5 4 1 CN3P 6P CN3S +24V +24V F_FIX2INNER F_FIX2OUTER F_FIX2SIDE +24V 6…

Panasonic AC servo
SET
MODE
Panasonic AC servo
SET
MODE
Panasonic AC servo
SET
MODE
Panasonic AC servo
SET
MODE
CN2 CN1 CN2 CN1 CN2
CN1 CN2
CN3 CN3 CN3
CN3
TWINSERVOB'D
X7043AXISB'D
J1-BACKPLAIN
CANMASTER
VME-162MAIN
BOARD
BOARD
VMEIOB/D
CN2
CN3
CN1
FIXLED#1
FIXLED#2
CN7
CN1 CN12
USB-IN
VGA-IN
CN2
MONITOR-A
CN3
MONITOR-B
CN13
F-USB
CN14
R-USB
CN4
CPU1 ETHERNET
CONSOLE1
CONSOLE2
CONSOLE3
CONSOLE4
D-SUB25PIN
CONSOLE
LAN
F-FEEDERI/F
BOARD
R-FEEDERI/F
BOARD
CONVEYORI/F
BOARD
HEADILL.B/D
HEADIOB/D
CN2
CN3
CN3
CN2
CN2
CN5
CN6
TOWERLAMP&GENERALI/O
+5V
5G
+12V
-12V
12G
CAN
CAN
CAN
CAN
RS232SERIAL
CH2
+24V,24G
+24V,24G
+24V,+24VP,24G
->RED
->YELLOW
->GREEN
+24V,+24VP,24G
CN4
+24V,+24VP,24G
JOG/A
CN9
JOG/B
CN11
P1 P1 P1
P1
CN1
P1P2P1
PCI
TRANSCEIVER
210TS
CH1
CN3
CN6
CN4
FIXLED
I/FB'D
CNA28
CN2
CAN
CAN
H1H6
OUTERLED
H1H6
SIDELED
FIDUCIALOUTERLED
CN3
CN4
CN9
<-->OPPANEL
Panasonic AC servo
SET
MODE
Panasonic AC servo
SET
MODE
Panasonic AC servo
SET
MODE
Panasonic AC servo
SET
MODE
Panasonic AC servo
SET
MODE
Panasonic AC servo
SET
MODE
Panasonic AC servo
SET
MODE
+24VP,24G
R56R34
(STEPPINGMOTOR)
R12
5
MOTOR
+V
-V
1
2
3
4
+
-
-
+
CCW
CW
MF +
MF -
MF -
WORK
NEXTEYE
VISION
B/D
CN11
CN1
VISIONI/F
CN1
CN2 CN3
CN4
ANALOG
J4J3J2
J1
J5J6
BOARD
J4
J3
J2
J1
CAMERA
IOB'D
J5
J6
FLYCAMERA16
FIX
HD+/-,VD+/-,+12V,12G
CAM#1,#2
FIDUCIAL
CAMERA
PCII/O
BOARD
SBC
INDUSTRIAL
PC
MONITOR
PORT
USB1
PORT
CN11
CN10 CN5CN6CN7
CN14
CN15CN13CN4 CN12
SIDEILLUP/DOWN
R12,R34,R56
AUX.SEN
SIDEILL.UP/DNSEN
CN8
Z16HOMESEN
SENSORSENSORSENSORSENSOR
VAC. VAC.VAC.VAC.
H1 H2 H3 H4
VACUUMSENSORB'D(H1H6)
H6H5
VAC. VAC.
SENSOR SENSOR
VME
CN1
CN2
CN3
CN5
CN6
CN4
CN1
FEEDER
EXT.BOARD
CN5CN4
CN3
CN2CN1
CN9
CN8
CN7
CN6
CN20
CN19
CN10
BOARD
AXIS
+24V,24G
Z1Z6HOME/SWHOME/R12,34,56HOME
XHOME/+LIMIT/-LIMIT
Y2_INDEX
Y1HOME/+LIMIT/-LIMIT
WD_HOME/+LIMIT/-LIMIT
SM21
_MD024
SM21
_MD039
SM_MD025
SM21_VM004 SM_VM005 SM_VM006 SM_MD007 SM_VM008
SM21_VM009
SM21_VM010
SM21_PW022
SM21_CA001
SM_CA002
SM_CA003
SM21_VIS011
SM21_VIS010
SM_VIS009
SM_VIS006
SM_VIS001
SM_VIS007
SM_VIS008
SM_VIS002
SM21_VIS004(SM21_VIS012
SM_AX002
SM_AX003
SM_AX006
SM_AX004
SM_AX005
SM21_AX001
SM_AX007
SM21_VI001
SM21_VI002
SM21_VI003
SM21_VI004
FLAT
SM_FD004
SM_FD003
(FROMSAFETY
SM_FD005
SM21_FD001
SM21_FD002
CN3
CN2
SM_FD007
SM_FD006
SM21_CA006
SM21_HD005
SM21_HD006
SM21_HI001
SM_HD007
SM21_HD009
SM21_HD008
SM21_HD013
SM21_KV001
SM21_KV003
SM21_KV005
SM_VM011
REARFEEDERBASELEFTB/D
REARFEEDERBASERIGHTB/D
FRONTFEEDERBASERIGHTB/D
FRONTFEEDERBASELEFTB/D
F24V/G,D24V/G
F24V/G,D24V/G
F24V/G,D24V/G
F24V/G,D24V/G
SM21
_MD038
SM21
_MD040
R-STEPPING
SM21_PW022-1
CN1
SM21_VM003
X7043AXISB'D
(DAUGHTER)
X7043AXISB'D
(MOTHER)
CH1 CH2
<FRONT>
<REAR>
MON.
KBD MOUSE T-BOX
MON.
KBD MOUSE T-BOX
SM21_KV003
SM21_KV005
SM21_CV023
SM_KV003
SM21_KV005
SM21_CV023
CN8
CN10
SM21_CV023
SM21_CV001
CN5
FIDUCIALINNERLED
+24V,24G
HEADHOME
CN1
+24V,24G
SM21_HD001
CN1
R12,34,56HOMESEN
SM21_HD002
SM21_HD014
SWHOMESEN
Z1
(30W)
Z2
(30W)
Z3
(30W)
Z4
(30W)
Z5
(30W)
Z6
(30W)
(100W)
WD
(50W)
SW
SM_MD008
SM_MD009
SM_MD010
SM_MD011
SM_MD012
SM_MD013
SM_MD014
SM_MD015A
SM_MD016
SM_MD017
SM_MD018
SM_MD019
SM_MD020
SM_MD021
SM_MD022
SM_MD023
SM_M
D026
SM_M
D027
SM_M
D028
SM_M
D029
SM_M
D030
SM_M
D031
SM_M
D032
X
(750W)
SM_MD001
SM_MD002
(1KW)
Y2
(1KW)
Y1
SM_MD004
SM_MD005
SM_MD007
SM_MD006
<FRONT-OP> <REAR-OP>
G
S
T
M
E
O
P
C
R
E
E
N
Y
LOCK
CHANGE
F/FEEDER
0N
RESET
STOP
START
READY
G
LOCK
S
T
M
E
CHANGE
F/FEEDER
RESET
0N
STOP
START
READY
O
P
C
R
E
E
N
Y
(MOTHER)
(DAUGHTER)
FR-OPERATE(KVMS)BOARD
SENSOR
SENSOR
INPUT
FEEDER
EXT.BOARD
SM_FD005
CN3
CN2
SM_FD007
SM_FD006
INPUT
SOL
CONTROLB/D)
(FROMSAFETY
CONTROLB/D)
(FROMSAFETYCONTROLB/DCN26)
DRIVER
CN7
CN7
CONV.SUBI/FBOARD
SM21_KV008
(TOCONVEYORI/FB/DCN26)
SM21_KV006
SM21_KV007
(TOCONVEYORI/FB/DCN27)
H16VACSOL
H16BLOWSOL
SM21_HD011
SM21_HD012
(TOVMEIOB/DCN9)
HEADVAC/BLOWSOL
<-->CONV.SUBI/FB/D,KVMSB'D

CN1
4P
VMEIO
BOARD
VMEIO
BOARD
6P
CN2P
CN2S
20P
CN9P
24G
24G
+24V
CN1S
+24V
+24V
F_FIX1SIDE
+24V
+24V
F_FIX1OUTER
F_FIX1INNER
6
3
2
5
4
1
CN3P
6P
CN3S
+24V
+24V
F_FIX2INNER
F_FIX2OUTER
F_FIX2SIDE
+24V
6
5
4
3
2
1
FROMSAFETYCONTROL
B/DCN26
S M21_VI001
S M21_VI002
S M21_VI003
HD-SOL
12
11
10
9
8
7
6
5
4
3
2
1
FLATCABLE
12
11
10
9
8
7
6
5
4
3
2
1
H1-VAC
H2-VAC
H3-VAC
H4-VAC
H5-VAC
H6-VAC
CN9S
20S
H6-BLOW
H4-BLOW
H5-BLOW
H3-BLOW
H2-BLOW
H1-BLOW
2
4
3
1
TOFIX1LEDI/F
B/DJP1
TOFIX2LEDI/F
B/DJP1
13
12
3
5
7
6
4
2
15
14
17
16
S M21_VI004
3
2
5
3
4
2
1
6
1
4
3
2
5
6
1
4
3
4
2
1
3
2
5
6
1
4
3
2
5
6
1
4
13
12
3
5
7
6
4
2
15
14
17
16

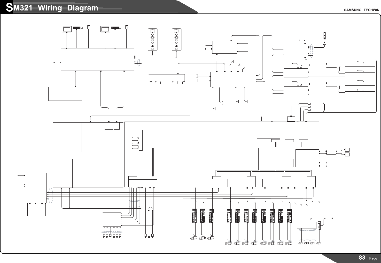
NO. PARTNO. PARTNAME Q'TY TYPE REMARK
1 J90830155B VMEIOB/DPOWERCABLEASS'Y SM21-VI001
2 J90830156B FIX1ILL.I/FCABLEASS'Y SM21-VI002
3 J90830157B FIX2ILL.I/FCABLEASS'Y SM21-VI003
4 J90830158B HEADVAC/BLOWCONTROLCABLEASS'Y SM21-VI004
5
6
7
8
9
10
11
12
13
14
15
16
17
18
19
20
21
22
23
24
25
26
27