三星贴片机SM321机械电气图 - 第98页
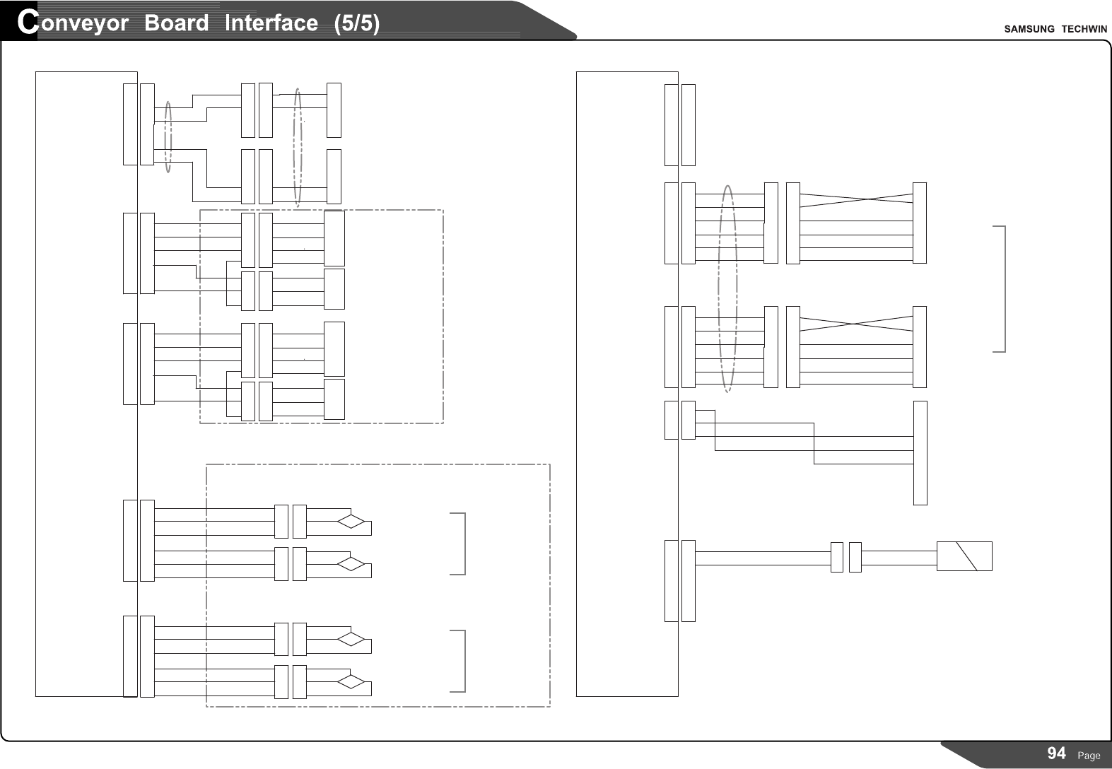
NO. PARTNO. PARTNAME Q'TY TYPE REMARK 1 J90800751C CVI/F-FLATCANCABLEASS'Y SM_CA004 2 J90800750B RFDR-CVIFCANCABLEASS'Y SM_CA003 3 J90830186B CONV.I/FB/DPOWERCABLEASS'Y SM21-CV…

INLINEBEFORE
INLINEAFTER
6P
CN24P
4
6
3
2
5
CN24S
1
6
6P
CN23P
2
5
4
CN23S
3
1
6P
CN21P
6
4
5
2
3
CN21S
1
6
CONVEYOR
I/FBOARD
CN20P
6P
2
5
4
CN20S
3
1
3
4
2
1
3
4
2
1
KEYPADUSED
GND
+12V
TXD
RXD
EMG_IN
REART-BOX
CN28S
CN28P
3P
VMECPUB/D
CONSOLE#4
RXD
TXD
GND
3
6
8
7
5
4
2
1
4
5
6
6
5
4
3
2
1
6
5
4
3
2
1
CONVEYOR
I/FBOARD
CN27S
CN26S
CN27P
6P
CN26P
6P
CN25S
CN25P
6P
FRONTT-BOX
KEYPADUSED
EMG_IN
+12V
GND
4
5
6
3
2
1
5
6
4
3
2
1
RXD
TXD
6
5
4
3
2
1
2
3
1
BUSYINPUT
AVAILABLEINPUT
RECEIVER
FRONTARERSENSOR
+24V
FASEN
24G
+24V
24G
FRONTAREASENSOR
EMMITER
FASEN
SYNC
SYNC
+24V
24G
+24V
24G
4
2
1
3
3
4
2
1
3
1
2
4
3
1
2
3
1
2
3
1
2
4
3
24G
+24V
24G
2
5
4
6
RASEN
+24V
2
1
3
4
2
3
4
1
4
3
1
2
2
3
1
2
2
3
1
4
3
1
1
6
4
2
5
3
1
6
2
5
4
3
1
4
6
3
5
2
1
6
2
5
4
3
1
3
2
5
6
4
1
CN22S
CN22P
6P
REARARERSENSOR
SYNC
SYNC
+24V
24G
24G
EMMITER
REARAREASENSOR
RECEIVER
+24V
RASEN
KVMSB/DJP23
HOST-A
KVMSB/DJP24
HOST-B
CN12S
CN12P
6P
3
2
1
6
5
4
1
2
3
6
5
2
3
4
1
6
2
5
3
4
1
1
3
4
5
2
6
3
2
1
5
6
4
2
3
1
5
6
2
3
4
6
1
2
5
3
4
1
1
3
4
5
2
6
OPTION!
S M_C V 021
S M_C V 022
CN-FDOCK2
CN-FDOCK1
24G
FDOCK2
+24V
24G
FDOCK1
+24V
2
1
3
3
2
1
EE-SPY312
EE-SPY312
FRONTDOCKING
SENSOR2
FRONTDOCKING
SENSOR1
CN-RDOCK1
CN-RDOCK2
RDOCK2
RDOCK1
+24V
24G
+24V
24G
EE-SPY312
EE-SPY312
REARDOCKING
SENSOR2
REARDOCKING
SENSOR1
1
2
3
3
1
2
3
2
2
3
1
1
1
1
3
2
2
3
DOCKINGCARTOPTION
SM_CV006
S M_C V 024
S M_C V 015
S M21_C V 016
S M_C V 017
S M21_C V 018
S M_C V 019
S M_C V 020
2
1 1
2
MAINAIRSOLVALVE
MAINAIRSOL
+24V
S M_C V 027

NO. PARTNO. PARTNAME Q'TY TYPE REMARK
1 J90800751C CVI/F-FLATCANCABLEASS'Y SM_CA004
2 J90800750B RFDR-CVIFCANCABLEASS'Y SM_CA003
3 J90830186B CONV.I/FB/DPOWERCABLEASS'Y SM21-CV001
4 J90831006D CONVSOLCABLEASS'Y SM-CV002
5 J90800771C CONVS/WOUTPUTCABLEASS'Y SM-CV003
6 J90800772D TOWERLAMPEXTCABLEASS'Y SM-CV004
7 J90800773D CONVPACKB/DCABLEASS'Y SM-CV005
8 J9080774A INLINEIN/OUTCABLEASS'Y SM-CV006
9 J90800775H CONVPCBSENSORCABLEASS'Y SM-CV007
10 J90800792C SMEMACABLEASS'Y SM-CV024
11 J9080796A FRONTDOCKINGCARTSOLCABLEASS'Y SM-CV028
12 J9080797A REARDOCKINGCARTSOLCABLEASS'Y SM-CV029
13 J90800779D CONVBUTSENSORCABLEASS'Y SM-CV008
14 J90800777F CONVANCSENSORCABLEASS'Y SM-CV009
15 J9080778A ANCSENSORCABLEASS'Y SM-CV010
16 J90800779D FEEDERUNLOCKSENSORCABLEASS'Y SM-CV011
17 J90800780C FDRUNLOCKINTERRUPTCABLEASS'Y SM-CV012
18 J9080781A CONVS/WINPUT1CABLEASS'Y SM-CV013
19 J9080782A CONV.S/WINPUT2CABLEASS'Y SM-CV014
20 J9080783A FRONTAREASENSOREXTCABLEASS'Y SM-CV015 ARERSENSOROPTION
21 J90831003B FRONTAREASENSORCABLEASS'Y SM21-CV016 ARERSENSOROPTION
22 J9080785A REARAREASENSOREXTCABLEASS'Y SM-CV017 ARERSENSOROPTION
23 J90831004B REARAREASENSORCABLEASS'Y SM21-CV018 ARERSENSOROPTION
24 J9080787A FRONTDOCKINGCARTSENSORCABLEASS'Y SM-CV019 DOCKINGCARTOPTION
25 J9080788A REARDOCKINGCARTSENSORCABLEASS'Y SM-CV020 DOCKINGCARTOPTION
26 J90800789D SERIALCOMMCABLEASS'Y SM-CV021
27 J90831293A C/VI/FTOTBOXCABLEASS'Y SM-CV022

NO. PARTNO. PARTNAME Q'TY TYPE REMARK
28 J90800792C SMEMACABLEASS'Y SM-CV024
29 J90800795E MAINAIRSOLPWRCABLEASS'Y SM-CV027
30
31
32
33
34
35
36
37
38
39
40
41
42
43
44
45
46
47
48
49
50
51
52
53
54