5OM-1839-001w_F8S - 第118页
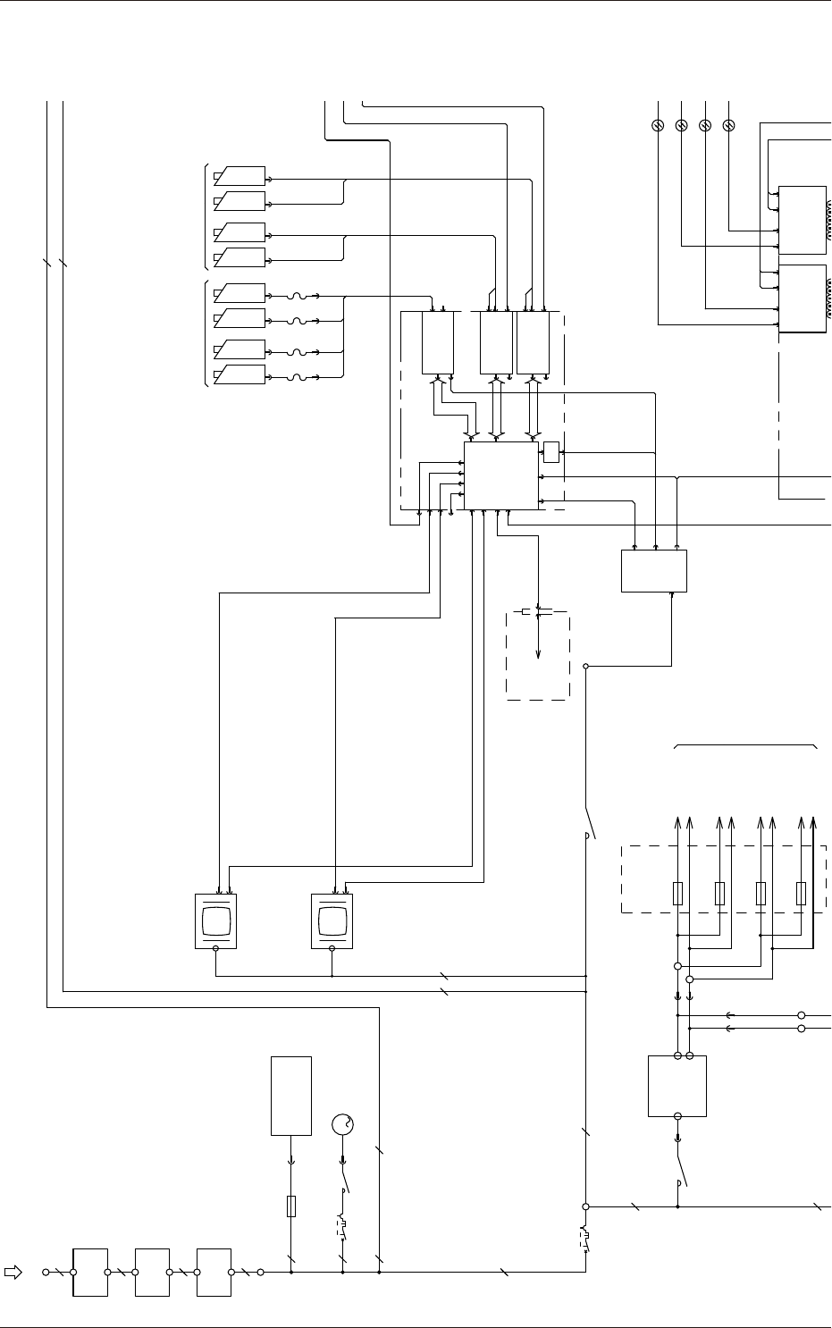
4-1-10 5OM-1839 1603-001 総合ブロック接続図 (B 部詳細図 ) 48D3B 多軸ボード主電源 DC24V G1 24A1 F1(3.15A) K1A 24A 多軸ボード制御電源 G7 48H 照明コントロール基板U95 24A2 24A0 電源投入回路 安全回路 24A3 DC負荷電源 K25 K1B 48D3C F15(5A) 48D3D F16(5A) ヘッド21 ヘッド22 10D 10D 10D 48D…

4-1-9
5OM-1839
1603-001
総合ブロック接続図 (A 部詳細図 )
F201~203(5A)
F200
雷サージプロテクタ
Q205
K29
真空ポンプ
M66
Q206
DC48V
G2
F13(5A)
48D3A
48D3B
U27
3
M
多軸ボード主電源
LCD
(TP)
REAR
N74B
K10
主電源
制御電源
ServoAMP
モニタ電源
タッチパネル
F14(5A)
48D3C
F15(5A)
48D3D
F16(5A)
ヘッド11
ヘッド12
ヘッド21
ヘッド22
10D
10D
10D
10D
48D
48D
ヘッド部
K28
CPU1(操作+認識PC)
LAN2
CPU
U91
USB(3)
DVI
LAN1
USB(11)
U92
Frame
Grabber 1
PIO
CAM
AC-IN
U93
Frame
Grabber 2
PIO
CAM
U94
ATX電源
Option
外部LAN
外部LAN接続パネル
G21
COM1
COM2
+5V
D89
CPU1-LINE:LAN1
Frame
Grabber 3
PIO
CAM
SSD
PCIe-bus
CAM
CAM
+12V
CONTROL
U83
MOTION
I/OSSCNET
CPU2(制御PC)
ID:0
2CH1CH 2CH1CH
CONTROL
U82
MOTION
I/OSSCNET
ID:0
2CH1CH 2CH1CH
SSCNET3 (光)
+12V
NOISE
FILTER
Z2
NOISE
FILTER
Z1
Q200
3
3φ AC200V
3
3
3
3
3
3 3
2 2
LCD
(TP)
FRONT
N74F
主電源
3
制御電源
2
SSCNET3 (光)
SSCNET3 (光)
SSCNET3 (光)
2
3
3
B36(1)
B36(2)
(1)〜(4)
B36(3)
B36(4)
基板認識カメラ
B61(1)
B61(2)
(1)〜(4)
B61(3)
B61(4)
部品認識カメラ
+5V+5V
+12V
+3.3V
+5V
+12V
+3.3V
+12V
PCIe-bus
PCI-bus
2
VGA

4-1-10
5OM-1839
1603-001
総合ブロック接続図 (B 部詳細図 )
48D3B
多軸ボード主電源
DC24V
G1
24A1
F1(3.15A)
K1A
24A
多軸ボード制御電源
G7
48H 照明コントロール基板U95
24A2
24A0 電源投入回路
安全回路
24A3
DC負荷電源
K25
K1B
48D3C
F15(5A)
48D3D
F16(5A)
ヘッド21
ヘッド22
10D
10D
10D
48D
48D
搬送主電源
10D
10D
F2(6.3A)
F5(3.15A)
(IO出力)
DC負荷電源
(操作系,電源系IO出力)
DC48V
48H
U27
U27
U27
24A
24A
24A
ヘッド部
ヘッド11
ヘッド12
ヘッド21
ヘッド22
24A
ヘッド部
ヘッドバルブ基板U04
DC24V
G3
24A6
F7(6.3A)
24A6
各センサ電源,本体サテライト基板U01
冷却FAN,画像分配基板U165
U27
ヘッドサテライト基板U02
ヘッド11
ヘッド12
ヘッド21
ヘッド22
24B
ラインセンサ基板U03
搬送ドライバ制御電源
24A6
24A6
24A6
搬送サテライト基板U08, U14
AELINK通信電源
CONTROL
U83
MOTION
U85
RS485
I/OSSCNET
+5V
U81
CPU
COM1 LAN
X01
24A6
CPU2(制御PC)
ID:0
D81
CPCI
2CH1CH 2CH1CH
CN2
AE_LINK
COM2
(RS232C)
U180
CF
DN TUP
高速I/O
LVDS
CN1
SERIAL2
SERIAL1
CONTROL
U82
MOTION
I/OSSCNET
ID:0
2CH1CH 2CH1CH
U01
高速I/O
LVDS
UP
DN
T
U02
LINE SENSOR
U03
ラインセンサ
受光
CN1
CN3
Slip
投光
CN9
Rings
U37
U04
ヘッド11
J1
多軸
CN1CN2 X1
ボード
24A
24A6
LVDS
CN9
CN8
SSCNET3 (光)
T
T
T
T
LVDS
LVDS
LVDS
LVDS
LVDS
U27
24B
Relay P.C.B
各負荷・センサ
24A48D
+3.3V
+12V
+5V
+12V
+3.3V
2
2
2
24B
U27
フィーダベース電源分配基板 U68
フィーダ11
フィーダ21
フィーダ12
フィーダ22
24B
24B
24B
K77
K75
F21(4A)
F23(4A)
F25(4A)
F27(4A)
フィーダI/Oサテライト基板 U09
フィーダ(後)
フィーダ(前)
24B
24B
24A6
B

4-1-11
5OM-1839
1603-001
総合ブロック接続図 (C 部詳細図 )
Servo Motor
X-Axis
Linear Scale
I/F
AMP
Y-Axis
Linear Scale
X-Axis
Linear Scale
Servo Motor
AMP
Servo Motor
AMP
I/F I/F
11-A21
Servo Motor
11-A22
M21
I/F
U21
M22
U22
AMP
Servo Motor
AMP
Servo Motor
AMP
I/F I/F
Q221A
3
M
3
M
3
M
3
M
3
M
3
M
Q221B
K33A
K33B
3 3 3
K33C
K33D
3 3 3
22 2 22 2
Y-Axis
Linear Scale
Servo Motor
AMP
I/F
3
M
3
2
12-A21 12-A22
Servo Motor
AMP
I/F
3
M
3
2
M21
U21
M22
U22
X-Axis
Linear Scale
Y-Axis
Linear Scale
X-Axis
Linear Scale
M21
U21
M22
U22
Y-Axis
Linear Scale
M21
U21
M22
U22
21-A21 21-A22 22-A21 22-A22
コントロール
U95
CN6
照明
基板
CN5
E191
(1)
E192
(1)
部品認識リング照明 1
部品同軸照明 1
(2)
E192
部品同軸照明 2
部品認識リング照明 2
(2)
E191
CN11
CN10
E191
(3)
E192
部品認識リング照明 3
部品同軸照明 3
(4)
E192
部品同軸照明 4
部品認識リング照明 4
E191
(3)
(4)
CON7
CON5
CON3
CON1
CN13
CN8
CN12
CN7
E39
基板認識照明 1
E39
(1)
(2)
基板認識照明 2
E39
基板認識照明 3
E39
(1)
(2)
基板認識照明 4
CN2
CN3
CN9
CN14
CN14
(増設)
CONTROL
I/O
ID:0
2CH 2CH1CH
SSCNET3 (光)
A41
CN1
EMG
CN6
PWR
N2
AE
N1
AE
48D
A41
CN6
PWR
N2
AE
N1
AE
48D
SSCNET3 (光)
SSCNET3 (光)
SSCNET3 (光) SSCNET3 (光)
SSCNET3 (光)
Servo Motor AMP
A31
CNP1
48V/24V
CN1A
SSC
24A
48D3A
CN1B
Servo Motor AMP
A31
CNP1
48V/24V
CN1A
SSC
24A
48D3B
CN1B
Servo Motor AMP
A31
CNP1
48V/24V
CN1A
SSC
24A
48D3C
CN1B
Servo Motor AMP
A31
CNP1
48V/24V
CN1A
SSC
24A
48D3D
CN1B
4
2 2
(1)〜(4)
B61(3)
B61(4)
部品認識カメラ
緊急停止
CN1
EMG
緊急停止24A6 24A6