5OM-1839-001w_F8S - 第119页
4-1-1 1 5OM-1839 1603-001 総合ブロック接続図 (C 部詳細図 ) Servo Motor X-Axis Linear Scale I/F AMP Y-Axis Linear Scale X-Axis Linear Scale Servo Motor AMP Servo Motor AMP I/F I/F 11-A21 Servo Motor 11-A22 M21 I/F U21 M22 U22 AMP Serv…

4-1-10
5OM-1839
1603-001
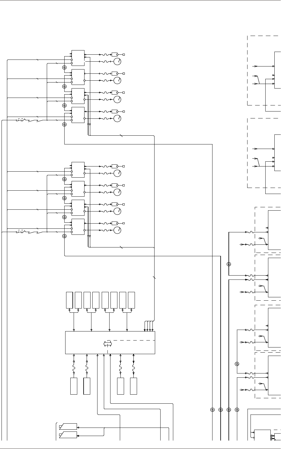
総合ブロック接続図 (B 部詳細図 )
48D3B
多軸ボード主電源
DC24V
G1
24A1
F1(3.15A)
K1A
24A
多軸ボード制御電源
G7
48H 照明コントロール基板U95
24A2
24A0 電源投入回路
安全回路
24A3
DC負荷電源
K25
K1B
48D3C
F15(5A)
48D3D
F16(5A)
ヘッド21
ヘッド22
10D
10D
10D
48D
48D
搬送主電源
10D
10D
F2(6.3A)
F5(3.15A)
(IO出力)
DC負荷電源
(操作系,電源系IO出力)
DC48V
48H
U27
U27
U27
24A
24A
24A
ヘッド部
ヘッド11
ヘッド12
ヘッド21
ヘッド22
24A
ヘッド部
ヘッドバルブ基板U04
DC24V
G3
24A6
F7(6.3A)
24A6
各センサ電源,本体サテライト基板U01
冷却FAN,画像分配基板U165
U27
ヘッドサテライト基板U02
ヘッド11
ヘッド12
ヘッド21
ヘッド22
24B
ラインセンサ基板U03
搬送ドライバ制御電源
24A6
24A6
24A6
搬送サテライト基板U08, U14
AELINK通信電源
CONTROL
U83
MOTION
U85
RS485
I/OSSCNET
+5V
U81
CPU
COM1 LAN
X01
24A6
CPU2(制御PC)
ID:0
D81
CPCI
2CH1CH 2CH1CH
CN2
AE_LINK
COM2
(RS232C)
U180
CF
DN TUP
高速I/O
LVDS
CN1
SERIAL2
SERIAL1
CONTROL
U82
MOTION
I/OSSCNET
ID:0
2CH1CH 2CH1CH
U01
高速I/O
LVDS
UP
DN
T
U02
LINE SENSOR
U03
ラインセンサ
受光
CN1
CN3
Slip
投光
CN9
Rings
U37
U04
ヘッド11
J1
多軸
CN1CN2 X1
ボード
24A
24A6
LVDS
CN9
CN8
SSCNET3 (光)
T
T
T
T
LVDS
LVDS
LVDS
LVDS
LVDS
U27
24B
Relay P.C.B
各負荷・センサ
24A48D
+3.3V
+12V
+5V
+12V
+3.3V
2
2
2
24B
U27
フィーダベース電源分配基板 U68
フィーダ11
フィーダ21
フィーダ12
フィーダ22
24B
24B
24B
K77
K75
F21(4A)
F23(4A)
F25(4A)
F27(4A)
フィーダI/Oサテライト基板 U09
フィーダ(後)
フィーダ(前)
24B
24B
24A6
B

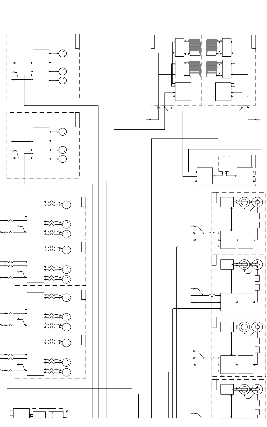
4-1-11
5OM-1839
1603-001
総合ブロック接続図 (C 部詳細図 )
Servo Motor
X-Axis
Linear Scale
I/F
AMP
Y-Axis
Linear Scale
X-Axis
Linear Scale
Servo Motor
AMP
Servo Motor
AMP
I/F I/F
11-A21
Servo Motor
11-A22
M21
I/F
U21
M22
U22
AMP
Servo Motor
AMP
Servo Motor
AMP
I/F I/F
Q221A
3
M
3
M
3
M
3
M
3
M
3
M
Q221B
K33A
K33B
3 3 3
K33C
K33D
3 3 3
22 2 22 2
Y-Axis
Linear Scale
Servo Motor
AMP
I/F
3
M
3
2
12-A21 12-A22
Servo Motor
AMP
I/F
3
M
3
2
M21
U21
M22
U22
X-Axis
Linear Scale
Y-Axis
Linear Scale
X-Axis
Linear Scale
M21
U21
M22
U22
Y-Axis
Linear Scale
M21
U21
M22
U22
21-A21 21-A22 22-A21 22-A22
コントロール
U95
CN6
照明
基板
CN5
E191
(1)
E192
(1)
部品認識リング照明 1
部品同軸照明 1
(2)
E192
部品同軸照明 2
部品認識リング照明 2
(2)
E191
CN11
CN10
E191
(3)
E192
部品認識リング照明 3
部品同軸照明 3
(4)
E192
部品同軸照明 4
部品認識リング照明 4
E191
(3)
(4)
CON7
CON5
CON3
CON1
CN13
CN8
CN12
CN7
E39
基板認識照明 1
E39
(1)
(2)
基板認識照明 2
E39
基板認識照明 3
E39
(1)
(2)
基板認識照明 4
CN2
CN3
CN9
CN14
CN14
(増設)
CONTROL
I/O
ID:0
2CH 2CH1CH
SSCNET3 (光)
A41
CN1
EMG
CN6
PWR
N2
AE
N1
AE
48D
A41
CN6
PWR
N2
AE
N1
AE
48D
SSCNET3 (光)
SSCNET3 (光)
SSCNET3 (光) SSCNET3 (光)
SSCNET3 (光)
Servo Motor AMP
A31
CNP1
48V/24V
CN1A
SSC
24A
48D3A
CN1B
Servo Motor AMP
A31
CNP1
48V/24V
CN1A
SSC
24A
48D3B
CN1B
Servo Motor AMP
A31
CNP1
48V/24V
CN1A
SSC
24A
48D3C
CN1B
Servo Motor AMP
A31
CNP1
48V/24V
CN1A
SSC
24A
48D3D
CN1B
4
2 2
(1)〜(4)
B61(3)
B61(4)
部品認識カメラ
緊急停止
CN1
EMG
緊急停止24A6 24A6

4-1-12
5OM-1839
1603-001
総合ブロック接続図 (D 部詳細図 )
24B4
一括コネクタ(後)
24B6
一括コネクタ(前)
外部ユニット接続
外部ユニット接続
U08
Bレーン
センサ
各負荷・
搬送I/O
U69
フィーダI/O
U69
U67
X100
Connector PCB
X300B
U68
X100
Connector PCB
FEEDER
FEEDER
10レーン
U67
X100
Connector PCB
U68
X100
Connector PCB
FEEDER
FEEDER
10レーン
10レーン 10レーン
フィーダ(後)
X01
24A6
CN2
CONTROL
I/O
ID:0
2CH
2CH1CH
搬送 Bレーン
A41
CN1
EMG
CN6
PWR
N2
AE
N1
AE
CN8CN7
M42
NMR
NML
M41
M M
M44
NA-WB
M
48D
CN9 CN10
A41
CN6
PWR
N2
AE
N1
AE
M50
NMRNML
M49
M M
M52
NA-WB
M
48D
搬送 Aレーン
AE_LINK
AE_LINK
ラインセンサ
受光
CN3
Slip
投光
Rings
U37
U04
ヘッド11
J1
X1
24A
U02
LINE SENSOR
U03
ラインセンサ
受光
CN1
CN3
Slip
投光
CN9
Rings
U37
U04
ヘッド12
J1
多軸
CN1CN2 X1
ボード
24A
U02
LINE SENSOR
U03
ラインセンサ
受光
CN1
CN3
Slip
投光
CN9
Rings
U37
U04
ヘッド21
J1
多軸
CN1
CN2
X1
ボード
24A
U02
LINE SENSOR
U03
ラインセンサ
受光
CN1
CN3
Slip
投光
CN9
Rings
U37
U04
ヘッド22
J1
多軸
CN1
CN2
X1
ボード
24A24A6
UP DN T
U14
Aレーン
UP DN T
フィーダI/O
X300C
X300B
X300C
LVDS
SERIAL(RS-232C)
SERIAL(RS-232C)
LVDS
D4920
CN8CN7 CN9 CN10
D4920
M33
NLNSDD
M32M31
Servo Motor AMP
A31
CNP1
48V/24V
CN1A
SSC
24A
48D3A
CN1B
P2A 2A P2B 2B P2C 2C P2D 2D
M M M
ヘッド11
M33
NLNSDD
M32M31
Servo Motor AMP
A31
CNP1
48V/24V
CN1A
SSC
24A
48D3B
CN1B
P2A 2A P2B 2B P2C 2C P2D 2D
M M M
ヘッド12
M33
NLNSDD
M32M31
Servo Motor AMP
A31
CNP1
48V/24V
CN1A
SSC
24A
48D3C
CN1B
P2A 2A P2B 2B P2C 2C P2D 2D
M M M
ヘッド21
M33
NLNSDD
M32M31
Servo Motor AMP
A31
CNP1
48V/24V
CN1A
SSC
24A
48D3D
CN1B
P2A 2A P2B 2B P2C 2C P2D 2D
M M M
ヘッド22
緊急停止
CN1
EMG
緊急停止
フィーダ(前)
24A6 24A6
24A624A6
24A6