5OM-1839-001w_F8S - 第147页
4-1-39 5OM-1839 1603-001 搬送ドライバ (D4920) 部 CN7 N-X307 M 4 3 2 5 2 4 3 1 /B /A NC B 5 A CN8 N-X308 M 2 4 3 1 5 軸1 軸2 D4920 CN2(軸1) Y BL R OR :1 :3 :2 :4 N-M301 Y BL R OR :1 :3 :2 :4 N-M302 CN3(軸2) 5 6 4 2 1 CN4(軸3) SEN+ SE…

4-1-38
5OM-1839
1603-001
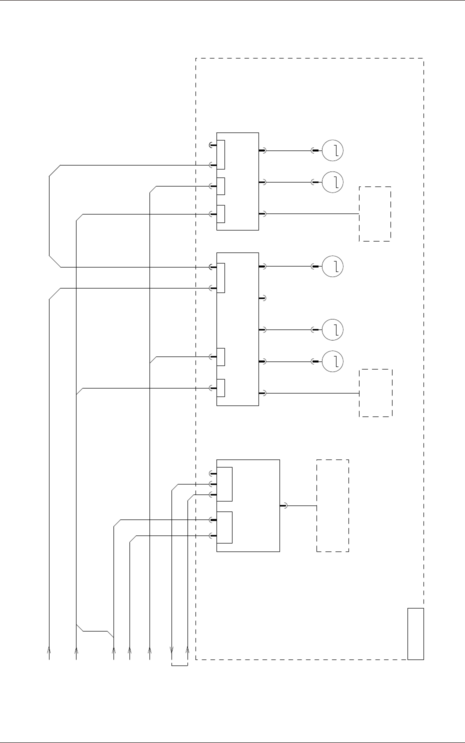
Y510 mm 搬送ブロック図
A41
MMM
搬送ドライバ
PWR
AE-LINK
48D
DC48V
24A6
DC24V
U08
PWR
LVDS
負荷
センサ
センサ・負荷
24A3
DC24V
LVDS
AE-LINK
U85 CN1
(48D)
(24A6)
(24A6)(24A3)
TDNUP
STP
コンベア緊急停止
U01
Bレーン
[44-5D]
[02-12F]
[02-7G]
[02-5B]
[18-2B]
[A1-1G]
[44-5C]
フィーダベース(B1)
U85 CN5
U69 CN8
Bレーン
CN7 CN8 CN9 CN10
N-M301 N-M302 N-M201
CN6 CN1 N1 N2
CN1 CN2 CN3X2 X1
搬送部
センサ
A45
バックアップドライバ
PWR
AE-LINK
(48D)
(24A6)
M
STP
CN1
N-M401
CN10 CN9 N1 N2
搬送部
センサ
M
CN5
N-M402
搬送部

4-1-39
5OM-1839
1603-001
搬送ドライバ (D4920) 部
CN7
N-X307
M
4
3
2
5
2
4
3
1
/B
/A
NC
B
5
A
CN8
N-X308
M
2
4
3
1
5
軸1
軸2
D4920
CN2(軸1)
Y
BL
R
OR
:1
:3
:2
:4
N-M301
Y
BL
R
OR
:1
:3
:2
:4
N-M302
CN3(軸2)
5
6
4
2
1
CN4(軸3)
SEN+
SEN3
COM
3 SEN2
SEN4
CN9
N-X309
2
4
3
1
5
CN10
N-X310
M
2
4
3
1
5
軸4
Y
BL
R
OR
:1
:3
:2
:4
N-M304
1
2
3
CN6
4
2
4
3
N1
2
4
3
N2
ALM-
STP-
ALM+
STP+1
2
3
4
CN1
24A6
N-X306
GND(SG)
COM B
+V
COM A
COM B
+V
COM A
N-X3N1
24A6
10
COM A
COM B
主電源
DC48V(48D)
CV+
10
GND(B)
MV+
GND(D)
48D
10D
制御電源
DC24V(24A6)
1
1
GND(SG)
N-X301
/B
/A
NC
B
A
/B
/A
NC
B
A
/B
/A
NC
B
A
SEN1
5
6
4
2
1 SEN+
SEN3
COM
3 SEN2
SEN4
SEN1
5
6
4
2
1 SEN+
SEN3
COM
3 SEN2
SEN4
SEN1 (センサ入力)
4
3
2
5
4
3
2
5
N-X3N2
CN7
N-X407
M
4
3
2
5
2
4
3
1
/B
/A
NC
B
5
A
CN8
N-X408
M
2
4
3
1
5
軸5
軸6
減速/停止センサ 搬入部5
CN2(軸1)
N-X402
Y
BL
R
OR
:1
:3
:2
:4
N-M401
Y
BL
R
OR
:1
:3
:2
:4
N-M402
CN3(軸2)
N-X403
5
6
4
2
1
CN5(軸4)
SEN+
SEN3
COM
N-X405
3 SEN2
SEN4
CN9
N-X409
2
4
3
1
5
CN10
N-X410
M
2
4
3
1
5
軸8
Y
BL
R
OR
:1
:3
:2
:4
N-M404
1
2
3
CN6
4
2
4
3
N1
2
4
3
N2
ALM-
STP-
ALM+
STP+1
2
3
4
CN1
24A6
N-X406
GND(SG)
COM B
+V
COM A
COM B
+V
COM A
N-X4N1
主電源
DC48V(48D)
CV+
10
GND(B)
MV+
GND(D)
48D
10D
制御電源
DC24V(24A6)
1
1
GND(SG)
N-X401
/B
/A
NC
B
A
/B
/A
NC
B
A
/B
/A
NC
B
A
減速/停止センサ 搬入部6
SEN1
5
6
4
2
1 SEN+
SEN3
COM
3 SEN2
SEN4
SEN1
5
6
4
2
1 SEN+
SEN3
COM
3 SEN2
SEN4
SEN1 (センサ入力)
24A3
Do
4
3
2
5
4
3
2
5
BL
BK
BR
OR
PK
B401
:1
:2
:4
:3
:5
N-B401
24A6
10
基板検出センサ1
-
OUT
+
BL
BK
BR
B301
:1
:2
:3
N-B301
BL
BK
BR
OR
PK
B402
:1
:2
:4
:3
:5
N-B402
24A6
10
基板検出センサ2
-
OUT
+
BL
BK
BR
B304
:1
:2
:3
N-B304
減速/停止センサ 装着部1
減速/停止センサ 装着部2
N-X302
-
OUT1
OUT2
+
IN
BL
BK
BR
OR
PK
BL
BK
BR
OR
PK
B302
B303
:1
:2
:4
:3
:5
N-B302
:1
:2
:4
:3
:5
N-B303
N-X303
N-X304
BL
BK
BR
OR
PK
BL
BK
BR
OR
PK
B305
B306
:1
:2
:4
:3
:5
N-B305
:1
:2
:4
:3
:5
N-B306
減速/停止センサ 装着部3
減速/停止センサ 装着部4
24A6
10
24A6
10
[02-6C]
[02-3C]
[02-6C]
[02-3C]
24A6
10
COM A
COM B
24A6
10
COM A
COM B
A41
D4920
A107
N-X4N2
-
OUT1
OUT2
+
IN
-
OUT1
OUT2
+
IN
-
OUT1
OUT2
+
IN
-
OUT1
OUT2
+
IN
-
OUT1
OUT2
+
IN
E3X-DA21-S
OMRON
E3X-DA21-S
OMRON
E3X-DA21-S
OMRON
E3X-DA21-S
OMRON
E3X-DA21-S
OMRON
E3X-DA21-S
OMRON
23KM-K044BS02CA
MINEBEA
23KM-K044BS02CA
MINEBEA
103H7823-1762
SANYO DENKI
E3S-LS3N-1
OMRON
E3S-LS3N-1
OMRON
注記
2. バックアップOP非搭載時の接続先
3. バックアップOP搭載時の接続先
[C2-3C]
D4460
N2
[C5-8D]
D4460 N1
注2
[C4-4B]
D4460 N1
注3
[C5-4D]
D4460 N1
注2
[C4-4C]
D4460 N1
注3
コンベア緊急停止 [18-5B]
U01 集約I/O
Aレーン: X10153
[18-5C]
Bレーン: X10154
注1
1. Aレーン、Bレーンで接続先が異なる
[C6-4B]
Bレーン: U08 搬送I/O X0817
[C7-4B]
Aレーン: U14 搬送I/O X1417
注1
[C6-4B]
Bレーン: U08 搬送I/O X0818
[C7-4B]
Aレーン: U14 搬送I/O X1418
注1
[C6-4B]
Bレーン: U08 搬送I/O X0819
[C7-4B]
Aレーン: U14 搬送I/O X1419
注1
[C6-4B]
Bレーン: U08 搬送I/O X0820
[C7-4B]
Aレーン: U14 搬送I/O X1420
注1
[C6-4C]
Bレーン: U08 搬送I/O X0823
[C7-4C]
Aレーン: U14 搬送I/O X1423
注1
[C6-4C]
Bレーン: U08 搬送I/O X0824
[C7-4C]
Aレーン: U14 搬送I/O X1424
注1
24A3
Do
5
6
4
2
1
CN5(軸4)
SEN+
SEN3
COM
3 SEN2
SEN4
SEN1
N-X305
:4
:2
:1
:3
B1005
可動シュート原点
B1005
L.ON
+
D.ON
0V
24A6
10
送り軸
送り軸
幅可変軸
23KM-K044BS02CA
MINEBEA
23KM-K044BS02CA
MINEBEA
103H7823-1762
SANYO DENKI
送り軸
送り軸
幅可変軸
5
6
4
2
1
CN5(軸4)
SEN+
SEN3
COM
3 SEN2
SEN4
SEN1
N-X305
:4
:2
:1
:3
B1005
可動シュート原点
B1005
L.ON
+
D.ON
0V
24A6
10

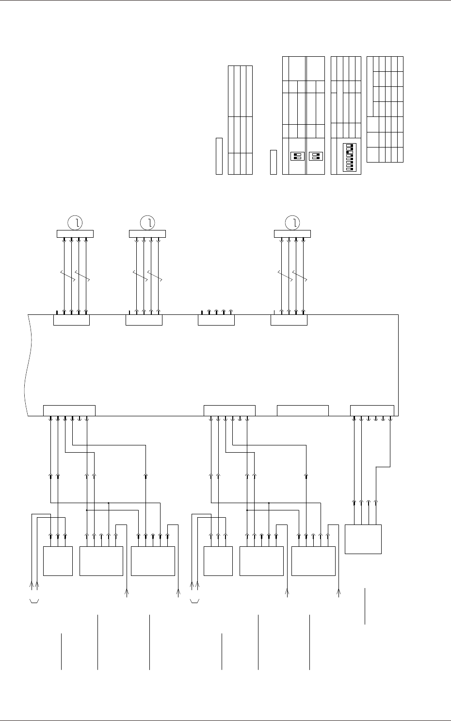
4-1-40
5OM-1839
1603-001
Y510mm 搬送ドライバ (D4920) 部
X1007
M
4
3
6
1
2
4
3
1
/B
/A
N.C.
B
5
A
X1008
M
2
4
3
1
5
NL_Lモータ
5
6
4
2
1
SEN+
SEN3
COM
3 SEN2
SEN4
:4
:2
:1
:3
B1005
2
4
3
1
5
X1010
M
2
4
3
1
5
/B
/A
N.C.
B
A
/B
/A
N.C.
B
A
/B
/A
N.C.
B
A
可動シュート原点
SEN1
4
3
6
1
4
3
6
1
M41
Stepping Motor Driver
A10
B1005
L.ON
+
D.ON
0V
NR_Lモータ
M42
NA_Wモータ
M44
CN5
X1005
CN7
CN8
CN9
CN10
X1007
X1008
X1009
X1010
24A6
10
(軸4)
(軸1)
(軸2)
(軸3)
(軸4)
基板検出センサ1
減速/停止センサ 装着部1
減速/停止センサ 装着部2
CN2(軸1)
N-X302
-
OUT
+
-
OUT1
OUT2
+
IN
BL
BK
BR
BL
BK
BR
OR
PK
BL
BK
BR
OR
PK
B301
B302
B303
:1
:2
:4
:3
:5
N-B302
:6
:8
:7
:9
:1
:2
:3
N-B1301
24A6
10
6
5
2
1 SEN+
SEN3
COM
4
SEN2
SEN4
SEN1 (センサ入力)
[C6-5B]
-
OUT1
OUT2
+
IN
B LANE: to U08-CN17
[C7-5B]
A LANE: to U14-CN17
[C6-5B]
B LANE: to U08-CN18
[C7-5B]
A LANE: to U14-CN18
注1
注1
:1
:2
N-I/O2
:3
:4
:5
:10
:1
:3
to U08-CN36
[C6-2B]
to U14-CN36
[C7-2B]
B LANE:
A LANE:
注1
3
基板検出センサ2
減速/停止センサ 装着部3
減速/停止センサ 装着部4
CN3(軸2)
N-X303
-
OUT
+
-
OUT1
OUT2
+
IN
BL
BK
BR
BL
BK
BR
OR
PK
BL
BK
BR
OR
PK
B304
B305
B306
:1
:2
:4
:3
:5
N-B305
:6
:8
:7
:9
:1
:2
:3
N-B1304
24A6
10
6
5
2
1 SEN+
SEN3
COM
4
SEN2
SEN4
SEN1 (センサ入力)
[C6-5B]
-
OUT1
OUT2
+
IN
B LANE: to U08-CN19
[C7-5B]
A LANE: to U14-CN19
[C6-5C]
B LANE: to U08-CN20
[C7-5C]
A LANE: to U14-CN20
注1
注1
:6
:7
N-I/O2
:8
:9
:10
:10
:1
:3
3
from N-I/O1
[C2-1C]
CN4(軸3)
6
5
2
1 SEN+
SEN3
COM
4
SEN2
SEN4
SEN1 (センサ入力)
3
搬送1
搬送2
幅可変
注記
1. A LANE,B LANEで接続先が異なる
2. Y510mm搬送ユニット(OP)時の接続先
OP非搭載の場合、接続先なし
軸1
0
4
8
12
アドレス
1
5
9
13
2
6
10
14
3
7
11
15
OFF
軸2 軸3 軸4
OFF
SW2-1
OFF
SW2-2 SW2-3
OFFOFFON
OFFOFF
OFF
ON
ON ON
1
ON
2
1
ON
2 3 4
5 6 7 8
6
7 STP(緊急停止)
1カラ3 下表参照
OFF
OFF
番号 設定内容 設定 備考
有効
SW2
ON
AE-LINK終端抵抗
番号 設定内容 設定 備考SW1
2
AE-LINK終端抵抗
4,5,8 未使用
通信速度設定
ON
307.2Kbps
サーボOFF
MV+
モータ電源表示
制御電源表示
アラーム表示
備考
CV+
ALM
LED名称
48D供給で点灯
26A6供給で点灯
正常で点灯/異常で消灯
A10 LED説明
A10 設定
1
1
ON
2
AE-LINK終端抵抗
OFF
AE-LINK終端抵抗
OP搭載時
2
1
ON
OFF
Y510mm搬送
3.N-I/O1,N-I/O2,N-I/O3コネクタには
AレーンまたはBレーン識別ラベルが付与する。
搭載時
標準ユニット