5OM-1839-001w_F8S - 第156页
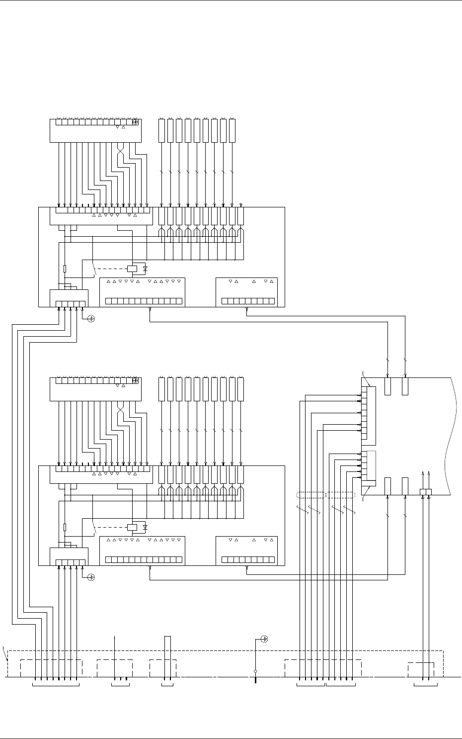
4-1-48 5OM-1839 1603-001 フィーダカート部 1 9 8 5 6 7 送り開始1 送り開始2 送り準備完了 フィーダ用ドロワーコネクタ 通信準備完了 フィーダ接続確認 4 1 2 3 +24V +24v GND X01 GND FG 13 10 11 12 S.GND TXD RXD 14 14 14 14 14 14 14 14 14 X03 X05 X07 X09 X11 X13 X15 X17 X19 X6…

4-1-47
5OM-1839
1603-001
バルブ IO 基板 U04 部
(Slip Rings)
U37
U04
I/O P.C.B (STLT_HD)
(ヘッド)
*画層:DOCは取説に掲載しないこと
2 1
-X0415
X10421:1
X10421:2
[B3-1C]
(UC22)
R
BK
TP1
TP2
TP3
TP5
TP4
TP6
TP7
TP8
TP9
GND
IN
DC5V
B0413T
Y
W
PK
B0413T
:2
:1
:3
SENSOR HEAD (T)
BR
W
V
(Slip Rings)
U37
[B3-1C]
X10422:1
X10422:2
X10422:3
X10422:4
O
Y
GR
BL
2 1
-X0414
2 1
-X0413
2 1
-X0412
2 1
-X0411
2 1
-X0410
2 1
-X0409
2 1
-X0408
2 1
-X0407
2 1
-X0406
2 1
-X0405
2 1
-X0404
2 1
-X0403
2 1
-X0402
2 1
-X0401
CN1
CN2
CN3
CN4
CN5
CN6
CN7
CN8
CN9
CN10
CN11
CN12
CN13
CN14
CN15
Y0415
Y0414
Y0413
Y0412
Y0411
Y0410
Y0409
Y0408
Y0407
Y0406
Y0405
Y0404
Y0403
Y0402
Y0401

4-1-48
5OM-1839
1603-001
フィーダカート部 1
9
8
5
6
7
送り開始1
送り開始2
送り準備完了
フィーダ用ドロワーコネクタ
通信準備完了
フィーダ接続確認
4
1
2
3
+24V
+24v
GND
X01
GND
FG
13
10
11
12
S.GND
TXD
RXD
14
14
14
14
14
14
14
14
14
X03
X05
X07
X09
X11
X13
X15
X17
X19
X68100A
9
8
5
6
7
送り開始1
送り開始2
送り準備完了
通信準備完了
フィーダ接続確認
4
1
2
3
+24V
+24v
GND
X21
GND
FG
13
10
11
12
S.GND
TXD
RXD
X6801
X6802 14
X6803 14
X6804 14
X6805 14
X6806 14
X6807 14
X6808 14
X6809 14
X6810 14
X6811 14
X23
X25
X27
X29
X31
X33
X35
X37
X39
X00
X68100B
外部ユニット接続一括コネクタ
X30
24B4A/6A
10
24B4B/6B
:3
:6
:5
:4
:10
:9
:8
:7
B module
(12Pins)
X300B
U69
X6909
FG
/TX
CN8
TX
/RX
RX
I/O P.C.B
STLT_FB
:2
:1
10
24B4/6
:6
:10
:9
:8
:7
:1
:2
:3
:4
C module
/RX
/TX
RX
TX
RTS
TxD
S.GND
RxD
CTS
A module
(3Pins)
:2
79 68
FG
RTS
CN6
CTS
5
S.GND
4 3
TXD
2
RXD
1
50X6901
CN1CN2
50 X6902
フィーダ用ドロワーコネクタ
フィーダ用ドロワーコネクタ
フィーダ用ドロワーコネクタ
フィーダ用ドロワーコネクタ
フィーダ用ドロワーコネクタ
フィーダ用ドロワーコネクタ
フィーダ用ドロワーコネクタ
フィーダ用ドロワーコネクタ
フィーダ用ドロワーコネクタ
フィーダ用ドロワーコネクタ
フィーダ用ドロワーコネクタ
フィーダ用ドロワーコネクタ
フィーダ用ドロワーコネクタ
フィーダ用ドロワーコネクタ
フィーダ用ドロワーコネクタ
フィーダ用ドロワーコネクタ
フィーダ用ドロワーコネクタ
フィーダ用ドロワーコネクタ
フィーダ用ドロワーコネクタ
フィーダセットアップ用コネクタ
X68101
X68102
X68101
X68102
X6906
X300A
CN4
30 X6904 30X6903
CN3
1
3 2
6
:1
電磁弁へ
C module
:12
:11
DC24V
[30-3C]:(1)
[30-7C]:(2)
カート接続確認
[30-2C]:(1)
[30-4C]:(2)
RS232C
[30-2C]:(1)
[30-4C]:(2)
高速IO
DC24V
空圧用ホース
[30-2A]:(1)
[30-4B]:(2)
10
10
10
24B4A/6A
24B4B/6B
B module
(12Pins)
X69X1
X1
GND
1
2
24V
:3
(12Pins)
X300C
(12Pins)
:5
SG
4
SG
4GND
1
2
3
+24V
+24V
GND
9
8
5
6
7
13
10
11
12
S.GND
TXD
RXD
14
15
16FG
X01
X02
X03
X04
X05
OUT1
OUT2
IN1
IN2
IN3
X06
X07
X08
X09
X10
X11
4
3
2
1 GND
+24V
GND
+24V
X100
Connection P.C.B FB
U68
5 FG
47
50
49
48
46
45
5
4
OUT1
OUT2
IN1
IN2
IN3
X01:
X01:
X01:
X01:
X01:
OUT1
X02:
1
3
…
X101
27
30
29
28
4
3
X01:
X01:
X01:
X02:
X10:
X10:
… …
X102
S.GND
TXD
RXD
S.GND
TXD
RXD
1Ω3W
RLY
OUT1
OUT2
IN1
IN2
IN3
X10:
X10:
X10:
X10:
X10:
6
IN3
X09:
…
2
2
1
X10:
S.GND
X09:
RXD
4GND
2
3
+24V
+24V
GND
9
8
5
6
7
13
10
11
12
S.GND
TXD
RXD
14
15
16FG
X01
X02
X03
X04
X05
OUT1
OUT2
IN1
IN2
IN3
X06
X07
X08
X09
X10
X11
4
3
2
1 GND
+24V
GND
+24V
X100
Connection P.C.B FB
U67
5 FG
47
50
49
48
46
45
5
4
OUT1
OUT2
IN1
IN2
IN3
X01:
X01:
X01:
X01:
X01:
OUT1
X02:
1
3
…
X101
27
30
29
28
4
3
X01:
X01:
X01:
X02:
X10:
X10:
… …
X102
S.GND
TXD
RXD
S.GND
TXD
RXD
1Ω3W
RLY
OUT1
OUT2
IN1
IN2
IN3
X10:
X10:
X10:
X10:
X10:
6
IN3
X09:
…
2
2
1
X10:
S.GND
X09:
RXD
X6801
X6802
X6803
X6804
X6805
X6806
X6807
X6808
X6809
X6810
X6811
[30-2C]:(1)
[30-4C]:(2)
[30-2B]:(1)
[30-4B]:(2)

4-1-49
5OM-1839
1603-001
フィーダカート部 2
-
OUT
+
BR
BK
BL
B6910
1
2
CN12
X6910
CN10
1
2
3
3
2
1
CN11
U69
I/O P.C.B
STLT_FB
-
OUT
+
BR
BK
BL
B6913
X6913
CN13
1
2
3
3
2
1
CN14
1
2
CN15
フィーダークランプ1
1
2
CN18
1
2
CN19
CN16
1
2
3
3
2
1
CN17
フィーダークランプ2
フィーダークランプ1
Y6912
X6912
フィーダークランプ2
Y6913
X6913
:1
X16912
:2
:1
X16913
:2