5OM-1839-001w_F8S - 第62页
1-1-4 5OM-1839 1603-001 エア配管図及び実装図 本体 ( 実装図 ) 1 1-4 1-1 1-3 1-2 3-1 3-5 3-4 3-3 3-6 2-4 2-9 2-6 2-8 2-3 2-11 2-9 2-2 2-10 2-7 2-1 2-5 3-2 3-1 3 2 No. 名 称 個数 No. 名 称 個数 No. 名 称 個数 No. 名 称 個数 1 エア供給ユニット 1 2-5 レギュレータ 1 3-3 …

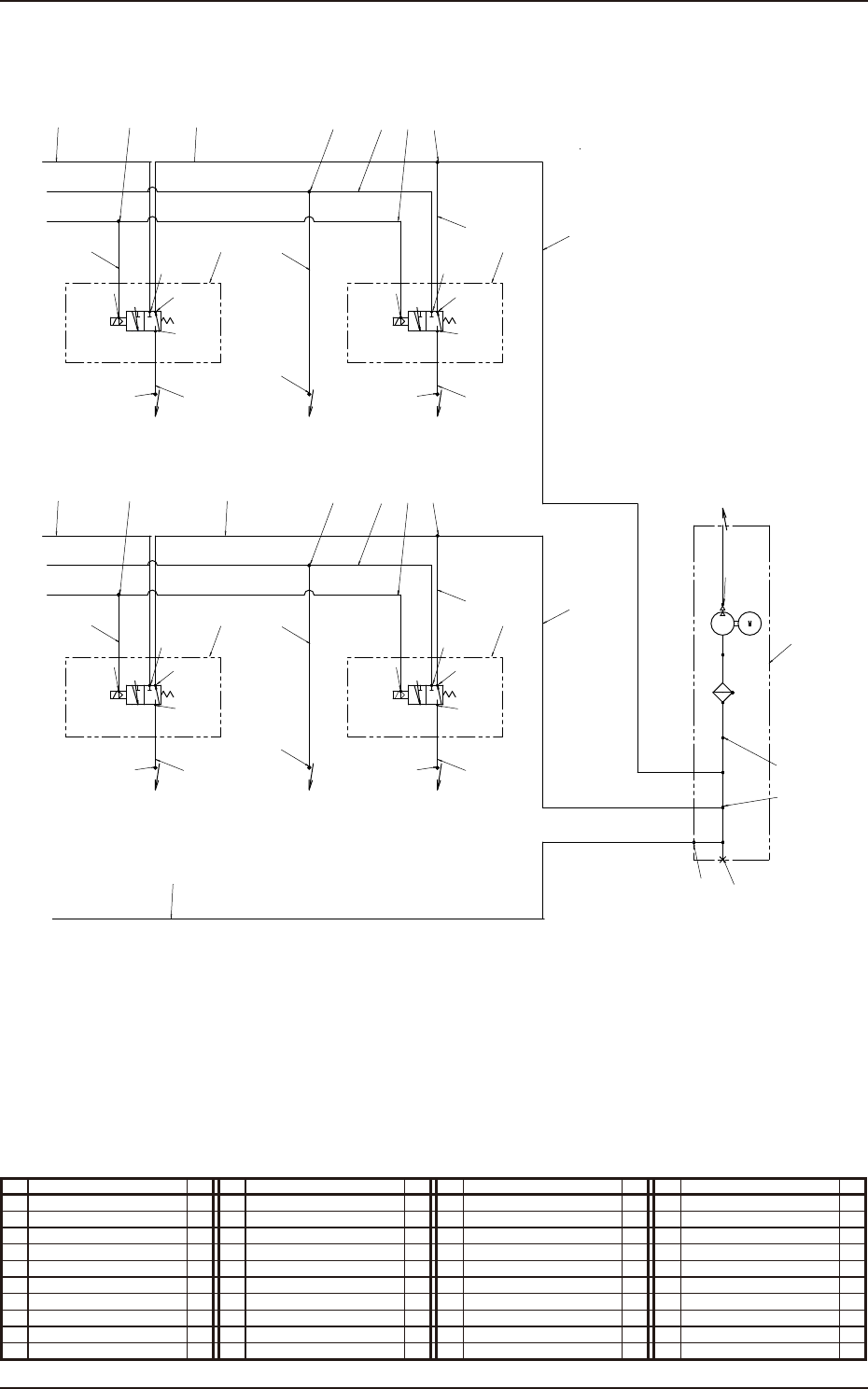
1-1-3
5OM-1839
1603-001
エア配管図及び実装図
本体 ( エア配管図 )
A
エア/真空切替バルブ
P
R
Φ10(青)
300mm
Φ8(青)
2000mm
ヘッド(21)ヘッド(21)
排気
ヘッド(12)
ヘッド(11) ヘッド(11)
ヘッド(22)
Φ8(青)
720mm
Φ6
770mm
Φ6
400mm
Φ8(青)
400mm
Φ6
70mm
Φ10(青)
1200mm
Φ6
400mm
Ø8 (青)
400mm
Φ6
2000mm
Φ8(青)
2000mm
Φ6
150mm
Φ6
70mm
Φ6
70mm
Φ8(青)
70mm
Φ6
70mm
Φ6
150mm
Φ8
100mm
φ6 (青)
1100mm
Φ10(青)
2050mm
Φ8
500mm
A
エア/真空切替バルブ
P
R
A
エア/真空切替バルブ
P
R
A
エア/真空切替バルブ
P
R
KQ2H06-02S
KQ2H08-02S
KQ2H08-01S
KQ2H06-M5
MBA1403
MPG14
KQ2R06-10
MHQ1410
KQ2L10-03S
11
11
11
11 15
11
11
11
24
24
11
14
15
15
28
15
16
15
15
16
15
24
KQ2U06-00
KQ2U06-00
24
KQ2U06-00
19
3
4
KQ2H08-00
22
21
KQ2U08-10
22
KQ2U06-00
24
4
4
4
22
KQ2H08-00
KQ2H06-00
KQ2H08-00
KQ2H06-00
22
21
KQ2H08-00
22
KQ2U08-10
27
KQ2H06-02S
KQ2H08-01S
KQ2H06-M5
KQ2H06-02S
KQ2H08-02S
KQ2H08-02S
KQ2H08-02S
KQ2H08-01S
KQ2H06-M5
KQ2H06-02S
KQ2H08-01S
KQ2H06-M5
No. 名 称 個数 No. 名 称 個数 No. 名 称 個数 No. 名 称 個数
1 エア供給ユニット 1 6 マニホールドユニット 1 23 異径チーズ 1
2 エア供給ユニット 1 7 マニホールドユニット 1 24 ユニオンワイ 6
2-1 真空ゲージ 1 11 チューブφ 6 1 25 ユニオンワイ 3
2-2 コンビネーションユニット 1 12 チューブφ 8 1 26 異径ユニオンワイ 5
2-3 圧力スイッチ 1 13 チューブφ 10 1 27 異径ユニオンワイ 2
2-4 圧力ゲージ 1 14 チューブφ 6(BU) 1
2-6 レギュレータ 1 15 チューブφ 8(BU) 1
2-7 レギュレータ 1 16 チューブφ 10(BU) 1
3 真空ポンプユニット 1 21 ストレート 6
4 ソレノイドバルブユニット 4 22 ストレート 6

1-1-4
5OM-1839
1603-001
エア配管図及び実装図
本体 ( 実装図 )
1
1-4
1-1
1-3
1-2
3-1
3-5
3-4
3-3
3-6
2-4
2-9
2-6
2-8
2-3
2-11
2-9
2-2
2-10
2-7
2-1
2-5
3-2
3-1
3
2
No. 名 称 個数 No. 名 称 個数 No. 名 称 個数 No. 名 称 個数
1 エア供給ユニット 1 2-5 レギュレータ 1 3-3 ユニバーサルクイック 3
1-1 コンビネーションユニット 1 2-6 エルボユニオン 1 3-4 プラグ 1
1-2 メスオスエルボ 1 2-7 ハーフユニオン 2 3-5 エルボユニオン 1
1-3 カタクチホースニップル 1 2-8 ハーフユニオン 1 3-6 レジューサ 1
1-4 ハーフユニオン 1 2-9 エルボユニオン 1
2 エア供給ユニット 1
2-10
エルボユニオン 1
2-1 真空ゲージ 1
2-11
エルボユニオン 2
2-2 コンビネーションユニット 1 3 真空ポンプユニット 1
2-3 圧力スイッチ 1 3-1 真空ポンプ 1
2-4 圧力ゲージ 1 3-2 ブッシュ 1

1-1-5
5OM-1839
1603-001
エア配管図及び実装図
本体 ( 実装図 )
6
7
7-1
6-1
7-2
6-2
7-3
6-3
7-4
4
4-1
4-2
4-3
4-5
4-4
4
4-1
4-2
4-3
4-5
4-4
No. 名 称 個数 No. 名 称 個数 No. 名 称 個数 No. 名 称 個数
4 ソレノイドバルブユニット 1 7 マニホールドユニット 1
4-1 ソレノイドバルブ 2 7-1 マニホールド 1
4-2 ハーフユニオン 2 7-2 ストレートエルボ 2
4-3 ハーフユニオン 2 7-3 レジューサエルボ 1
4-4 ハーフユニオン 2 7-4 プラグ 1
4-5 ハーフユニオン 2
6 マニホールドユニット 1
6-1 マニホールド 1
6-2 ストレートエルボ 2
6-3 レジューサエルボ 1