5OM-1839-001w_F8S - 第69页
1-1-1 1 5OM-1839 1603-001 エア配管図及び実装図 ノズルストッカ ( エア配管図 ) (03) (03) (02) (04) (03) (02) (01) シャッタ3開閉 ストッカ3上下 (01) (02) (01) 3 4A 5 2B 1 シャッタ1開閉 ストッカ1上下 シャッタ2開閉 ストッカ2上下 3 4A 5 2B 1 ノズルストッカユニット(2-1,2-2エリア用) ノズルストッカユニット (1-1,1…

1-1-10
5OM-1839
1603-001
エア配管図及び実装図
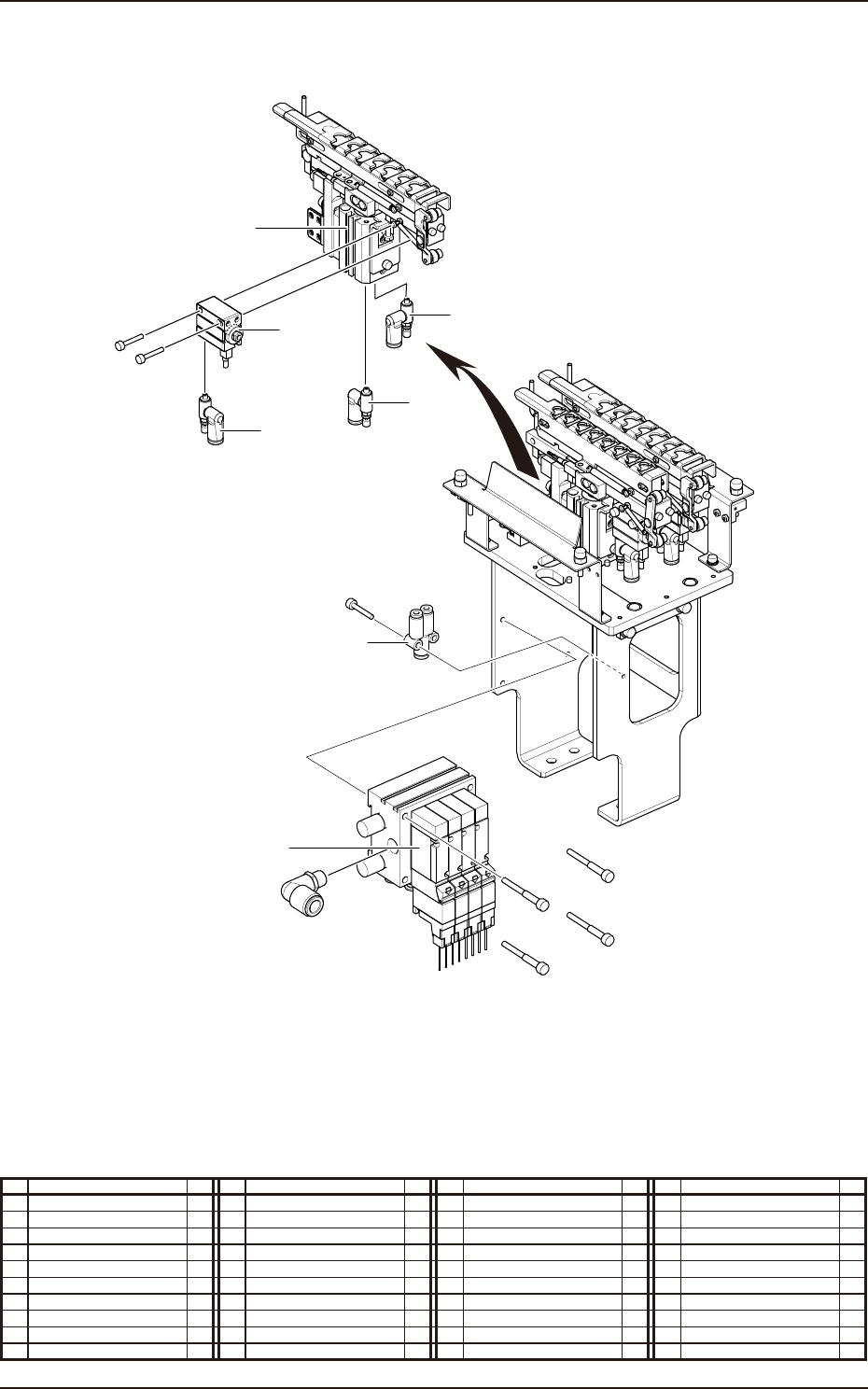
位置決めカッターユニット ( 実装図 )
8
9
9
7
10
7
No. 名 称 個数 No. 名 称 個数 No. 名 称 個数 No. 名 称 個数
7 ソレノイドバルブ 2
8 ソレノイドバルブ 1
9 シリンダ 2
10 シリンダ 1

1-1-11
5OM-1839
1603-001
エア配管図及び実装図
ノズルストッカ ( エア配管図 )
(03) (03)
(02)
(04)
(03)
(02) (01)
シャッタ3開閉
ストッカ3上下
(01)
(02) (01)
3
4A
5
2B
1
シャッタ1開閉
ストッカ1上下
シャッタ2開閉
ストッカ2上下
3
4A
5
2B
1
ノズルストッカユニット(2-1,2-2エリア用)
ノズルストッカユニット
(1-1,1-2エリア用)
ノズルストッカユニット
(1-1,1-2エリア用)
標準ストッカ
中異形ストッカ(オプション)
3
4A
5
2B
1 3
4A
5
2B
1
架台内全体より
φ8
400mm
φ8
φ8
950mm
3
3
3
2
9
9
1
1
(03)
(02)
(03)
(02) (01)
(01)
3
2B
1
4A
5
(04)
ストッカ2上下
シャッタ2開閉
シャッタ1開閉
ストッカ1上下
架台内全体より
φ8
400mm
φ8
φ8
950mm
ノズルストッカユニット(2-1,2-2エリア用)
3
2B
1
4A
5
3
2B
1
4A
5
3
3
2
1
1
No. 名 称 個数 No. 名 称 個数 No. 名 称 個数 No. 名 称 個数
1 チューブφ 8 1
2 チューブφ 6 1
3 チューブφ 4 1
9 ユニオンワイ 1

1-1-12
5OM-1839
1603-001
エア配管図及び実装図
ノズルストッカ ( 実装図 )
6
5
7
8
9
7
4
No. 名 称 個数 No. 名 称 個数 No. 名 称 個数 No. 名 称 個数
4 ソレノイドバルブ 1
5 シリンダ 2
6 シリンダ 2
7 スピードコントローラ 2
8 スピードコントローラ 1
9 ユニオンワイ 1