NPM-W2 20170529 - 第55页
Ref No. Remarks R 1 Q'ty 9-C X軸:NPM-W2 X-Ax is:NPM-W 2 イラスト No. Part No. 品 名 品 番 数量 R 2 パーツリスト Kit No. キット品番 Kit Name キット名称 N610154663AA Part Nam e 備 考 セク ショ ンNo . PARTS LIST Section No. R 3 BLOCK 1 1 N210194917AA B…

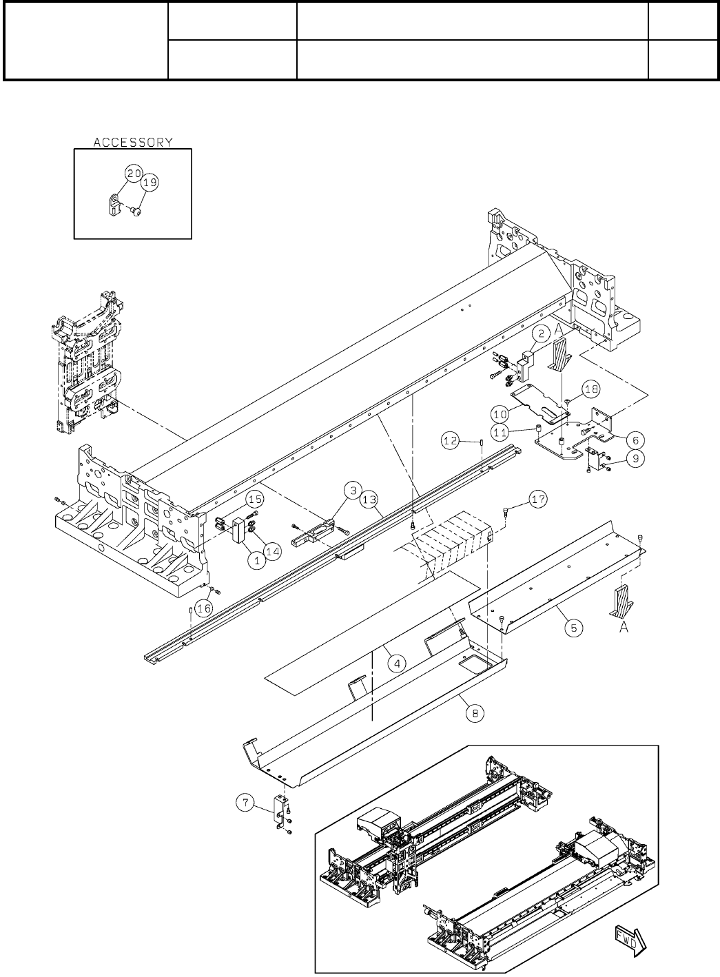
9-C
X軸:NPM-W2
X-Axis:NPM-W2
パーツレイアウト
Kit No.
キット品番
Kit Name
キット名称
N610154663AA
セクションNo.
PARTS LAYOUT
Section No.
--
S33
( KN610154663AA-16-3 )

Ref
No.
Remarks R
1
Q'ty
9-C
X軸:NPM-W2
X-Axis:NPM-W2
イラスト
No.
Part No.
品 名品 番 数量
R
2
パーツリスト
Kit No.
キット品番
Kit Name
キット名称
N610154663AA
Part Name
備 考
セクションNo.
PARTS LIST
Section No.
R
3
BLOCK
1
1 N210194917AA
BLOCK
1
2 MTPA005235AA
BRACKET
1
3 MTKP005708AA
SHEET
1
4 MTPZ000297AA
GUIDE
1
5 MTPB004493AA
BRACKET
1
6 N210182049AB
BRACKET
1
7 N210183227AA
GUIDE
1
8 MTPB004494AA
BRACKET
1
9 N210182052AA
BRACKET
1
10 MTPB000899AC
SPACER
2
11 N510023663AA CB-410E
PIN
2
12 N986MMS410 MMS4-10
LINEAR-SCALE
1
13 MTNS000051AA ST748A-880PF6
GREASE-NIPPLE
4
14 N560AMT6-130 A-MT6X1-Type(M6X1)
JOINT
4
15 N510066524AA KQ2H04-M5A
SPACER
2
16 N510020964AA SM-502E
BOLT
2
17 MTNK000559AA
Hexagon socket head cap screw M4X12-10.9 A2J (Trivalent)(MEC process:
SCREW
2
18 N510018277AA
Cross recessed Truss head machine screw M4X5-4.8 A2J (Trivalent)
BOLT
39
19 N510017534AA
SSS 003 Hexagon socket button head screw M4X6-10.9 A2J (Trivalent)
CLIP
39
20 KXF0BLPAA00 TA1S8-M
S34
--
( KN610154663AA-16-3 )

9-D
X軸:NPM-W2
X-Axis:NPM-W2
パーツレイアウト
Kit No.
キット品番
Kit Name
キット名称
N610154663AA
セクションNo.
PARTS LAYOUT
Section No.
--
S35
( KN610154663AA-16-4 )