NPM-W2 20170529 - 第58页
10 他軸干渉センサ:NPM-W2 Interference Sensor:NPM-W2 パーツレイアウト Kit No. キット 品番 Kit Name キット名称 N610168718AA セクションNo. PARTS LAYOUT Section No. - - S37 ( KN610168718AA-03 )

Ref
No.
Remarks R
1
Q'ty
9-D
X軸:NPM-W2
X-Axis:NPM-W2
イラスト
No.
Part No.
品 名品 番 数量
R
2
パーツリスト
Kit No.
キット品番
Kit Name
キット名称
N610154663AA
Part Name
備 考
セクションNo.
PARTS LIST
Section No.
R
3
SHAFT
1
1 N210194916AB
SHAFT
1
2 MTPA001863AA
STOPPER
1
3 N210198064AA
SCREW
1
4 XXF12C45FT
Hexagon socket set screw Flat point M12X35-45H SOB
WASHER
1
5 N510027223AA
Round finish plain washer (JIS B 1256:1978) 12 10H A2J (Trivalent)
NUT
1
6 N510046390AA
U-nut M12 SK5 Type-2 S45C Trivalent chromate(white)
S36
--
( KN610154663AA-16-4 )

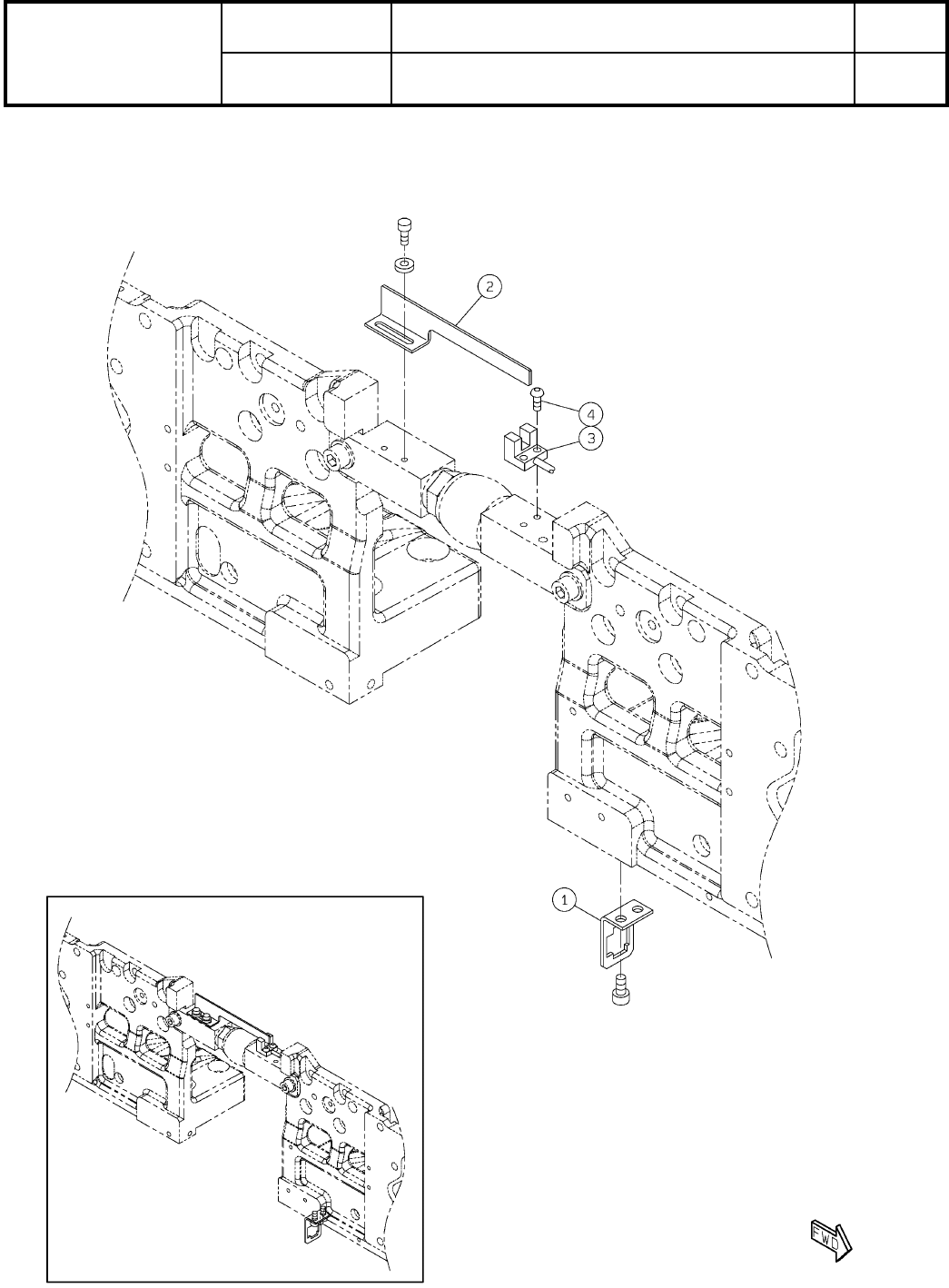
10
他軸干渉センサ:NPM-W2
Interference Sensor:NPM-W2
パーツレイアウト
Kit No.
キット品番
Kit Name
キット名称
N610168718AA
セクションNo.
PARTS LAYOUT
Section No.
--
S37
( KN610168718AA-03 )

Ref
No.
Remarks R
1
Q'ty
10
他軸干渉センサ:NPM-W2
Interference Sensor:NPM-W2
イラスト
No.
Part No.
品 名品 番 数量
R
2
パーツリスト
Kit No.
キット品番
Kit Name
キット名称
N610168718AA
Part Name
備 考
セクションNo.
PARTS LIST
Section No.
R
3
BRACKET
1
1 KXFB02ALA00
DOG
1
2 N210134661AA
SENSOR
1
3 MTNS000238AA EE-SX951-C2J-R 0.3M
BOLT
2
4 N510000327AA
SSS 003 Hexagon socket button head screw M3X8-12.9 SOB
S38
--
( KN610168718AA-03 )