NPM-W2 20170529 - 第772页
175- A 軽量16ノズ ルヘッドV 2メカ Light W eight 16 Nozzle Head V2(M ) パーツレイアウト Kit No. キット 品番 Kit Name キット名称 MTKA006094AA セクションNo. PARTS LAYOUT Section No. - - O567 ( KMTKA006094AA-09-1 )

Ref
No.
Remarks R
1
Q'ty
174
可動カバー 配管、配線(本体後側):NPM-W2
Movable Cover Plumbing(Main Body Rear Side):NPM-W2
イラスト
No.
Part No.
品 名品 番 数量
R
2
パーツリスト
Kit No.
キット品番
Kit Name
キット名称
MTKA002646AA
Part Name
備 考
セクションNo.
PARTS LIST
Section No.
R
3
BRACKET
2
1 MTPB002381AA
BRACKET
1
2 MTPB002425AA
JOINT
2
3 N510066694AA KQ2E06-00A
SPACER
4
4 N510031811AA CB-502E
O566
--
( KMTKA002646AA-01 )

175-A
軽量16ノズルヘッドV2メカ
Light Weight 16 Nozzle Head V2(M)
パーツレイアウト
Kit No.
キット品番
Kit Name
キット名称
MTKA006094AA
セクションNo.
PARTS LAYOUT
Section No.
--
O567
( KMTKA006094AA-09-1 )

Ref
No.
Remarks R
1
Q'ty
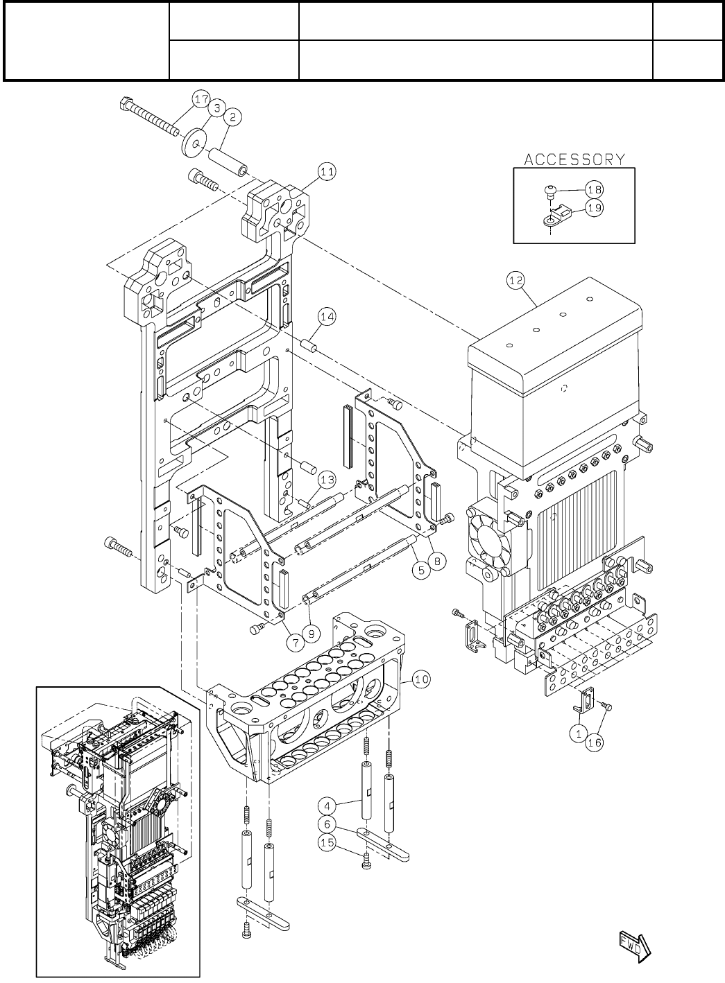
175-A
軽量16ノズルヘッドV2メカ
Light Weight 16 Nozzle Head V2(M)
イラスト
No.
Part No.
品 名品 番 数量
R
2
パーツリスト
Kit No.
キット品番
Kit Name
キット名称
MTKA006094AA
Part Name
備 考
セクションNo.
PARTS LIST
Section No.
R
3
BRACKET
16
1 N210151017AB
SPACER
2
2 N510065101AA CB-528E
WASHER
2
3 N210118728AA
POST
5
4 N210118733AB
POST
3
5 N210188974AA
GUARD
2
6 N210118736AA
BRACKET
1
7 N210188971AC
BRACKET
1
8 N210188970AC
TUBE(92mm CUT)
3
9 N610161011AA
BRACKET
1
10 N610161540AC
PLATE
1
11 MTKP003410AC
MOTOR
1
12 N510055635AC
S
RMTA-A002A16-MA13
PIN
2
13 N510020589AA MMS3-8
PIN
2
14 N510020607AA MMS5-10
BOLT
4
15 N510067764AA Low Head Cap Screw M3X6-8.8 A2J(Trivalent)
BOLT
16
16 XVE2B5FTC Hexagon socket head cap screw M2X5-12.9 SOB
BOLT
2
17 N510017750AA
Hexagon head bolt Best class M5X45-6g 4T A2J (Trivalent)
BOLT
14
18 N510017534AA
SSS 003 Hexagon socket button head screw M4X6-10.9 A2J (Trivalent)
CLIP
14
19 KXF0BLPAA00 TA1S8-M
O568
--
( KMTKA006094AA-09-1 )