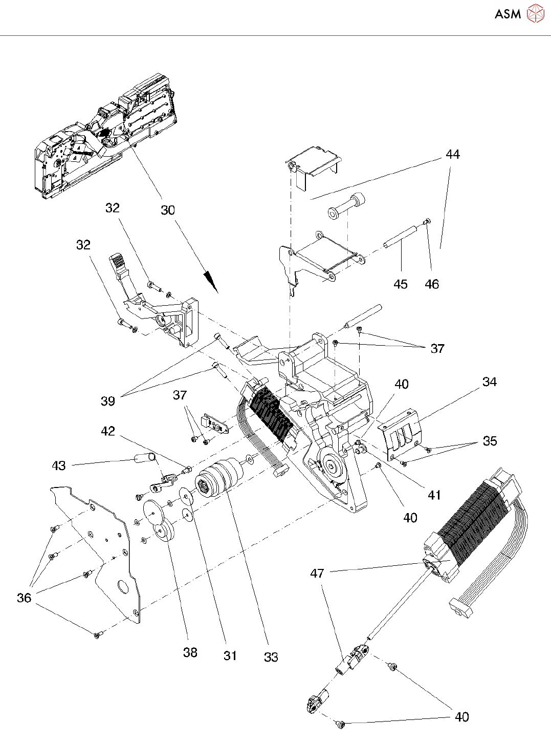
Tape feeder module 32mm X FS07_074153 - 第6页
Tape feeder module 32mm X FS07 Page 6 / 13 16.09.2021

Tape feeder module 32mm X FS07
Page 5 / 13 16.09.2021

Tape feeder module 32mm X FS07
Page 6 / 13 16.09.2021

Tape feeder module 32mm X FS07
Page 7 / 13 16.09.2021