YV100电路图 - 第9页
PAGE 8 Harness par ts list KM8-000-0205 No Part No. Part Name Q'ty Remarks N o Part No. Part Name Q'ty Remarks 1 KM8-M6600-000 HARNESS 1 39 KH5-M661V-002 HNS,1-14 (Y_FLEX PWR 1 J4 3 2 KM8-M6601-000 HARNESS 1 1 …

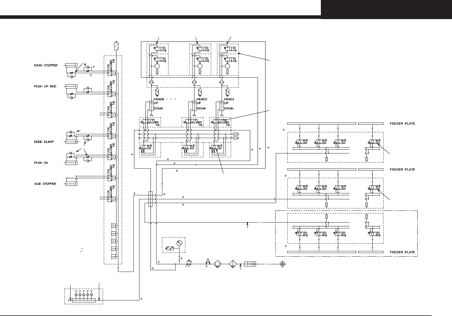
PAGE 7
YV100IIe (KM8)
Air circuit
JOINT
3/8"
JOINT PLUG
30PM
F300-03
-BG-A
MF300
-03-A
R300-03
SL12-03
GS1-50-L4
SLY10-03
TL4-02
SL4-M5
UEDW10-8
MANIFOLD
KM0-M1141-000
UEF4
BF4
TL8-01TT8-01
stn.20stn.1 stn.2 stn.3
KM-06KM-06
VALVE ASSY L
KM9-M3410-H10
20123
TSS4-01
TSH8-01
PLUG
K40-M8598-000
UEF4
BF4
TL8-01TT8-01
stn.100
stn.51 stn.52 stn.53
KM-06KM-06
VALVE ASSY E
KM8-M3410-E00
10051 52 53
10
12
8
USD8-6
4 (Black)
AIR SOURCE
TL8-01
SLH6-01
KM-05
8 (Orange)
6 (Orange)
6 (Orange)
UYD10-8
VALVE KIT
KU0-M3410-410
(For spare)
SLH6-01
6 (Orange)
USD8-6
TL6-01M
EJECTER SINGLE L
KM5-M7174-500
(For spare)
EJECTER SINGLE C
KM5-M7174-400
(For spare)
SINGLE VALVE(head up/down)
KM1-M7162-100
(For spare)
EJECTER SINGLE R
KM5-M7174-600
(For spare)
SINGLE VALVE(head slow)
KM1-M7162-200
(For spare)
UEF4
BF4
TL8-01TT8-01
stn.50stn.31 stn.232 stn.33
KM-06KM-06
VALVE ASSY R
KM9-M3410-100
4021 2 3
4 (Black)
VALVE KIT
KU0-M3410-410
(For spare)
EJECTER SINGLE R
KM5-M7174-600
(For spare)
OPTION
UC8
UT4
KM-11
040M10AJ 1 7 A040
-4E1-PLL 8 12 BP
SC4-01A
PDA 6X30
JDAS 32X25-CS4H1
SC4-01A
SC4-M5A
SC4-M5A
SC4-M5AJDA 12X5
PDA 10X30-1
BDA 16X25
SL4-M5
SL4-M5
(Orange)
4
(Black)
SL8-01
UT4
UT4
UT4
4
8
8
8
8
8
8
6
4
10
4 (Black)

PAGE 8
Harness parts list
KM8-000-0205
No Part No. Part Name Q'ty Remarks No Part No. Part Name Q'ty Remarks
1 KM8-M6600-000 HARNESS 1 39 KH5-M661V-002 HNS,1-14 (Y_FLEX PWR 1 J43
2 KM8-M6601-000 HARNESS 1 1 40 KH5-M662T-021 HNS,2-12 1 J34
3 KG2-M536A-010 HNS 301 (FG 450) 1 J82 41 KH5-M664G-012 HNS,4-4 1 J105
4 KG2-M536A-220 HNS,PE 150 6 J83,84,85,86,87,88 42 KK1-M664J-010 HNS,PE 1000 5 J903-6,930
5 KG2-M663R-002 HNS 3-11 :J61/J62 2 J61,J62 43 KK1-M667E-001 HNS,EMG SW 2 J165,J166
6 KG2-M664H-003 HNS 4-5 (SERIAL1) 1 J107 44 KK1-M66L1-000 HNS 17-1 (FG 700) 1 J6
7 KG2-M668K-110 HNS 8-7 (GATE IN/RST 1 J189 45 KM0-M536A-010 HNS,PE 70 2 J90,J91
8 KM6-M668T-000 HNS,8-12 (+24E,+24V) 2 J197,J198 46 KM0-M665A-001 HNS,PI1 1 J121
9 KG2-M669G-010 HNS,9-4 1 J204 47 KM0-M665E-002 HNS,PI2 1 J122
10 KG2-M669H-110 HNS 9-5 (GATE OUT) 1 J205 48 KM0-M665K-001 HNS,5-7 1 J127
11 KG2-M669R-110 HNS 9-11 (BUZZER) 1 J207 49 KM0-M666A-001 HNS,6-1 (C/R MO1) 1 J141
12 KG7-M662R-101 HNS 2-11 (Y_FLEX OT 1 J33 50 KM0-M666E-001 HNS,6-2 (C/R MO2) 1 J142
13 KG7-M664A-020 HNS,4-1(CMN,I/O R) 1 J101 51 KM0-M666F-001 HNS,6-3 (Y_FLEX XM) 1 J145
14 KG7-M664E-020 HNS,4-2(CMN,I/O L) 1 J102 52 KM0-M666J-001 HNS,6-6 (FLEX Z1R1_M 2 J146,J147
15 KG7-M664F-011 HNS 4-3 (I/O P23-P21 1 J103 53 KM9-M667A-000 HNS,7-1 (P23 CN8) 1 J161
16 KG7-M664J-001 HNS,4-6 (Y_FLEX I/O) 1 J108 54 KM0-M667E-011 HNS,7-2 1 J162
17 KG7-M668A-100 HNS 8-1 (P23 OT/ORG) 1 J181 55 90K30-444043 HNS,EARTH 1 J927
18 KG7-M668E-100 HNS 8-2 (P24 OT/ORG) 1 J182 56 KM1-M665H-001 HNS,5-5 1 J125
19 KG7-M668F-000 HNS 8-3 (P23-DI CONV 1 J185 57 KM1-M665J-001 HNS,5-6 1 J126
20 KG7-M668L-000 HNS 8-8 (P23-DI CONV 1 J190 58 KM1-M661W-002 HNS,1-15 (XFLEX HI/O 1 J44
21 KG7-M668N-111 HNS 8-10 1 J192 59 KM1-M66A3-013 HNS,10-3 1 J303
22 KG7-M668T-130 HNS 8-13 1 J196 60 KM1-M66A4-001 HNS,10-4 1 J304
23 KG7-M669F-103 HNS,9-3 1 J203 61 KM1-M66A5-001 HNS,10-5 1 J305
24 KG7-M66F6-010 HNS,12-6 (V.OUT) 1 J506 62 KM1-M66A6-002 HNS,10-6 1 J306
25 90K30-444180 HNS,EARTH 2 J71,J73 63 KM1-M66A7-001 HNS,10-7 1 J310
26 90K30-444085 HNS,EARTH 1 J926 64 KM1-M66A9-002 HNS,10-9 1 J309
27 90K30-245170 HNS,EARTH 1 J925 65 KM1-M66E1-001 HNS,11-1 1 J311
28 KH4-M664L-034 FDD CABLE ASSY 1 J110 66 KM1-M66E2-002 HNS,11-2 1 J312
29 KV0-M664M-000 HNS 4-9 1 J111 67 KM1-M66E3-101 HNS,11-3 1 J313
30 KH4-M664N-011 HNS.4-10(SERIAL2) 1 J120 68 KM1-M66E4-102 HNS,11-4 1 J314
31 KH4-M668M-010 HNS,8-9 (P24 DI ANC 1 J191 69 KM5-M661E-005 HNS,QF-TM11 1 J3
32 KH4-M668R-000 HNS 8-11 (SW LIMIT C 2 J193,J195 Cover limit SW 70 KM5-M661R-001 HNS 1-11 (XS11 PWR) 1 J26
33 KH4-M66A7-000 HARNESS 10-7 1 J307 71 KM6-M661G-002 HNS,TM11-TC11 1 J4
34 KH4-M66F5-012 HNS,VGA 1.5M+3M 1 J508 72 KM6-M661H-001 HNS,TC11-QF21 1 J11
35 KU8-M66F5-101 HNS,VGA 1.5M 1 73 KM6-M661J-001 HNS,TM11-QF31 1 J14
36 KU8-M66F5-301 HNS,VGA 3M 174KM7-M661K-000 HNS,1-7 (QF31-KM10) 1 J15
37 KU8-M65F5-000 VGA ADAPTER 2 75 KM7-M661L-000 HNS,1-8 (KM10-NF11) 1 J18
38 90K30-444050 HNS,EARTH 1 J76 76 KM7-M661N-000 HNS,1-10 (KM12-QF32) 1 J19

PAGE 9
Harness parts list
KM8-000-0205
No Part No. Part Name Q'ty Remarks No Part No. Part Name Q'ty Remarks
77 KM7-M662A-001 HNS,C/R POWER 1 J21 115 KJ0-M5810-441 DRIVER BOARD ASSY 1
78 KM6-M66M1-102 HNS,TAP CHANGE 10 J601-610 116 KM5-M5840-042 SERVO BOARD ASSY 1
79 KM6-M66M1-202 HNS,TAP CHANGE 1 J611 117 KJ0-M531J-001 HNS.JUMPER 1 1
80 KM6-M66M4-001 HNS 18-4 (JUMPER) 2 J612,J613
81 KM6-M662Y-002 HNS,POWER SUPPLY +24 1 J48
82 KM8-M66A8-002 HNS,10-8 1 J308
83 KU0-M661U-001 HNS,1-13 (CNCT CNF16 1 J41
84 KU0-M661X-001 HNS,1-16 (CNCT CNF18 1 J46
85 KM6-M661Y-002 HNS,POWER CRT 1 J49
86 KM6-M661Y-100 HNS,POWER CRT 1 J50
87 KM5-M662G-001 HNS,CNF9/13 EMG 1 J24
88 KM5-M662K-002 HNS,CNECT,CNF15 1 J29
89 KU0-M662N-000 HNS 2-10 (CNCT CNF10 1 J32
90 KM6-M662U-001 HNS,2-13 1 J36
91 KU0-M662V-000 HNS 2-14 (CNCT CNF12 1 J37
92 KM6-M662X-001 HNS 2-16 (PWR,GS11) 1 J47
93 KM6-M663A-001 HNS,POWER MTR 1 J51
94 KM6-M663M-002 HNS,CNF4.5-CONV. 1 J59
95 KV1-M663N-001 HNS,CNF6,7,37-C 1 J52
96 KU0-M667L-000 HNS 7-8 (CNECT CNF29 1 J172
97 KU0-M668J-010 HNS,8-6 (CNECT CNF30 1 J188
98 KU0-M669E-001 HNS,9-2 (CNCT CNF24) 1 J202
99 KV7-M66F6-00x C.CABLE 7.7M 1 J502
100 KV7-M66F2-00x C.CABLE 6M 1 J501
101 KV7-M66F4-00x C.CABLE 1.7M 1 J510
102 KM0-M66A1-00x HARNESS,10-1 1 J301
103 KM0-M66A8-00x HARNESS,10-8 1 J315
104 KM7-M66F0-00x C.CABLE ASSY L5M 1
105 KH2-M6601-820 HARNESS 2
106 KH2-M661A-201 HNS 1-1 (EMG PP CONN 1 J690
107 KH2-M661E-001 HARNESS 1-2 1 J691
108 KH2-M661F-102 HNS,PI3 1 J692
109 KH2-M661G-102 HNS,PI4 1 J693
110 KH2-M661H-102 HNS,1-5 (MO3,MO4) 1 J694
111 KH2-M661J-201 HNS,1-6(+24V,PP CNCT 1 J695
112 KM5-M5300-000 BOX E/L,YTF ASSY
113 KJ0-M531A-202 HARNESS PWM/FDBK 1 1
114 KJ0-M531N-001 HNS.STABLE POW 1