SM482_PLUS_TRM(Ver2.4_CS20.07) - 第115页
Page +$1:+$ 11 5 Electric Device Ass’y(4/4) SM482 PLUS NO. P ART NO. P ART NAME Q'TY Old No. Supply Supply L T Reference 1 EP06-0 00282 SE RVO CONTROL-DRIVE-BEL T STEP DRIVER 1 2 EP06-000283 SERVO CONTROL-DRIVE-B EL…

Page
+$1:+$
114
SM482
PLUS
Electric Device Ass’y(4/4)
2
6
5
4
3
1

Page
+$1:+$
115
Electric Device Ass’y(4/4)
SM482
PLUS
NO. PART NO. PART NAME Q'TY Old No. Supply Supply LT Reference
1 EP06-000282 SERVO CONTROL-DRIVE-BELT STEP DRIVER 1
2 EP06-000283 SERVO CONTROL-DRIVE-BELT STEP DRIVER 1 EP06-000219
3 J91741023A CONVEYOR_PWR_BOARD 1
4 EP08-001055 MOTOR,DRIVE EP06-900107
5 J90511022A HEAD_R_MOTOR_DRIVER_ASSY 1
6 FC09-007132A BRACKET-R_STEP_DRIVER_BKT 1 J70511025A

Page
+$1:+$
116
SM482
PLUS
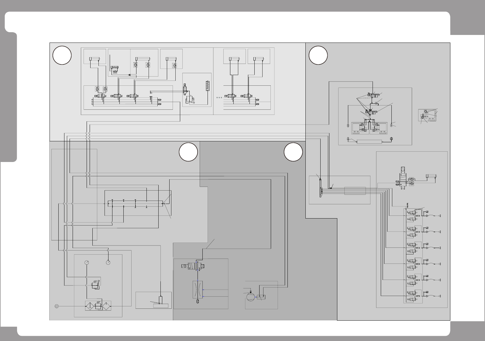
AIR Ass’y(1/5)
A D
B C
HEAD Air Module
LEFT CABLE DUCT ASSY
FRONT AIR PANEL ASS'Y
FRONT
FEEDER BASE ASS'Y (STANDARD)
REAR
도 STANDARD일 때
, 동일
구조
Feeder Base
HP09-000007
KM11-08-12-10
VACUUM GENERATOR (AIR OPTION)
VACUUM PUMP (AIR OPTION)
MAIN MANIFOLD ASS'Y
VACUUM GENERATOR (AIR OPTION)
초기
진공도달압 : -93.3 kPa 이하
교체
기준
: -87 kPa
VACUUM PUMP (OPTION)
Feeder Base (DC)
4-HP06-900018
KQ2U06-00
REAR
DOCKING CART ASS'Y (OPTION)
FRONT도 DC OPTION
일 때, 동일
구조
2-HP03-900011
AIR CYLINDER(SMC)
HP03-900011
AIR CYLINDER(SMC)
HP03-000096
CXSJM10-40-A93
HP03-900013
CM2C32-50-XC3BB
HP06-900047
SQL04-M5
2-HP06-900056
KQ2L04-01
CONVEYOR ASS'Y
HP06-900072
PY4M
3-HP06-900027
KQ2L04-M5
HP06-900010
M-5HLH-4
HP06-900263
M-5H-4
HP03-000118
AQ2A12-35D-XST44
HP06-900010
M-5HLH-4
HP06-900263
M-5H-4
HP03-000118
AQ2A12-35D-XST44
L1200 PCB CONVEYOR ASS'Y
HP09-000148
KM1
1-04-08-6
Y CABLE DUCT ASSY
P(BLOW)
HP06-900245
M-5HL-4
HP06-900263
M-5H-4
HP03-900016
BDAS6X15-CS11TA2
U2-4-12*8, BLACK
'a'
'b'
U2-4-10*6.5, BLACK
U2-4-4*2.5, BLACK
U2-4-12*8, BLACK
U2-4-6*4, BLACK
U2-4-6*4, YELLOW
U2-4-6*4, BLACK, 1000mm
U2-4-6*4, BLACK
U2-4-12*8, BACLK
U2-4-4*2.5, BALCK
U2-4-6*4, BALCK
U2-4-6*4, YELLOW
U2-4-6*4, BLACK
U2-4-8*5, BLACK
U2-4-6*4, YELLOW
U2-4-10*6.5, BALCK
VACUUM GENERATOR (OPTION) 㐐, ḩ㚉
ⵤ㉔䚔
ᶷ
U2-4-10*6.5, BACLK
U2-4-4*2.5, BLACK
U2-4-12*8, BLACK
U2-4-4*2.5, BLACK
U2-4-12*8, BLACK
U2-4-12*8, BLACK
U2-4-4*2.5, BLACK
U2-4-4*2.5, BLACK
U2-4-4*2.5, BLACK
U2-4-6*4, BLACK
U2-4-6*4, BLACK
U2-4-12*8, BLACK
U2-4-6*4, BLACK
U2-4-8*5, BLACK
U2-4-6*4, YELLOW
U2-4-6*4, BLACK
U2-4-12*8, BLACK
HP06-900043
FITTING
KQ2F04-01
TE07-900096
ANALOG GAUGE (VACUUM)
GZ46-K-01-C1
HP09-001019
REGULATOR
ARP20-02BG-CJSZ1406
HP04-001016
AIR FILTER
AC30-03D-CJSZ2045
U2-4-12*8 U2-4-12*8
HP09-000150
DIGITAL GAUGE
SPABT-P10-R18-2N-K1-SA
U2-4-4*2.5
HP06-900255
FITTING
KQ2H04-M5
U2-4-4*2.5
HP06-900050
SQU04-06-W
U2-4-4*2.5
2-HP06-900027
KQ2L04-M5
HP06-000226
FITTING KQ2R10-12
(ST
OPTION 㢰 ᷱ㟤
KQ2P-10
㥐ᶤ䚌Ḕ
ⵤ㉔䚔
ᶷ)
FC14-900641
PLUG KQ2P-10
FC14-900644
PLUG KQ2P-08
FC14-900644
PLUG KQ2P-08
FC14-900644
PLUG KQ2P-08
FC14-900644
PLUG KQ2P-08
FC14-900644
PLUG KQ2P-08
HP06-900282
KQ2R06-08
HP06-900282
KQ2R06-08
HP06-900282
KQ2R06-08
HP06-900282
KQ2R06-08
HP11-000074
INJECTOR
-P5010.00.AJ.01. (PI48-3)
HP06-000277
KQ2L12-04S
HP06-900041
KQ2L04-01S
'a'
'b'
HP11-001019
VACUUM PUMP
KHB200A-304A-G1
HP06-001070
FITTING
KQ2VD12-02AS
HP06-000234 / KQ2R08-12
HP06-900046 / KQ2R04-08
HP06-900104
FITTING
KQ2L06-02S
U2-4-6*4(YELLOW)
4-HP06-900027
KQ2L04-M5
U2-4-4*2.5
2-HP06-900300
KS-4-M5-SA34698KR
U2-4-4*2.5
U2-4-4*2.5
5-HP06-900014
KQ2L06-01
U2-4-4*2.5
2-HP06-900299
KD-M5-SA34697KR
2-HP06-900047
KQ2L04-M5
HP14-900026
K180-4E1-21-DC24V
HP14-900026
K180-4E1-21-DC24V
HP14-900092
AKH06-00
2-HP09-900162
AN101-01
HP06-900018
KQ2U06-00
HP06-900050
SQU04-06-W
3-FC14-900724
PT 1/8
U2-4-6*4
MGPM63-35
-CJJP1685
ASP330F-01-06S
AS2
201F-01-06S
KQ2L06-M5
2-PT18-EF
HP03-000083
CYLINDER CUJB12-5D
AM03-007232A (
기본
3연 SOL VALVE 모듈
)
ASSY
,AIR-SM482_SOL_VALVE_MODULE
U2-4-4*2.5(YELLOW)
HP03-900054
ACP1B16-20T-R6224
2-HP14-900087
AS1211F-M3-04
미터 인
HP06-900027
KQ2L04-M5
HP14-900083
AS1201F-M5
-04-X214
미터 아웃
3-HP06-000275
PLUG
DIN 908-G1/8
3
5
U2-4-4*2.5(BLACK)
HP14-900088
AS1211F-M5-04
미터 인
HP06-000074
KQ2S04-M5N
HP09-000157
MAN
IFOLD
VABM-L1-10S-G18-4
2-HP09-000164
SILENCER
U-E-1/8-S
HP06-000279
FITTING QS-E-1/8-8-C
1
4
2
4
2
2-HP06-000278
FITTING
QS-E-M5-4-I-C
2-HP06-000278
FITTING
QS-E-M5-4-I-C
4
2
2-HP14-000431
SPEED
CONTROLLER
GRLZ-M5-QS-4-D
미터
인
HP15-000010
PLATE
VABB-L1-10-S
U2-4-4*2.5(YELLOW)
U2-4-4*2.5(BLACK)
U2-4-4*2.5(YELLOW)
U2-4-4*2.5(BLACK)
A
B
EP07-000858
SOLENOID VALVE
VUVG-S10-M52-RT-Q4(BM5)-1H2L
HP09-900109
REGULATOR
AR10-M5BG
HP03-900039
CQ2B6-CJJC2948
AM0
3-000330 (L1200 PCB 대응
6연 SOL)
ASSY,AIR-SOL_VALVE_481L
3
5
HP09-000157
MAN
IFOLD
VABM-L1-10S-G18-4
2-HP09-000
164
SILENCER
U-E-1/8-S
HP06-000279
FITTING QS-E-1/8-8-C
1
4
2
4
2
2-HP06-000278
FITTING
QS-E-M5-4-I-C
2-HP06-000278
FITTING
QS-E-M5-4-I-C
3-HP14-000397
SOLENOID VALVE
VUVG-L10-M52-RT-M5-1H2L
AM0
3-007338A
EDGE FIXER가 추가
된
4연
SOL VALVE 모듈
U2-4-4*2.5(BLACK)
U2-4-4*2.5(BLUE)
U2-4-4*2.5(BLACK)
U2-4-4*2.5(BLUE)
HP13-900089
MULTI TUBE
UML-408 BK8-3.5M
8
1
2-HP06-900089
KQ2H04-06
HP06-000457
QSY12-8
U2-4-8*5, BLACK
HP14-000978
SOLENOID VALVE
VUVG_L18_M52
3-DIN908-G
1/4
2-Q
SL-E-1/4-10
VUVG-L18-M
52-R
T-G14-1H2L
HP14-900064
SOLENOID VALVE
SY3120-5LZ-M5-F2
2-HP09-900165
AN120-M5
HP06-900183
KJL04-M5
2-HP06-000074
KQ2S04-M5N
2-HP14-900097
AS1
001F-04
HEAD 1HEAD 2HEAD 3HEAD 4HEAD 5HEAD 6
10-HP04-900036
FILTER VYF44-M-50M
AM0
3-015252A
AIR MODULE (SOL)
VQ110-06-CJSZ0993
6-HP14-000163
34B-L00-GDFA-1KT
BLOW
ĭ4 0.1MPa
ĭ4 0.5MPa
U2-4-6*4
STOPPER ASSY(WORK)
ANC ASSY
BUT ASSY
(NONE STAGE OPTION)
EDGE FIXER OPTION (SPECIAL)
EXIT STOPPER SOL2
EXIT STOPPER SOL1