SM482_PLUS_TRM(Ver2.4_CS20.07) - 第129页
Page +$1:+$ 129 SM482 PLUS

Page
+$1:+$
128
SM482
PLUS
Electric Control Part

Page
+$1:+$
129
SM482
PLUS

Page
+$1:+$
130
SM482
PLUS
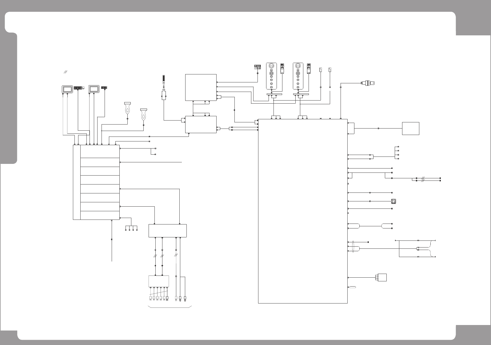
SM482 PLUS Harness Wiring Diagram(1/6)
FLAT CABLE
TOWER LAMP
FLY CAM1~6
SM471-VIS011
G
R
S
T
M
E
E
CHANGE
F/FEEDER
RESET
STOP
START
READY
E
O
P
C
N
Y
RESET
F/FEEDER
CHANGE
STOP
START
READY
P
O
T
S
Y
N
C
E
E
E
M
R
G
<FRONT-OP> <REAR-OP>
INDUSTRIAL PC
COM1/2 LAN1
PC-232
SBC
PCIE ADAPTER #1
PCIE X1
AXIO B/D #1-CN1
SAMC-ME #1
PC RACK 12V
AM03-014387A
SAFETY CONTROL B/D
CN30
CN3
F-OP
CN31
CN3
R-OP
[SC]
CN34
T-BOX
FRONT
CN36
T-BOX
REAR
SM411-CV023-5
AM03-010655C
(SM33_CV023-5)
SM48_FD101-1
P1 P2
COM1
COM2
COM3
COM4
COM5
CN9
PWR
SM48C_VIS012-1
AM03-014390A
SM400 VISION IF B/D
CN1
FID.CAM
SM400 CAMERA IO B/D#1
[FID1]
AM03-014750C
AM03-014751C
#FL-4
#FL-7
FL-5.6
AM03-006925C
IT MASTER
12V
AM03-014384A
AM03-012626C
AM03-010667D
HEAD1
CN11
CN1
CN2
입력
입력
CN11
CN20
CN21
CN22
CN23
CN27
CN25
CN6
SCANNER
CN5
CONV I/F B/D
[CV]
CN33
CN26
[SUB]
CONV.SUB I/F B/D
CN32
CN27
CN28
CN6
CN1
CN18
CN3
CN17
CN2
START,FFD,RFD
CN7
CN4
CN2
AM03-003901C
START,STOP,RESET,FFD
CN5
START,STOP,RESET,FFD
CN2
CN7
CN13
SM48_CV004
CN8
AM03-006879B
M
1
2
OUT
AIR SENSOR
AM03-020588A
CN3
CN1
CN4
CN1
CN6
CN13
EM,READY,DOOR,FSO
[VIS]
CN24
111234 5
CN18
MC1
+A1
-21
-A2
-22
CN19
SM48_CV026-1
J1R-3
J1R-4
SM411-CV023-4
AM03-010654C
(SM33_CV023-4)
AM03-014715C
CN35
SM48C_SC201
J1R-2
SM48-SC105-1
SAFEGUARD OVERRIDE KEY
SM411_SC009
AM03-010090B
21/22
JUMPER
REAR PANEL LAN PORT
FFD-CN4
AX-CN1
CAN
CAN_CH1_L
CAN_CH2_R
CAN_CH3_L
CAN_CH4_R
6
COM6
2
FIX.CAM
BS1 DRV CN1
CN12
BS2 DRV CN1
COM5
COM6
PMC1
PMC2
AM03-003902B
CN14
CN15
AXIO#1-CN2
AM03-006922B
CN28
HD-PW-EXT
FL-#18
HEAD IF CN1
FL-#1
X_SEN.
CN29
J1R-1
AM03-014711C
SC-CN15-EXT [R]
SC-CN14-EXT [R]
TF-CH1
TF-CH2
PMC1-EXT
PMC2-EXT
COM5/6
SM48_VM101
CN6CN8 CN10 CN7
AM03-014754C
FFD-PW
SM471_PW020
SM471_PW022
STEP/HEAD DRIVER FAN
T2L
USB1
VGA1
<FRONT>
<REAR>
AM03-010874A
AM03-014335A
AM03-014335A
AM03-014389A
<FRONT>
BARCODE READER
<REAR>
COM3/4
USB2
VGA2
PS1
+24V
24G
AM03-005553B
SM482_VIS009
SM41_VIS006
SM41_VIS005
SM41_CV037-1
AM03-010671C
SM41_SC006
AM03-010090B
SM41_SC006
SM48_SC007
AM03-009943B
AM03-014613A
AM03-014613A
AM03-007056B
AM03-006407B
SM421_OP104
SM421_OP103
SM48_CV026
AM03-006878B
SM48-SC105
AM03-007055D
SUB-CN6/7
SM48C_VM101
SM48C_PC003-1
AM03-021754A
SM48C_KV003-2
SM471-PC007
SM471-PC007
SM48C_PC003
SM48C_VIS000
AM03-028173A
AM03-017244B
SM48C_PW021
CN1
SM48_SC001_LT
SM511_KV003-3
CN3
AM03-017245C
SM48C_PW022
SM48C_VIS007
SM48C_VIS010
SM48C_VIS003-1
AM03-014386A
SM48C-IT001
SM511_VM111
AM03-010986D
SM48_CV003_LT
AM03-020594A
AM03-017469A
SM471_OP001
AM03-017469A
SM471_OP001
SELECT
F/R
SELECT
F/R
SM33_OP005
AM03-010078A
SM33_OP005
AM03-010078A
SM41_SC008
AM03-010079B
CN36
CN34
SM48_SC002_LT
AM03-020590B
SM48C_PW302
SM48C_PW312
AM03-022141A
AM03-022140A
CV-CN27
CV-CN26
RFD-CN4
CV-CN4
SM48C_CV101
AM03-014614C
SM421_IT003
AM03-012662A
AM03-006409A
AM03-006892A
SM48_FD101
AM03-006891C
SM48C_CV101
AM03-014614C
CN10
R DRIVER-PW
SM41_SC011_LT
AM03-020591C
SM41_AX001(AM03-010659A)
SM421_VM101-1
AM03-003689B
AM03-003686C
SM421_VM102-1
AM03-014711C
X-SNS
HD-PW/H-SNS
AM03-006921E
SM482_AX006
AM03-014755B
SM481_VIS002
* 2 STAGE CAMERA
AM03-018611C
SM481_VIS002-1
* 1 STAGE CAMERA
SM48C_IT004
AM03-014388C
PWR
PS#2
SM48C_IT005
AM03-014629A
SM48C_IT005-1
AM03-014385A
SM48C_SC201
SM41_SC012
AM03-010657A