SM482_PLUS_TRM(Ver2.4_CS20.07) - 第189页
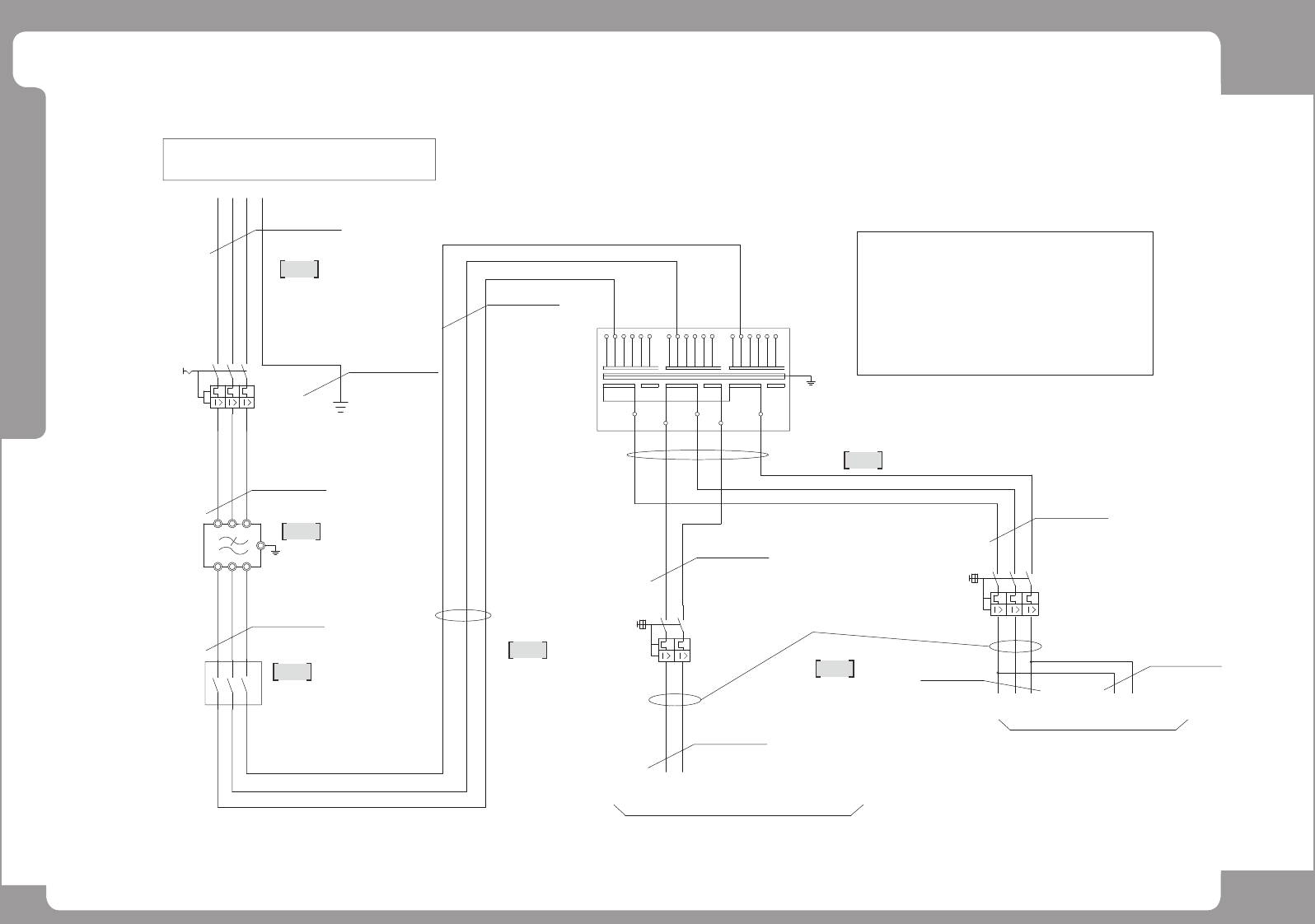
Page +$1:+$ 189 Power Block Diagram(3/8) SM482 PLUS NO. P ART NO. P ART NAME Q'TY Old No. Supply Supply L T Reference 1 J90831063A MAIN_POWER_CABLE_ ASSY S M33-PW001 1 SM33_PW001 2 J90831253C MCCB_NF1_EARTH _CABLE_A…

Page
+$1:+$
188
SM482
PLUS
Power Block Diagram(3/8)
-
J90831063A
AM03-018606A
AM03-018605A
AM03-013512D
AM03-003859B
AM03-020599B
2
PE01
2
2
PE02
2
2
2
2
2
2
2
240
(SM33_PW005)
(SM48C_PW004)
2.5 mm (BLK)
-MAIN S/W
KG20B-T203
L32
L33
L31
L22
L21
L23
SH202-C16
-CP1
(SM48C_PW003-2)
(SM33_PW001)
2.5 mm (BLK)
FACTORY MAIN POWER
4.0 mm (BLK)
- 200/208/220/240/380/415VAC FLA13A
-MCCB
(3Ø, 18A)
L13
L12
L11
- 3Ø ~50/60Hz SCR 100KA(220VAC)
T
SR
-EARTH PLATE
FRAME GROUND
-TRANS
220V
208200 220
L31
PE
to TB1-1A,TB1-6A
1L1
1L2
22S
22R 22T
SH203-C16
-CP2
TF2L1
TF2L2
TF2L3
220V 220V
0V 220V
200220415380 200 208 380240 415
L32
415208 220 380240
L33
2.5 mm (BLK)
X,Y1,Y2,SW AXIS(SERVO)
to MC1
6.SECONDARY #1 : 1Ø 220(1.5KVA)
SECONDARY #2 : 3Ø 220(2.0KVA)
2.FREQUENCY : 50/60Hz
1.CAPACITY : 3.5KVA
3.PHASE : 3Ø
4. CONNECTION: Y-Y
<TRANS SPECIFICATION>
5.PRIMARY : 3Ø 200/208/220/240/380/415V, 3.5KVA
(1Ø,16A)
(3Ø,16A)
to TB1-13A,TB1-15A
22R 22T
CONTROL RACK
MONITOR1,2
2.5 mm (BLK)
TF1L1
TF1L2
2.5 mm (BLK)
(SM421_PW106)
2.5 mm (BLK)
2.5 mm (BLK)
2.5 mm (BLK)
DC POWER #1,#2(24VDC)
AC FAN
(SM482_PW000_LT)
(3Ø, 25A)
GV2-ME20
-NF1
(3Ø, 20A)
TNS-5020
4.0 mm (Y/G)
246
135
1
456
23
2
1
264
135
4
3
24
13
6
5
1
2
3
4
5
6

Page
+$1:+$
189
Power Block Diagram(3/8)
SM482
PLUS
NO. PART NO. PART NAME Q'TY Old No. Supply Supply LT Reference
1 J90831063A MAIN_POWER_CABLE_ASSY SM33-PW001 1 SM33_PW001
2 J90831253C MCCB_NF1_EARTH_CABLE_ASSY 1 SM411_PW003-2
3 J90831066D NF1_MAIN_SWITCH_CABLE_ASSY 1 SM411_PW004
4 AM03-013512D CABLE ASSY-MAIN SWITCH_TRANS 1 AM03-900132/ AM03-013512A/ EP20-900105/
AM03-013512C
SM33_PW005
5 AM03-003859B CABLE ASSY-TRANS_CP1_2 1 AM03-003859A SM48_PW007
6 AM03-003859A CABLE ASSY-TRANS_CP1_2 1 SM421_PW106
7 AM03-006873A CABLE ASSY-CP2_TB1-MC1 1 SM48_PW008

Page
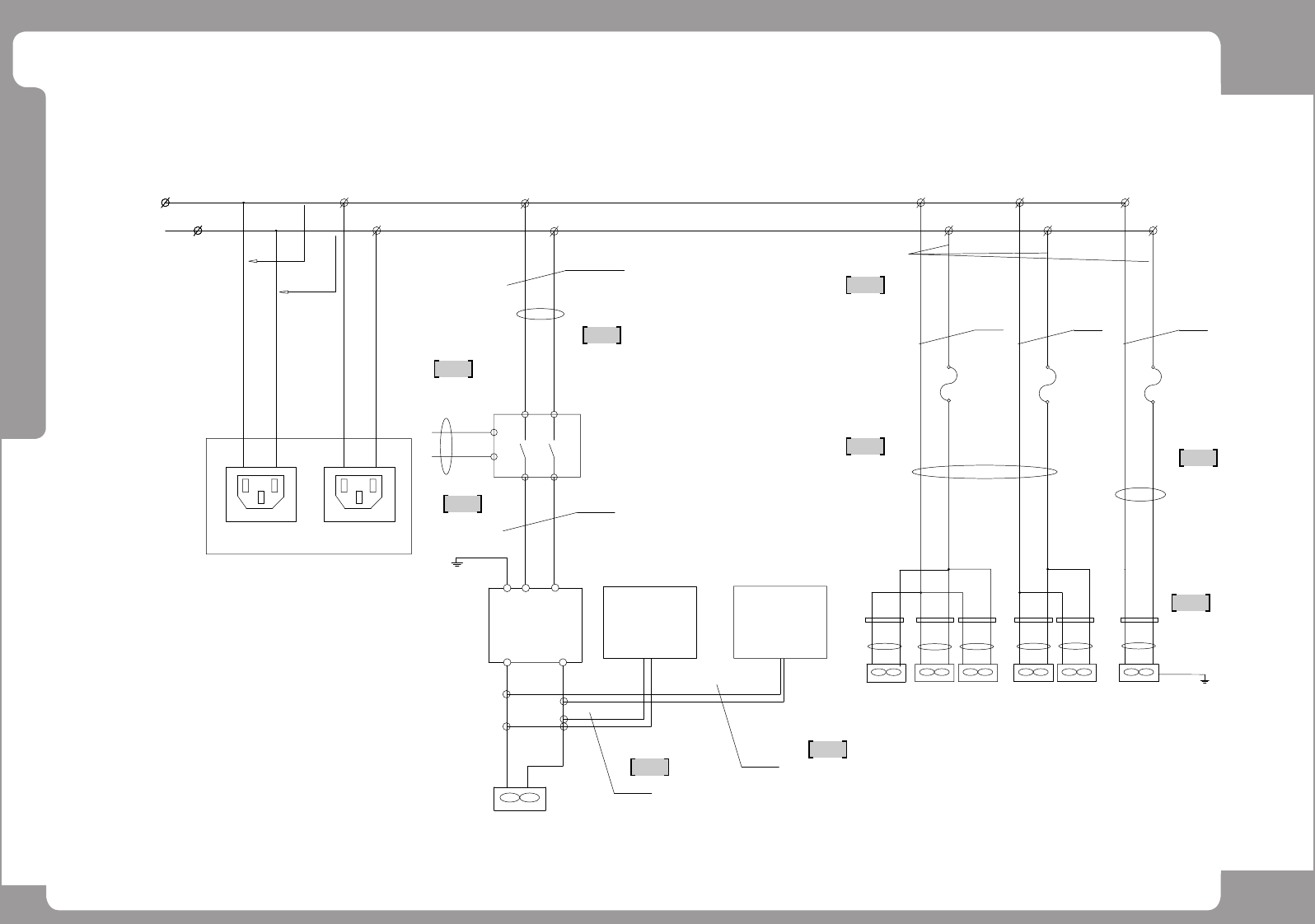
+$1:+$
190
SM482
PLUS
Power Block Diagram(4/8)
* UPS사용시만결선
* UPS사용시결선변경
AM03-020599B
AM03-020595B
AM03-020595B
AM03-014757A
AM03-014756A
AM03-017244B
AM03-017245C
J90833316A
AM03-020587A
2
2 2 2
2
DC POWER(350W)
(12V)
(GND)
AC IN
5/3.3/12/-12/VDC
PE03
2
2
2
SM33_PW026
FROM CP1
1L2
1L1
AC220V
OUTLETINLET
UPS OPTION INSTALL
-UPS
(1600VA)
1L1 1L2
0.75mm(BLK)
912
58
RY 11
SC-CN24
+24V
24G
SM48C_PW044
14
13
SM48C_PW145-1
0.75mm
(RIGHT SIDE)
-FAN1
-FUSE5 (AC250V,5A)
-FAN2
0.75mm
1L1 1L2(F3) 1L1
0.75mm
1L1 1L2
-FUSE3 (AC250V,5A)
-FAN3
(LEFT SIDE)
-FAN4
1L1
1L1
1L2(F4)
-FUSE4 (AC250V,5A)
1L2
(SERVO DRIVER RACK)
-FAN5
1L2(F5)
1L21L1
SM-FAN00
SM471_PW112_LT
-PUMP
TO FRONT
1.5mm(BLK)
PC RACK
POWER SUPPLY
(SM48C_PW021)
(SM48C_PW022)
0.5mm(BLK)
0.5mm(BLK)
RACK FAN
0.6A(Max 1.2A)
MONITOR
TO REAR
MONITOR
0.75mm
0.1A
0.1A
0.1A
0.1A
0.1A
0.1A
SM48_PW113_LT
SM48_PW113_LT
6A
6C
1A
1C
1A1A
6A
1A1A
B
AA
B
6D
1B
A
2B
7D
B
8D
3B
(SM482_PW000_LT)
2
1
3
4
5
6
7
8
9