LmrNXT3 - 第79页
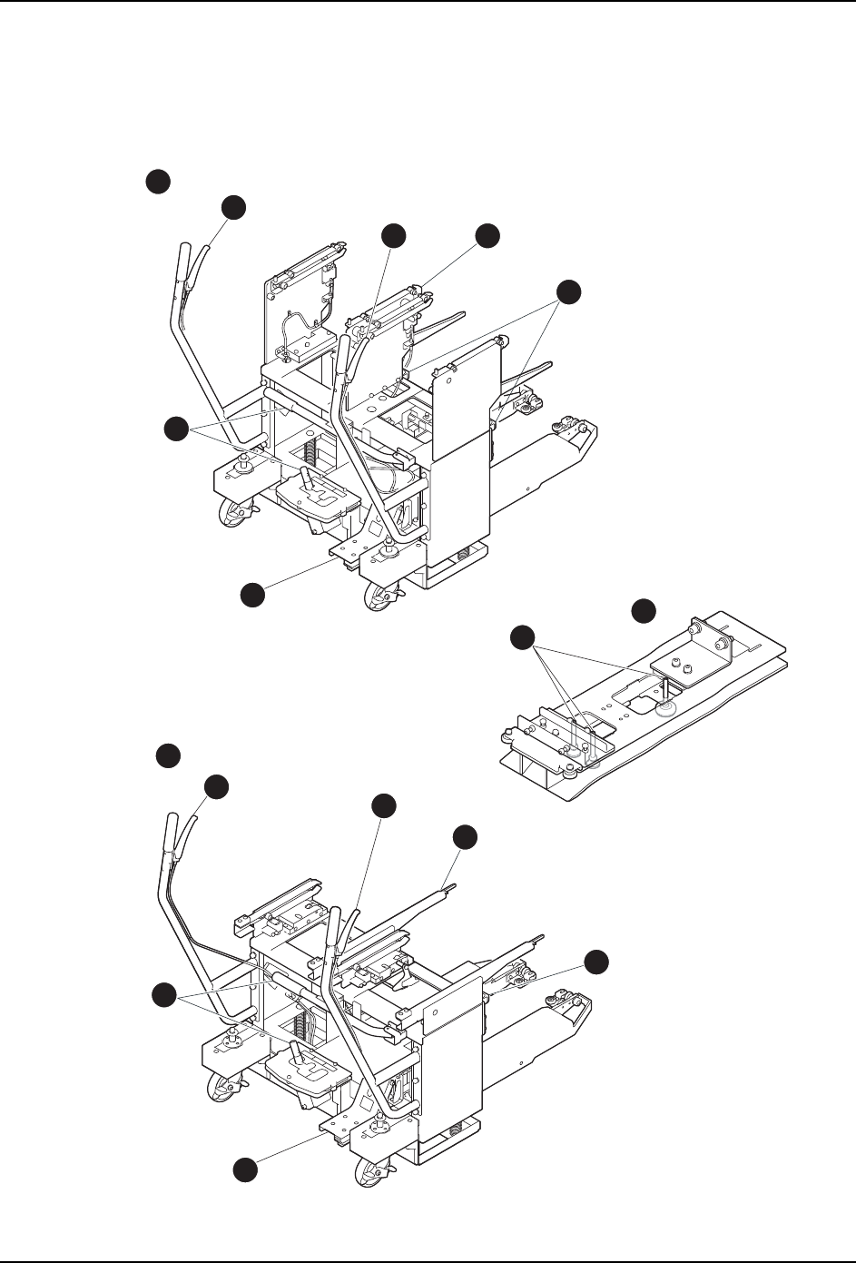
MEC-NXT3-004S0 2. 机器构成和功能说明 NXT III 机械手册 55 2.2.19 PCU-2( 托架更换推车 ) 构成部件 PCU-2 是为了从模组拆下料站托架或者安装到模组上 时使用的推车。 使用 PCU-2 的时候,在 基座上安装专用的 PCU 导轨。PCU-2 和 PCU 导轨 有电路板搬运高度为 900m m、920mm、950mm 的3种 。 01MEC-1368 2 3 4 7 5 6 1 9 10 8 …

2. 机器构成和功能说明 MEC-NXT3-004S0
54 NXT III 机械手册
2.2.18 不良元件排出单元
不良元件排出单元搭载在料站托架上,排出根据影像处理结果判断为不能贴装的元件。
NO. 名称 NO. 名称
1 元件排出搬运轨道 -M 3 搬运轨道传送带
2 元件排出搬运轨道 -L 4 夹紧扳手
01MEC-1367
2
3
4
1
3
4

MEC-NXT3-004S0 2. 机器构成和功能说明
NXT III 机械手册 55
2.2.19 PCU-2( 托架更换推车 ) 构成部件
PCU-2 是为了从模组拆下料站托架或者安装到模组上时使用的推车。使用 PCU-2 的时候,在
基座上安装专用的 PCU 导轨。PCU-2 和 PCU 导轨有电路板搬运高度为 900mm、920mm、950mm
的3种。
01MEC-1368
2
3
4
7
5
6
1
9
10
8
4
7
5
6
9
8

2. 机器构成和功能说明 MEC-NXT3-004S0
56 NXT III 机械手册
2.2.20 MCU (模组更换推车)构成部件
是将模组从基座上拆除时或者安装到模组上时用的推车。在 MCU 上可以搭载 2 台 M3-3 模组
或1台M6-3模组。
NO. 名称 NO. 名称
1 对应标准料站托架的 PCU-2 6 踏脚板
2 PCU 导轨 7 右扳手
3 对应料斗型托架的 PCU-2 8 导轨
4 下部门 9 仅限于 M3-3 模组
5 调整高度手柄 10 调整高度螺栓
NO. 名称 NO. 名称
1 导轨 3 调整导轨高度手柄
2 升降部 4 调整水平手柄
01MEC-1369
2
3
4
1