ThermoFlex-Manual - 第66页
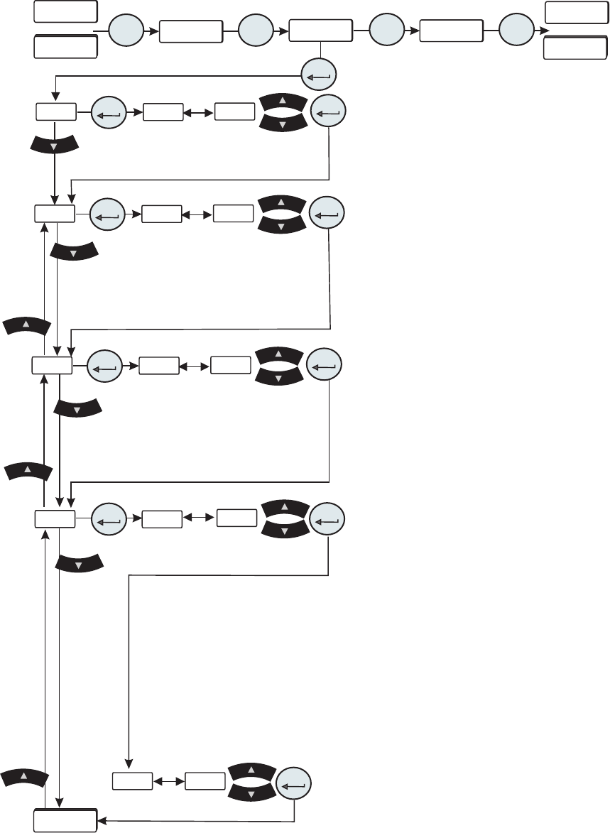
Section 4 4-8 ThermoFlex Thermo Scientific Figure 4-6 Setup Loop (All Chillers) • Lo P1 is the pump's Low Pressure disc harg e alar m limit. T 0 T 1 Pump Range: 3 to 100 PS I Def ault: 4 PSI T 5 Pump Range: 4 to 105 …

Section 4
ThermoFlex 4-7
Thermo Scientific
diA9
SP
SEtuP
enter
mode
mode
mode
mode
xx.x C
xx.x C
xx
xx
Hi t
UnitS
Lo t
Lo t
xx
xx
xx
xx
Hi P1
Lo P1
Hi P1
dELAY
enter
enter
enter
enter
enter
enter
enter
enter
enter
Hi t
UnitS
degx
Lo P1
Figure 4-6 Setup Loop (All Chillers)
or
or
Continued on next page.
• UnitS are the temperature, uid ow (only chillers with an
optional ow transducer) and pressure display scales.
Scales:
°C or °F Defaults: °C
GPM or LPM GPM
PSI, Bar or kPa PSI
• Hi t is the uid's High Temperature alarm limit.
Range:
+3°C to +42°C Default: +42°C
Exceeding this limit ashes Hi t and, if enabled, sounds the
alarm. The chiller reaction depends on the alarm conguration
(see ALr on next page).
• Lo t is the uid's Low Temperature alarm limit.
Range: +3°C to +42°C
Default: +3°C
Falling below this limit ashes Lo t and, if enabled, sounds
the alarm. The chiller reaction depends on the alarm
conguration (see ALr on next page).
• Hi P1 is the pump's High Pressure discharge alarm limit.
T 1 T 0 Pump Range: 3 to 100 PSI Default: 100 PSI
T 5 Pump Range: 2 to 105 PSI Default: 105 PSI
P 1 P 2 Pump Range: 3 to 100 PSI Default: 100 PSI
P 3 Pump 60Hz Range: 3 to 46 PSI Default: 46 PSI
P 3 Pump 50Hz Range: 3 to 32 PSI Default: 32 PSI
P 4 Pump 60Hz Range: 3 to 85 PSI Default: 85 PSI
P 4 Pump 50Hz Range: 3 to 60 PSI Default: 60 PSI
P 5 Pump 60Hz Range: 3 to 87 PSI Default: 87 PSI
P 5 Pump 50Hz Range: 3 to 56 PSI Default: 56 PSI
Exceeding this limit ashes Hi P1 and, if enabled, sounds
the alarm (see Sound on next page).
• dELAY is the length of time the pump can exceed the
Hi P1 alarm limit. Note This feature is only active if the
chiller is congured to shut down with a pressure alarm.
P
1, P 2, T 0 and T 1 Range: 0 to 30 seconds
Default: 0 seconds
P 3 - P 5, T 5 Range: 0 to 60 seconds Default: 0 seconds
Exceeding this limit ashes Hi P1 and, if enabled, sounds
the alarm. The chiller reaction depends on the alarm
conguration (see ALr on next page).

Section 4
4-8 ThermoFlex
Thermo Scientific
Figure 4-6 Setup Loop (All Chillers)
• Lo P1 is the pump's Low Pressure discharge alarm
limit.
T 0 T 1 Pump Range: 3 to 100 PSI Default: 4 PSI
T 5 Pump Range: 4 to 105 PSI Default: 4 PSI
P 1 P 2 Pump Range: 3 to 100 PSI Default: 4 PSI
P 3 Pump 60Hz Range: 3 to 46 PSI Default: 4 PSI
P 3 Pump 50Hz Range: 3 to 32 PSI Default: 4 PSI
P 4 Pump 60Hz Range: 3 to 85 PSI Default: 4 PSI
P 4 Pump 50Hz Range: 3 to 60 PSI Default: 4 PSI
P 5 Pump 60Hz Range: 3 to 87 PSI Default: 4 PSI
P 5 Pump 50Hz Range: 3 to 56 PSI Default: 4 PSI
Going below this limit ashes Lo P1 and, if enabled,
sounds the alarm.
• dELAY is the length of time the pump can exceed
the Lo P1 alarm limit. Note This feature is only active
if the chiller is congured to shut down with a pressure
alarm.
Range: 0 to 30 seconds
Default: 10 seconds
Exceeding this limit ashes Lo P1 and, if enabled,
sounds the alarm. The chiller reaction depends on the
ALr alarm conguration set below.
• ALr is used to congure the chiller's reaction for
exceeding an alarm limit (temperature, pressure and
optional ow). The chiller will either shut down (FLt)
or continue to run (indC). In each conguration, the
controller will display the error code and sound the
audible alarm, if enabled.
Range:
FLt or indC Default: FLt
• FAnSP is used to control the fan speed (air-cooled
2500 only). Auto allows the fan to run under the
conditions listed in Section 3. Selecting Hi allows
the fan to run at high speed all the time. Note Hi is
required for chillers to achieve a ThermoFlex2500 watt
cooling capacity.
Range:
Auto or Hi Default: Auto
• Sound is used to enable/disable the audible alarm.
Range:
on or oFF Default: on
Continued on next page.
Continued from previous page
enter
enter
enter
Sound
FAnSP
ALr
Lo P1
Lo P1
xx
xx
on
Auto
oFF
Hi
Sound
FAnSP
enter
enter
StArt
ALr
enter
FLt
indC
enter
enter
enter
dELAY

Section 4
ThermoFlex 4-9
Thermo Scientific
Figure 4-6 Setup Loop (All Chillers)
• StArt is used to enable/disable the auto restart
function. When enabled the chiller will automatically
restart after a power failure or power interruption
condition.
Range:
on or oFF Default: oFF
NOTE Consider any possible risks before enabling
this mode of operation.
• CArE is used to set the preventive care cleaning
frequency reminder for the chiller's air and uid
lters, in hours. The time selected is based on your
operating environment, see Section 6.
Range:
off Default: L1
L1 (1000 hours)
L2 (2000 hours)
L3 (3000 hours)
Off disables the reminder. Exceeding this limit
ashes FLtrS, see Section 6.
Note If your chiller is equipped with any of the
Optional Features refer to the next page.
When the display indicates StorE press
to save all changes or press to not save
all changes. The display will return either the process
uid temperature or, if the chiller was off when you
entered the loop, a blank screen.
Continued from previous page
xx
on
oFF
Lx
CArE
AUto
StorE
StArt
CArE
enter
enter
enter
enter
Save all changes
Do not save all changes