90011772-0102(E-series_electric_schematic) - 第35页
Sheet Size DIN A2 E-series_electric_schematic_complete Ed. Original 90011772-010201HX9 version_service_11.2014 liyang Date Date Replaced by Block_diagram DLM&TH2 Head DLM Head 03047768-010701KX3 Modification Appr Rep…

Sheet
Size DIN A2
E-series_electric_schematic_complete
E-series_electric_schematic_complete
E-series_electric_schematic_complete
E-series_electric_schematic_complete
90011772-010201HX9
Replaced by
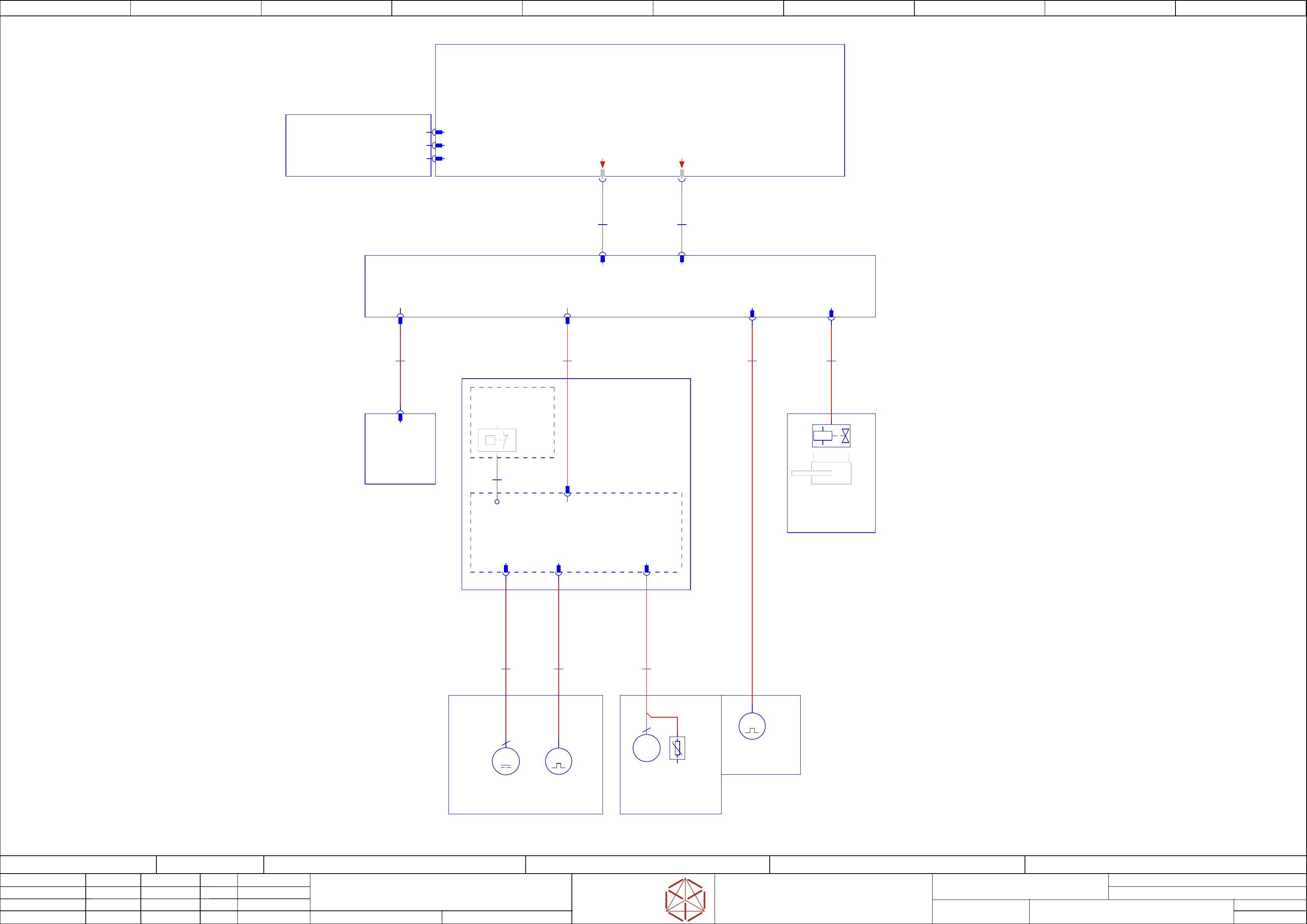
Block_diagram DLM4_Head
Block_diagram DLM4_Head
Block_diagram DLM4_Head
Block_diagram DLM4_Head
Replaced by
31
overview
Weitergabe sowie Vervielfältigung dieser Unterlage, Verwertung und
Mitteilung des Inhalts nicht gestattet, soweit nicht ausdrücklich zugestanden.
Proprietary Data, company confidential.
All rights reserved
Copying of this document, giving it to others and the use or
communication of the contents thereof, are forbidden without express authority.
Doc. No.
00 01 02 03 04 05 06 07 08 09
Privileged business information.
Do not release
Offenders are liable to payment of damages. All rights are reserved in the
event of the grant or the registration of a utility model or design.
Zuwiederhandlungen verpflichten zu Schadenersatz. Alle Rechte vorbehalten,
insbesondere für den Fall der Patenterteilung oder GM-Eintragung vorbehalten.
Page:
Function: Overview
==OV=E12+HD/31
drawing number:
DLM4_Head
DLM4_Head
DLM4_Head
DLM4_Head
GmbH & Co KG
ASM
Assembly Systems
Copyright reserved
Ed.
Original
liyang
Date
Date
Modification
Appr
14/11/2014
Name
-XCU
-XCU
-XCU
-XCU
Display
LED22
-XE167
-XE167
-XE167
-XE167
Display
LED23
U
U
Counter
VAC-S1
VAC-S1
VAC-S1
VAC-S1
hold-circuit
hold-circuit
hold-circuit
hold-circuit
VAC-S2
VAC-S2
VAC-S2
VAC-S2
set-circuit
set-circuit
set-circuit
set-circuit
elektronic-assembly
elektronic-assembly
elektronic-assembly
elektronic-assembly
03083835
03083835
03083835
03083835
G
-M3.TS
-M3.TS
-M3.TS
-M3.TS
Turn_Station
Turn_Station
Turn_Station
Turn_Station
DC_Motor Maxon_S2322 (18V/6W)
(G = no Speed detect)
00320628
M
2
E
G
- Service-connection -
- Service-connection -
- Service-connection -
- Service-connection -
Z-Lifting
Flex-tupe
E
E
"S0"
"S1"
"R_XCU"
"R_X167"
"GANTRY_ID0"
"GANTRY_ID1"
2
3
4
5
6
-SW2
-SW2
-SW2
-SW2
1
**Option**
*Default set all to off
*Default set all to off
*Default set all to off
*Default set all to off
-M1.Z
-M1.Z
-M1.Z
-M1.Z
Z-Axis/Speedo/Encoder
Z-Axis/Speedo/Encoder
Z-Axis/Speedo/Encoder
Z-Axis/Speedo/Encoder
00341011
M
2
-ac.1
-ac.1
-ac.1
-ac.1
Gantry Head Interface
DLM-Head
03102932
-X11
-X11
-X11
-X11
TEST
XE167
-ae
-ae
-ae
-ae
MHCU-Module
03090976
-X1
-X1
-X1
-X1
-X2
-X2
-X2
-X2
-X16
-X16
-X16
-X16
-X13
-X13
-X13
-X13
-X25
-X25
-X25
-X25
Service
-X29
-X29
-X29
-X29
Service
JTAG-UHM
-X33
-X33
-X33
-X33
JTAG
XE167
-X17
-X17
-X17
-X17
BE-Sensor
-ag
-ag
-ag
-ag
intermediate-distributor
SP6 12 digital DLM4
03082809
-X2
-X2
-X2
-X2
Distributor
Star-Motor
-X1
-X1
-X1
-X1
Distributor
Z-Motor
-X24
-X24
-X24
-X24
03084789
03084789
03084789
03084789
40x0,14
Flat Cable
-W1
-W1
-W1
-W1
-X1
-X1
-X1
-X1
-X26
-X26
-X26
-X26
-X10
-X10
-X10
-X10
Light-sensor-top
Z-Axis
-X11
-X11
-X11
-X11
Sensor-down
Z-Axis
-X3
-X3
-X3
-X3
Z-Motor
-X4
-X4
-X4
-X4
Z-Motor Encoder
-X5
-X5
-X5
-X5
Star-Motor
-X12
-X12
-X12
-X12
Star-Motor Encoder
-X6
-X6
-X6
-X6
blow-unit
-X7
-X7
-X7
-X7
Turn-Motor Encoder
-B1
-B1
-B1
-B1
Light-Sensor
Z-Axis above
03053294
-B2
-B2
-B2
-B2
Sensor
Z-Axis down
00321524
-X10
-X10
-X10
-X10
03053294
03053294
03053294
03053294
10x0,08 (AWG28)
Flat Cable
-W10
-W10
-W10
-W10
-X11
-X11
-X11
-X11
00321524
00321524
00321524
00321524
3x0,09
Flat Cable
-W11
-W11
-W11
-W11
-A1
-A1
-A1
-A1
Z-Motor dejam-board
03082806
-X3
-X3
-X3
-X3
03082806
03082806
03082806
03082806
4x0,25
Litz-wire
-W3
-W3
-W3
-W3
-X1
-X1
-X1
-X1
Motor/Speedo
-X1.A1
-X1.ENC
Z_MOT
LP1-5
-M2.S
-M2.S
-M2.S
-M2.S
Star_Motor_C28
03018507
3+PE
3~
M
-X5
-X5
-X5
-X5
03031187
03031187
03031187
03031187
8x0,5
Motor litz-wire
-W5
-W5
-W5
-W5
-X2.ENC
-X12
-X12
-X12
-X12
03031187
03031187
03031187
03031187
10x0,14
Encoder-cable
-W12
-W12
-W12
-W12
-Y1
-Y1
-Y1
-Y1
Blow-unit
GAS MV 15 D 2-2
03003526
-X6
-X6
-X6
-X6
03003526
03003526
03003526
03003526
2x0,14
Valve-wire
-W6
-W6
-W6
-W6
03084789
03084789
03084789
03084789
40x0,14
Flat Cable
-W2
-W2
-W2
-W2
-X2
-X2
-X2
-X2
-A3
-A3
-A3
-A3
DP-Motor dejam-board
03082808
-X28
-X28
-X28
-X28
-W25
-W25
-W25
-W25
4x0,25
-X22
-X22
-X22
-X22
-W20
-W20
-W20
-W20
10x0,14 (AWG26)
LP1-4
-X1.ENC_TS
-M2.S
-M2.S
-M2.S
-M2.S
Star-Motor C28 kpl.
03031187
00335990
00335990
00335990
00335990
10x0,08 (AWG28)
Flat Cable
-W7
-W7
-W7
-W7
-M4.TSU
-M4.TSU
-M4.TSU
-M4.TSU
Steppermotor
Steppermotor
Steppermotor
Steppermotor
turn-set-unit
turn-set-unit
turn-set-unit
turn-set-unit
03029481
M
4
-A4
-A4
-A4
-A4
Steppermotor
turn-set-unit
03048125
Counter
-A5
-A5
-A5
-A5
Steppermotor
valve-set-unit
03048533
-M5.VSU
-M5.VSU
-M5.VSU
-M5.VSU
Steppermotor
Steppermotor
Steppermotor
Steppermotor
valve-set-unit
valve-set-unit
valve-set-unit
valve-set-unit
ESCAP P110.34
00368094
M
4
-X23
-X23
-X23
-X23
03048533
03048533
03048533
03048533
10x0,14 (AWG26)
Motor-Cable
-W23
-W23
-W23
-W23
-A6
-A6
-A6
-A6
Vacuum-board
00363738
-P1
amplify
-P2
offset
-P3
amplify
-P4
offset
-X1
-X1
-X1
-X1
-X1
-X1
-X1
-X1
00363738
00363738
00363738
00363738
16x0,09 (AWG28)
Flat-Cable
-W23
-W23
-W23
-W23
-X14
-X14
-X14
-X14
03082806
03082806
03082806
03082806
4x0,14
Encoder Cable
-W4
-W4
-W4
-W4
-X4
-X4
-X4
-X4 -X7
-X7
-X7
-X7
LED18
LED RD
"ZHS-ERR"
LED9
LED RD
"DZS-ERR"
"Z-D-A"
"Z-D-A"
"Z-D-A"
"Z-D-A"
LED Green
LED Green
LED Green
LED Green
LED10
"ZHS_INT"
"ZHS_INT"
"ZHS_INT"
"ZHS_INT"
LED Green
LED Green
LED Green
LED Green
LED1
"DZS_INT"
"DZS_INT"
"DZS_INT"
"DZS_INT"
LED4
"Z_UP"
"Z_UP"
"Z_UP"
"Z_UP"
LED5
"Z_DOWN"
"Z_DOWN"
"Z_DOWN"
"Z_DOWN"
LED6
"LED22 OK"
"LED22 OK"
"LED22 OK"
"LED22 OK"
LED8
-ENC.TS
-ENC.TS
-ENC.TS
-ENC.TS
Encoder turn-station
00335990
-ENC
-ENC
-ENC
-ENC
Star_Encoder
DGVHS DLM 100F 50ns/900strokes
03098823
LP5-8
"LED23 OK"
"LED23 OK"
"LED23 OK"
"LED23 OK"
LED11
"AIR"
"AIR"
"AIR"
"AIR"
LED7
"FPGA Ok"
"FPGA Ok"
"FPGA Ok"
"FPGA Ok"
LED13
"Base_Power Fail"
"Base_Power Fail"
"Base_Power Fail"
"Base_Power Fail"
LED RED
LED RED
LED RED
LED RED
LED2
"EMERGENCY_STOP"
"EMERGENCY_STOP"
"EMERGENCY_STOP"
"EMERGENCY_STOP"
LED3
"Local_Power Fail"
"Local_Power Fail"
"Local_Power Fail"
"Local_Power Fail"
LED16
"X Motor_Temperature"
"X Motor_Temperature"
"X Motor_Temperature"
"X Motor_Temperature"
LED24
"LED22 ERROR"
"LED22 ERROR"
"LED22 ERROR"
"LED22 ERROR"
LED14
"+V-LS"
"+V-LS"
"+V-LS"
"+V-LS"
LED RED
LED RED
LED RED
LED RED
LED19
"LED23 ERROR"
"LED23 ERROR"
"LED23 ERROR"
"LED23 ERROR"
LED15
-J1
-J1
-J1
-J1
-J2
-J2
-J2
-J2-J3
-J3
-J3
-J3
-X2
-X2
-X2
-X2
-X1
-X1
-X1
-X1
-X2
-X2
-X2
-X2 -X1
-X1
-X1
-X1
-X1
-X1
-X1
-X1
-X2
-X2
-X2
-X2
-X24.ac1
-X24.ac1
-X24.ac1
-X24.ac1
DLM Distribution X24
+GA/28.02
-X26.ac1
-X26.ac1
-X26.ac1
-X26.ac1
DLM Distribution X26
+GA/28.02
-X28.ac1
-X28.ac1
-X28.ac1
-X28.ac1
DLM Distribution X28
+GA/28.03
-X22.ac1
-X22.ac1
-X22.ac1
-X22.ac1
DLM Distribution X22
+GA/28.03
-X23.ac1
-X23.ac1
-X23.ac1
-X23.ac1
DLM Distribution X23
+GA/28.03
-X14.ac1
-X14.ac1
-X14.ac1
-X14.ac1
DLM Distribution X14
+GA/28.04

Sheet
Size DIN A2
E-series_electric_schematic_complete
Ed.
Original
90011772-010201HX9
version_service_11.2014
liyang
Date
Date
Replaced by
Block_diagram DLM&TH2 Head
DLM Head
03047768-010701KX3
Modification
Appr
Replaced by
14/11/2014
32
Name
overview
Weitergabe sowie Vervielfältigung dieser Unterlage, Verwertung und
Mitteilung des Inhalts nicht gestattet, soweit nicht ausdrücklich zugestanden.
Proprietary Data, company confidential.
All rights reserved
Copying of this document, giving it to others and the use or
communication of the contents thereof, are forbidden without express authority.
Doc. No.
GmbH & Co KG
ASM
Assembly Systems
Copyright reserved
00 01 02 03 04 05 06 07 08 09
Privileged business information.
Do not release
Offenders are liable to payment of damages. All rights are reserved in the
event of the grant or the registration of a utility model or design.
Zuwiederhandlungen verpflichten zu Schadenersatz. Alle Rechte vorbehalten,
insbesondere für den Fall der Patenterteilung oder GM-Eintragung vorbehalten.
Page:
Function: Overview
==OV=E12+HD/32
5/
drawing number:
-XCU
-XCU
-XCU
-XCU
Display
LED22
-XE167
-XE167
-XE167
-XE167
Display
LED23
+DLM_TH2
U
U
+DLM_TH2
Counter
VAC-S1
VAC-S1
VAC-S1
VAC-S1
hold-circuit
hold-circuit
hold-circuit
hold-circuit
VAC-S2
VAC-S2
VAC-S2
VAC-S2
set-circuit
set-circuit
set-circuit
set-circuit
elektronic-assembly
elektronic-assembly
elektronic-assembly
elektronic-assembly
03083835
03083835
03083835
03083835
G
-M3.TS
-M3.TS
-M3.TS
-M3.TS
Turn_Station
Turn_Station
Turn_Station
Turn_Station
DC_Motor Maxon_S2322 (18V/6W)
(tacho combination)
00320628-02
M
2
E
G
-M1.Z
-M1.Z
-M1.Z
-M1.Z
Z-Axis/Speedo/Encoder
Z-Axis/Speedo/Encoder
Z-Axis/Speedo/Encoder
Z-Axis/Speedo/Encoder
00341011-02
M
2
Z-Lifting
Flex-tupe
E
E
"S0"
"S1"
"R_XCU"
"R_X167"
"GANTRY_ID0"
"GANTRY_ID1"
2
3
4
5
6
-SW2
-SW2
-SW2
-SW2
1
**Option**
- Service-connection -
- Service-connection -
- Service-connection -
- Service-connection -
DLM&TH2 Head
DLM&TH2 Head
DLM&TH2 Head
DLM&TH2 Head
-ac.2
-ac.2
-ac.2
-ac.2
Gantry Head Interface
DLM+TH2-Head
03102934
-af
-af
-af
-af
MHCU-Module
03090976-03
-X1
-X1
-X1
-X1
-X2
-X2
-X2
-X2
-X16
-X16
-X16
-X16
-X13
-X13
-X13
-X13
-X17
-X17
-X17
-X17
BE-Sensor
-ag
-ag
-ag
-ag
intermediate-distributor
SP6 12 digital DLM4
03082809
-X2
-X2
-X2
-X2
Distributor
Star-Motor
-X1
-X1
-X1
-X1
Distributor
Z-Motor
-X24
-X24
-X24
-X24
40x0,14
-W1
-W1
-W1
-W1
-X1
-X1
-X1
-X1
-X26
-X26
-X26
-X26
-X10
-X10
-X10
-X10
Light-sensor-top
Z-Axis
-X11
-X11
-X11
-X11
Sensor-down
Z-Axis
-X3
-X3
-X3
-X3
Z-Motor
-X4
-X4
-X4
-X4
Z-Motor Encoder
-X5
-X5
-X5
-X5
Star-Motor
-X12
-X12
-X12
-X12
Star-Motor Encoder
-X6
-X6
-X6
-X6
blow-unit
-X7
-X7
-X7
-X7
Z-Motor Encoder
-B1
-B1
-B1
-B1
Light-Sensor
Z-Axis above
03053294-01
-B2
-B2
-B2
-B2
Sensor
Z-Axis down
00321524-05
-X10
-X10
-X10
-X10
03053294
03053294
03053294
03053294
10x0,08 (AWG28)
Flat Cable
-W10
-W10
-W10
-W10
-X11
-X11
-X11
-X11
00321524
00321524
00321524
00321524
3x0,09
Flat Cable
-W11
-W11
-W11
-W11
-A1
-A1
-A1
-A1
Z-Motor dejam-board
03082806-01
-X3
-X3
-X3
-X3
03082806
03082806
03082806
03082806
4x0,25
Litz-wire
-W3
-W3
-W3
-W3
-X1
-X1
-X1
-X1
Motor/Speedo
-X1.A1
-X1.ENC
Z_MOT
LP1-5
-M2.S
-M2.S
-M2.S
-M2.S
Star_Motor_C28
03018507-01
3+PE
3~
M
-X5
-X5
-X5
-X5
03031187
03031187
03031187
03031187
8x0,5
Motor litz-wire
-W5
-W5
-W5
-W5
-X2.ENC
-X12
-X12
-X12
-X12
03031187
03031187
03031187
03031187
10x0,14
Encoder-cable
-W12
-W12
-W12
-W12
-Y1
-Y1
-Y1
-Y1
Blow-unit
GAS MV 15 D 2-2
03003526-03
-X6
-X6
-X6
-X6
03003526
03003526
03003526
03003526
2x0,14
Valve-wire
-W6
-W6
-W6
-W6
40x0,14
-W2
-W2
-W2
-W2
-X2
-X2
-X2
-X2
-A3
-A3
-A3
-A3
DP-Motor dejam-board
03082808-01
-X28
-X28
-X28
-X28
4x0,25
Motor Cable
-W25
-W25
-W25
-W25
-X22
-X22
-X22
-X22
10x0,14 (AWG26)
Motor Flat-Cable
-W20
-W20
-W20
-W20
LP1-4
-X1.ENC_TS
-M2.S
-M2.S
-M2.S
-M2.S
Star-Motor C28 kpl.
03031187-03
00335990
00335990
00335990
00335990
10x0,08 (AWG28)
Flat Cable
-W7
-W7
-W7
-W7
-M4.TSU
-M4.TSU
-M4.TSU
-M4.TSU
Steppermotor
Steppermotor
Steppermotor
Steppermotor
turn-set-unit
turn-set-unit
turn-set-unit
turn-set-unit
03029481-02
M
4
-A4
-A4
-A4
-A4
Steppermotor
turn-set-unit
03048125-01
+DLM_TH2
Counter
-A5
-A5
-A5
-A5
Steppermotor
valve-set-unit
03048533-02
-M5.VSU
-M5.VSU
-M5.VSU
-M5.VSU
Steppermotor
Steppermotor
Steppermotor
Steppermotor
valve-set-unit
valve-set-unit
valve-set-unit
valve-set-unit
ESCAP P110.34
00368094-01
M
4
-X23
-X23
-X23
-X23
10x0,14 (AWG26)
Motor-Cable
-W23
-W23
-W23
-W23
-A6
-A6
-A6
-A6
Vacuum-board
00363738-02
-P1
amplify
-P2
offset
-P3
amplify
-P4
offset
-X1
-X1
-X1
-X1
-X1
-X1
-X1
-X1
00363738
00363738
00363738
00363738
16x0,09 (AWG28)
Flat-Cable
-W23
-W23
-W23
-W23
-X23
-X23
-X23
-X23
03082806
03082806
03082806
03082806
4x0,14
Encoder Cable
-W4
-W4
-W4
-W4
-X4
-X4
-X4
-X4 -X7
-X7
-X7
-X7
LED18
LED RD
"ZHS-ERR"
LED9
LED RD
"DZS-ERR"
"Z-D-A"
"Z-D-A"
"Z-D-A"
"Z-D-A"
LED Green
LED Green
LED Green
LED Green
LED10
"ZHS_INT"
"ZHS_INT"
"ZHS_INT"
"ZHS_INT"
LED Green
LED Green
LED Green
LED Green
LED1
"DZS_INT"
"DZS_INT"
"DZS_INT"
"DZS_INT"
LED4
"Z_UP"
"Z_UP"
"Z_UP"
"Z_UP"
LED5
"Z_DOWN"
"Z_DOWN"
"Z_DOWN"
"Z_DOWN"
LED6
"LED22 OK"
"LED22 OK"
"LED22 OK"
"LED22 OK"
LED8
-ENC.TS
-ENC.TS
-ENC.TS
-ENC.TS
Encoder turn-station
00335990-06
-ENC
-ENC
-ENC
-ENC
Star_Encoder
DGVHS DLM 100F 50ns/900strokes
03098823-01
LP5-8
"LED23 OK"
"LED23 OK"
"LED23 OK"
"LED23 OK"
LED11
"AIR"
"AIR"
"AIR"
"AIR"
LED7
"FPGA Ok"
"FPGA Ok"
"FPGA Ok"
"FPGA Ok"
LED13
"Base_Power Fail"
"Base_Power Fail"
"Base_Power Fail"
"Base_Power Fail"
LED RED
LED RED
LED RED
LED RED
LED2
"EMERGENCY_STOP"
"EMERGENCY_STOP"
"EMERGENCY_STOP"
"EMERGENCY_STOP"
LED3
"Local_Power Fail"
"Local_Power Fail"
"Local_Power Fail"
"Local_Power Fail"
LED16
"X Motor_Temperature"
"X Motor_Temperature"
"X Motor_Temperature"
"X Motor_Temperature"
LED24
"LED22 ERROR"
"LED22 ERROR"
"LED22 ERROR"
"LED22 ERROR"
LED14
"+V-LS"
"+V-LS"
"+V-LS"
"+V-LS"
LED RED
LED RED
LED RED
LED RED
LED19
"LED23 ERROR"
"LED23 ERROR"
"LED23 ERROR"
"LED23 ERROR"
LED15
-J1
-J1
-J1
-J1
-J2
-J2
-J2
-J2-J3
-J3
-J3
-J3
-X2
-X2
-X2
-X2
-X1
-X1
-X1
-X1
-X2
-X2
-X2
-X2 -X1
-X1
-X1
-X1
-X1
-X1
-X1
-X1
-X2
-X2
-X2
-X2
-X11
-X11
-X11
-X11
TEST
XE167
-X25
-X25
-X25
-X25
Service
-X29
-X29
-X29
-X29
Service
JTAG-UHM
-X33
-X33
-X33
-X33
JTAG
XE167
-X4
-X4
-X4
-X4
Valve Control
-X4
-X4
-X4
-X4
03110023
03110023
03110023
03110023
2x0,25
Festo 15195768
-W26.1
-W26.1
-W26.1
-W26.1
-Y3
-Y3
-Y3
-Y3
(Head interface board)
Festo VUVG-L10-P53U-T-Q6-1H2L-SA
15195775
03104623-01
-X24.ac2
-X24.ac2
-X24.ac2
-X24.ac2
DLM Distribution X24
+GA/28.04
-X26.ac2
-X26.ac2
-X26.ac2
-X26.ac2
DLM Distribution X26
+GA/28.05
-X28.ac2
-X28.ac2
-X28.ac2
-X28.ac2
DLM Distribution X28
+GA/28.05
-X22.ac2
-X22.ac2
-X22.ac2
-X22.ac2
DLM Distribution X22
+GA/28.05
-X23.ac2
-X23.ac2
-X23.ac2
-X23.ac2
DLM Distribution X23
+GA/28.06
-X14.ac2
-X14.ac2
-X14.ac2
-X14.ac2
DLM Distribution X14
+GA/28.06

Sheet
Size DIN A2
E-series_electric_schematic_complete
Ed.
Original
90011772-010201HX9
version_service_11.2014
liyang
Date
Date
Replaced by
Block_diagram DLM&TH2 Head
TH2 Head
03001095-060201KE3
Modification
Appr
Replaced by
14/11/2014
33
Name
overview
Weitergabe sowie Vervielfältigung dieser Unterlage, Verwertung und
Mitteilung des Inhalts nicht gestattet, soweit nicht ausdrücklich zugestanden.
Proprietary Data, company confidential.
All rights reserved
Copying of this document, giving it to others and the use or
communication of the contents thereof, are forbidden without express authority.
Doc. No.
GmbH & Co KG
ASM
Assembly Systems
Copyright reserved
00 01 02 03 04 05 06 07 08 09
Privileged business information.
Do not release
Offenders are liable to payment of damages. All rights are reserved in the
event of the grant or the registration of a utility model or design.
Zuwiederhandlungen verpflichten zu Schadenersatz. Alle Rechte vorbehalten,
insbesondere für den Fall der Patenterteilung oder GM-Eintragung vorbehalten.
Page:
Function: Overview
==OV=E12+HD/33
5/
drawing number:
-B4
Encoder
P&P module
DLM&TH2 Head
DLM&TH2 Head
DLM&TH2 Head
DLM&TH2 Head
-ac.2
-ac.2
-ac.2
-ac.2
Gantry Head Interface
DLM+TH2-Head
03102934
-B3
-B3
-B3
-B3
Z-axis-encoder
03000102-02
-A7
-A7
-A7
-A7
Head mainboard P+P head
inter-distribution
00352833
-X30
-X31
-X8
-X21
-X4
-X24
-A9
-A9
-A9
-A9
Force measurement board-centering
00352809
-W3
-W3
-W3
-W3
03058802
03058802
03058802
03058802
26x0,051 (AWG30)
-X30*d
-X30*v
-X31*v
-X31*d
-W2
-W2
-W2
-W2
03106871
03106871
03106871
03106871
50x0,14
-W1
-W1
-W1
-W1
03106871
03106871
03106871
03106871
50x0,14
-W6
-W6
-W6
-W6
03005289
03005289
03005289
03005289
30x
-W4
-W4
-W4
-W4
03000102
03000102
03000102
03000102
8x
-W5
-W5
-W5
-W5
03001361
03001361
03001361
03001361
2x
-B4
-B4
-B4
-B4
Force transducer
03000100
-A8
-A8
-A8
-A8
Force measurement unit
03012783-02
-W7
-W7
-W7
-W7
03000100
03000100
03000100
03000100
4x
3+PE
3~
M
-W8
-W8
-W8
-W8
00353135
00353135
00353135
00353135
5x
-M2
-M2
-M2
-M2
DP-Unit P+P - Modul
03014683-03
-W9
-W9
-W9
-W9
03014681
03014681
03014681
03014681
4x
-W10
-W10
-W10
-W10
03000046
03000046
03000046
03000046
8x
-M1
-M1
-M1
-M1
Z-axis linear drive
P&P module 1
00353135-03
-X8
-K1
-K1
-K1
-K1
Pressur
control valve
03058802-02
-Y2
-Y2
-Y2
-Y2
Pull-back cylinder
03001361-01
P
-R_Th
-DM2
P310 disc
magnet motor
03014681-02
2
M
-ae
-ae
-ae
-ae
MHCU -CM
03090993-03
-X6
-X6
-X6
-X6
-X2
-X2
-X2
-X2
-X1
-X1
-X1
-X1
-X1
-X1
-X1
-X1
-X3
-X3
-X3
-X3
-X9
-X9
-X9
-X9
-X16
-X18
-X17
-X30.ac2
-X30.ac2
-X30.ac2
-X30.ac2
TH2 Distribution X30
+GA/28.06
-X31.ac2
-X31.ac2
-X31.ac2
-X31.ac2
TH2 Distribution X31
+GA/28.07