PTS-XPFL-05.1JE - 第113页
䠮䠮 䠮䠮 䠦 䠯䠴 䠝䠍 䜾䝹䞊ሬᕸᶵ⬟䜸䝥䝅䝵䞁 㻳㻸㼁㻱㻌㻼㻭㻿㼀㻱㻌㻱㻽㼁㻵㻼㻹㻱㻺㼀㻔㻻㻼㼀㻵㻻㻺㻕 䠯䠵 䠮䠍䠋䠔 䠮䠍䠋䠔 㻝㻜㻡 䠮䠍䠋䠔 䠮䠍䠋䠔 䠮䠍䠋䠐 䠤䠑 䠤䠑 䠝䠍 䠤 䠞䠪 䠡䠡 䠝䠝 䠤 䠞䠬 䠞䠬 䠞䠪 䠣䠍 䠝䠍 䠎䠕 䠑䠒 䠑䠐 䠎䠔 䠍䠐 㻴 䠞䠭 䠣䠍 ࢚࣮㓄⟶ᅗ 31(80$7,&&,5&8,7',$*5$0 AGGPI9008 11…

6;
3+
6<
3+
ࢣ࣮ࣈࣝ࣋
;3)6
<D[LV;D[LV
ࢣ࣮ࣈࣝ࣋
;3)/
<D[LV
;D[LV
ȭ[
ᚋ㏥
Ref.1/4
)/(;,%/(75$&.
)/(;,%/(75$&.
5(75$&7
࢚࣮ࣈ࣮ࣟ
ࣃ࣮ࢶ྾╔࣭┿✵◚ቯ
ࣀࢬ࣭ࣝࣜ࣎ࣝࣂ࣮࢜ࢺࢶ࣮ࣝ྾╔࣭ゎ㝖
$,5%/2:
3$5769$&880࣭$,5%/2:
bb
=㍈ⴠୗ㜵Ṇࢫࢺࢵࣃ
=D[LV'52335(9(17,2167233(5
12==/(࣭5(92/9(5$872722/9$&880࣭9$&8802))
ᵝ㑅ᢥ
0$&+,1(&21),*85$7,216(/(&7,21
ᵝ㑅ᢥ
0$&+,1(&21),*85$7,216(/(&7,21
%&
%&
%'-
55
55
-
55
55
55
55
--
55
55
55
55
--
55
55
-
55
55
-
55
55 %/
%/
%0
$<
$-
==
$:
$9
%(
;;
$&
3
$2
$3
--
$%
$%
==
$0
$%
==
9
6
++ ** $%
77
&
+
$6 $7
$6 &
$'
$0
$0$0
$4;;
.
*
44)
+
ȭ
+
ȭ
ȭ
$
5
5
ȭ
+
ȭ
+
5
5
5
5
$
ȭ
ȭ
$
5
5
5
5
+
ȭ
+
ȭ
$
ȭ
ȭ
+
ȭ
+
5
5
+
ȭ
+
ȭ
+
ȭ
+
ȭ
5
5
5
5
$
ȭ
$
ȭ
5
5
ȭ
$
ȭ
$
ȭ
+
ȭ
+
ȭ
+
ȭ
+
0
0
0
+
ȭ
+
ȭ
+
ȭ
+
ȭ
$
ȭ
$
ȭ
5
5
ȭ
$
ȭ
$
5
5
5
5
ȭ
+
ȭ
+
ȭ
+
ȭ
+
ȭ
$
ȭ
+
ȭ
+
ȭPP
ȭPP
$
5
5
0
62/
5
ȭPP
+
ȭ
++
ȭ
+
ȭ
ȭ
$
$
ȭ ȭ
$
62/
0
0
0
$
ȭ
$
ȭ
ȭ
+
0
62/
ȭPP
$
5
5
5
ȭPP
+
ȭPP
+
62/
0
ȭPP
$
5
5
ȭPP
$
ȭPP
5
+
ȭPP
ȭPP
+
5
5
5
ȭPP
+
ȭPP
+
ȭPP
+
+
ȭPP
+
ȭ
ȭ
+
5
5
62/
5
62/
5
5
ȭPP
$
5 5
53
$
D
355
$%
DE
D
%$
5 53
E
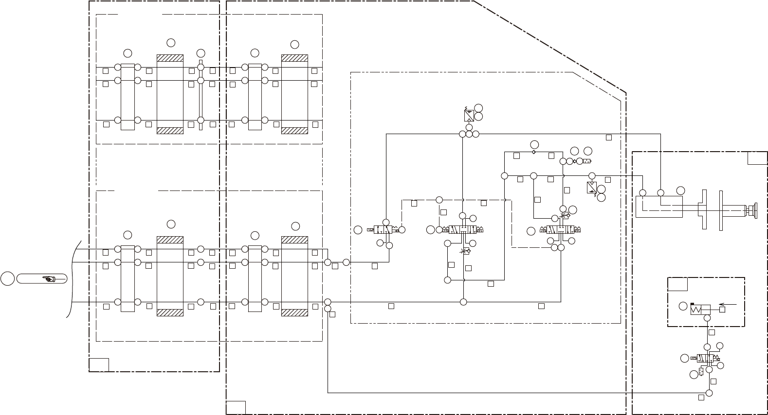
࢚࣮㓄⟶ᅗ
31(80$7,&&,5&8,7',$*5$0
AGGPI9008
112
PTS-XPFL-05.1JE

䠮䠮
䠮䠮
䠦
䠯䠴
䠝䠍
䜾䝹䞊ሬᕸᶵ⬟䜸䝥䝅䝵䞁
㻳㻸㼁㻱㻌㻼㻭㻿㼀㻱㻌㻱㻽㼁㻵㻼㻹㻱㻺㼀㻔㻻㻼㼀㻵㻻㻺㻕
䠯䠵
䠮䠍䠋䠔
䠮䠍䠋䠔
㻝㻜㻡
䠮䠍䠋䠔
䠮䠍䠋䠔
䠮䠍䠋䠐
䠤䠑
䠤䠑
䠝䠍
䠤
䠞䠪
䠡䠡 䠝䠝
䠤
䠞䠬䠞䠬
䠞䠪
䠣䠍
䠝䠍
䠎䠕
䠑䠒
䠑䠐
䠎䠔
䠍䠐
㻴
䠞䠭
䠣䠍
࢚࣮㓄⟶ᅗ
31(80$7,&&,5&8,7',$*5$0
AGGPI9008
113
PTS-XPFL-05.1JE

PNEUMATIC CIRCUIT DIAGRAM
エアー配管図 AGGPI9008
No. Drg.No. & Code No. QTY Description Rating Materials Remarks
番号 図番 & コード番号 個数 品名 規格 材質 備考
1 H1331A 5 VALVE バルブ VQ1101-5 DC24V OT
2 H1332A 2 VALVE バルブ VQ1201-5 DC24V OT
3 H1124B 1 VALVE, SOL バルブ SOL VQZ1121-5M-C4 OT
4 H3051E 2 COVER, BLIND 蓋 盲 VVQ1000-10A-1 OT
5 GGPI0021 1 VALVE, UNIT バルブユニット OT
6 H1124C 1 VALVE, SOL バルブ SOL VQZ3221-5M-C10 OT
7 H1124D 1 VALVE, SOL バルブ SOL VQZ342-5M-02 OT
8 H1124E 1 VALVE, SOL バルブ SOL VQZ3321R-5M-02 OT
9 K5337D 8 CONTROLLER, SPEED コントローラ スピード AS1211FM-M5-04 OT
10 H1124F 1 VALVE, SOL バルブ SOL VQZ342R-5M-02 OT
11 H1037T 1 VALVE, MANUAL バルブ 手動 HV8-8-2 OT
12 H1083W 2 VALVE, SOL バルブ SOL SX5320-5MZ-C6-F2-X38 OT
13 H1124G 1 VALVE, SOL バルブ SOL VQZ3321-5M-02 OT
14 H1125C 1 VALVE, SOL バルブ SOL VQZ3121-5L-C8 OT
15 H5447W 1 PUMP, VACUUM ポンプ バキューム KHA750A-305-G1 OT
16 H1009D 1 GENERATOR, VACUUM 発生器 真空 ZH05BS-0101 OT
17 H30283 1 FILTER REGULATOR フィルタレギュレータ AC40D-03D-X465B OT
18 GGPI0121 1 VALVE, UNIT バルブユニット OT
19 GGPI0151 1 VALVE, UNIT バルブユニット OT
20 S1297C 1 CYLINDER, AIR シリンダ エアー CDU10-5T-M9BLS OT
21 GFQC1220 4 CYLINDER シリンダ OT
22 GFQC1240 1 CYLINDER シリンダ OT
23 S2115N 4 CYLINDER, AIR シリンダ エアー CDLQB80-30D-B-M9PL OT
24 DNPK0330 2 CYLINDER シリンダ OT
25 GGPI0190 1 VALVE, UNIT バルブユニット OT
26 H30268 1 FILTER フィルタ ZFC200-08 OT
27 A40905 1 ELEMENT エレメント I-63S-A OT ACC-26
28 H1031C 1 VALVE, PRESSURE REDUCING バルブ 減圧 IR1010-01B OT
29 H1125B 1 VALVE, SOL バルブ SOL VQZ342-5L-C8 OT
30 K5346T 1 CONTROLLER, SPEED コントローラ スピード AS2211F-02-08S OT
31 K5337G 2 CONTROLLER, SPEED コントローラ スピード AS1201F-M5-04 (シロ) OT
32 K5340Y 4 CONTROLLER, SPEED コントローラ スピード AS2001F-06(シロ) OT
33 K53495 4 CONTROLLER, SPEED コントローラ スピード AS3201F-03-06S OT
35 K5342D 4 CONTROLLER, SPEED コントローラ スピード AS2201F-01-06S(シロ) OT
36 K5343A 1 CONTROLLER, SPEED コントローラ スピード AS2201F-02-06S OT
40 S40330 2 SENSOR, PRESSURE センサ 圧力 PSE304-ML OT
41 S40331 1 SENSOR, PRESSURE センサ 圧力 PSE543-01 OT
42 S40332 1 SENSOR, PRESSURE センサ 圧力 PSE543-R06 OT
114
PTS-XPFL-05.1JE