00194932-20 User Manual CAN Test Box-Error Frame Diagnostic unit_en - 第122页
1 - 122 SIPLACE CAN Bus Edition 10/2018 122 4.14.1 Gantry CAN Bus SIPLACE SX4 and DX4 The Gantry CAN Bus is not used at the moment.In case of troublesho oting machine pr oblems or changing connector you have to know and …

1 - 121
Edition 10/2018 SIPLACE CAN Bus
121
4.14 Machine CAN Bus SIPLACE SX4 and DX4
With the new closed loop concept GCU (Gantry control unit) for the main axes and HCU (Head
control unit) for the head axes, follow a new Can Bus structure, which include these subsystems.
In the circuit digram called MCAN Bus (Machine CAN Bus). To synchronize the HCU‘s and GCU‘s
an additional CAN Bus, called GCAN Bus (Gantry CAN Bus) was introduced. This CAN Bus is not
used at the moment.
Fig. 4.14 - 1 Machine CAN Bus structure SX4 and DX4
C
O
M
U
n
i
t
CAN 2
X7pn
Transport contol unit
Machine CAN Bus
(MCAN Bus PA1)
CAN 1
X6pn
Distributor unit
I/O Module
Base adapter
Terminator 120 Ohm
Trailing interface
Gantry 1
Stationcomputer (Box PC 827B)
Gantry control unit
GCU 4
Gantry control unit
GCU 1
Head interface
(C700X-L)
Docking unit 1
(FCU)
Location 1
Service connector
Service connector
C&P20/CPP C&P20/CPP
Head CAN Bus
Machine CAN Bus
(MCAN Bus PA2)
Trailing interface
Gantry 4
Docking unit 4
(FCU)
Location 4
Head interface
(C700X-R)
Base adapter
Terminator 120 Ohm
Docking unit 2
(FCU)
Location 2
Trailing interface
Gantry 2
Head interface
(C700X-R)
Connector X10bm
(IC Camera -
Location 2)
Base adapter
Terminator 120 Ohm
C&P20/CPP/TH-head
Gantry control unit
GCU 2
Gantry control unit
GCU 3
Trailing interface
Gantry 3
Connector X10bm
(IC camera –
Location 3)
Docking unit 3
(FCU)
Location 3
Head interface
(C700X-L)
C&P20/CPP/TH-head
Base adapter
Terminator 120 Ohm
Head CAN Bus

1 - 122
SIPLACE CAN Bus Edition 10/2018
122
4.14.1 Gantry CAN Bus SIPLACE SX4 and DX4
The Gantry CAN Bus is not used at the moment.In case of troubleshooting machine problems or
changing connector you have to know and check the CAN Bus. (see circuit diagram, too).
Fig. 4.14 - 2 Gantry CAN Bus SIPLACE SX4 and DX4

1 - 123
Edition 10/2018 SIPLACE CAN Bus
123
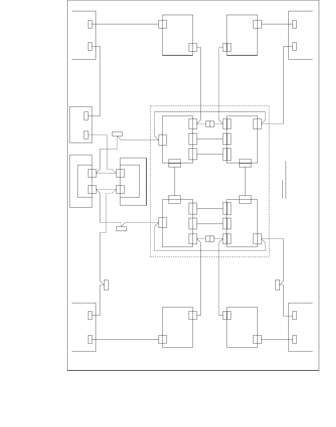
Fig. 4.14 - 3 CAN Bus structure SX4I/DX4 with HCU/GCU operating diagram 90011267-01
X 6 b a
X 6 b a
T r a i l i n g i n t e r f a c e
g a n t r y 2 a n d 4
0 3 0 5 9 9 1 1 ( b a )
M C A N
G a n t r y 2
X 7 b a
X 7 b a
G C A N
D o c k i n g u n i t 2
X 1 2 5 X 1 2 6
C A N I N C A N O U T
S o P i n
0 3 0 7 6 5 0 5
M C A N - B u s 2 . 2
D o c k i n g u n i t 1
D o c k i n g u n i t 3
C A N I N C A N O U T
S o
P i n
T r a i l i n g i n t e r f a c e
g a n t r y 1 a n d 3
0 3 0 5 9 9 1 0 ( c a )
X 6 c a
M C A N
X 6 c a
0 3 0 7 6 5 0 6
M C A N - B u s 2 . 3
X 7 c a
G C A N
X 7 c a
G a n t r y 3
P l a c e m e n t a r e a 2
X 1 3 5 X 1 3 6
X 1 1 5X 1 1 6
C A N I NC A N O U T
S oP i n
D o c k i n g u n i t 4
C A N O U T C A N I N
P i n
S o
X 1 4 6 X 1 4 5
0 3 0 7 6 5 0 2
M C A N - B u s 1 . 3
0 3 0 7 6 5 0 3
M C A N - B u s 1 . 4
X 6 a a
X 6 a a
T r a i l i n g i n t e r f a c e
g a n t r y 2 a n d 4
0 3 0 5 9 9 1 1 ( d a )
M C A N
G a n t r y 1
X 7 a a
X 7 a a
G C A N
T r a i l i n g i n t e r f a c e
g a n t r y 1 a n d 3
0 3 0 5 9 9 1 0 ( a a )
X 6 d a
M C A N
X 6 d a
X 7 d a
G C A N
X 7 d a
G a n t r y 4
P l a c e m e n t a r e a 1
C A N b u s w i r i n g
w i r e n o . w i r i n g S u b - D - P I N
1 f r e e 1
2 G N D 6
3 C A N _ L 2
4 C A N _ H 7
5 G N D 3
6 R E S E T 8
7 P o w e r F a i l 4
8 f r e e 9
9 C A N _
I N T 5
X 1 O u c
X 1 O u c
X 1 U u c
X 1 U u c
0 3 0 7 7 0 4 4
G C A N - B u s 2 . 1
X 7 4 U u c
X 7 1 U u c
X 7 1 U u c
X 7 4 U u c
X 1 U t c
X 1 U t c
X 7 4 U t c
X 7 4 U t c
0 3 0 7 6 5 3 1
F D B G C U 2 - G C U 3
X 7 1 O t c
X 7 1 O t c
X 1 O t c
X 1 O t c
G C U 2
0 3 0 5 2 2 0 0 ( t c )
G a n t r y 2
G C U 3
0 3 0 5 2 2 0 0 ( u c )
G a n t r y 3
X 7 1 U t c
X 7 1 U t c
X 7 1 O u c
X 7 1 O u c
0 3 0 8 0 4 0 2
G C U D i a g n o s e R i n g
X 1 O v c
X 1 O v c
X 1 U v c
X 1 U v c
X 7 4 U v c
X 7 1 O v c
X 7 1 O v c
X 7 4 U v c
X 1 U s c
X 1 U s c
X 7 4 U s c
X 7 4 U s c
0 3 0 7 6 5 1 1
F D B G C U 1 - G C U 4
X 7 1 U s c
X 7 1 U s c
X 1 O s c
X 1 O s c
G C U 1
0 3 0 5 2 2 0 0 ( s c )
G a n t r y 1
G C U 4
0 3 0 5 2 2 0 0 ( v c )
G a n t r y 4
X 7 1 O s c
X 7 1 O s c
X 7 1 U v c
X 7 1 U v c
0 3 0 8 0 4 0 4
G C U D i a g n o s e R i n g
0 3 0 8 0 4 0 1
G C U D i a g n o s e R i n g
0 3 0 8 0 4 0 3
G C U D i a g n o s e R i n g
C o n t r o l c o n t r o l
0 3 0 7 7 4 6 8
G C U u n i t
D i s t r i b u t o r 0 3 0 7 5 2 3 9 ( q a )
X 2 q b
X 2 q b
X 1 q b
X 1 q b
C A N 2 C A N 1
C A N I / O m o d u l e
0 3 0 5 2 3 1 5 ( q b )
C o n t r o l c o m p u t e r ( p c )
C A N c a r d
C A N 2 C A N 1
X 7 p n
X 7 p n
X 6 p n
X 6 p n
I C c a m e r a
s e c t o r 3
0 3 0 7 6 5 0 4
M C A N - B u s 2 . 1
X 6 p n 2
S e r v i c e
X 7 a o
C A N I N
S o
X 7 a p
C A N O U T
P i n
0 3 0 7 6 5 0 1
M C A N - B u s 1 . 1
0 3 0 7 7 0 6 0
M C A N - B u s 1 . 2
S o
X 9 7
X 9 7
0 3 0 7 7 0 4 5
G C A N - B u s 2 . 2
0 3 0 7 6 5 0 9
G C A N - B u s 1 . 2
X 9 6
X 9 6
0 3 0 7 6 5 0 8
G C A N - B u s 1 . 1
X 1 0 b m
S o
I C c a m e r a
s e c t o r 2
X 1 0 c m
S o
X 7 p n 2
S e r v i c e
S o