00194932-20 User Manual CAN Test Box-Error Frame Diagnostic unit_en - 第96页
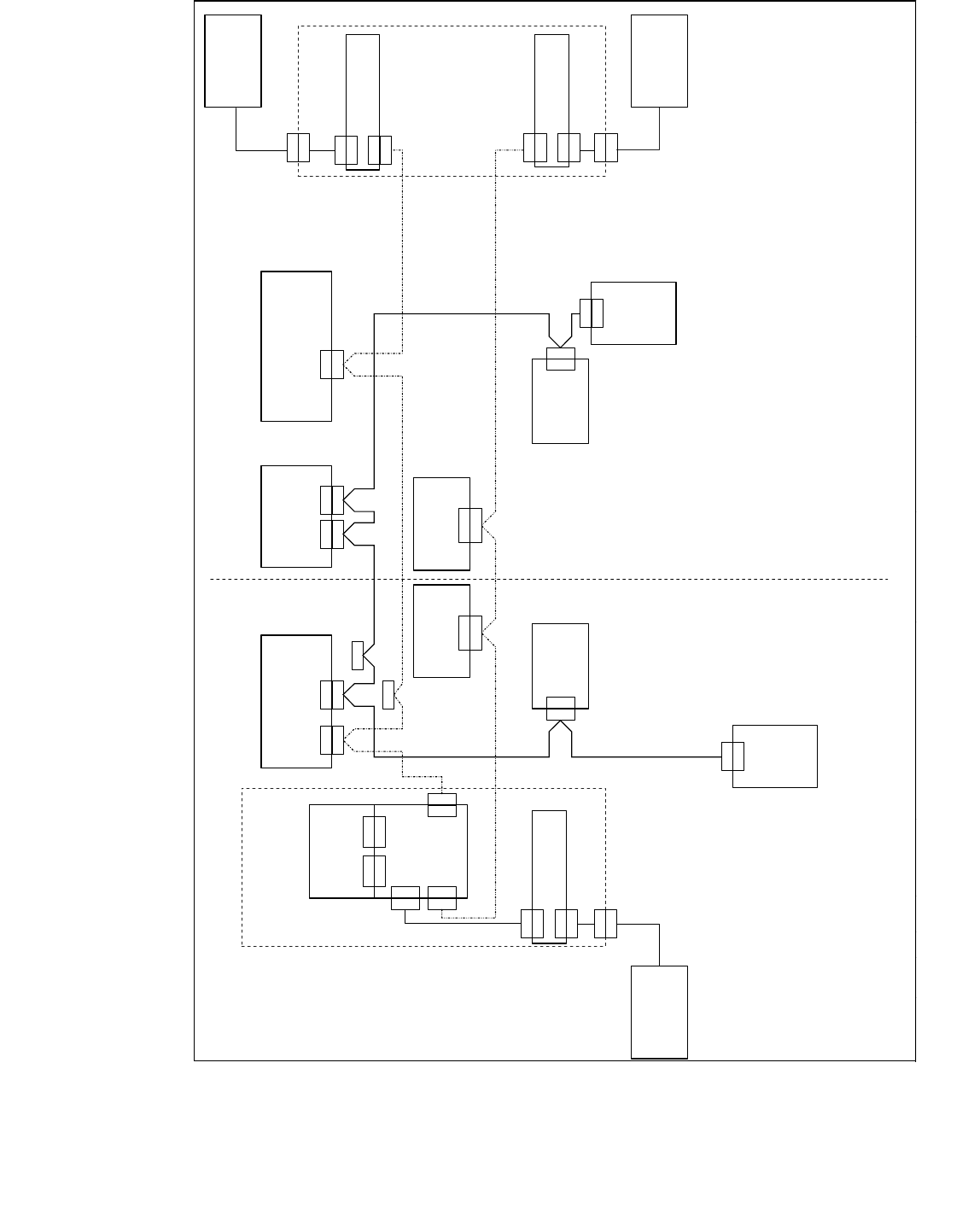
1 - 96 SIPLACE CAN Bus Edition 10/2018 96 4.10.2 CAN Bus with CAN T ermi nator on the D1 in detai l For the D1 machine we use two diff erent CAN Bu s circuits. CAN Bus 1 and CAN Bus 2 are workin g with 1 MBit/s. Fig. 4.1…

1 - 95
Edition 10/2018 SIPLACE CAN Bus
95
Fig. 4.10 - 2 CAN Bus structure D1 operation diagram 03043799-010302LD3
C A N T e r m i n a t i o n o n :
S 1 . 8 = O N
C A N T e r m i n a t i o n o f f :
S 1 . 5 = O F F
f i x e d C A N T e r m i n a t i o n o n
G a n t r y H e a d B o a r d
0 3
0 3 8 0 0 2
C A N I / O m o d u l e
0 0 3 5 5 0 5 1 ( q b )
B E - T i s c h 2
C o m p o n e n t s t a b l e 2
0 3 0 4 1 3 1 5 )
M a s c h i n e n C o n t r o l l e r
M a c h i n e c o n t r o l l e r
0 3 0 3 2 3 4 2 ( p a )
C A N - B u s 1 D 1
C A N - B u s 2 D 1
A x i s U n i t A 3 6 4
0 3 0 4 2 0 4 7
T r a n s p o r t s t e u e r u n g T S P 2 0 1
C o n v e y o r c o n t r o l l e r T S P 2 0 1
0 3 0 4 3 8 3 2
C A N 2 C A N 1
X 2 2 a o
X 2 2 a o
X 3 0 _ 1 s q
X 3 0 _ 1 s q
X 1 1 p aX 1 2 p a
X 1 1 p aX 1 2 p a
X 1 b f
H a u p t v e r t e i l e r
M a i n D i s t r i b u t o r
0 3 0 5 0 1 7 8 ( b f )
U n t e r v e r t e i l e r
S u b D i s t r i b u t o r
0 3 0 4 8 9 6 6 ( a f )
B E - K a m e r a S t a t .
P + P ( T Y P 3 6 )
5 5 x 4 5 d i g i t .
0 3 0 4 2 4 9 1
B E - K a m e r a S t a t .
P + P ( T y p 2 5 )
1 6 x 1 6 d i g i t .
0 3 0 2 0 5 7 8
S c h l e p p -
V e r t e i l e r
T r a i l i n g
d i s t r i b u t o r
0 3 0 3 8 6 9 0
X 4 0 a a
X 4 0 a a
X 1 b f X 1 a f
X 1 a f
X 1 0 b u
X 3 0 _ 2 s q
X 3 0 _ 2 s q
A b s c h l u s s -
w i d e r s t a n d
T e r m i n a t i n g
r e s i s t o r
0 3 0 2 7 6 4 6
0 3 0 5 0 1 6 2
0 3 0 5 0 1 6 4
X 1 q f
X 1 0 3
X 1 1 p a 2
X 1 2 p a 2 S e r v i c e
S e r v i c e
X 1 0 b u
X 1 0 a u
X 1 0 a u
P o r t a l 1 / G a n t r y 1
S e k t o r 2
S e c t o r 2
S e k t o r 1
S e c t o r 1
C A N - B u s 2 S u b
0 3 0 5 0 1 6 5
X 1 q b
X 1 q e
C A N - I n t e r f a c e
0 3 0 3 2 3 4 6 ( q e )
X 4 b h
X 4 b h
X 3 q e
X 3 q e
X 5 q e
X 5 q e
X 4 q e
X 4 q e
G u r t s c h n e i d e r 2
T a p e c u t t e r 2
0 3 0 0 6 4 1 1 ( b h )
G u r t s c h n e i d e r 1
T a p e c u t t e r 1
0 3 0 0 6 4 1 1 ( a h )
X 1 r b
X 1 r b
X 2 r b
X 2 r b
B E - T i s c h 1
C o m p o n e n t s t a b l e 1
0 3 0 4 1 3 1 5
X 3 0 a f
X 3 0 a f
W a f f l e P a c k
C h a n g e r
0 3 0 4 6 8 1 6
X 2 r d
X 2 r d
X 1 r d
X 1 r d
C A N - B U S t e r m i n a t o r
c o m p o n e n t t a b l e
0 3 0 4 6 8 6 3
C A N - B U S t e r m i n a t o r
c o m p o n e n t t a b l e
0 3 0 4 6 8 6 3
X 4 a h
X 4 a h
X 1 q a
X 1 q a
X 2 q a
X 2 q a
C A N - B U S t e r m i n a t o r
c o m p o n e n t t a b l e
0 3 0 4 6 8 6 3
X 2 q b
X 2 q e

1 - 96
SIPLACE CAN Bus Edition 10/2018
96
4.10.2 CAN Bus with CAN Terminator on the D1 in detail
For the D1 machine we use two different CAN Bus circuits. CAN Bus 1 and CAN Bus 2 are working
with 1 MBit/s.
Fig. 4.10 - 3 CAN Bus 1 in detail D1 machine
Note to measure the CAN terminator:
In General, the terminator has to measure if the machine is switch off!
In the Fig. 4.10 - 3 for the CAN Bus 1, there are two terminators in the circuit, When the machine
is switch off you have to measure on the service-connector X11pa2 a value of 60 Ohm.

1 - 97
Edition 10/2018 SIPLACE CAN Bus
97
Fig. 4.10 - 4 CAN Bus 1 in detail D1 machine
For the CAN Bus 2 (1MBit/s) you have to measure the terminator on the service-connector X12-
pa2. If the option WPC connected you should measure 40 ohm, if not the value is 60 ohm.
In the Fig. 4.10 - 4 for the component and tape cutter CAN Bus 2, there are four terminators in the
circuit, if the machine switch off and the component table connected. So you measure 30 ohm on
the connector (1).
When the machine is switch on, the Relays contacts K1 will be open and the normal termination
of 60 Ohm is available.
Now, If you change or disconnect a component table, the CAN Bus is working normal, because
the relay contact K1 will be closed and the other terminator is available.
1