RS-1-Rev05 - 第130页
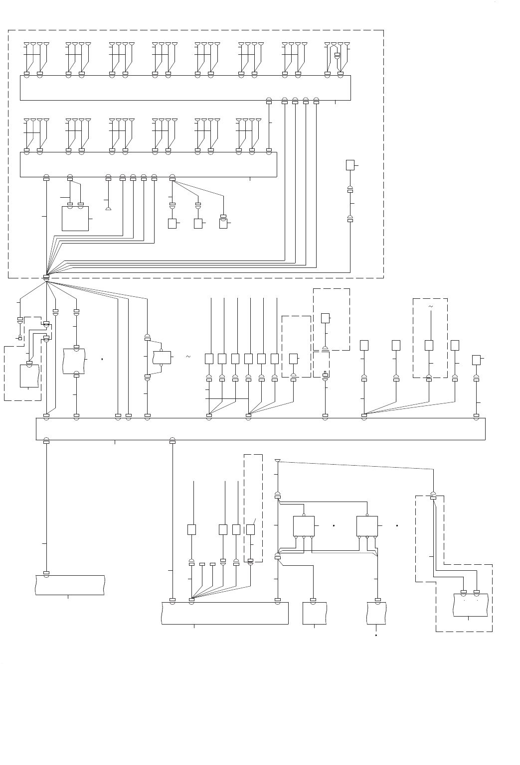
- 125 - 63. SYSTEM DIAGRAM (3) SYSTEM DIAGRA M (3) 㸱㸲 㸱㸯 㸱㸰 㸰㸮 㸯 㸰 㸰㸫㸯㹂 㹁㹌㸯㸱㸲㸰 㸦㹍㹎㸧 㸦㹋㹇㹌㹇ࠉ㹑㹇㹅㹌㸿㹊ࠉ㹒㹍 㹕㹃㹐㸧 㹋㹒㹑ࠉ㹇㹄 㹋㹒㹑ࠉ㹇㹄㸫㸯 㹋㹒㹑ࠉ㹇㹄㸫㸰 㹋㹒㹑ࠉ㹇㹄 㹋㹒㹑ࠉ㹇㸭㹄 㹐㹊㸴 㹐㹊㸳 㸱㸫㸱㸿 㸰㸫㸱㸿 㹁㹌㸮㸮㸯㸮 㹎㹍㹕㹃㹐ࠉ㹑㹓㹎㹎㹊㹗ࠉ㹓㹌㹇㹒ࠉ㹀 㹁㹌㸯㸮 㹁㹌㸯㸰㸯㸳 㹁㹌㸯㸳 㸲㸫㸰㸿 㹁㹌㸯㸮㸰㸱 㹁…

- 124 -
NOTE( 注記 ) #01....FOR EN(OPTIONAL PARTS) EN 用(オプション部品)
REF.NO NOTE PART NO D E S C R I P T I O N
品 名
Qty
1 401-28871 IO CONTROL PCB ASM
IOコントロール基板組
1
2 401-82247 IO-F BKR SERIAL CABLE ASM
IO−F BKRシリアルケーブル組
1
3 401-29320 IO-SF SERIAL CABLE ASM
IO−SF シリアルケーブル組
1
4 401-83536 POWER SUPPLY UNIT B ASM
電源ユニットB組
1
5
#01
401-87824 POWER SUPPLY UNIT B ASM_EN
電源ユニットB組_EN
1
6 401-83413 POSITION BOARD
ポジションボード
1
7 401-82224 SF-XY AMP RELAY CABLE ASM
SF−XY アンプ中継ケーブル組
1
8 401-29652 X AXIS DRIVER
X軸ドライバ
1
9 401-33006 SF RELAY-FX AMP CABLE ASM
SF RELAY−FX アンプケーブル組
1
10 401-29654 Y AXIS DRIVER
Y軸ドライバ
1
11 401-82823 SF RELAY-FYL AMP CABLE ASM
SF RELAY−FYL アンプケーブル組
1
12 401-82197 BANK CABLE (31_32-EB1 CN18) ASM
バンクケーブル (31_32−EB1 CN18)組
1
13 401-82225 IPX X ENC RELAY CABLE ASM
IPX X ENC 中継ケーブル組
1
14 401-90921 IP-X11 SET GEN ASM(RS-1)
IP−X11 汎用機 セット組図(RS−1)
1
15 401-32991 LIGHT CONTROL PCB ASM
ライトコントロール基板組
1
16 401-90013 CAMERA TRIG CABLE ASM
カメラトリガーケーブル組
1
17 401-28872 SAFETY PCB ASM
セーフティー基板組
1
18 401-86309 F BKR-SF CABLE ASM
F BKR−SF ケーブル組
1
19 401-29020 SF-OPSW RELAY WIRE ASM
SF−OPSW リレーワイヤー組
1
20 401-29025 EMG SW CABLE ASM
EMGスイッチケーブル組
1
21 401-90601 START SW CABLE ASM
スタートスイッチケーブル組
1
22 401-90602 STOP SW CABLE ASM
ストップスイッチケーブル組
1
23 HE-0005700-00 INDICATOR LAMP
ランプ
1
24 401-69048 MPC-CAN
MPC−CAN
1
25 401-87771 MPC CABLE ASM(RS-1)
MPC ケーブル組(RS−1)
1
26 401-29011 EU TOP-SF PWR CABLE ASM
EU TOP−SF 電源ケーブル組
1
27
#01
401-88157 EU BOTTOM-SF EN CABLE ASM
EU BOTTOM−SF ENケーブル組
1
28 401-90012 IPX X-ENC RELAY CABLE ASM
IPX X−ENC中継ケーブル組
1
29 401-29023 CONSOLE SW CABLE ASM
コンソールスイッチケーブル組
1
30 HA-0055200-40 SWITCH
スイッチ
1
31 HA-0055200-30 SWITCH
スイッチ
1
32 HA-0055200-1C SWITCH
スイッチ
1
33 HA-0053400-70 SWITCH
スイッチ
1
34 401-90603 KEY SW CABLE ASM
キースイッチケーブル組
1
35 401-29070 BANK UP SENSOR CABLE ASM
バンクアップセンサケーブル組
1
36 401-29069 BKR-BANK AIR SW CABLE ASM
BKR−BANK エアスイッチケーブル組
1
37 PV-0151250-00 MANUAL VALVE
マニュアル バルブ
1
38 401-82244 SF-YF TOP SENSOR RELAY CABLE ASM
SF−YF トップセンサ中継ケーブル組
1
39 401-65028 XY LMT SENSOR ASM
XY LMTセンサ組
1
40 401-29002 NEAR SENSOR CABLE ASM
ニアセンサケーブル組
1
41 400-02254 COVER OPEN SW CABLE ASM
カバーオープンスイッチケーブル組
1
42 401-46405 COVER LOCK SV ASM
カバーロックSV組
1
43 401-29009 SIGNAL TOWER CABLE ASM
シグナルタワーケーブル組
1
44 401-29010 MINI SIGNAL TOWER CABLE ASM(OP)
ミニシグナルタワーケーブル組
1
45 401-82249 SF-FXY BEAR CABLE ASM
SF−FXY ベアケーブル組
1
46 401-82273 Y BEAR CABLE
Y ベアケーブル
1
47 401-86335 FEEDER AIR BLOW CABLE ASM
フィーダエアブローケーブル組
1
48 401-29001 X LMT RELAY CABLE ASM
X LMT リレーケーブル組
1
49 401-83349 NZL-UP SV CABLE ASM
NZL−UP SVケーブル組
1
50 401-83535 POWER SUPPLY UNIT A ASM
電源ユニットA組
1
51
#01
401-87823 POWER SUPPLY UNIT A ASM_EN
電源ユニットA組_EN
1
52 401-82223 CN1202 SHORT WIRE ASM
CN1202 ショートワイヤー組
1
53 HB-0018100-00 RELAY
リレー
1
54 HB-0004800-10 RELAY
リレ− ソケット
1
55 HB-0002100-10 RELAY HOLOER PYC-A1
リレ−保持金具
1
56 401-86333 CUTTER SAFETY CABLE ASM
カッター安全ケーブル組
1
57 401-28876 E BANK RELAY PCB ASM
Eバンクリレー基板組
1
58 401-29247 F EBKR FG CABLE ASM
F EBKR FGケーブル組
1
59 401-82227 EBKR-OUT LOADER SERIAL CABLE ASM
EBKR−OUT ローダシリアルケーブル組
1
60 401-29073 F BKR-EU TOP PWR CABLE ASM
F BKR−EU トップパワーケーブル組
1
61 401-82226 CN B4/B5-CN1341/1441 CABLE ASM
CN B4/B5−CN1341/1441ケーブル組
1
62 401-84380 CN1307/1407 - CN1344/1444 CABLE ASM
CN1307/1407 − CN1344/1444ケーブル組
1
63 401-84106 CN1343/1344 - RL4_5/9 CABLE ASM
CN1343/1344 − RL4_5/9ケーブル組
1
64 HB-0018100-00 RELAY
リレー
1
65 HB-0004800-10 RELAY
リレ− ソケット
1
66 HB-0002100-10 RELAY HOLOER PYC-A1
リレ−保持金具
1
67 401-85779 BKR-FD FLOAT E CABLE ASM
BKR−FD フロート Eケーブル組
1
68 401-81501 SEPARATE SENSOR RECEIVER ASM
セパレートセンサ_受光組
1
69 401-81502 SEPARATE SENSOR EMISSION ASM
セパレートセンサ_投光組
1
70 401-82265 BKR-FD FLOATLEFT E CABLE ASM
BKR−FD フロートレフト Eケーブル組
1
71 401-82818 BKR-BANK AIR SW RELAY CABLE ASM
BKR−BANK エアスイッチ中継ケーブル組
1
72 401-82260 F BKR-AIR(P) RELAY CABLE ASM
F BKR−AIR(P) 中継ケーブル組
1
73 401-29071 AIR(P) SENSOR CABLE ASM
エア(P) センサケーブル組
1
74 401-82228 E BANK SERIAL CABLE ASM
E バンクシリアルケーブル組
1
75 401-69473 BANK ID PCB (RF) ASM
バンクID基板(RF)組
1
76 401-82213 BANK CABLE (IFS-NX) ASM
バンクケーブル (IFS−NX)組
1
77 401-82211 BANK CABLE (EXT-POW) ASM
バンクケーブル (EXT−POW)組
1
78 400-84835 CUT OPEN SENS ASM
カッターオープンセンサ組
1
79 400-84839 CUT CLOSE SENS ASM
カッタークローズセンサ組
1
80 400-84836 CUT SV CABLE ASM
カッターSVケーブル組
1
81 401-82212 E BANK PCB-E CUTTER IF CABLE ASM
E バンク PCB−E カッターIFケーブル組
1
82 401-83784 ELEC BANK R-SIDE PCB ASM
ELECバンク R−SIDE基板組
1
83 401-82198 BANK CABLE (33_34-EB2 CN3) ASM
バンクケーブル (33_34−EB2 CN3)組
1
84 401-82199 BANK CABLE (35_36-EB2 CN4) ASM
バンクケーブル (35_36−EB2 CN4)組
1
85 401-82200 BANK CABLE (37_38-EB2 CN5) ASM
バンクケーブル (37_38−EB2 CN5)組
1
86 401-82201 BANK CABLE (39_40-EB2 CN6) ASM
バンクケーブル (39_40−EB2 CN6)組
1
87 401-82202 BANK CABLE (41_42-EB2 CN7) ASM
バンクケーブル (41_42−EB2 CN7)組
1
88 401-82203 BANK CABLE (43_44-EB2 CN8) ASM
バンクケーブル (43_44−EB2 CN8)組
1
89 401-82204 BANK CABLE (45_46-EB2 CN9) ASM
バンクケーブル (45_46−EB2 CN9)組
1
90 401-82205 BANK CABLE (47_48-EB2 CN10) ASM
バンクケーブル (47_48−EB2 CN10)組
1
91 401-82206 BANK CABLE (49_50-EB2 CN11) ASM
バンクケーブル (49_50−EB2 CN11)組
1
92 401-82207 BANK CABLE (51_52-EB2 CN12) ASM
バンクケーブル (51_52−EB2 CN12)組
1
93 401-82208 BANK CABLE (53_54-EB2 CN13) ASM
バンクケーブル (53_54−EB2 CN13)組
1
94 401-82209 BANK CABLE (55_56-EB2 CN14) ASM
バンクケーブル (55_56−EB2 CN14)組
1
95 401-82210 CAN JAMPER CABLE ASM
CAN ジャンパーケーブル組
1
96 401-83783 ELEC BANK L-SIDE PCB ASM
ELECバンク L−SIDE基板組
1
97 401-82182 BANK CABLE (1_2-EB1 CN3) ASM
バンクケーブル (1_2−EB1 CN3)組
1
98 401-82183 BANK CABLE (3_4-EB1 CN4) ASM
バンクケーブル (3_4−EB1 CN4)組
1
99 401-82184 BANK CABLE (5_6-EB1 CN5) ASM
バンクケーブル (5_6−EB1 CN5)組
1
100 401-82185 BANK CABLE (7_8-EB1 CN6) ASM
バンクケーブル (7_8−EB1 CN6)組
1
101 401-82186 BANK CABLE (9_10-EB1 CN7) ASM
バンクケーブル (9_10−EB1 CN7)組
1
102 401-82187 BANK CABLE (11_12-EB1 CN8) ASM
バンクケーブル (11_12−EB1 CN8)組
1
103 401-82188 BANK CABLE (13_14-EB1 CN9) ASM
バンクケーブル (13_14−EB1 CN9)組
1
104 401-82189 BANK CABLE (15_16-EB1 CN10) ASM
バンクケーブル (15_16−EB1 CN10)組
1
105 401-82190 BANK CABLE (17_18-EB1 CN11) ASM
バンクケーブル (17_18−EB1 CN11)組
1
106 401-82191 BANK CABLE (19_20-EB1 CN12) ASM
バンクケーブル (19_20−EB1 CN12)組
1
107 401-82192 BANK CABLE (21_22-EB1 CN13) ASM
バンクケーブル (21_22−EB1 CN13)組
1
108 401-82193 BANK CABLE (23_24-EB1 CN14) ASM
バンクケーブル (23_24−EB1 CN14)組
1
109 401-82194 BANK CABLE (25_26-EB1 CN15) ASM
バンクケーブル (25_26−EB1 CN15)組
1
110 401-82195 BANK CABLE (27_28-EB1 CN16) ASM
バンクケーブル (27_28−EB1 CN16)組
1
111 401-82196 BANK CABLE (29_30-EB1 CN17) ASM
バンクケーブル (29_30−EB1 CN17)組
1

- 125 -
63.SYSTEM DIAGRAM (3)
SYSTEM DIAGRAM(3)
㸱㸲
㸱㸯
㸱㸰
㸰㸮
㸯
㸰
㸰㸫㸯㹂
㹁㹌㸯㸱㸲㸰
㸦㹍㹎㸧
㸦㹋㹇㹌㹇ࠉ㹑㹇㹅㹌㸿㹊ࠉ㹒㹍㹕㹃㹐㸧
㹋㹒㹑ࠉ㹇㹄
㹋㹒㹑ࠉ㹇㹄㸫㸯
㹋㹒㹑ࠉ㹇㹄㸫㸰
㹋㹒㹑ࠉ㹇㹄
㹋㹒㹑ࠉ㹇㸭㹄
㹐㹊㸴
㹐㹊㸳
㸱㸫㸱㸿
㸰㸫㸱㸿
㹁㹌㸮㸮㸯㸮
㹎㹍㹕㹃㹐ࠉ㹑㹓㹎㹎㹊㹗ࠉ㹓㹌㹇㹒ࠉ㹀
㹁㹌㸯㸮
㹁㹌㸯㸰㸯㸳
㹁㹌㸯㸳
㸲㸫㸰㸿
㹁㹌㸯㸮㸰㸱
㹁㹌㸰㸱
㹁㹍㹌㹔㹃㹗㹍㹐ࠉ㹎㹁㹀ࠉ㸦㹐㸧
㹐㹊㸲
㹁㹌㸯㸱㸱㸲
㸯㸫㸯㸿
㹁㹌㸵
㹁㹌㸯㸲㸮㸵
㹁㹌㸯㸲㸲㸲 㹁㹌㸯㸲㸲㸱
㹄㹃㹃㹂㹃㹐ࠉ㹄㹊㹍㸿㹒ࠉ㹑㹃㹌㹑㹍㹐ࠉ㹐㹃㹁㸱
㹄㹃㹃㹂㹃㹐ࠉ㹄㹊㹍㸿㹒ࠉ㹑㹃㹌㹑㹍㹐ࠉ㹐㹃㹁㸰
㹄㹃㹃㹂㹃㹐ࠉ㹄㹊㹍㸿㹒ࠉ㹑㹃㹌㹑㹍㹐ࠉ㹃㹋㹇㸯
㹄㹃㹃㹂㹃㹐ࠉ㹄㹊㹍㸿㹒ࠉ㹑㹃㹌㹑㹍㹐ࠉ㹃㹋㹇㸱
㹄㹃㹃㹂㹃㹐ࠉ㹄㹊㹍㸿㹒ࠉ㹑㹃㹌㹑㹍㹐ࠉ㹃㹋㹇㸰
㹄㹃㹃㹂㹃㹐ࠉ㹄㹊㹍㸿㹒ࠉ㹑㹃㹌㹑㹍㹐ࠉ㹐㹃㹁㸯
㹍㹎ࠉ㹁㹌㸵
㹁㹌㸯㸲㸯㸷㹁
㹁㹔㹊㹍㹁㹉
㹁㹍㹔㹃㹐ࠉ㹊㹍㹁㹉ࠉ㹑㸬㹔㸬㸦㹐㸧
㹁㹌㸯㸰㸳㸯
㸲㸫㸯㹁
㸱㸫㸯㹂
㸲㸫㸯㸿
㸰㸫㸯㸿
㸦㹍㹎㸧
㸦㹐㹃㸿㹐ࠉ㹋㹍㹌㹇㹒㹍㹐㸧
㹁㹌㸯㸲㸲㸮
㹁㹌㸮㸱㸮㸶
㹁㹌㸶
㹁㹌㸯㸲㸮㸳
㹁㹌㸳
㹁㹌㸴
㹁㹌㸯㸰㸮㸴
㹁㹌㸲
㹁㹌㸯㸲㸲㸶
㹁㹌㸯㸲㸲㸵
㹁㹌㸯㸲㸲㸴
㹁㹌㸯㸲㸲㸳
㹁㹌㸯㸲㸮㸲
㹃㹋㹅ࠉ㹑㹕㸦㹐㸧
㹁㹌㸯㸲㸮㸯
㹁㹌㸯
㹃ࠉ㹀㸿㹌㹉ࠉ㹐㹃㹊㸿㹗ࠉ㹎㹁㹀㸦㹐㸧
㹁㹌㸯㸲㸲㸯
㹄㹅
㹁㹌㸯㸲㸲㸰
㹁㹌㸮㸮㸯㸰
㹁㹌㸯㸳
㹁㹌㸯㸲㸯㸳
㹁㹌㸯㸷
㹁㹌㸯㸲㸯㸷
㹁㹌㸷
㹁㹌㸯㸲㸮㸷
㹁㹌㸯㸵
㹁㹌㸯㸲㸯㸵
㹁㹌㸯㸰
㹁㹌ࠉ㹀㸳
㹎㹍㹕㹃㹐ࠉ㹑㹓㹎㹎㹊㹗ࠉ㹓㹌㹇㹒ࠉ㹀
㹁㹌㸳
㹁㹌㸴
㹁㹌㸯㸲㸱㸳
㹁㹌㸯㸲㸮㸴
㸿㹇㹐ࠉ㹎㹐㹃㹑㹑㹓㹐㹃
㹑㹃㹌㹑㹍㹐㸦㸫㸧
㹁㹌㸶
㹁㹌㸯㸲㸮㸶
㹁㹌㸯㸰
㹁㹌㸯㸱㸱㸱
㹁㹌㸯㸱㸱㸯
㹁㹌㸯㸱㸰㸷
㹁㹌㸯㸲㸯㸰
㹁㹌㸯㸯
㹁㹌㸯㸱㸰㸶
㹁㹌㸯㸱㸰㸵
㹁㹌㸯㸱㸰㸳
㹁㹌㸯㸲㸯㸯
㹁㹌㸲
㹁㹌㸯㸰㸳㸰
㹁㹍㹔㹃㹐ࠉ㹍㹎㹃㹌ࠉ㹑㹕㸦㹐㸧
㹁㹌㸯㸰㸳㸮
㹁㹌㸯㸰㸲㸷
㹁㹌㸯㸰㸲㸶
㹁㹌㸯㸰㸲㸵㹁㹌㸯㸰㸮㸲
㹗ࠉ㹎㹍㹑ࠉ㹊㹋㹒㸯ࠉ㹑㹃㹌㹑㹍㹐㸦㹐㸧
㹑㸿㹄㹃㹒㹗ࠉ㹎㹁㹀
㹇㹍ࠉ㹁㹍㹌㹒㹐㹍㹊ࠉ㹎㹁㹀
㹃㹀㸯ࠉ㹁㹌㸯
㸴㸮
㸰㸲
㸷㸯
㸳㸷
㸳㸴 㸳㸵 㸳㸶
㸳㸳
㸳㸱
㸳㸲
㹀㸿㹌㹉ࠉ㹇㹂ࠉ㹎㹁㹀ࠉ㸿㹑㹋
㸳㸰
㸴㸱
㸴㸲
㸴㸳
㸴㸴
㹃㹀㸰ࠉ㹁㹌㸶
㹁㹌㸵
㹃㹀㸰ࠉ㹁㹌㸵
㹁㹌㸶
㹁㹌㸲㸲
㹁㹌㸲㸱
㹁㹌㸲㸰
㹁㹌㸲㸯
㸴㸵
㸴㸶
㸴㸷
㸵㸮
㸵㸱
㸵㸰
㸵㸯
㸴㸰
㸴㸯
㸵㸲
㸷㸮
㸶㸷
㸶㸶
㸶㸵
㸶㸴
㸶㸳
㸶㸲
㸶㸱
㸶㸰
㸶㸯
㸶㸮
㸵㸷
㸵㸶
㸵㸵
㸵㸴
㸵㸳
㹃㹊㹃㹁ࠉ㹀㸿㹌㹉ࠉ㹐㸫㹑㹇㹂㹃ࠉ㹎㹁㹀ࠉ㸿㹑㹋
㹁㹌㸯㸵㸳㸴
㹁㹌㸯
㹁㹌㸯㸴
㹁㹌㸱㸶
㹁㹌㸱㸷
㹁㹌㸲㸮
㹁㹌㸱㸱
㹁㹌㸱㸲
㹁㹌㸱㸳
㹁㹌㸱㸴
㹁㹌㸱㸵
㹁㹌㸲㸶
㹁㹌㸲㸷
㹁㹌㸳㸮
㹁㹌㸳㸯
㹁㹌㸳㸰
㹁㹌㸲㸳
㹁㹌㸲㸴
㹁㹌㸲㸵
㹁㹌㸮㸴
㹁㹌㸮㸵
㹁㹌㸮㸶
㹁㹌㸮㸷
㹁㹌㸯㸮
㹁㹌㸮㸯
㹁㹌㸮㸰
㹁㹌㸮㸱
㹁㹌㸮㸲
㹁㹌㸮㸳
㹁㹌㸯㸴
㹁㹌㸯㸵
㹁㹌㸯㸶
㹁㹌㸯㸷
㹁㹌㸰㸮
㹁㹌㸯㸯
㹁㹌㸯㸰
㹁㹌㸯㸱
㹁㹌㸯㸲
㹁㹌㸯㸳
㹃㹊㹃㹁ࠉ㹀㸿㹌㹉ࠉ㹊㸫㹑㹇㹂㹃ࠉ㹎㹁㹀ࠉ㸿㹑㹋
㹁㹌㸱
㹃ࠉ㹀㸿㹌㹉ࠉ㹒㹐㹍㹊㹊㹃㹗ࠉ㹓㹌㹇㹒
㹃㹀㸯ࠉ㹁㹌㸱
㹃㹀㸯ࠉ㹁㹌㸳
㹄㹊㹓㹖㹃㹐
㹁㹌㸰㸯
㹁㹌㸰㸰
㹁㹌㸰㸶
㹁㹌㸰㸷
㹁㹌㸱㸮
㹁㹌㸱㸯
㹁㹌㸱㸰
㹁㹌㸰㸱
㹁㹌㸰㸲
㹁㹌㸰㸳
㹁㹌㸰㸴
㹁㹌㸰㸵
㹁㹌㸲
㹃㹀㸯ࠉ㹁㹌㸲
㹁㹌㸳
㹁㹌㸴
㹃㹀㸯ࠉ㹁㹌㸴
㹃㹀㸯ࠉ㹁㹌㸶
㹁㹌㸵
㹃㹀㸯ࠉ㹁㹌㸵
㹁㹌㸶
㹁㹌㸷
㹃㹀㸯ࠉ㹁㹌㸷
㹃㹀㸯ࠉ㹁㹌㸯㸯
㹁㹌㸯㸮
㹃㹀㸯ࠉ㹁㹌㸯㸮
㹁㹌㸯㸯
㹁㹌㸯㸰
㹃㹀㸯ࠉ㹁㹌㸯㸰
㹃㹀㸯ࠉ㹁㹌㸯㸲
㹁㹌㸯㸱
㹃㹀㸯ࠉ㹁㹌㸯㸱
㹁㹌㸯㸲
㹁㹌㸯㸳
㹃㹀㸯ࠉ㹁㹌㸯㸳
㹃㹀㸯ࠉ㹁㹌㸯㸵
㹁㹌㸯㸴
㹃㹀㸯ࠉ㹁㹌㸯㸴
㹁㹌㸯㸵
㹁㹌㸯㸶
㹃㹀㸯ࠉ㹁㹌㸯㸶
㹇㹂
㹁㹌㸳㸱
㹁㹌㸳㸲
㹁㹌㸳㸳
㹁㹌㸳㸴
㹁㹌㸱
㹃㹀㸰ࠉ㹁㹌㸱
㹃㹀㸰ࠉ㹁㹌㸳
㹁㹌㸲
㹃㹀㸰ࠉ㹁㹌㸲
㹁㹌㸳
㹁㹌㸴
㹃㹀㸰ࠉ㹁㹌㸴
㹁㹌㸷
㹃㹀㸰ࠉ㹁㹌㸷
㹃㹀㸰ࠉ㹁㹌㸯㸯
㹁㹌㸯㸮
㹃㹀㸰ࠉ㹁㹌㸯㸮
㹁㹌㸯㸯
㹁㹌㸯㸰
㹃㹀㸰ࠉ㹁㹌㸯㸰
㹃㹀㸰ࠉ㹁㹌㸯㸲
㹁㹌㸯㸱
㹃㹀㸰ࠉ㹁㹌㸯㸱
㹁㹌㸯㸲
㹁㹌㸯㸶 㹁㹌㸯
㹃㹀㸰ࠉ㹁㹌㸯㸶
㹁㹌㸰
㹁㹌㸯
㹁㹌㸯㸵
㹃㹖㹒㸫㹎㹍㹕
㹁㹊㹍㹑㹃
㹍㹎㹃㹌
㹑㹔
㹁㹌㸰
㹁㹓㹒㹒㹃㹐ࠉ㹍㹎㹃㹌
㹑㹃㹌㹑㹍㹐
㹁㹓㹒㹒㹃㹐ࠉ㹁㹊㹍㹑㹃ࠉ
㹑㹃㹌㹑㹍㹐
㹁㹓㹒㹒㹃㹐ࠉ㹑㸬㹔
㹒㹀㸯
㹒㹀㸰
㹒㹀㸱
㹒㹀㸲
㹒㹀㸯
㹒㹀㸰
㹒㹀㸱
㹒㹀㸲
㹄㹃㹃㹂㹃㹐ࠉ㹁㹍㹍㹊㹇㹌㹅
㸿㹇㹐ࠉ㹀㹊㹍㹕ࠉ㹑㹔
㹁㹌㸮㸴㸮㸵㸫㸯
㹃㹀㸰ࠉ㹁㹌㸰
㹃㹀㸰ࠉ㹁㹌㸯㸴
㹁㹌㸯
㹁㹌㸰
㹃㹀㸰ࠉ㹁㹌㸯㸵
㸿㹇㹐ࠉ㹀㹊㹍㹕ࠉ㹑㹔
㸦㹁㹌㸮㸴㸮㸵㸫㸯㸧
㸰㸰
㸰㸯
㸰㸵
㸯㸴 㸯㸵
㸰㸳
㸰㸴
㸰㸱
㸰㸶 㸱㸮
㸱㸳
㸱㸱㸱㸱㸱㸰㸱㸱㸱㸰
㸱㸴
㸱㸵 㸲㸯
㹑㹒㸿㹐㹒ࠉ㹑㹕㸦㹐㸧
㹑㹒㹍㹎ࠉ㹑㹕㸦㹐㸧
㸲㸳
㸲㸴
㸲㸷
㹁㹍㹌㹑㹍㹊㹃ࠉ㹑㹕㸦㹐㸧
㸱㸷
㸳㸮
㸳㸯
㸱
㸲
㸳
㸴 㸵 㸶
㸷㸰
㸯㸮
㸯㸯
㸯㸰
㸯㸱
㸯㸴 㸯㸵
㸲㸮
㸯㸶 㸯㸷㸯㸲 㸯㸳
㸦㹍㹎㸧ࠉ㹇㹄㹑㸫㹌㹖
㹁㹌㸲
㹐㹄㹇㹂ࠉ㹁㹆 㸲
㸳㸫㸱㸿
㸱㸫㸱㸿
㹁㹌㸱
㹋㹎㹁㸫㹁㸿㹌㸦㹐㸧
㹐㹄㹇㹂ࠉ㹁㹆
㸱
㹋㹎㹁㸰㹐
㹁㹌㸯㸤㹁㹌㸰
㹋㹎㹁㸫㹁㸿㹌㸦㹐㸧
㸱㸫㸯㹂
㹋㹎㹁㸯㹐
㹇㹑
㸯㸫㸯㸿
㸱㸶
㸷㸱
㸷
㸷㸲
㸷㸱
㸦㹍㹎㸧ࠉ㹒㹍㹐㹍㹊㹊㹃㹗
㹁㹌㸯㸱㸲㸷
㹀㸿㹌㹉ࠉ㸿㹇㹐
㹂㹍㹕㹌ࠉ㹑㹕ࠉ㸦㹐㸧
㸦㹍㹎㸧ࠉ㹒㹍㹐㹍㹊㹊㹃㹗
㹁㹌㸯㸱㸱㸲
㹀㸿㹌㹉ࠉ㹓㹎ࠉ㹑㹃㹌㹑㹍㹐
㸦㹑㹒㸧
㹄㹇㹖ࠉ㹀㸿㹌㹉
㹁㹌㸯㸱㸲㸷㸫㸯
㹁㹌㸯㸱㸲㸷
㸲㸱
㸲㸲
㸲㸰
㹑㹇㹅㹌㸿㹊ࠉ㹒㹍㹕㹃㹐
㸦㹍㹎㸧ࠉ㹇㹄㹑㸫㹌㹖

- 126 -
NOTE( 注記 ) #01....FOR EN(OPTIONAL PARTS) EN 用(オプション部品)
REF.NO NOTE PART NO D E S C R I P T I O N
品 名
Qty
1 401-28871 IO CONTROL PCB ASM
IOコントロール基板組
1
2 401-29323 IO-R BKR SERIAL CABLE ASM
IO−R BKRシリアルケーブル組
1
3 401-28872 SAFETY PCB ASM
セーフティー基板組
1
4 401-82246 R BKR-SF CABLE ASM
R BKR−SF ケーブル組
1
5 401-82245 SF-YR TOP SENSOR RELAY CABLE ASM
SF−YR トップセンサ中継ケーブル組
1
6 401-65028 XY LMT SENSOR ASM
XY LMTセンサ組
1
7 400-02254 COVER OPEN SW CABLE ASM
カバーオープンスイッチケーブル組
1
8 401-46405 COVER LOCK SV ASM
カバーロックSV組
1
9 401-29010 MINI SIGNAL TOWER CABLE ASM(OP)
ミニシグナルタワーケーブル組
1
10 401-82268 MTS I/F CABLE ASM
MTS I/Fケーブル組
1
11 401-84212 MTS I/F CABLE2 ASM
MTS I/Fケーブル2組
1
12 401-29336 MTS I/F BR CABLE ASM
MTS I/Fブラケットケーブル組
1
13 401-28875 CONVEYOR PCB ASM
搬送基板組
1
14 EZ-1755690-11 RELAY POWER (RJ1S-CLD-D24)
リレーパワー (RJ1S−CLD−D24)
1
15 EZ-1755691-11 SOCKET RELAY (SJ1S-05B)
ソケットリレー(SJ1S−05B)
1
16 401-83536 POWER SUPPLY UNIT B ASM
電源ユニットB組
1
17
#01
401-87824 POWER SUPPLY UNIT B ASM_EN
電源ユニットB組_EN
1
18 EZ-1755690-11 RELAY POWER (RJ1S-CLD-D24)
リレーパワー (RJ1S−CLD−D24)
1
19 EZ-1755691-11 SOCKET RELAY (SJ1S-05B)
ソケットリレー(SJ1S−05B)
1
20 401-28876 E BANK RELAY PCB ASM
Eバンクリレー基板組
1
21 401-29247 F EBKR FG CABLE ASM
F EBKR FGケーブル組
1
22 401-82296 EBKR-OUT LOADER SERIAL CABLE ASM2
EBKR−OUT ローダシリアルケーブル組2
1
23 401-82248 R BKR EU TOP PWR CABLE ASM
R BKR EU トップ電源ケーブル組
1
24 401-83349 NZL-UP SV CABLE ASM
NZL−UP SVケーブル組
1
25 401-82226 CN B4/B5-CN1341/1441 CABLE ASM
CN B4/B5−CN1341/1441ケーブル組
1
26 401-84380 CN1307/1407 - CN1344/1444 CABLE ASM
CN1307/1407 − CN1344/1444ケーブル組
1
27 401-84107 CN1443/1444 - RL4_6/10 CABLE ASM
CN1443/1444 − RL4_6/10ケーブル組
1
28 HB-0018100-00 RELAY
リレー
1
29 HB-0004800-10 RELAY
リレ− ソケット
1
30 HB-0002100-10 RELAY HOLOER PYC-A1
リレ−保持金具
1
31 401-85779 BKR-FD FLOAT E CABLE ASM
BKR−FD フロート Eケーブル組
1
32 401-81501 SEPARATE SENSOR RECEIVER ASM
セパレートセンサ_受光組
1
33 401-81502 SEPARATE SENSOR EMISSION ASM
セパレートセンサ_投光組
1
34 401-82265 BKR-FD FLOATLEFT E CABLE ASM
BKR−FD フロートレフト Eケーブル組
1
35 401-82818 BKR-BANK AIR SW RELAY CABLE ASM
BKR−BANK エアスイッチ中継ケーブル組
1
36 401-29082 R BKR-OPSW RELAY CABLE ASM
R BKR−OPSW リレーケーブル組
1
37 401-90601 START SW CABLE ASM
スタートスイッチケーブル組
1
38 401-87771 MPC CABLE ASM(RS-1)
MPC ケーブル組(RS−1)
1
39 401-29025 EMG SW CABLE ASM
EMGスイッチケーブル組
1
40 401-84213 MTS I/F CABLE3 ASM
MTS I/F ケーブル3組
1
41 401-90602 STOP SW CABLE ASM
ストップスイッチケーブル組
1
42 401-29070 BANK UP SENSOR CABLE ASM
バンクアップセンサケーブル組
1
43 401-29069 BKR-BANK AIR SW CABLE ASM
BKR−BANK エアスイッチケーブル組
1
44 PV-0151250-00 MANUAL VALVE
マニュアル バルブ
1
45 401-29023 CONSOLE SW CABLE ASM
コンソールスイッチケーブル組
1
46 HA-0055200-40 SWITCH
スイッチ
1
47 HA-0055200-30 SWITCH
スイッチ
1
48 HA-0055200-1C SWITCH
スイッチ
1
49 HA-0053400-70 SWITCH
スイッチ
1
50 401-29151 R BKR-AIR(N) RELAY CABLE ASM
R BKR−AIR(N)中継ケーブル組
1
51 401-29080 AIR(N) SENSOR CABLE ASM
エア(N) センサケーブル組
1
52 401-82228 E BANK SERIAL CABLE ASM
E バンクシリアルケーブル組
1
53 401-69473 BANK ID PCB (RF) ASM
バンクID基板(RF)組
1
54 401-82213 BANK CABLE (IFS-NX) ASM
バンクケーブル (IFS−NX)組
1
55 401-82211 BANK CABLE (EXT-POW) ASM
バンクケーブル (EXT−POW)組
1
56 400-84835 CUT OPEN SENS ASM
カッターオープンセンサ組
1
57 400-84839 CUT CLOSE SENS ASM
カッタークローズセンサ組
1
58 400-84836 CUT SV CABLE ASM
カッターSVケーブル組
1
59 401-82212 E BANK PCB-E CUTTER IF CABLE ASM
E バンク PCB−E カッターIFケーブル組
1
60 401-83784 ELEC BANK R-SIDE PCB ASM
ELECバンク R−SIDE基板組
1
61 401-82198 BANK CABLE (33_34-EB2 CN3) ASM
バンクケーブル (33_34−EB2 CN3)組
1
62 401-82199 BANK CABLE (35_36-EB2 CN4) ASM
バンクケーブル (35_36−EB2 CN4)組
1
63 401-82200 BANK CABLE (37_38-EB2 CN5) ASM
バンクケーブル (37_38−EB2 CN5)組
1
64 401-82201 BANK CABLE (39_40-EB2 CN6) ASM
バンクケーブル (39_40−EB2 CN6)組
1
65 401-82202 BANK CABLE (41_42-EB2 CN7) ASM
バンクケーブル (41_42−EB2 CN7)組
1
66 401-82203 BANK CABLE (43_44-EB2 CN8) ASM
バンクケーブル (43_44−EB2 CN8)組
1
67 401-82204 BANK CABLE (45_46-EB2 CN9) ASM
バンクケーブル (45_46−EB2 CN9)組
1
68 401-82205 BANK CABLE (47_48-EB2 CN10) ASM
バンクケーブル (47_48−EB2 CN10)組
1
69 401-82206 BANK CABLE (49_50-EB2 CN11) ASM
バンクケーブル (49_50−EB2 CN11)組
1
70 401-82207 BANK CABLE (51_52-EB2 CN12) ASM
バンクケーブル (51_52−EB2 CN12)組
1
71 401-82208 BANK CABLE (53_54-EB2 CN13) ASM
バンクケーブル (53_54−EB2 CN13)組
1
72 401-82209 BANK CABLE (55_56-EB2 CN14) ASM
バンクケーブル (55_56−EB2 CN14)組
1
73 401-82210 CAN JAMPER CABLE ASM
CAN ジャンパーケーブル組
1
74 401-83783 ELEC BANK L-SIDE PCB ASM
ELECバンク L−SIDE基板組
1
75 401-82182 BANK CABLE (1_2-EB1 CN3) ASM
バンクケーブル (1_2−EB1 CN3)組
1
76 401-82183 BANK CABLE (3_4-EB1 CN4) ASM
バンクケーブル (3_4−EB1 CN4)組
1
77 401-82184 BANK CABLE (5_6-EB1 CN5) ASM
バンクケーブル (5_6−EB1 CN5)組
1
78 401-82185 BANK CABLE (7_8-EB1 CN6) ASM
バンクケーブル (7_8−EB1 CN6)組
1
79 401-82186 BANK CABLE (9_10-EB1 CN7) ASM
バンクケーブル (9_10−EB1 CN7)組
1
80 401-82187 BANK CABLE (11_12-EB1 CN8) ASM
バンクケーブル (11_12−EB1 CN8)組
1
81 401-82188 BANK CABLE (13_14-EB1 CN9) ASM
バンクケーブル (13_14−EB1 CN9)組
1
82 401-82189 BANK CABLE (15_16-EB1 CN10) ASM
バンクケーブル (15_16−EB1 CN10)組
1
83 401-82190 BANK CABLE (17_18-EB1 CN11) ASM
バンクケーブル (17_18−EB1 CN11)組
1
84 401-82191 BANK CABLE (19_20-EB1 CN12) ASM
バンクケーブル (19_20−EB1 CN12)組
1
85 401-82192 BANK CABLE (21_22-EB1 CN13) ASM
バンクケーブル (21_22−EB1 CN13)組
1
86 401-82193 BANK CABLE (23_24-EB1 CN14) ASM
バンクケーブル (23_24−EB1 CN14)組
1
87 401-82194 BANK CABLE (25_26-EB1 CN15) ASM
バンクケーブル (25_26−EB1 CN15)組
1
88 401-82195 BANK CABLE (27_28-EB1 CN16) ASM
バンクケーブル (27_28−EB1 CN16)組
1
89 401-82196 BANK CABLE (29_30-EB1 CN17) ASM
バンクケーブル (29_30−EB1 CN17)組
1
90 401-82197 BANK CABLE (31_32-EB1 CN18) ASM
バンクケーブル (31_32−EB1 CN18)組
1
91 401-86335 FEEDER AIR BLOW CABLE ASM
フィーダエアブローケーブル組
1
92 HE-0005700-00 INDICATOR LAMP
ランプ
1
93 401-69048 MPC-CAN
MPC−CAN
1
94 401-29126 HUB-MTS SERIAL WIRE ASM(IS)
HUB−MTS シリアルワイヤー組
1