RS-1-Rev05 - 第132页
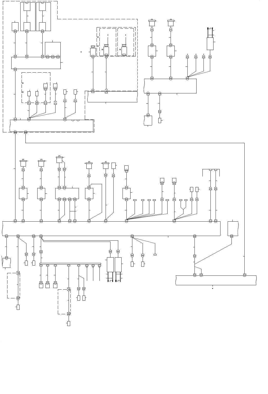
- 127 - 64. SYSTEM DIAGRAM (4) SYSTEM DIAGRA M (4) (FRONT SIDE) (BACK SIDE) COUT SMEMA IDLE DIR CN1130 CN3 0 3-2D OL MOTOR OL DRIVER(2PHASE) (FRONT SIDE) 4-1A CONVEYOR PCB ( L) (BAC K SI DE) COUT SENSOR AMP CN1129 CN29 S…

- 126 -
NOTE( 注記 ) #01....FOR EN(OPTIONAL PARTS) EN 用(オプション部品)
REF.NO NOTE PART NO D E S C R I P T I O N
品 名
Qty
1 401-28871 IO CONTROL PCB ASM
IOコントロール基板組
1
2 401-29323 IO-R BKR SERIAL CABLE ASM
IO−R BKRシリアルケーブル組
1
3 401-28872 SAFETY PCB ASM
セーフティー基板組
1
4 401-82246 R BKR-SF CABLE ASM
R BKR−SF ケーブル組
1
5 401-82245 SF-YR TOP SENSOR RELAY CABLE ASM
SF−YR トップセンサ中継ケーブル組
1
6 401-65028 XY LMT SENSOR ASM
XY LMTセンサ組
1
7 400-02254 COVER OPEN SW CABLE ASM
カバーオープンスイッチケーブル組
1
8 401-46405 COVER LOCK SV ASM
カバーロックSV組
1
9 401-29010 MINI SIGNAL TOWER CABLE ASM(OP)
ミニシグナルタワーケーブル組
1
10 401-82268 MTS I/F CABLE ASM
MTS I/Fケーブル組
1
11 401-84212 MTS I/F CABLE2 ASM
MTS I/Fケーブル2組
1
12 401-29336 MTS I/F BR CABLE ASM
MTS I/Fブラケットケーブル組
1
13 401-28875 CONVEYOR PCB ASM
搬送基板組
1
14 EZ-1755690-11 RELAY POWER (RJ1S-CLD-D24)
リレーパワー (RJ1S−CLD−D24)
1
15 EZ-1755691-11 SOCKET RELAY (SJ1S-05B)
ソケットリレー(SJ1S−05B)
1
16 401-83536 POWER SUPPLY UNIT B ASM
電源ユニットB組
1
17
#01
401-87824 POWER SUPPLY UNIT B ASM_EN
電源ユニットB組_EN
1
18 EZ-1755690-11 RELAY POWER (RJ1S-CLD-D24)
リレーパワー (RJ1S−CLD−D24)
1
19 EZ-1755691-11 SOCKET RELAY (SJ1S-05B)
ソケットリレー(SJ1S−05B)
1
20 401-28876 E BANK RELAY PCB ASM
Eバンクリレー基板組
1
21 401-29247 F EBKR FG CABLE ASM
F EBKR FGケーブル組
1
22 401-82296 EBKR-OUT LOADER SERIAL CABLE ASM2
EBKR−OUT ローダシリアルケーブル組2
1
23 401-82248 R BKR EU TOP PWR CABLE ASM
R BKR EU トップ電源ケーブル組
1
24 401-83349 NZL-UP SV CABLE ASM
NZL−UP SVケーブル組
1
25 401-82226 CN B4/B5-CN1341/1441 CABLE ASM
CN B4/B5−CN1341/1441ケーブル組
1
26 401-84380 CN1307/1407 - CN1344/1444 CABLE ASM
CN1307/1407 − CN1344/1444ケーブル組
1
27 401-84107 CN1443/1444 - RL4_6/10 CABLE ASM
CN1443/1444 − RL4_6/10ケーブル組
1
28 HB-0018100-00 RELAY
リレー
1
29 HB-0004800-10 RELAY
リレ− ソケット
1
30 HB-0002100-10 RELAY HOLOER PYC-A1
リレ−保持金具
1
31 401-85779 BKR-FD FLOAT E CABLE ASM
BKR−FD フロート Eケーブル組
1
32 401-81501 SEPARATE SENSOR RECEIVER ASM
セパレートセンサ_受光組
1
33 401-81502 SEPARATE SENSOR EMISSION ASM
セパレートセンサ_投光組
1
34 401-82265 BKR-FD FLOATLEFT E CABLE ASM
BKR−FD フロートレフト Eケーブル組
1
35 401-82818 BKR-BANK AIR SW RELAY CABLE ASM
BKR−BANK エアスイッチ中継ケーブル組
1
36 401-29082 R BKR-OPSW RELAY CABLE ASM
R BKR−OPSW リレーケーブル組
1
37 401-90601 START SW CABLE ASM
スタートスイッチケーブル組
1
38 401-87771 MPC CABLE ASM(RS-1)
MPC ケーブル組(RS−1)
1
39 401-29025 EMG SW CABLE ASM
EMGスイッチケーブル組
1
40 401-84213 MTS I/F CABLE3 ASM
MTS I/F ケーブル3組
1
41 401-90602 STOP SW CABLE ASM
ストップスイッチケーブル組
1
42 401-29070 BANK UP SENSOR CABLE ASM
バンクアップセンサケーブル組
1
43 401-29069 BKR-BANK AIR SW CABLE ASM
BKR−BANK エアスイッチケーブル組
1
44 PV-0151250-00 MANUAL VALVE
マニュアル バルブ
1
45 401-29023 CONSOLE SW CABLE ASM
コンソールスイッチケーブル組
1
46 HA-0055200-40 SWITCH
スイッチ
1
47 HA-0055200-30 SWITCH
スイッチ
1
48 HA-0055200-1C SWITCH
スイッチ
1
49 HA-0053400-70 SWITCH
スイッチ
1
50 401-29151 R BKR-AIR(N) RELAY CABLE ASM
R BKR−AIR(N)中継ケーブル組
1
51 401-29080 AIR(N) SENSOR CABLE ASM
エア(N) センサケーブル組
1
52 401-82228 E BANK SERIAL CABLE ASM
E バンクシリアルケーブル組
1
53 401-69473 BANK ID PCB (RF) ASM
バンクID基板(RF)組
1
54 401-82213 BANK CABLE (IFS-NX) ASM
バンクケーブル (IFS−NX)組
1
55 401-82211 BANK CABLE (EXT-POW) ASM
バンクケーブル (EXT−POW)組
1
56 400-84835 CUT OPEN SENS ASM
カッターオープンセンサ組
1
57 400-84839 CUT CLOSE SENS ASM
カッタークローズセンサ組
1
58 400-84836 CUT SV CABLE ASM
カッターSVケーブル組
1
59 401-82212 E BANK PCB-E CUTTER IF CABLE ASM
E バンク PCB−E カッターIFケーブル組
1
60 401-83784 ELEC BANK R-SIDE PCB ASM
ELECバンク R−SIDE基板組
1
61 401-82198 BANK CABLE (33_34-EB2 CN3) ASM
バンクケーブル (33_34−EB2 CN3)組
1
62 401-82199 BANK CABLE (35_36-EB2 CN4) ASM
バンクケーブル (35_36−EB2 CN4)組
1
63 401-82200 BANK CABLE (37_38-EB2 CN5) ASM
バンクケーブル (37_38−EB2 CN5)組
1
64 401-82201 BANK CABLE (39_40-EB2 CN6) ASM
バンクケーブル (39_40−EB2 CN6)組
1
65 401-82202 BANK CABLE (41_42-EB2 CN7) ASM
バンクケーブル (41_42−EB2 CN7)組
1
66 401-82203 BANK CABLE (43_44-EB2 CN8) ASM
バンクケーブル (43_44−EB2 CN8)組
1
67 401-82204 BANK CABLE (45_46-EB2 CN9) ASM
バンクケーブル (45_46−EB2 CN9)組
1
68 401-82205 BANK CABLE (47_48-EB2 CN10) ASM
バンクケーブル (47_48−EB2 CN10)組
1
69 401-82206 BANK CABLE (49_50-EB2 CN11) ASM
バンクケーブル (49_50−EB2 CN11)組
1
70 401-82207 BANK CABLE (51_52-EB2 CN12) ASM
バンクケーブル (51_52−EB2 CN12)組
1
71 401-82208 BANK CABLE (53_54-EB2 CN13) ASM
バンクケーブル (53_54−EB2 CN13)組
1
72 401-82209 BANK CABLE (55_56-EB2 CN14) ASM
バンクケーブル (55_56−EB2 CN14)組
1
73 401-82210 CAN JAMPER CABLE ASM
CAN ジャンパーケーブル組
1
74 401-83783 ELEC BANK L-SIDE PCB ASM
ELECバンク L−SIDE基板組
1
75 401-82182 BANK CABLE (1_2-EB1 CN3) ASM
バンクケーブル (1_2−EB1 CN3)組
1
76 401-82183 BANK CABLE (3_4-EB1 CN4) ASM
バンクケーブル (3_4−EB1 CN4)組
1
77 401-82184 BANK CABLE (5_6-EB1 CN5) ASM
バンクケーブル (5_6−EB1 CN5)組
1
78 401-82185 BANK CABLE (7_8-EB1 CN6) ASM
バンクケーブル (7_8−EB1 CN6)組
1
79 401-82186 BANK CABLE (9_10-EB1 CN7) ASM
バンクケーブル (9_10−EB1 CN7)組
1
80 401-82187 BANK CABLE (11_12-EB1 CN8) ASM
バンクケーブル (11_12−EB1 CN8)組
1
81 401-82188 BANK CABLE (13_14-EB1 CN9) ASM
バンクケーブル (13_14−EB1 CN9)組
1
82 401-82189 BANK CABLE (15_16-EB1 CN10) ASM
バンクケーブル (15_16−EB1 CN10)組
1
83 401-82190 BANK CABLE (17_18-EB1 CN11) ASM
バンクケーブル (17_18−EB1 CN11)組
1
84 401-82191 BANK CABLE (19_20-EB1 CN12) ASM
バンクケーブル (19_20−EB1 CN12)組
1
85 401-82192 BANK CABLE (21_22-EB1 CN13) ASM
バンクケーブル (21_22−EB1 CN13)組
1
86 401-82193 BANK CABLE (23_24-EB1 CN14) ASM
バンクケーブル (23_24−EB1 CN14)組
1
87 401-82194 BANK CABLE (25_26-EB1 CN15) ASM
バンクケーブル (25_26−EB1 CN15)組
1
88 401-82195 BANK CABLE (27_28-EB1 CN16) ASM
バンクケーブル (27_28−EB1 CN16)組
1
89 401-82196 BANK CABLE (29_30-EB1 CN17) ASM
バンクケーブル (29_30−EB1 CN17)組
1
90 401-82197 BANK CABLE (31_32-EB1 CN18) ASM
バンクケーブル (31_32−EB1 CN18)組
1
91 401-86335 FEEDER AIR BLOW CABLE ASM
フィーダエアブローケーブル組
1
92 HE-0005700-00 INDICATOR LAMP
ランプ
1
93 401-69048 MPC-CAN
MPC−CAN
1
94 401-29126 HUB-MTS SERIAL WIRE ASM(IS)
HUB−MTS シリアルワイヤー組
1

- 127 -
64.SYSTEM DIAGRAM (4)
SYSTEM DIAGRAM(4)
(FRONT SIDE)
(BACK SIDE)
COUT
SMEMA
IDLE
DIR
CN1130
CN30
3-2D
OL MOTOR
OL DRIVER(2PHASE)
(FRONT SIDE)
4-1A
CONVEYOR PCB (L)
(BAC K SIDE)
COUT SENSOR
AMP
CN1129
CN29
STOP SENS
MECHANICAL
STOPPER SENSOR
CN6
CN31
CN1106 CN1152
CN1
CN3
CN1153
CN1161
CN1131
CN115 0
CN1
CN3
CN1128
CN28
CN1151
CL DRIVER(2PHASE)
CN1160
CL MOTOR
CN0307
CN7
IO CONTROL PCB
LIGHT UP
SENSOR
LIGHT DOWN
SE NSOR
CN1230
CN1240
CN2009
CN9
CN18
4-4C
CONV EYOR PCB (L)
L/R-STOP SV
3-1D
OR MOTOR
OR DRIVER(2PHASE)
CN1118
CN0013
CN13
CN109 1
(FRONT SIDE)
VCS OPTION
4-3C
L-STOP SENS
STOPPER SV
L-STOP SV
CN3
CN1
CN2
IP-X11 PCB
3-1D
SMEMA
SMEMA
5-3A
3-3A
5-1A
2-1D
3-1A
ATC SV
CAL VAC
CN1078-8 SMEMA
CN1078-7 DI R
CN1078-6 IDLE
CN1078-S5
CN1078-S4
BU CNG(R)
BU CNG(L)
CN1078-2
CN1078-1
CN1096
CN1095
FLUXER 2P
FLUXER 4P
CN0018
CN18
S COAXIAL
LIGHT PCB
CN4
CN3
CN2
CN1
SIDE CN1
CN1
SIDE LIGHT ASM
CN6
VCS CN9
CN1
SIDE CN1
CN1
SIDE LIGHT ASM
CN5
VCS CN9
BACK CN1
CN1
BACK LIGHT PCB
CN7
BOTTOM CN9
BOTTOM LIGHT PCB
VCS CN1
CN1
CN7
CN11
CN4
CN2004
LIGHT CTRL PCB( F)
CN2010
CN10
CN5
CN2001
CN1
CN27
CN1027
CN16
CN1016
CN19
CN1019
SMEMA R SIDE
SMEMA L SIDE
COVER
CN26
CN1026
BU LOCK
BU CHANGE
SENSOR(R)
CN1074
CN1073
BU CHANGE
SENSOR(L)
CN25
CN1025
ATC SENSOR CLOSE
CN1088
ATC SENSOR OPEN
CN1087
CN1089
ATC1 S. V.
CN24
CN1024
CN1088
CN1087
CN1083
CAL VACUUM S.V.
CN1082
CN1
CN2
CN1095
CAL BLOCK PCB
CN1081
(BACK SIDE)
WAIT SENSOR 1
AMP
WAIT1
WAIT2
WAIT SENSOR 2
AMP
BU PIN DETECT
SENSOR(EMI)
CN443
BU PIN DETECT
SENSOR(REC)
CN444
SIDE SENSOR(L)
CN1072
BU CHANGE S.V.(R)
BU CHANGE S.V.(L)
CN14
CN1014
CN1079
CN30
CN1030
CAL VACUUM SENSOR
CN1067
ORG SENSOR(BU)
CN1029
CN29
CN1065
SIDE SENSOR (R)
CN2
CN1002
ORG SENSOR(AWC)
CN1066
CN658
AWC ENCODER
CN4
CN1004
CN1057
CN1
CN2
CN1058
5PHASE AWC DRIVER
CN1059
AWC MOTOR
BU MOTOR
CN1063
CN7
CN1007
CN11
CN1011
CN8
CN1008
BU SERVO D RIVER
CN5
CN3
CN1062
CN1062
CN8
CN1056
CN1
CN1055
CN2
CN1054
CN7
CN6
CN31
CN1006
CN1052
CN1
CN3
CN1053
CN1061
CN1031 CN1050
CN1
CN3
CN1018
CN18
CN1028
CN28
CN1051
CR DRIVER(2PHASE)
CN1060
CR MOTOR
CN0303
CN0016
POWER SUPPLY UNIT B
CN16
CN3
IO CONTROL PCB
1
2
3
4 5
6
7 12
11
SBL 1
-PANEL
SBL1
SB1
8 9
16 17
CONV EYOR PCB (R)
3
14
15
181920
21
22
21
22
25
25
27
26
30 31
32
81
33
34
35
34
36
38 38
36
37 37
39 39
43
40
46
45
42
44
41
49 51
52
47
50
48
53
55
54
56
58
57
M STOPPER[L] S.V.
59 59
60 62
61 61
63
64
65
66
68 68
10
75
76 77
69
70 72 72
74
71
73 73
1
28
29
13
34
36 36 23
38 38
3737
39 39
242424
25
22
21
26
CAMERA
RENS
(OP) VCS
27mm or 10mm
(OP) VCS
27mm or 10mm
CN4
CN1
CN4
CN476
LIGHT RISING S.V.
CN476
LIGHT SLIDE S.V.
CN474
CN475
LIGHTOPSIDESENSOR
LIGHTSTSIDESENSOR
BU LOCK
CN1078-3
BU LOCK S.V.
CN1072
CN1072
(OP) CONVEYOR
EXTENSION 150mm or 250mm
CN1065
CN1065
LIGHT SV
VCS SV
CN474
CN475
CN2005
82
83
(OP) CONVEYOR
EXTENSION 150mm or 250mm
82
CN1072
67
67
8686
8584
75
76 78
VCS ( 27mm )
79 80
VCS ( 10mm )
CAMERA
RENS
VCS STA NDARD
CAMERA
RENS

- 128 -
NOTE( 注記 ) #01....FOR EN(OPTIONAL PARTS) EN 用(オプション部品)
REF.NO NOTE PART NO D E S C R I P T I O N
品 名
Qty
1 401-28871 IO CONTROL PCB ASM
IOコントロール基板組
1
2 401-82259 IO-R CNV SERIAL CABLE ASM
IO−R CNVシリアルケーブル組
1
3 401-29046 SIDE SENSOR CABLE ASM
サイドセンサケーブル組
1
4 401-29042 AWC/BU ORG SENSOR CABLE ASM
AWC/BU原点センサワイヤー組
1
5 401-29080 AIR(N) SENSOR CABLE ASM
エア(N) センサケーブル組
1
6 401-82336 SIDE(R)/BU-ORG CABLE ASM
SIDE(R)/BU−ORGケーブル組
1
7 401-29256 CONVEYOR(F)-CAL VAC(S/R) CABLE ASM
搬送(F)−CAL VAC(S/R)ケーブル組
1
8 401-29051 BU CHANGE L SV CABLE ASM
BU チェンジ L SV ケーブル組
1
9 401-29052 BU CHANGE R SV CABLE ASM
BU チェンジ R SV ケーブル組
1
10 401-90921 IP-X11 SET GEN ASM(RS-1)
IP−X11 汎用機 セット組図(RS−1)
1
11 400-47908 SBL2 CABLE ASM
センサブロックL2束線組
1
12 401-82337 CNV RELAY CABLE ASM
CNVリレーケーブル組
1
13 401-56968 STOPPER SENSOR ASM
ストッパセンサ組
1
14 401-61237 BU PIN RECEIVE SENS ASM
BUピン受光センサ組
1
15 401-61236 BU PIN EMISSION SENS ASM
BUピン投光センサ組
1
16 401-82338 SIDE SENSOR(L) CABLE ASM
サイドセンサ(L)ケーブル組
1
17 401-82339 BU PIN DETECT SENSOR CABLE ASM
BUピン検出センサケーブル組
1
18 401-29056 CNV AUTO SET1 WIRE ASM
CNV オートセット1 ワイヤー組
1
19 401-29059 CNV AUTO SET2 WIRE ASM
CNV オートセット2 ワイヤー組
1
20 401-29060 CNV AUTO SET3 WIRE ASM
CNV オートセット3 ワイヤー組
1
21 401-82350 FIBER SENSOR
ファイバセンサ
1
22 HD-0010700-30 SENSOR
センサ
1
23 401-82334 CNV AUTO SET CABLE ASM
CNVオートセットケーブル組
1
24 401-82335 SHORT CONNTCTOR ASM
ショートコネクタ組
1
25 401-29061 STOP SENSOR CABLE ASM
ストップセンサケーブル組
1
26 401-29048 BU CHANGE CABLE ASM
BUチェンジケーブル組
1
27 401-82341 BU UNIT SENSOR RELAY CABLE ASM
BU ユニットセンサリレーケーブル組
1
28 401-82333 IO-L CNV SERIAL CABLE ASM
IO−L CNVシリアルケーブル組
1
29 401-82346 STOP SENS CABLE ASM
STOPセンサケーブル組
1
30 401-83536 POWER SUPPLY UNIT B ASM
電源ユニットB組
1
31
#01
401-87824 POWER SUPPLY UNIT B ASM_EN
電源ユニットB組_EN
1
32 401-82329 CNV PWR RLY CABLE ASM
CNV 電源リレーケーブル組
1
33 401-33013 LIGHT CONTROL F POWER ASM
ライトコントロールF 電源ケーブル組
1
34 401-28875 CONVEYOR PCB ASM
搬送基板組
1
35 401-82343 LTCTL SERIAL CABLE ASM
LTCTLシリアルケーブル組
1
36 401-82344 MOTOR DRIVER CABLE ASM
モータドライバケーブル組
1
37 401-54209 2PHASE DRIVER PCB ASM
2相ドライバ基板組
1
38 401-82330 MOTOR CABLE ASM
モータケーブル組
1
39 401-58136 2PHASE STEPPING MOTOR
2相ステッピングモータ
1
40 401-29035 BU AXIS CONTROL CABLE ASM
BU軸 コントロールケーブル組
1
41 401-29636 BU AXIS SERVO AMP
BU軸サーボドライバ
1
42 401-82332 BU MOTOR POWER CABLE ASM
BUモータ電源ケーブル組
1
43 401-29637 BU AXIS SERVO MOTOR
BU軸サーボモータ
1
44 401-82327 BU MOTOR ENCODER CABLE ASM
BUモータエンコーダケーブル組
1
45 401-29036 BU AXIS POWER CABLE ASM
BU軸 電源ケーブル組
1
46 401-82331 BU AXIS ENCODER CABLE ASM
BU軸 エンコーダケーブル組
1
47 401-29039 AWC MOTOR(S)CABLE ASM
AWCモータ(S)ケーブル組
1
48 HM-0013200-00 STEPPING MOTOR
モータドライバ
1
49 401-29040 AWC MOTOR ASM
AWCモータ組
1
50 401-29041 AWC ENC/ORG RELAY(S)CABLE ASM
AWC ENC/ORGリレー(S)ケーブル組
1
51 E9433-729-0A0 BU ENC ASM.
BU ENC組
1
52 401-29002 NEAR SENSOR CABLE ASM
ニアセンサケーブル組
1
53 401-56965 L-STOPPER RELAY CABLE ASM
Lストッパリレーケーブル組
1
54 400-07376 CALBLOCK PCB ASM
CALブロック基板組
1
55 401-29260 CAL-VACUUM SV CABLE ASM
CAL−VACUUM SV ケーブル組
1
56 401-56969 STOPPER SV CABLE ASM
ストッパSVケーブル組
1
57 401-82340 CNV-ATC(F) CABLE ASM
CNV−ATC(F)ケーブル組
1
58 401-29261 ATC SV CABLE ASM
ATC SV ケーブル組
1
59 401-29062 PHOTOMICRO SENSOR ASM
フォトマイクロセンサ組
1
60 401-82342 CNV-SMEMA L RELAY (F) CABLE ASM
CNV−SMEMA L 中継(F)ケーブル組
1
61 401-29031 SMEMA CABLE ASM
スメマケーブル組
1
62 401-29029 CNV-SMEMA R RELAY (F) CABLE ASM
CNV−SMEMA R 中継(F)ケーブル組
1
63 401-32991 LIGHT CONTROL PCB ASM
ライトコントロール基板組
1
64 401-83434 VCS LIGHT CABLE ASM
VCS ライトケーブル組
1
65 401-82347 VCS SENS CABLE ASM
VCSセンサケーブル組
1
66 401-82348 VCS UP-DOWN SENS CABLE ASM
VCS上下センサケーブル組
1
67 400-02148 VCS SV CABLE ASM
VCS SVケーブル組
1
68 401-65028 XY LMT SENSOR ASM
XY LMTセンサ組
1
69 401-80852 BOTTOM LIGHT PCB ASM
ボトムライト基板組
1
70 401-09805 S_BACK LIGHT CABLE ASM
S_バックライトケーブル組
1
71 401-32986 BACK LIGHT PCB ASM
バックライト基板組
1
72 401-33015 SIDE LIGHT CABLE ASM
サイドライトケーブル組
1
73 401-80854 SIDE LIGHT ASM
サイドライト組
1
74 401-80857 COAXIAL LIGHT PCB ASM
コアキシャルライト基板組
1
75 401-33146 CAMERALINK CABLE SS 3M
カメラリンクケーブル SS 3M
1
76 401-33149 VCS CAMERA
VCSカメラ
1
77 401-09807 S_VCS LENS STD
S_VCSレンズSTD
1
78 401-09808 S_VCS LENS OPT
S_VCSレンズOPT
1
79 401-88244 VCS CAMERA
VCSカメラ
1
80 401-88312 VCS3 LENS
VCS3レンズ
1
81 401-82328 CNV PWR CABLE ASM
CNV 電源ケーブル組
1
82 401-50822 IN/OUT SENS RLY CABLE ASM
IN/OUTセンサ中継ケーブル組
1
83 401-29053 BU LOCK SV CABLE ASM
BUロックSVケーブル組
1
84 400-02146 VCS ST SENS ASM
VCS STセンサ組
1
85 400-02147 VCS OP SENS ASM
VCS ENセンサ組
1
86 PV-1502093-00 5-PORT SOLENOID VALVE
5ポート電磁弁
1