Schmtic_GPX_07_ - 第10页
Downloaded at 2010/04/07 18:31 JST by 3PYM4216 DL#jdS6Xojc ( M 1 N F 1 ) Z C 1 / M 1 R 0 1 0 々 ① S 0 1 0 T 010 々 ③ P O W « , K T T B K T _ 0 巳 TLQM ” R 0 0 1 o r R 0 0 3 ^ R 0 0 4 - o S 1 D 卜 、 T O T H E R M O S T A T I …

Downloaded at 2010/04/07 18:31 JST by 3PYM4216 DL#jdS6Xojc
PREVIOUS
PANEL
TRANSFER
PCB
前工程安全確認信号
]
衫夕
NEXT
PANEL
TRANSFER
PCB
後工程安全確認信号
]
衫夕
後工程側
NEXT
SIDE
前工
Si
PREVIOUS
SIDE
麵基板
(
M
0
PCB
1
)
CONTROL
BOARD
API
/
MO
60
1
615
安全屝閉
D
ffilS
SAFETY
DOOR
CLOSE
OK
後工程安鋼
l
:
確認
NEXT
SIDE
SAFETY
DOOR
CLOSE
(
M
1
CR
3
X
)
OK
L A
5
602
»
6
1
6
KA
3
X
/
M
1
CN
-
0
P
4
1826
A
6
B
6
j
603
»
617
CN
-
0
P
4
-
2
604
618
B
7
605
^
t
>
«
619
前工鞍擺
L
:
確認
PREVIOUS
SIDE
SAFETY
DOOR
CLOSE
OK
ci
基
LD
B
8
606
^
t
>
«
620
安全屝閉
G
確認
SAFETY
DOOR
CLOSE
OK
(
M
1
CR
3
X
)
A
7
607
<
3
^
621
KA
3
X
/
M
1
CN
-
OP
4
-
1826
-
3
A
8
608
<
3
^
622
CN
-
0
P
4
-
4
609
623
610
624
61
1
625
612
626
613
627
614
628
629
電気回路線図
CIRCUIT
DIAGRAM
NAME
PAGE
TITLE
前後工程
1
/
F
制御回路
F
/
R
INTERFACE
CONTROL
CIRCUIT
TYPE
GPX
DRAWING
No
.
%
M
0
REQ
282
Q

Downloaded at 2010/04/07 18:31 JST by 3PYM4216 DL#jdS6Xojc
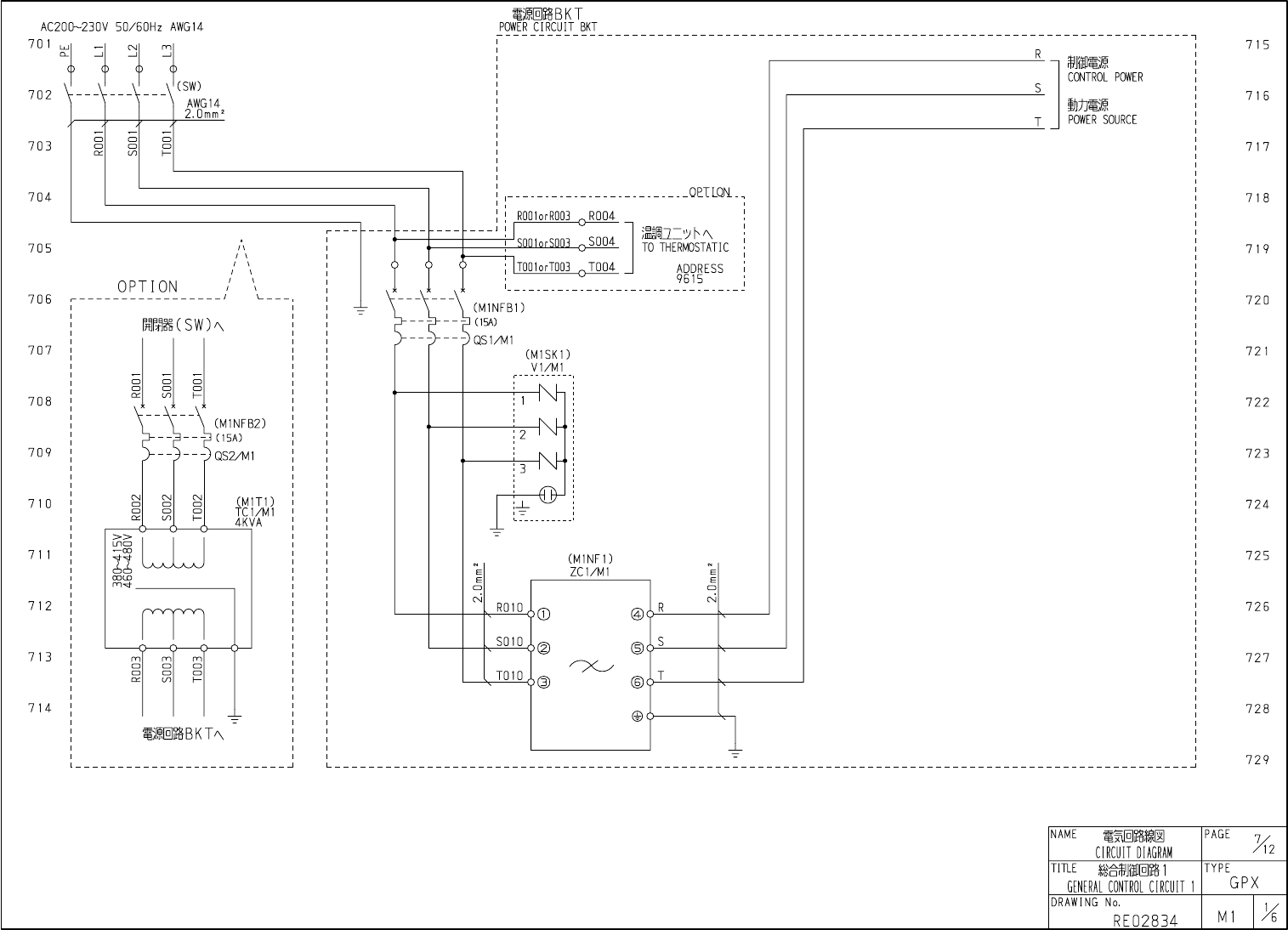
(
M
1
NF
1
)
ZC
1
/
M
1
R
010
々
①
S
010
T
010
々
③
POW
«
,
KTTBKT
_
0
巳
TLQM
”
R
001
orR
003
^
R
004
-
o
S
1
D
卜
、
TO
THERMOSTATIC
S
001
orS
003
^
S
004
-
o
lTQQ
1
orTQQ
3
TQ
04
ADDRESS
O
9615
(
M
1
NFB
1
)
(
15
A
)
-
-
0
QS
1
/
V
11
(
M
1
SK
1
)
V
1
/
M
1
Nn
2
~
Kh
'
o
o o
(
V
—
m
m
m
o
電源回路
BKT
/
\
開閉器
(
SW
)
/
\
5
o
o
a
\
(
M
1
NFB
2
)
--
p
(
15
A
)
--
JQS
2
/
M
1
s
g
a
4
-
KVA
AC
200
~
230
V
50
/
60
Hz
AWGU
70
1
CN
rn
LLJ
C
)
(
)
(
)
(
)
(
SW
)
702
AWGU
2.0
mm
2
o
o o
o
703
704
705
OPTION
706
707
708
709
7
10
7
11
712
714
7
15
R
制御
■
原
CONTROL
POWER
S
716
動力
IS
POWER
SOURCE
717
7
18
7
19
720
721
722
723
724
725
726
727
728
729
電気回路線図
CIRCUIT
DIAGRAM
NAME
PAGE
%
TITLE
総合制御回路
1
GENERAL
CONTROL
CIRCUIT
I
TYPE
GPX
DRAWING
No
.
X
Ml
RE
02834
lo
.
CN
lo
.
csl
sgtt
罱

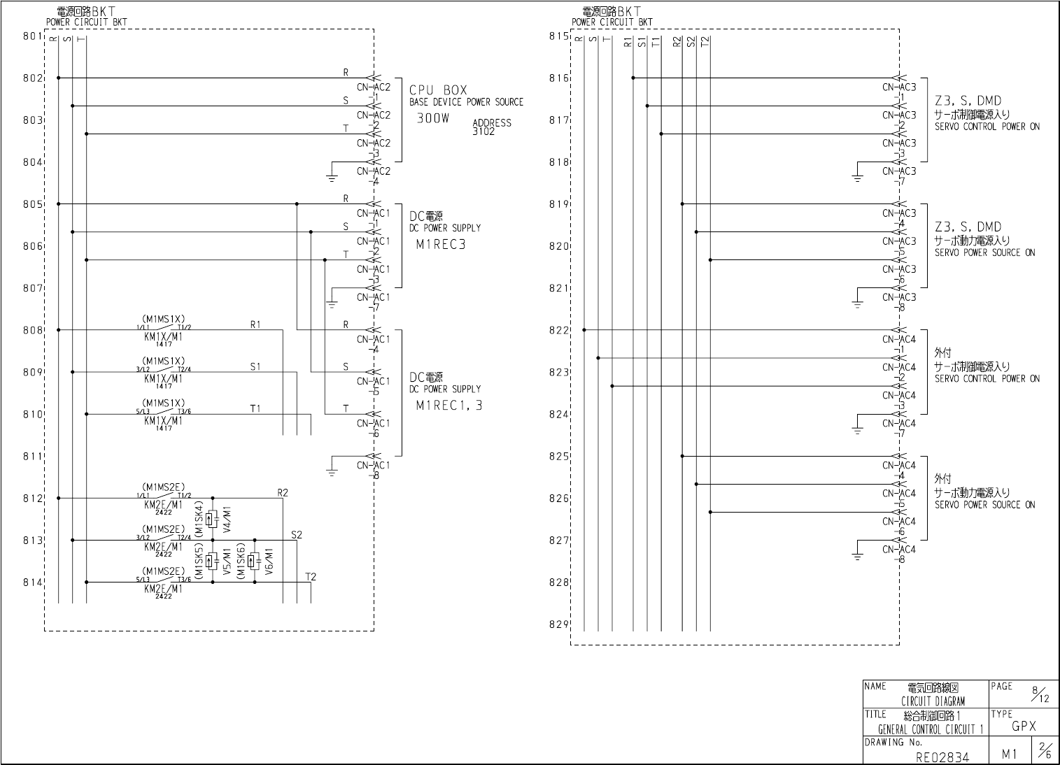
Downloaded at 2010/04/07 18:31 JST by 3PYM4216 DL#jdS6Xojc
KM
2
E
/
M
1
2422
(
M
1
MS
2
E
)
:
L
^
-
^
二
KM
2
E
/
M
1
2422
(
M
1
MS
2
E
)
T
3
/
G
KM
2
E
/
M
1
2422
(
M
1
MS
2
E
)
R
2
CN
-
gC
1
825
826
827
828
829
R
4
c
8
1
6
CNHAC
2
CPU
BOX
BASE
DEVICE
POWER
SOURCE
300
W
s
CN
-
'
AC
2
817
ADDRESS
4
3102
CNHAC
2
818
CNHAC
2
R
<
3
<
819
CN
-
;
AC
1
DC
電源
DC
POWER
SUPPLY
M
1
REC
3
CN
-
JAC
1
820
<
5
<
CN
-
|
AC
1
CN
-
『
821
(
M
1
MS
1
X
)
R
1
R
<
k
822
KM
1
X
/
M
1
CN
-
^
C
1
1417
(
M
1
MS
1
X
)
SI
^
|
c
823
DC
1
S
DC
POWER
SUPPLY
M
1
REC
1
,
3
KM
1
X
/
M
1
1417
(
M
1
MS
1
X
)
T
1
824
CN
-
^
C
1
KM
1
X
/
M
1
1417
POW
1
S
,
KTTBKT
8
1
POW
«
,
KTTBKT
CN
cc
CM
00
pj
<
k
CN
-
IAC
3
Z
3
,
S
,
DMD
廿
-
翩電源入
y
SERVO
CONTROL
POWER
ON
CN
-
'
AC
3
CN
-
'
AC
3
CN
-
'
AC
3
-
17
<
d
<
CN
-
'
AC
3
Z
3
,
S
,
DMD
廿
-
獅
s
原入
y
SERVO
POWER
SOURCE
ON
CN
-
y
\
C
3
CN
-
总
C
3
CN
-
^
\
C
3
-
18
CN
-
^
\
C
4
外付
廿
-
趨卸電源入
SERVO
CONTROL
POWER
ON
CN
-
|
AC
4
-
2
0
^
(
C
4
CN
-
^
C
4
CN
-
|
AC
4
—
4
外付
o
<
廿
-
獅電源入
SERVO
POWER
SOURCE
ON
CN
-
7
\
C
4
CN
-
jgC
4
<
3
<
CN
-
|
AC
4
-
18
電気回路綱
CIRCUIT
DIAGRAM
NAME
PAGE
Y
\
1
TITLE
総合麵回路
1
GENERAL
CONTROL
CIRCUIT
I
TYPE
GPX
DRAWING
No
.
Ml
RE
02834
80
1
802
803
804
805
806
807
808
809
8
10
8
11
812
813
814
S
2
I
m
/
9
A
-
l
^
T
-
(
9
Msm
)
m
/
s
m
/
LnA
css
m
)
(
SMS
m
)