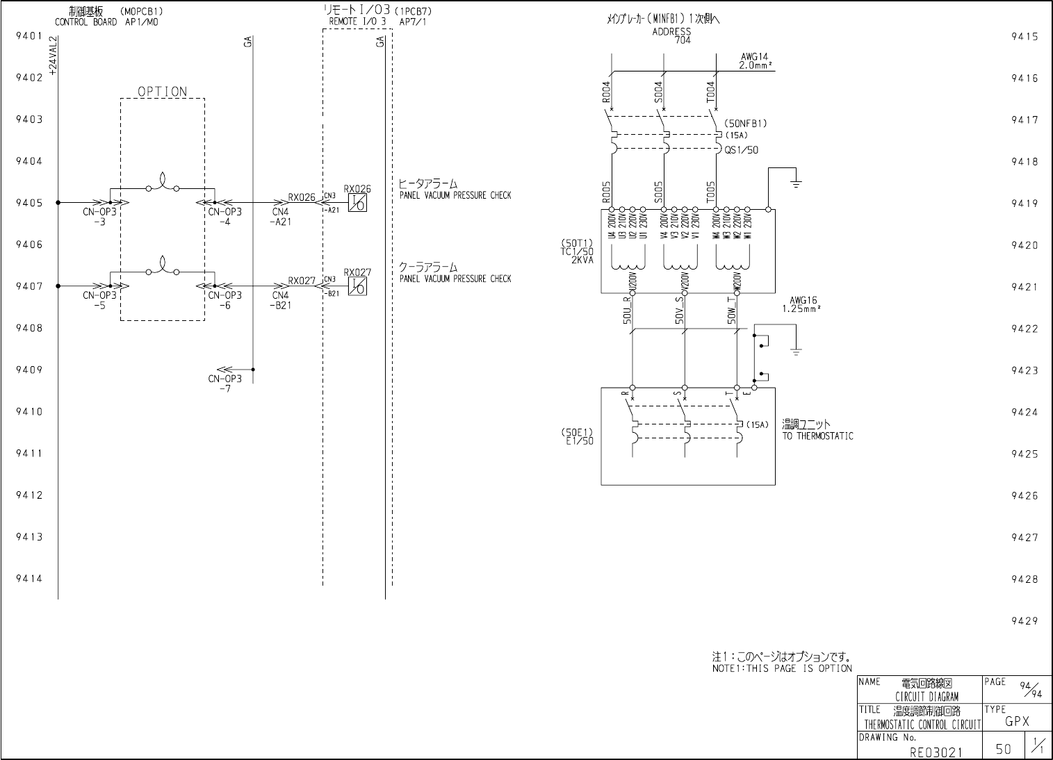
Schmtic_GPX_07_ - 第100页
Downloaded at 2010/04/07 18:31 JST by 3PYM4216 DL#jdS6Xojc WAKU_USR_AJ54409.XLS 番号 品名 記号 形式 メーカー 定格 個数 備考 NO. NAME SYMBOL TYPE MANUFACTURER RATING Q'T Y NOTE ブレーカ FAZ-D15/3-RT ムーラー電機 15A/240V 10kA rms 1 1 BREAKER MO…

Downloaded at 2010/04/07 18:31 JST by 3PYM4216 DL#jdS6Xojc
AWG
16
1.25
mm
2
Ut
-
h
1
/
03
(
1
PCB
7
)
REMOTE
I
/
O
3
AP
7
/
1
s
匕一夕
7
亏一厶
PANEL
VACUUM
PRESSURE
CHECK
:
RX
026
m
2
^
L r i
7
\
I
-
A
2
I
CN
4
-
A
21
Ta
/
50
2
KVA
夕
-
575
—
厶
PANEL
VACUUM
PRESSURE
CHECK
:
rM
,
RX
027
:
-
B
2
I
CN
4
-
B
21
(
15
A
)
温調
:
Z
二外
TO
THERMOSTATIC
(
脱
(
50
NFB
1
)
(
15
A
)
QS
1
/
50
你
1
次 側
/
\
ADDRESS
704
AWG
14
-
2.0
mm
2
9 4 1 5
9 4 1 6
9 4 1 7
9 4 1 8
9 4 1 9
9 4 2 0
9 4 2 1
9 4 2 2
9 4 2 3
9 4 2 4
9 4 2 5
制 御 麵
(
MOPCBO
CONTROL
BOARD
AP
1
/
M
0
940
1
CN
s
9 4 0 2
OPTION
9 4 0 3
9 4 0 4
9 4 0 5
CN
-
0
P
3
CN
-
0
P
3
-
3
-
4
9 4 0 6
JU
9 4 0 7
CN
-
0
P
3
CN
-
0
P
3
-
5
-
6
9 4 0 8
9 4 0 9
CN
-
0
P
3
9 4 1 0
9 4 1 1
9 4 1 2
9 4 2 6
9 4
-
1 3
9 4 2 7
9 4 1 4
9 4 2 8
9 4 2 9
注
i
:
cox
-
ytt
才
N
0
TE
1
:
THIS
PAGE
IS
OPTION
電気回路線図
CIRCUIT
DIAGRAM
NAME
PAGE
94
94
TITLE
SIT
調節制御回路
THERMOSTATIC
CONTROL
CIRCUIT
TYPE
GPX
D R A W I N G
N o
.
X
50
RE
03021
slw
-
Aooesl
茎
u
Bo
1
—
MOLn
Lnool
_
CSIIA
—
ZCSIA
>
_
EA
>
003
寸
A
u
AOOZAO
SIAOS
Lnoos
s
in
>
osn
>
1
>
ooCNItn
u
A
0
§
^
.
noLn
Lnood
sol
—
SOS

Downloaded at 2010/04/07 18:31 JST by 3PYM4216 DL#jdS6Xojc
WAKU_USR_AJ54409.XLS
番号 品名 記号 形式 メーカー 定格 個数 備考
NO. NAME SYMBOL TYPE MANUFACTURER RATING Q'T
Y
NOTE
ブレーカ FAZ-D15/3-RT ムーラー電機
15A/240V 10kA rms 1
1 BREAKER MOELLER
ノイズフィルタ 3SUP-HU30-ER-6 岡谷電機 500V/30A 1 1.5kg
2 NOISE FILTER
OKAYA ERECTRIC
サージキラー R・A・M4-362BXZ-T 岡谷電機 AC480V,50/60Hz 1
3 SURGE KILLER
OKAYA ERECTRIC
4
電磁接触器 LC1-D253BL
東芝シュネデールエレクトリック DC24V 3 低消費電力形 0.53kg
5
ELECTRO MAGNETIC CONTACTOR Toshiba Schneider Electric 1a1b,サージキラー付
6
7
サージキラー XEB1201 岡谷電機産業
250V,50/60Hz 3 UL認定品
8 SURGE KILLER OKAYA ELECT
0.1μF,120Ω(0.5W)
9
コネクタ ELR-04V 日本圧着端子
リセプタクル・ハウジング4P 3
10 CONNECTOR JST
コネクタ ELR-06V 日本圧着端子
リセプタクル・ハウジング6P 2
11 CONNECTOR JST
コンタクト SLM-01T-P1.3 日本圧着端子 ピンコンタクト 29
12 CONTACT JST
13
コネクタ SMP-08V-NC 日本圧着端子
プラグ・ハウジング8P 1
14 CONNECTOR JST
コンタクト SHF-001T-0.8BS 日本圧着端子 ソケットコンタクト 8
15 CONTACT JST
16
17
NAME 電気部品明細表 PAGE
ELECTRIC PARTS LIST 1 /26
TITLE 電源BKT TYPE
POWER BKT VST
DRAWING NO.
RP00637 1/ 2
H3244C
コード番号
CODE No
.
H3021K
S10478
K5559A
M1NFB1
M1NF1
M1SK1
M1MS1X,M1MS2E
M1MS2E1
M1SK4∼6
CN-RP1・STP1
CN-STP2,CN-STP3
CN-I/FP
CN-SQP1
CN-I/F1

Downloaded at 2010/04/07 18:31 JST by 3PYM4216 DL#jdS6Xojc
WAKU_USR_AJ54409.XLS
番号 品名 記号 形式 メーカー 定格 個数 備考
NO. NAME SYMBOL TYPE MANUFACTURER RATING Q'T
Y
NOTE
コネクタ 350780-1 AMP
キャップ・ハウジング4P 1
1 CONNECTOR AMP
コネクタ 350782-1 AMP
キャップ・ハウジング9P 3
2 CONNECTOR AMP
コンタクト 350551-1 AMP ソケットコンタクト 28
3 CONTACT AMP
4
5
コネクタ 350780-1 AMP
キャップ・ハウジング4P 2
6 CONNECTOR AMP
コンタクト 350551-1 AMP ソケットコンタクト 8
7 CONTACT AMP
8
9
中継接続用コネクタ CL-1814S 日本圧着端子 7
10 TERMINAL CONNECTOR JST
中継接続用コネクタ CL-1814T 日本圧着端子 8
11 TERMINAL CONNECTOR JST
12
DINレール PFP-100N オムロン 1 同等品可
13 DIN RAIL OMRON
14
15
16
17
NAME 電気部品明細表 PAGE
ELECTRIC PARTS LIST 2 /26
TITLE 電源BKT TYPE
POWER BKT VST
DRAWING NO.
RP00637 2/ 2
コード番号
CODE No
.
CN-AC2
CN-AC1,CN-AC3
CN-AC4
CN-AC5,CN-AC6