Schmtic_GPX_07_ - 第12页
Downloaded at 2010/04/07 18:31 JST by 3PYM4216 DL#jdS6Xojc P O W 1 S , K T T B K T 9 0 1 9 1 5 9 0 2 9 1 6 S 9 0 3 9 1 7 9 0 4 9 1 8 9 0 5 9 1 9 9 0 6 9 2 0 < 3 < C N - | A C 5 ( 牛 ] - 厶咖 PANEL VACUUM PUMP < 3 &…

Downloaded at 2010/04/07 18:31 JST by 3PYM4216 DL#jdS6Xojc
KM
2
E
/
M
1
2422
(
M
1
MS
2
E
)
:
L
^
-
^
二
KM
2
E
/
M
1
2422
(
M
1
MS
2
E
)
T
3
/
G
KM
2
E
/
M
1
2422
(
M
1
MS
2
E
)
R
2
CN
-
gC
1
825
826
827
828
829
R
4
c
8
1
6
CNHAC
2
CPU
BOX
BASE
DEVICE
POWER
SOURCE
300
W
s
CN
-
'
AC
2
817
ADDRESS
4
3102
CNHAC
2
818
CNHAC
2
R
<
3
<
819
CN
-
;
AC
1
DC
電源
DC
POWER
SUPPLY
M
1
REC
3
CN
-
JAC
1
820
<
5
<
CN
-
|
AC
1
CN
-
『
821
(
M
1
MS
1
X
)
R
1
R
<
k
822
KM
1
X
/
M
1
CN
-
^
C
1
1417
(
M
1
MS
1
X
)
SI
^
|
c
823
DC
1
S
DC
POWER
SUPPLY
M
1
REC
1
,
3
KM
1
X
/
M
1
1417
(
M
1
MS
1
X
)
T
1
824
CN
-
^
C
1
KM
1
X
/
M
1
1417
POW
1
S
,
KTTBKT
8
1
POW
«
,
KTTBKT
CN
cc
CM
00
pj
<
k
CN
-
IAC
3
Z
3
,
S
,
DMD
廿
-
翩電源入
y
SERVO
CONTROL
POWER
ON
CN
-
'
AC
3
CN
-
'
AC
3
CN
-
'
AC
3
-
17
<
d
<
CN
-
'
AC
3
Z
3
,
S
,
DMD
廿
-
獅
s
原入
y
SERVO
POWER
SOURCE
ON
CN
-
y
\
C
3
CN
-
总
C
3
CN
-
^
\
C
3
-
18
CN
-
^
\
C
4
外付
廿
-
趨卸電源入
SERVO
CONTROL
POWER
ON
CN
-
|
AC
4
-
2
0
^
(
C
4
CN
-
^
C
4
CN
-
|
AC
4
—
4
外付
o
<
廿
-
獅電源入
SERVO
POWER
SOURCE
ON
CN
-
7
\
C
4
CN
-
jgC
4
<
3
<
CN
-
|
AC
4
-
18
電気回路綱
CIRCUIT
DIAGRAM
NAME
PAGE
Y
\
1
TITLE
総合麵回路
1
GENERAL
CONTROL
CIRCUIT
I
TYPE
GPX
DRAWING
No
.
Ml
RE
02834
80
1
802
803
804
805
806
807
808
809
8
10
8
11
812
813
814
S
2
I
m
/
9
A
-
l
^
T
-
(
9
Msm
)
m
/
s
m
/
LnA
css
m
)
(
SMS
m
)

Downloaded at 2010/04/07 18:31 JST by 3PYM4216 DL#jdS6Xojc
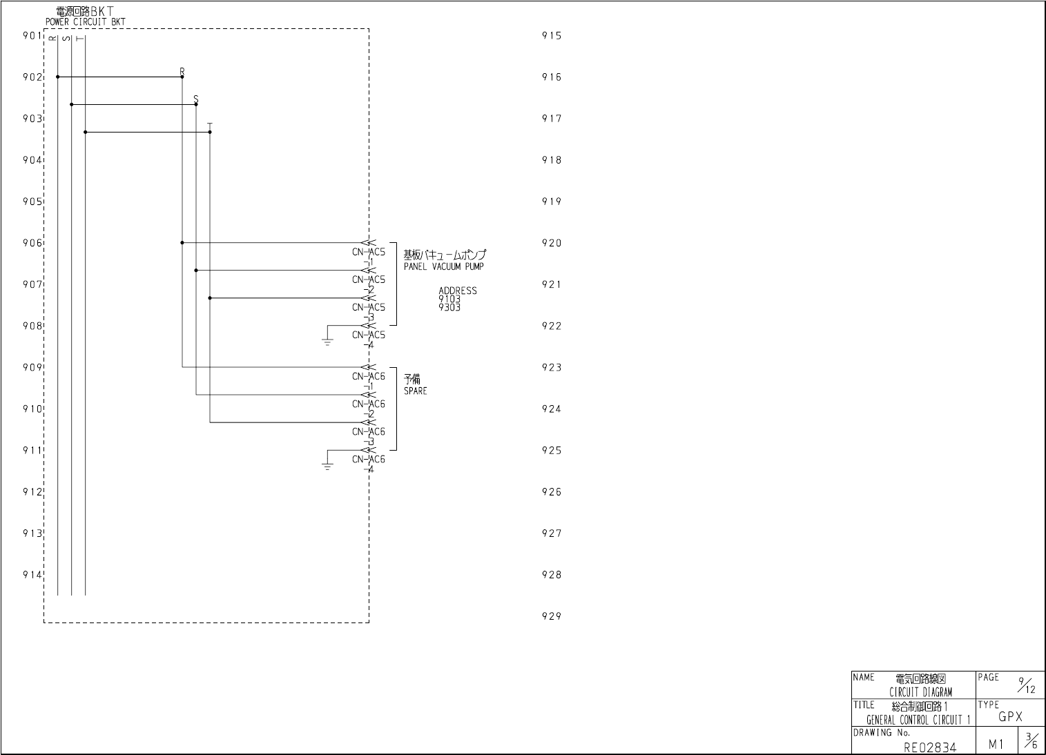
POW
1
S
,
KTTBKT
90
1
915
902
9
1
6
S
903
9
1
7
904
918
905
919
906
920
<
3
<
CN
-
|
AC
5
(
牛
]
-
厶咖
PANEL
VACUUM
PUMP
<
3
<
CN
-
|
ACS
907
921
ADDRESS
<
3
<
9103
CN
-
|
AC
5
9303
908
922
CN
-
|
ACS
CN
-
|
AC
6
909
923
予備
-
il
SPARE
«
CN
-
|
AC
6
910
924
-
2
«
CN
-
^
C
6
CN
^
C
6
91
1
925
-
4
912
926
913
927
914
928
929
電気回路綱
CIRCUIT
DIAGRAM
NAME
PAGE
V
\
2
TITLE
総合麵回路
1
GENERAL
CONTROL
CIRCUIT
I
TYPE
GPX
DRAWING
No
.
Ml
RE
028
M

Downloaded at 2010/04/07 18:31 JST by 3PYM4216 DL#jdS6Xojc
1 0 0
1
(
M
1
REC
1
)
GS
1
/
M
1
1 0 0 2
CN
1
-
1
+
V
>
>
CN
51
-
8
1
003
N
CN
1
-
3
+
V
〉
—
CN
51
-
7
1 0 0 4
;
<
FG
CN
1
-
5
+
V
中
CN
51
-
6
1
005
+
V
>
p
>
CN
51
-
5
1
006
-
V
>
>
CN
51
-
4
1
007
-
V
CN
51
-
3
1
008
-
V
CN
51
-
2
1
009
1 0
1 0
1 0
1 1
1 0 1 2
1 0
1 3
DC
24
-
V
10
14
24
-
OW
PEAK
-
V
CN
51
-
1
+
24
VAF
1
外
U
外
I
/
O
回路
DIRECT
I
/
O
CIRCUIT
電源入
y
回路
POWER
ON
CIRCUIT
LCD
感
LCD
PANEL
POWER
10
17
GA
10
18
+
24
VAL
2
安全回路
SAFETY
CIRCUIT
外
U
外
I
/
O
回路
(
丫
010
丫
017
)
DIRECT
I
/
O
CIRCUIT
(
丫
01
[
KY
017
)
光
-
卜
1
/
02
、
3
人力回路
REMOTE
I
/
O
2
.
3
INPUT
CIRCUIT
10
19
GA
1
020
1 0 2
1
POW
1
S
,
KTTBKT
1
022
+
24
VAL
1
乃
^
力
>
卜
0
-
53
]
回路
STEP
CONTROLLER
CONTROL
3
CIRCUIT
1 0 2 3
CN
-
'
IFP
CN
-
STP
3
GA
ADDRESS
CN
-
'
IFP
CN
-
STP
3
4103
1
024
-
;
2
4
+
24
VAL
1
研力
>
口
-
52
制御回路
STEP
CONTROLLER
CONTROL
2
CIRCUIT
CN
-
STP
2
GA
1
025
ADDRESS
CN
-
STP
2
4
-
603
+
24
VAL
1
5103
1
开
-
卜
I
/
O
U
力回路
REMOTE
I
/
O
1
INPUT
CIRCUIT
M
力孙
□
-
5
彳制御回路
STEP
CONTROLLER
CONTROL
1
CIRCUIT
CN
-
RP
]
,
STP
1
1
026
4
CN
-
RP
1
,
STP
1
(
M
1
MS
1
X
)
+
24
VAL
2
1 0 2 7
KM
1
X
/
M
1
又 牛 制 御 回 路
SQUEEGEE
CONTROL
CIRCUIT
CN
-
^
QP
1
1417
GA
<
3
^
CN
-
SQP
1
ADDRESS
1
028
8003
8303
1
029
電気回路線図
CIRCUIT
DIAGRAM
NAME
PAGE
%
TITLE
総合制御回路
1
GENERAL
CONTROL
CIRCUIT
I
TYPE
GPX
DRAWING
No
.
X
Ml
RE
02834
+
24
VA
<
3
^
CN
-
'
PWI
-
!
i
+
24
VA
<
3
^
CN
-
'
PWI
-
2
GA
<
3
^
CN
-
IPW
1
-
a
GA
<
3
^
CN
-
IPW
1
-
4
10
15
[
基
i
_
lLns
CP
CP
c
c
R
2
I
R
1
4
吆
A
F U I F
2
W
ziLnCN
-