Schmtic_GPX_07_ - 第144页
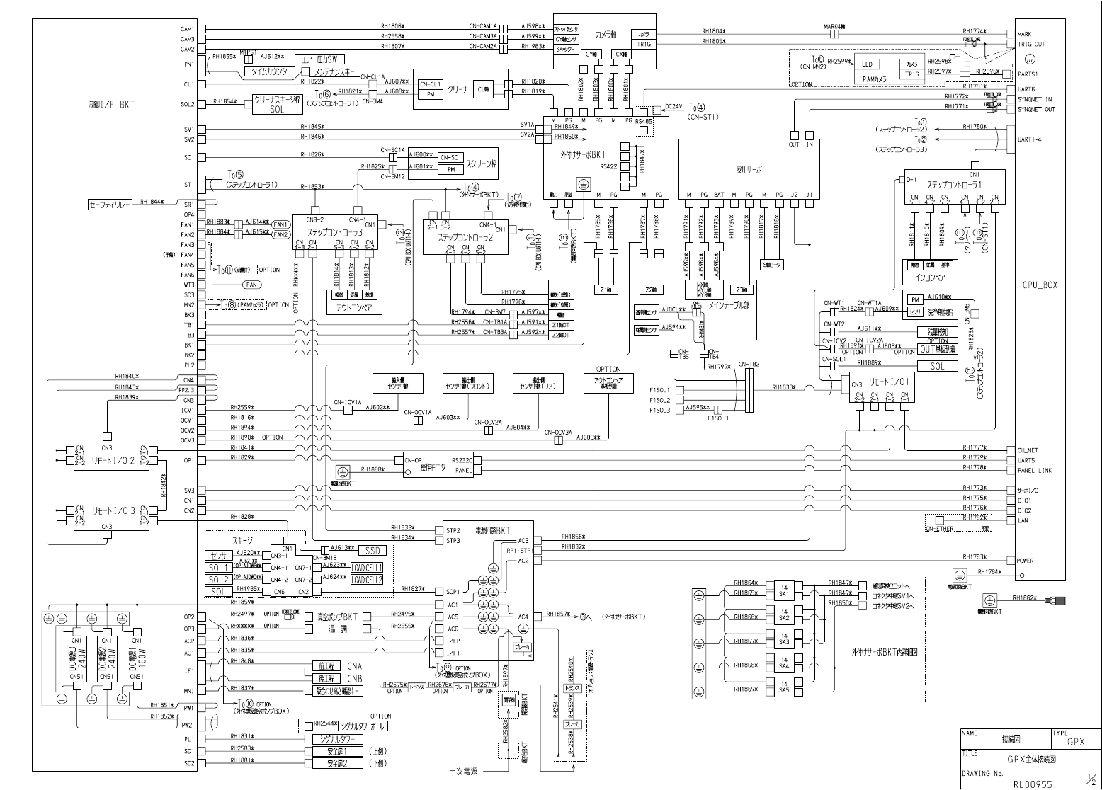
Downloaded at 2010/04/07 18:31 JST by 3PYM4216 DL#jdS6Xojc RH 1806 X CN - CAM 1 A AJ 598 M MAR 卿 又 卜 叻 ㈣ RHI 804 ^ RH 1774 太 力〆 5 軸 W 5 MARK RH 2558 X CN - CAM 3 A AJ 59 W RH 1805 太 TRIG TRIG OUT RH 1807 來 CN - CAM 2 A…

Downloaded at 2010/04/07 18:31 JST by 3PYM4216 DL#jdS6Xojc
21
PCB
1
CN
3
-
1
21
PCB
1
CN
4
-
1
21
PCB
1
CN
7
-
1
儲名
儲名
No
No
No
+
24
VAL
1
+
24
VBE
1
+
SIG
1
(
21
LS
1
)
耐
-
蕭夕
-
TWi
§
(
21
LS
2
)
獻牛
-
蕭夕
(
21
LS
3
)
辦
-
蕭夕
-
TWI
§
(
21
LS
4
)
(
21
S
0
L
1
)
2
X
100
2
丫
100
2
+
EXG
」
3
+
24
VAL
1
3
GB
3
-
SIG
1
LOAD
CELL
1
4
-
X
101
4
丫
101
4
-
EXG
1
(
21
S
0
L
2
)
歡牛
-
蕭夕
-
顶
(
21
S
0
L
3
)
辦
-
慧夕
-
頂
(
21
S
0
L
4
)
又牛
-
駕娜
M
(
21
S
0
L
5
)
+
24
VAL
1
5 5
GB
5
SHIELD
6
6
XI
02
丫
102
7
+
24
VAL
1
GB
8
X
103
8
Y
103
+
24
VAL
1
9 9
GB
XI
04
丫
104
10
10
+
24
VAL
1
GB
12
X
105
对
-
%
麵臟
NAME
TYPE
端子板結線図
GPX
TITLE
中継
]
衫夕結線図
DRAWING
No
.
RL
00903

Downloaded at 2010/04/07 18:31 JST by 3PYM4216 DL#jdS6Xojc
RH
1806
X
CN
-
CAM
1
A
AJ
598
M
MAR
卿
又 卜 叻
㈣
RHI
804
^
RH
1774
太
力〆
5
軸
W
5
MARK
RH
2558
X
CN
-
CAM
3
A
AJ
59
W
RH
1805
太
TRIG
TRIG
OUT
RH
1807
來
CN
-
CAM
2
A
RH
1983
米
MTPST
CYlffl
cxii
/
RH
1855
术
AJ
612
n
To
⑧
RH
2599
(
RH
2598
LED
(
CN
-
MN
2
)
XAJjJTm
RH
1822
來
夕伽力夕
RH
2597
)
K
RH
2596
來
CD
TRIG
PARTS
1
CN
-
CL
1
A
PAM
力〆
5
g
AJ
607
O
RH
1820
米
CN
-
CL
1
L
0
ET
10
JVI
.
RH
1781
太
g
§ §
g
CLIffl
UART
6
S
丫
NONET
IN
SYNQNET
OUT
RH
182
U
AJ
608
O
RH
1819
米
To
⑥
K
}
PM
RH
1772
^
:
£
i
RH
1854
來
[
(
奶办卜口
-
51
)
To
④
DC
24
V
RH
177
U
SOL
(
CN
-
ST
1
)
M
PG
M
PG
M
PG
iRS
485
RH
1849
^
^
:
~
To
©
SV
1
A
RH
1845
太
RH
178
⑽
、
(
^
^
X
/
hD
-
52
)
SV
2
A
RH
1846
太
RH
1850
太
To
②
UART
1
4
OUT
IN
(
万
^
力
>
口
-
53
)
CN
-
SC
1
A
外付时
-
iKBKT
RH
1826
米
AJ
600
Q
CN
-
SC
1
m
-
yn
RH
1825
太
AJ
601
M
RS
422
m
-
t
:
PM
To
⑤
CN
1
CN
-
3
M
12
H
:
D
-
1
又〒
'
夕力
1
(
研加卜口
-
51
)
(
HMBKT
)
RH
1853
)
*
c
m
■
M
PG
M
PG
M
PG
BAT
M
PG
M
PG
J
2
J
1
战迅
a
CN
CN CN
f
a
LJ
U
TT
t
rn
x
X
CN
3
-
2
CN
4
-
1
RH
1883
^
:
m
AJ
614
n
<
FANl
)
<
FAN
2
)
CN CN
2
-
1
3
-
2
又乃力外口
-
52
CN CN CN
4
-
^
A
-
?
R
-
?
CN
1
CN
4
-
1
g
5
謹謹餐鸾
CN
O
CN
1
乃
^
力
>
卜口
-
53
RH
1884
■
太
AJ
615
^
CN
C NC N
H
A
-
2
fj
a
LJ
EJTJ
兴
(
2
u
g
驢
i
m i
i
LH
.
OM
.
o
L n
o
LT
\
(
*
t
)
;
OPTION
3
5
3
5
心
]
>
K
7
£
(
FAN
)
CPU
-
BOX
Z
1
軸
zm
zm
RH
1795
X
纖
艇猶
o
AJ
610
M
PM
rto
0
(
^
AI
^
52
i
RH
1796
木
CN
-
WT
1
CN
-
WT
1
A
RH
1824
^
mAJ
609
^
MVj
-
Jltl
a
艇
(
纖
)
OPTION
H
70
\
^
jy
\
7
AJQCLn
r
-
CD
mm
‘
RH
1794
太
CN
-
3
M
7
AJ
597
^
m
5
r
\
r
\
r
\
r
\
r
\
r
\
r
\
RH
2556
)
:
CN
-
TB
1
A
AJ
59
m
CN
-
WT
2
Z
1
軸
3
T
AJ
59
椒
AJ
61
m
r
\
RH
2557
)
:
CN
-
TB
3
A
AJ
592
M
CD
zmyr
:
V
2
CN
-
ICV
2
A
RH
189
U
OPTION
r
\
AJ
606
^
TT
7
^
{
OTlili
1
-
——
SOL
|
^
2
m
TB
4
OPTION
CN
-
SOL
1
RH
1889
*
CN
-
TB
2
RH
1799
米
OPTION
Uf
-
M
/
01
CN
3
U
7
)
RH
183
汾 广
、
D
F
1
S
0
L
1
F
1
S
0
L
2
F
1
S
0
L
3
Q
CN
ft
CN
-
ICV
1
A
rm
RH
2559
太
广
w
、
rw
、
r
w
、
RH
1890
^
OPTION
,
、
广
、
广
、
fW
'
AJ
602
^
AJ
595
n
CN
-
0
CV
1
A
RH
1816
太
AJ
603
M
F
1
S
0
L
3
m
§
9
M
AJ
604
oa
CN
-
0
CV
3
A
AJ
605
M
RH
184
U
RH
1829
米
RH
1777
太
CU
_
NET
UART
5
PANEL
LINK
r
\
RH
1779
太
CN
-
0
P
1
RS
232
C
PANEL
縦二夕
r
\
mum
®
>
RH
1888
末
O
霉 駆 路
BKT
rw
、
广
\
r
\
muM
1
HKI
/
0
r
\
r
\
RHITZa
DI
01
广
\
r
\
mzm
DI
02
RH
1828
米
RH
1782
太
:
LAN
smm
CN
-
EIHER
.
m
:
.
liMBKT
STP
2
RH
1856
來
RH
18341
STP
3
AC
3
RH
1832
*
AJ
6
j
3
n
CN
1
fSSD
RP
1
.
STP
1
AJ
620
M
t
为
CN
3
-
1
RH
1783
*
rn
^
,
-
—
AC
2
POWER
A
J
6230
SOU
LOAD
CELL
I
CN
4
-
1
CN
7
-
1
RH
1784
太
O
(
OP
:
AJPwcn
:
AJ
62
植
S
0
L
2
L
0
ADCELL
2
CN
4
-
2
CN
7
-
2
RH
1864
米
RH
1847
米
3
^
«
8
SVK
D
^
79
WiSV
2
/
\
1
«
BKT
14
RH
1985
米
RH
1827
术
SOL
CN
6
CN
2
SQP
1
®
>
广
'
\
RH
1865
太
RH
18
樹
SA
1
④
RH
1862
太
RH
1859
X
RH
1850
米
AC
1
電駆路
BKT
14
RH
2497
X
OPTICN
RH
249
S
太
RH
18
S
7
米
B
^
BKT
UK
_
w
-
狐
T
)
AC
5
@
>
广
、
RH
1866
來
瞻 米 繼
OPTICM
RH
2555
氷
CB
調
AC
6
U
广
、
RH
1836
米
I
/
FP
(
5
>
广
、
RH
1857
太
广
、
RH
1835
米
外付
(
竹
-
拙
KT
®
_
I
/
F
1
14
g
广
、
RH
1848
米
I
前工程
CNA
Hi
~
l
CNB
S
>
广
、
RH
1868
太
x
OPTICN
S
tC
^
BOX
)
r
\
14
RH
2675
太
RH
2677
太
-
卜切
r
\
RH
1837
米
卜切
I
©
RH
1869
來
議高纖
-
SA
5
OPTICN
OPTICN
s
.
m
Ln
OPTION
.
RH
2544
tf
力
□
CO
Ln
NAME
TYPE
CO
RH
183
U
I
接
GPX
RH
2583
X
I
(
上側
)
TITLE
GPX
全健
,
删
RH
188
U
安搬
(
下側
)
31
j
次電源
DRAWING
No
.
RL
00955
MNI
RH
1852
來
PW
2
PL
1
SD
1
SD
2
m
2
M
M
M
N
A A A
p
SV
1
SV
2
VIVIV
2
V
3
V
3
m
0
P
20
P
3
ACPAC
1
S T
SR
0
PFANFANFANFANFANFANWTSD
1
BKTBTBBKBKPLCNP
2
.
CNICV
sc
CNCN
ocococ
xzfcol
Hcc
CN
1
-
CN
1
-
CN
1
-
CN
1
-
RH
—
so
0151
ioaCN
g
9
*
CN
%
84
84
83
/
o
/
o
Jl
/
RH
RH
RH
“
■
艺
51
L
S
3
aCN
CN
CN
CN
©
〕
ut
UE
t
NI
_
CNJ
5
I
crnIsaCN

Downloaded at 2010/04/07 18:31 JST by 3PYM4216 DL#jdS6Xojc
RH
3612
)
!
:
0
PT
1
CN
RH
2144
X
OPTI
MSI
/
2
/
3
MS
1
/
2
/
3
To
©
-
ACBD
TE
]
b
£
j
1
CN
1
CN
2
夕
(
li
^
SBKT
_
AC
5
)
fEBBlTIJL
—
Rhj
3613
^
QPT
1
CN
MS
1
/
2
/
3
To
®
OP
2
Q
CN
3
(
■
I
/
F
BKT
—
OP
2
)
如
BKT
F
3
PS
1
AJQ
1
ZO
OPTICN
□
-
班删
F
3
SOL
1
UWrM
]
AJ
02
AO
OPTICN
4
顯
I
FAN
3
Q
(
_
I
/
F
BKT
_
F
OPTION
NAME
TYPE
接続図
GPX
TITLE
GPX
全體続図
DRAWING
No
.
y
!
RLQQ
955