Schmtic_GPX_07_ - 第24页
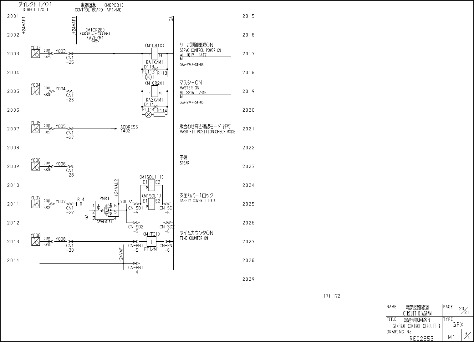
Downloaded at 2010/04/07 18:31 JST by 3PYM4216 DL#jdS6Xojc PL 26 YOOD YOOD G CN 1 SML - 310 MT - 35 PS 2732 - 1 PL 27 YOOE PC 13 R 13 D I YOOE G M cm " ■ SML - 310 MT - 36 PS 2732 - 1 丫 009 - A 3 I I CN 1 - 31 YOOA …

Downloaded at 2010/04/07 18:31 JST by 3PYM4216 DL#jdS6Xojc
夕
、
<
[
/
外
1
/
01
DIRECT
I
/
O
1
制御基板
(
M
0
PCB
1
)
CONTROL
BOARD
API
/
MO
200
1
2015
s
(
M
1
CR
2
E
)
2002
20
1
6
KA
2
E
/
M
1
2425
廿
-
■
御
ISON
SERVO
CONTROL
POWER
ON
al
1019
1417
(
M
1
CR
1
X
)
Y
003
DI
QIL
Y
0
Q
3
M
2003
20
17
16
A
25
CN
1
b
KA
1
X
/
M
1
-
25
G
6
A
-
274
P
-
ST
-
US
2004
2 0
1
8
R
1 1 3
7
又夕
-
ON
MASTER
ON
al
2216
2316
(
M
1
CR
2
X
)
Y
004
膽
Y
004
2005
20
19
Tl
"
CN
1
b
KA
2
X
/
M
1
-
26
G
6
A
-
274
P
-
ST
-
US
2006
2020
R
114
丫
005
版合
TO
駐確旣
-
K
許可
MASK
FIT
POSITION
CHECK
MODE
D
1
Y
005
}
6
ADDRESS
2007
2021
1402
-
A
27
CN
1
-
27
2008
202 2
予備
Y
006
SPEAR
歷
YQQ
6
2009
2 0 2 3
«
CN
1
-
28
(
M
1
SOL
1
-
1
)
C
\
1
El
E
2
20
1
0
2024
P
安全力八
-
1
□
以夕
SAFETY
COVER
1
LOCK
(
Ml
SOLI
)
丫
007
PMR
1
R
14
El
E
2
DI
Y
007
Y
007
A
^
M
20
11
2025
CN
-
SD
1
p
CN
1
CN
-
SD
-
29
-
5
-
6
Si
3
G
3
VM
-
61
E
1
2 0 1 2
2026
CN
-
SD
2
CN
-
SD
2
-
5
-
6
夕仏力
y
夕
ON
TIME
COUNTER
ON
(
M
1
TC
1
)
丫
008
DI
丫
008
M
2 0
1 3
2027
cm
"
CN
-
PN
1
CN
-
PN
-
30
-
B
-
6
<
:
20
14
2028
CN
-
PN
1
-
4
2029
171
172
電気回路綱
CIRCUIT
DIAGRAM
NAME
PAGE
20
.
TITLE
総合麵回路
3
GENERAL
CONTROL
CIRCUIT
3
TYPE
GPX
DRAWING
No
.
Ml
REQ
2853

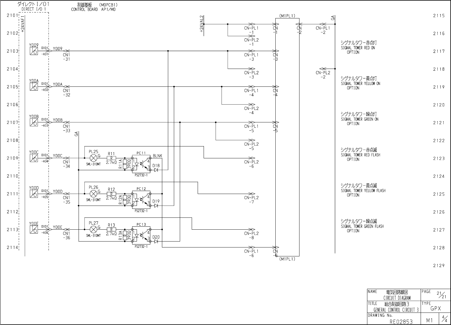
Downloaded at 2010/04/07 18:31 JST by 3PYM4216 DL#jdS6Xojc
PL
26
YOOD
YOOD
G
CN
1
SML
-
310
MT
-
35
PS
2732
-
1
PL
27
YOOE
PC
13
R
13
DI
YOOE
G
M
cm
"
■
SML
-
310
MT
-
36
PS
2732
-
1
丫
009
-
A
3
II
CN
1
-
31
YOOA
T
7
|
D
10
^
YQQA
^
Qi
-
A
32
i
CN
1
-
32
YOOB
D
1
YOOB
}
6
A
33
CN
1
-
33
s
PL
25
YOOC
R
11
膽
YOOC
G
BLNK
CN
1
2.7
kQ
2
:
SML
-
310
MT
-
34
PS
2732
-
1
介外
1
/
01
DIRECT
I
/
O
1
制御基板
(
M
0
PCB
1
)
CONTROL
BOARD
API
/
MO
2 1 1 5
(
M
1
PL
1
)
CN
s
<
CN
-
PL
1
c
CN
-
PL
1
2
-
2
2 1 16
CN
-
PL
2
夕夕于儿夕
〕
一赤点灯
SIGNAL
TOWER
RED
ON
OPTION
今
〉
2
117
CN
-
PL
1
-
3
3
2
118
CN
-
PL
2
CN
-
PL
2
-
3
-
2
夕
m
夕口
-
黄点灯
SIGNAL
TOWER
YELLOW
ON
OPTION
2 1 1 9
CN
-
PL
1
-
4
4
2120
CN
-
PL
2
-
4
夕
m
夕
9
-
緑点
ft
SIGNAL
TOWER
GREEN
ON
OPTION
93
>
2 1 2 1
CN
-
PL
1
CM
-
5
2 1 2 2
CN
-
PL
2
-
5
V
夕
t
儿夕
9
一赤点滅
SIGNAL
TOWER
RED
FLASH
OPTION
2
123
CN
-
PL
2
-
6
2
124
夕
m
夕
9
-
黄点滅
SIGNAL
TOWER
YELLOW
FLASH
OPTION
2 1 2 5
CN
-
PL
2
2 1 26
V
夕力
l
夕
9
-
緑点滅
SIGNAL
TOWER
GREEN
FLASH
OPTION
2
127
CN
-
PL
2
-
8
»
今
〉
2 1 2 8
CN
-
PL
1
CM
-
6
-
t
(
M
1
PL
1
)
2 1 2 9
電気回路線図
CIRCUIT
DIAGRAM
NAME
PAGE
21
,
21
TITLE
総合制御回路
3
GENERAL
CONTROL
CIRCUIT
3
TYPE
GPX
DRAWING
No
.
Ml
RE
02853
210 1
2 1 0 2
2 1 03
2 1 0 4
2 1 0 5
2 1 0 6
2 1 0 7
2 1 0 8
2 1 0 9
2 1 1 0
21 1 1
2 1 1 2
2 1 1 3
21
U
^
1
2
e
-
ci
06
rn
Sid
ko
27
IJVAS
+

Downloaded at 2010/04/07 18:31 JST by 3PYM4216 DL#jdS6Xojc
制御麵
(
M
0
PCB
1
)
CONTROL
BOARD
AP
1
/
M
0
220
1
2215
(
M
1
CR
2
X
)
M
130
Mill
2202
2216
KA
2
X
/
M
1
2005
非常停止
P B
安全力八一
卜
]
:
力
M
'
_
2203
2217
_
勢土
L
_
(
M
1
LS
1
E
1
)
NEXT
PAGE
2204
22
18
SQ
1
E
1
/
M
1
M
134
A
變止
_
P
_
B
_
(
M
2
PB
1
E
)
全
n
(
M
1
LS
2
E
)
(
M
1
LS
1
E
)
DP
5
M
131
M
132
M
133
Ml
34
ii
12
12
2205
1
-
<
3
^
-
2219
CN
-
OP
1
SB
1
E
/
M
2
CN
-
PP
1
CN
-
^
DI
CN
-
|
D
1
CN
-
^
D
2
sQ
2
E
/
MlCN
-
6
D
2
SQ
1
E
/
M
1
15
-
=
J
6
-
Li
.
2206
2220
(
M
1
CR
10
X
)
KA
1
OX
/
MI
CN
-
|
SD
3
1403
2207
2221
CN
-
|
SD
3
2208
2222
<
汐夕一匚
ADDRESS
2209
2223
1711
22
10
2224
22 1 1
2225
Ml
12
2212
2226
22
13
2227
22
14
2228
2229
M
135
M
139
電気回路線図
CIRCUIT
DIAGRAM
NAME
PAGE
22
24
TITLE
総合制御回路
4
GENERAL
CONTROL
CIRCUIT
4
TYPE
GPX
DRAWING
No
.
Ml
REQ
2863