Schmtic_GPX_07_ - 第31页
Downloaded at 2010/04/07 18:31 JST by 3PYM4216 DL#jdS6Xojc 夕 外 1 / 0 2 DIRECT I / O 2 制 御 麵 ( MOPCBO CONTROL BOARD AP 1 / M 0 2 8 0 1 2 8 1 5 CN s 5 2 8 0 2 2 8 1 6 ( F I L S ) D - ON z 軸 退 避 U S Z - AXIS RETRACT CHECK C…

Downloaded at 2010/04/07 18:31 JST by 3PYM4216 DL#jdS6Xojc
■
Jt
-
卜
1
/
01
REMOTE
I
/
O
1
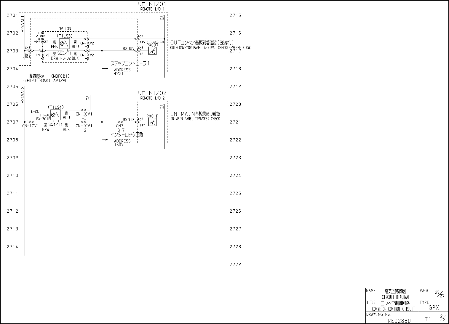
270
1
2715
s
—
I
OPTION
(
T
1
LS
3
)
2702
L
ON
'
SHpRT
2716
——
:
_
A
,
si
5
做
ov
+
24
V
SHORT
青
o
u
丁
]
:
^
基
_
着確認
(
逆流
ri
)
OUT
-
CONVEYOR
PANEL
ARRIVAL
桃
.
B
1
(
CN
-
ICV
2
PNK
CHECK
(
R
|
VfRS
^
FLOW
)
CN
3
:
3
RXOOVj
^
又亍夕力汐卜
-
51
0
2703
;
B
25
;
CNf
JwS
=
Bfr
如
;
-
B
2
l
-
2
2704
2718
ADDRESS
4
-
221
制御基板
(
M
0
PCB
1
)
CONTROL
BOARD
AP
1
/
M
0
2705
2719
Csj
U
=
E
-
M
/
02
REMOTE
I
/
O
2
5
s
CN
2706
2720
s
(
T
1
LS
4
-
)
L
-
ON
IN
-
MAI
N
基板乗移確認
IN
-
MAIN
PANEL
TRANSFER
CHECK
\
CN
-
ICV
1
FT
-
A
8
FX
-
301
P
:
rN
,
R
^
IF
BLU
-
3
RX
01
F
2707
2721
茶
SCH
/
T
1
黒
CM
-
ICV
1
CN
-
ICV
1
CN
3
BRW
BLK
-
2
-
B
17
丄
心夕
-
□
、
”
_
2708
2722
ADDRESS
1607
2709
2723
27
10
2724
2711
2725
2712
2726
2713
2727
2714
2728
2729
電気回路綱
CIRCUIT
DIAGRAM
NAME
PAGE
%
TITLE
]
>
《
尸制御回路
CQNVETQR
CONTROL
CIRCUIT
TYPE
GPX
DRAWING
No
.
2
A
丁
i
RE
02880

Downloaded at 2010/04/07 18:31 JST by 3PYM4216 DL#jdS6Xojc
夕 外
1
/
02
DIRECT
I
/
O
2
制 御 麵
(
MOPCBO
CONTROL
BOARD
AP
1
/
M
0
280
1
2815
CN
s
5
2802
28
16
(
FILS
)
D
-
ON
z
軸 退 避
US
Z
-
AXIS
RETRACT
CHECK
CN
-
TB
1
X
012
BLU
-
3
X
012
2803
2817
茶
SGH
/
T
1
白
CN
-
TB
1
CN
-
TB
1
CN
2
BRW
-
5
-
4
O
夕 一
□
、
%
回路
2804
28
1
8
ADDRESS
(
F
1
LS
2
)
1606
D
-
ON
么
\
Z
2
、
3
軸退避確認
11
,
3
-
AXIS
RETRACT
CHECK
CN
-
TB
3
X
013
-
3
DI
02
XQ
13
2805
28
1
9
茶
SQ
2
/
F
1
白
-
B
5
CN
-
TB
3
WHT
:
?
3
CN
2
BRW
-
5
O
夕
-
口夕夕南路
2806
2820
ADDRESS
1610
2807
2821
2808
2822
2809
2823
2810
2824
2811
2825
2812
2826
28
13
2827
28
14
2828
2829
電気回路網
CIRCUIT
DIAGRAM
NAME
PAGE
28
.
,
30
TITLE
TABLE
CONTROL
CIRCUIT
TYPE
GPX
DRAWING
No
.
FI
RE
02892
s
<
N
1
VAS
+

Downloaded at 2010/04/07 18:31 JST by 3PYM4216 DL#jdS6Xojc
(
1
PCB
5
)
Ut
-
h
I
/
O
1
AP
5
/
1
REMOTE
I
/
O
1
(
1
PCB
5
)
1
开
-
卜
I
/
O
1
AP
5
/
1
REMOTE
I
/
O
1
2 9 1 5
「
:
s
2 9
1
6
基板勒入力彡遍
PANEL
THICKNESS
INPUT
MISS
CHECK
基板
+
KK
、
夕初空麵認
PANEL
SIDE
CLAMP
MISS
CHECK
RX
006
(
F
1
LS
9
)
RXOOSj
^
3
M
2 9 1 7
D
-
F
8
B
-
A
2
I
SQ
9
/
F
1
B
25
29
1
8
F
基板工
r
力切入
y
確認
F
PANEL
EDGE
CLAMP
ENGAGED
CHECK
2 9 1 9
2 9 2 0
F
基板工奶
5
抑結確認
F
PANEL
EDGE
CLAMP
DISENGAGED
CHECK
2 9 2 1
2 9 2 2
R
基板工奶初入
y
確認
R
PANEL
EDGE
CLAMP
ENGAGED
CHECK
2 9 2 3
2 9 2 4
R
基板工奶切抜
S
確認
R
PANEL
EDGE
CUMP
DISENGAGED
CHECK
2 9 2 5
2 9 2 6
薇歡
3
S
%
付正常廳
)
CONVEYOR
BACK
-
UP
PIN
CHECK
2 9 2 7
2 9 2 8
2 9 2 9
電気回路綱
CIRCUIT
DIAGRAM
NAME
PAGE
29
,
,
3 0
TITLE
TABLE
CONTROL
CIRCUIT
TYPE
GPX
DRAWING
No
.
FI
RE
02892
290
1
2 9 0 2
2 9 0 3
2 9 0 4
2 9 0 5
2 9 0 6
2 9 0 7
2 9 0 8
2 9 0 9
2 9 1 0
2 9 1 1
2 9 1 2
2 9
1 3
2 9
1 4
s
CF
1
LS
3
)
青
BLU
RXOOOj
^
3
Rm
73
l
^
A
24
PM
-
*
44
_
P
黒
BLK
L
ON
茶
BRW
SQ
3
/
F
1
白
WHT
D
ON
未使用織雕縁処理
B
25
!
RX
001
I
-
B
24
(
F
1
LS
4
)
"
VC
D
-
F
8
B
SQ
4
/
F
1
B
25
!
rM
,
RX
002
I
-
A
23
(
F
1
L S
5
)
CN
3
"
V
:
D
-
F
8
B
B
25
SQ
5
/
F
1
!
RX
003
RX
003
#
lJl
^
I
-
B
23
(
F
1
LS
6
)
D
-
F
8
B
SQ
6
/
F
1
B
25
RXOOdJ
^
R
|
¥
T
|
4
l
^
A
22
IZQ
-
(
F
1
LS
7
)
CN
3
D
-
F
8
B
B
25
SQ
7
/
F
1
(
F
1
LS
8
T
)
(
F
1
LS
8
R
)
0
r
^
0
E
3
?
:
JSQ
8
R
/
F
1
青
BLU
RX
005
RXQOSj
^
3
又 亍 夕 卜
□
一 亏
2
^
ADDRESS
茶
BRW
SQ
8
T
/
F
1
黒
BLK
;
-
B
22
B
25
茶
BRW
4
-
707
l
_
lVA
17
CVJ
+