Schmtic_GPX_07_ - 第43页
Downloaded at 2010/04/07 18:31 JST by 3PYM4216 DL#jdS6Xojc 4 0 0 1 4 0 0 2 U t - h I / O 1 ( 1 P C B 5 ) R E M O T E I / O 1 A P 5 / 1 R Y O O B R Y O O B M 4 0 0 8 4 - 0 0 9 4 - 0 1 0 4 0 1 1 4 0 1 2 4 0 1 3 4 - 0 U 4 0…

Downloaded at 2010/04/07 18:31 JST by 3PYM4216 DL#jdS6Xojc
及
(
趑
)
CN
-
CAM
2
CN
-
CAM
2
A
-
5
(
騮
1
)
CN
-
(
EAM
2
I
VR
3
,
PL
3
-
1
-
24
-
I
200
Q
CN
-
CAM
2
CN
-
CAM
2
A
-
;
B
力乃册側
ON
(
侧寸
)
LOWER
CAMERA
LIGHT
SOURCE
ON
(
SIDE
)
力〆
5
光源上側
ON
(
侧寸
)
UPPER
CAMERA
LIGHT
SOURCE
ON
(
SIDE
)
CN
-
CAM
2
CN
-
CAM
2
A
-
3
落射光源基板
(
2
PCB
1
)
LED
BOARD
API
/
2
i
!
VR
2
PL
2
-
1
-
5
CN
-
(
fAM
2
-
2
力乃光源下側
ON
(
落射
)
LOWER
CAMERA
LIGHT
SOURCE
ON
(
INCIDENT
)
丫
013
CN
^
M
2
CN
-
CAM
2
A
200
Q
-
2
n
.
CN
-
CAM
2
A
-
6
MAIN
]
>
S
:
7
X
卜
W
\
°
抜
§
確認
MAIN
-
CONVEYOR
STOPPER
DISENGAGED
貺
K
7
39
1
8
MAINDW
^
h
'
^
/
\
°
Ay
@
l
§
MAIN
-
CONVEYOR
STOPPER
ENGAGED
CHECK
39
1
9
3920
。
乂
$
腿避位
IS
CX
-
AXIS
RETRACT
POSITION
CHECK
3921
3922
MAI
N
]
>
▽
基
_
着確認
MAIN
-
CONVEYOR
PANEL
ARRIVAL
CHECK
3923
3924
MAI
N
]
:
W
基板排出確認
MAIN
CONVEYOR
PANEL
UNLOAD
CHECK
3925
3926
5
S
CN
-
CA
^
1
L
XOU
(
2
LS
1
)
-
3
X
014
)
-
丫
59
B
M
-
CAM
1
CN
-
CAN
/
1
CN
2
SQ
1
/
2
茶
-
5
-
6
O
夕一
□
、
%
回路
BRW
BLU
ADDRESS
1613
X
015
(
2
LS
2
)
,
DI
02
XQ
15
V
•
:
D
-
Y
59
B
i
-
B
7
CN
-
CAM
1
CN
2
SQ
2
/
2
茶
青
-
6
-
7
心夕一
□
夕夕回路
BRW
BLU
ADDRESS
(
2
LS
3
)
1612
+
24
V
CN
-
CAV
3
SHORT
X
016
BLU
-
3
iDI
02
X
016
M
茶
sca
/
2
白
BRWPM
-
L
44
WHT
i
-
B
8
N
-
CAM
3
CN
-
CAV
3
CN
2
-
5
-
8
心夕一
⑽
回路
L
ON
OV
SHO
ADDRESS
(
2
LS
4
)
RT
1604
+
24
V
桃
SHORT
CN
-
CAM
1
X
017
PNK
BLU
-
4
;
DI
02
X
017
M
»
茶
SGK
黒
BRWHPB
-
D
2
BLK
I
-
B
9
KAMI
CN
-
CAM
1
CN
2
-
2
-
7
-
9
又亍
'
夕力
ADDRESS
(
2
LS
5
)
4721
桃
X
018
PNK
BLU
JDI
02
rry
X
018
茶
SG
5
/
2
黒
BRWHPB
-
D
2
BLK
CN
-
CAM
1
CN
2
-
8
-
1 0
ADDRESS
i
4723
才 为
:
基
1
贩 仕 様
OPTION
:
PCB
PUSH
CONTROL
3929
電気回路綱
CIRCUIT
DIAGRAM
NAME
PAGE
39
40
TITLE
7
力巧制御回路
MARK
CAMERA
CONTROL
CIRCUIT
TYPE
GPX
DRAWING
No
.
2
RE
02913
i
VR
1
PL
1
-
1
-
5
i
200
Q
UE
-
卜
1
/
03
(
1
PCB
7
)
REMOTE
I
/
O
3
AP
7
/
1
力乃光源上側
ON
(
落射
)
UPPER
CAMERA
LIGHT
SOURCE
ON
(
INCIDENT
)
3927
CN
-
(
fAM
2
CN
-
CAM
2
A
5
-
18
-
4
0
PJJ
0
N
(
2
LS
6
)
rv
^
2
SQ
6
/
2
,
基板販上昇纖
i
PCB
PUSH
UPPER
LIMIT
CHECK
|
OPTION
RX
025
RX
0254
IMT
/
:
-
B
22
3928
青
'
CN
-
0
P
3
CN
4
茶
-
2
-
B
22
BRW
BLU
夕
D
卜
1
/
02
DIRECT
1
/
0
2
夕
<
1
/
外
I
/
02
DIRECT
1
/
0
2
制御麵
制御基板
(
M
0
PCB
1
)
BOARD
AP
1
/
M
0
(
M
0
PCB
1
)
CONTROL
BOARD
API
/
M
0
390
1
3902
3903
3904
3905
3906
3907
3 9 0 8
3 9 0 9
3 9 1 0
3 9 1
1
3 9 1 2
3 9
1
3
3 9
U
24
K
1
3
-
PLA
R
3
〆
Q
Hoo
V
2
GA
5
I
CSI
_
IVA
17
(
>
J
+
5
6
9
rn
9
3
c
c
CN
—
IVA
17
CN
+
V
9
CNI
IVA
17
CSI
+
^
25
4
CN
-
2
WJ
2
6
4
CN
-
2
2
4
3
5
Yo
Yo
Yo
Yo
DI
02
'
t
-
B
27
:
DI
2
f
1
5
-
/
K
-
1
3
「
圆
m
m

Downloaded at 2010/04/07 18:31 JST by 3PYM4216 DL#jdS6Xojc
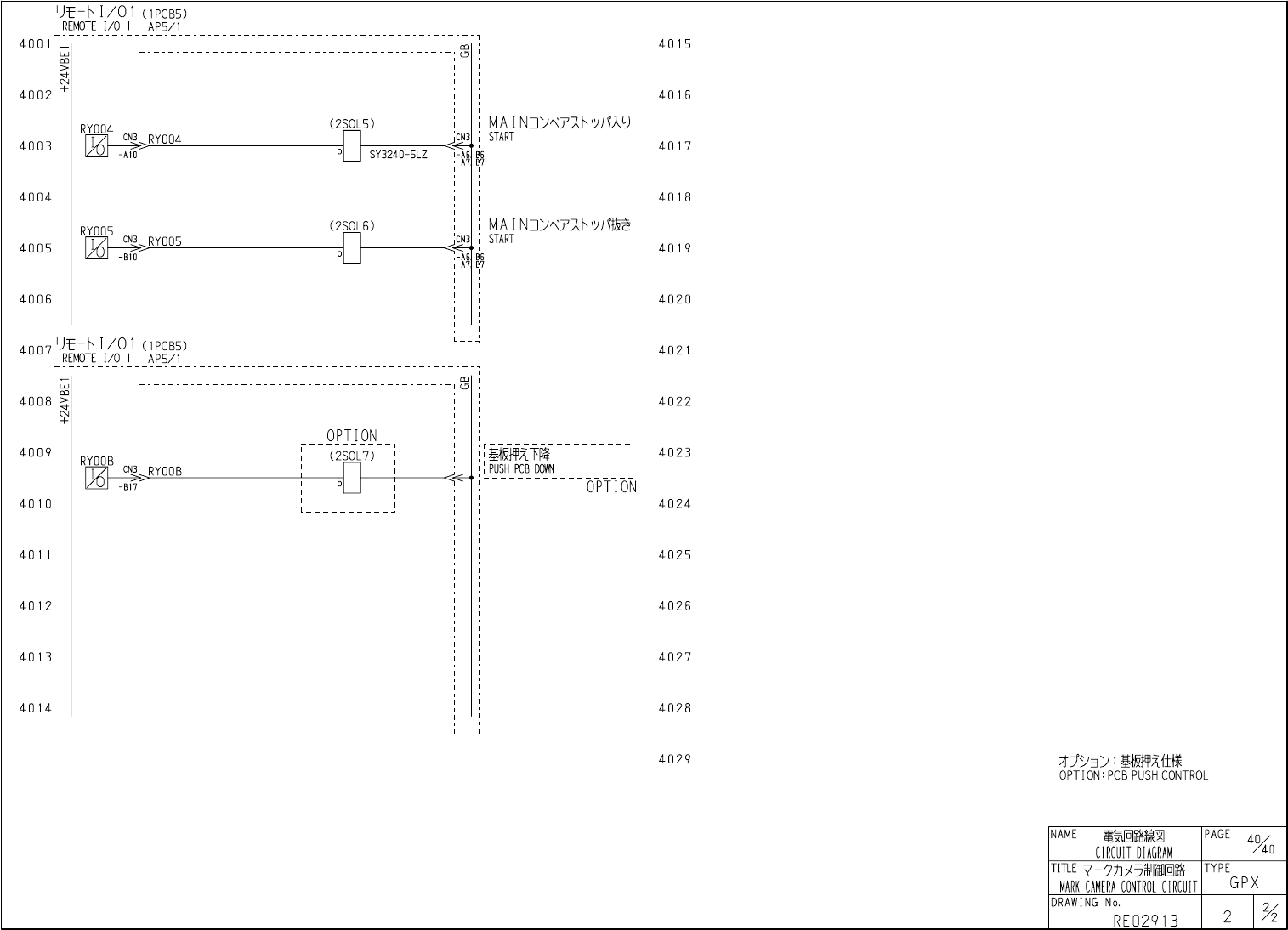
400
1
4 0 0 2
Ut
-
h
I
/
O
1
(
1
PCB
5
)
REMOTE
I
/
O
1
AP
5
/
1
RYOOB
RYOOB
M
4008
4
-
009
4
-
0
1
0
40
1 1
4012
40
1
3
4
-
0
U
4 0 0 3
4
-
004
4005
4006
jJt
-
卜
I
/
O
1
(
1
PCB
5
)
REMOTE
I
/
O
1
AP
5
/
1
4007
MAIN
]
>
S
:
7
又卜
START
START
CQ
O
pP
_
T
_
I
_
0
_
N
(
2
S
0
L
7
)
麵押識
PUSH
PCB
DOWN
P
OPTION
4015
40
1
6
40
1
7
4018
4019
4020
4021
4
-
022
4023
4024
4025
4026
4027
4028
才 为
:
基
1
贩 仕 様
OPTION
:
PCB
PUSH
CONTROL
4029
電気回路綱
CIRCUIT
DIAGRAM
NAME
PAGE
%
TITLE
7
力巧制御回路
MARK
CAMERA
CONTROL
CIRCUIT
TYPE
GPX
DRAWING
No
.
2
A
2
RE
02913
CQ
O
(
2
S
0
L
5
)
RY
004
T
71
CNj
^
RY
004
-
/
QJ
-
A
101
P
SY
3240
-
5
LZ
%
(
2
SOL
6
)
RY
005
-
BIO
:
P
—
(
N
4
-
13
CQ
5
CN
+

Downloaded at 2010/04/07 18:31 JST by 3PYM4216 DL#jdS6Xojc
4101
4115
又亍夕夕二卜口一
5
1
(
3
PCB
1
)
(
3
PCB
1
)
DU
20
A
-
2
AP
1
/
3
CPU
BOX
4116
UART
chi
API
/
3
4102
CN
2
-
1
CN
1
n
+
24
VAL
1
制御
IS
DC
24
-
V
CONTROL
SOURCE
DC
24
V
動力
IS
DC
24
V
POWER
SOURCE
DC
24
V
(
NC
)
+
24
-
VA
«
:
ADDRESS
GA
rx
3
GA
2
RXD
1024
+
24
VBE
1
4
-
103
2
+
24
VB
4 1 1 7
2
3
TXD
ADD
觸
C
GB
(
NC
)
4
GB
4
«
RS
232
C
心 夕 工
-
又
RS
232
C
INTERFACE
5 5
SG
(
NC
)
4
-
104
4118
6
«
4
7
RTS
3
8
CTS
(
NC
)
4 1 0 5
4 1 1 9
9
«
4 1 0 6
4
J
20
CN
5
a
制御基板
(
M
0
PCB
1
)
CONTROL
BOARD
API
/
M
0
«
RS
4
-
8 5
心 夕 工
-
又
RS
485
INTERFACE
4 1 0 7
4 1 2 1
2
«
CN
3
-
2
3
SHIELD
«
ADDRESS
ESTOP
EMGST
3713
CN
-
ST
1
-
1
^
i
-
Jl
/
ThVXO
换
-
儿
ThV
又
1
晚
-
肺又
2
E
/
2
-
JI
/
7
M
/
X
3
4
-
1 0 8
2
CVYCV
4 1 2 2
4
«
«
RS
4 8 5
心 夕 工
-
又
RS
485
INTERFACE
3
MADC
1
5
4
MADC
2
6
SHIELD
« «
5
4 1 0 9
4 1 2 3
5
MADC
3
«
6
MADC
4
«
GA
7
GA
CN
-
ST
1
-
2
4
-
1 1 0
4 1 2 4
CN
3
-
4
Vcc
«
I
_
I
:
Ft
□
夕
'
入力
c
h
1
ANALOG
INPUT
chi
4 1 1 1
4 1 2 5
2
ANA
1
«
ADDRESS
4609
3
GND
«
5109
4
Vcc
«
J
7
丈口夕入力
ch
2
ANALOG
INPUT
ch
2
4 1 1 2
4 1 2 6
5
ANA
2
«
6
GND
«
7
Vcc
«
7
力
□
夕
'
入力
ch
3
ANALOG
INPUT
ch
3
4 1 2 7
8
ANA
3
4
113
«
9
GND
«
4 1 1 4
4 1 2 8
4 1 2 9
電気回路綱
CIRCUIT
DIAGRAM
NAME
PAGE
TITLE
又
R
方
-
夕制御回路
STEP
MOTOR
CONTROL
CIRCUIT
TYPE
GPX
DRAWING
No
.
XB
3
REQ
292
Q