Schmtic_GPX_07_ - 第54页
Downloaded at 2010/04/07 18:31 JST by 3PYM4216 DL#jdS6Xojc 5 1 0 1 5 1 1 5 又亍夕夕二卜口一 5 3 ( 3 PCB 3 ) ( 3 PCB 3 ) DU 20 A - 2 AP 3 / 3 CPU BOX B 11 6 UART ch 3 AP 3 / 3 5 1 0 2 CN 2 - 1 CN 1 n + 24 VAL 1 制御 I S D C 24 - V …

Downloaded at 2010/04/07 18:31 JST by 3PYM4216 DL#jdS6Xojc
又 〒
9
卜
□
一
5 2
(
3
PCB
2
)
AP
2
/
3
(
3
PCB
2
)
AP
2
/
3
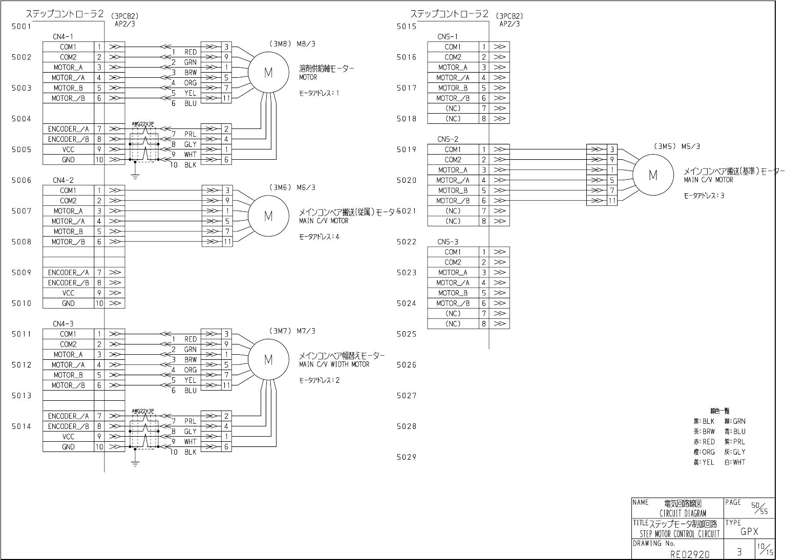
500
1
5015
CN
4
-
1
CN
5
-
1
(
3
M
8
)
M
8
/
3
COM
1
3
COM
1
1
RED
5002
COM
2
2
9
BO
1
6
COM
2
2
2
GRN
溶顧鏹由石
-
夕
-
M
0
T
0
R
M
0
T
0
R
—
A
3
M
0
T
0
R
—
A
3
M
3
BRW
4
4
M
0
T
0
RVA
5
MOTORVA
<
3
^
4
0
RG
5003
MOTOR
』
5
50
17
MOTOR
—
B
5
7
夕
;
PKUX
:
1
B
丫
EL
MOTORVB
6
MOTORVB
6
» »
6
BLU
(
NC
)
»
(
NC
)
5004
50
1
8 8
»
AWG
22
X
3
P
ENCODERVA
7
2
»
7
PRL
ENCODERVB
8
4
CN
5
-
2
»
8
GLY
(
3
M
5
)
M
5
/
3
5005
VCC
9
50
19
C
0
M
1
3
»
»
:
9
WHT
GND
6
COM
2
2
9
10
» »
'
10
BLK
〆心
]
:
W
搬送
(
細石
-
?
-
MAIN
C
/
V
MOTOR
MOTOR
—
A
3
»
5006
CN
4
-
2
5020
MOTORVA
4
5
»
(
3
M
6
)
M
6
/
3
C
0
M
1
3
MOTOR
—
B
5
7
»
»
石
-
夕
7
卜
V
又
:
3
COM
2
2
9
MOTORVB
6
〉
>
»
搬送
(
従属
)
石
-
夕与
02
1
MAIN
C
/
V
MOTOR
(
NC
)
5007
M
0
T
0
R
A
3
7
»
»
(
NC
)
MOTORVA
4
5
8
» »
M
0
T
0
R
B
5
7
»
石
-
夕
;
PKU
又
:
4
5008
MOTORVB
6
5022
CN
5
-
3
»
C
0
M
1
»
COM
2
2
»
5009
ENCODERVA
5023
MOTOR
—
A
3
» »
ENCODERVB
8
MOTORVA
4
» »
VCC
9
MOTOR
B
5
» »
50
1
0
GND
10
5024
MOTORVB
6
» »
(
NC
)
»
(
NC
)
CN
4
-
3
8
»
(
3
M
7
)
M
7
/
3
50
1 1
com
3
5025
»
1
RED
COM
2
2
9
»
2
GRN
M
0
T
0
R
A
3
夕心
]
W
幅替狂
-
夕
-
MAIN
C
/
V
WIDTH
MOTOR
»
M
3
BRW
5012
MOTORVA
4
5
5026
»
4
ORG
M
0
T
0
R
B
5
7
»
t
-
^
7
KL
/
X
:
2
5
丫
EL
6
MOTORVB
»
6
BLU
50
13
5027
線色一
I
AWG
22
X
3
P
ENCODERVA
7
2
»
緑
:
GRN
青
:
BLU
紫
:
PRL
灰
:
GLY
0
:
WHT
7
PRL
黒
:
BLK
茶
:
BRW
赤
:
RED
橙
:
ORG
黄
:
丫
EL
50
14
8
4
5028
ENCODERVB
»
8
GLY
VCC
9
»
9
WHT
GND
10
6
〉
>
'
10
BLK
5029
電気回路綱
CIRCUIT
DIAGRAM
NAME
PAGE
50
.
TITLE
又
R
方
-
夕制御回路
STEP
MOTOR
CONTROL
CIRCUIT
TYPE
GPX
DRAWING
No
.
%
3
REQ
292
Q

Downloaded at 2010/04/07 18:31 JST by 3PYM4216 DL#jdS6Xojc
5 1 0 1
5
1 1 5
又亍夕夕二卜口一
5
3
(
3
PCB
3
)
(
3
PCB
3
)
DU
20
A
-
2
AP
3
/
3
CPU
BOX
B
11
6
UART
ch
3
AP
3
/
3
5 1 0 2
CN
2
-
1
CN
1
n
+
24
VAL
1
制御
IS
DC
24
-
V
CONTROL
SOURCE
DC
24
V
動力
IS
DC
24
V
POWER
SOURCE
DC
24
V
(
NC
)
+
24
-
VA
«
:
ADDRESS
GA
1
TK
3
GA
2
RXD
4
-
603
+
24
VCEl
5 1 0 3
2
+
2 4
V B
5
1 1 7
12
3
T X D
A D
=
[
G C
(
NC
)
4
GB
4
«
RS
232
C
心 夕 工
-
又
RS
232
C
INTERFACE
15
5
SG
(
NC
)
5
1
04
6
5
118
«
U
7
RTS
13
8
CTS
(
NC
)
5 1 0 5
5
1 1 9
9
«
5 1 0 6
5 1 2 0
CN
5
a
coin
«
RS
4
-
8 5
心 夕 工
-
又
RS
485
INTERFACE
5 1 0 7
5 1 2 1
2
«
CN
3
-
2
3
SHIELD
«
ESTOP
EMGST
CN
-
ST
1
-
7
^
i
-
Jl
/
ThVXO
换
-
儿
ThV
又
1
晚
-
肺又
2
E
/
2
-
JI
/
7
M
/
X
3
5 1 0 8
2
CVYCV
5 1 2 2
4
«
«
RS
4 8 5
心 夕 工
-
又
RS
485
INTERFACE
3
MADC
1
5
ADDRESS
4
MADC
2
6
SHIELD
« «
4609
41
1
1
5
1
09
5
MADC
3
5
1
23
«
6
MADC
4
«
GA
7
GA
CN
-
ST
1
-
8
5 1 1 0
5
1
2 4
CN
3
-
4
Vcc
«
:
Ft
□
夕
'
入力
c
h
1
ANALOG
INPUT
chi
5 1 1 1
5 1 2 5
2
ANA
1
«
3
GND
«
4
Vcc
«
J
7
丈口夕入力
ch
2
ANALOG
INPUT
ch
2
5 1 1 2
5 1 2 6
5
ANA
2
«
6
GND
«
7
Vcc
«
7
力
□
夕
'
入力
ch
3
ANALOG
INPUT
ch
3
8
ANA
3
5
113
5
1
27
«
9
GND
«
5
114
5
128
5
129
電気回路綱
CIRCUIT
DIAGRAM
NAME
PAGE
TITLE
又
R
方
-
夕制御回路
STEP
MOTOR
CONTROL
CIRCUIT
TYPE
GPX
DRAWING
No
.
%
3
REQ
292
Q

Downloaded at 2010/04/07 18:31 JST by 3PYM4216 DL#jdS6Xojc
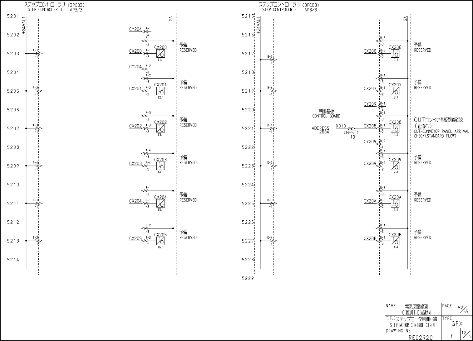
卜 口 一
53
(
3
PCB
3
)
STEP
CONTROLER
3
AP
3
/
3
.
丁 夕 卜
(
3
PCB
3
)
STEP
CONTROLER
3
AP
3
/
3
5 2 1 5
:
_
s
s
jA
-
1
CY
204
5 2 1 6
3
予 備 予 備
CX
206
CX
200
RESERVED RESERVED
CX
200
CX
206
5 2 1 7
ii
.
i
17.1
,
A
-
2
CY
204
52
1
8
予 備
予備
CX
201
^
細
:
CX
207
RESERVED RESERVED
A
车
CX
2
Q
1
CX
207
5 2 1 9
12. 1
18.1
CY
209
5 2 2 0
CONT
*
3
予 備
◦
UT
]
:
W
基板到着確認
(
獅
)
OUT
-
CONVEYOR
PANEL
ARRIVAL
CHECK
(
STANDARD
FLOW
)
:
,
C X
2 0 2
CX
208
RESERVED
A
-
D
-
+
卜
CX
202
CX
208
X
010
ADDRESS
5 2 2 1
2604
CN
-
ST
1
[
3.1
11.4
-
10
5 2 2 2
予備 予備
:
CX
203
CX
209
RESERVED RESERVED
A
-
车
CX
203
CX
209
5 2 2 3
[
4.1
12.4
5 2 2 4
3
予備
予備
D
,
CX
204
CX
20
A
RESERVED RESERVED
B
-
+
卜
D
-
+
卜
CX
204
CX
20
A
5 2 2 5
[
5.1
13.4
5 2 2 6
予備
予備
CX
205
:
CX
20
B
RESERVED RESERVED
B
-
j
^
CX
205
5 2 2 7
16.1
14.4
5 2 2 8
5 2 2 9
電気回路綱
CIRCUIT
DIAGRAM
NAME
PAGE
52
55
TITLE
又
R
方
-
夕制御回路
STEP
MOTOR
CONTROL
CIRCUIT
TYPE
GPX
DRAWING
No
.
%
3
RE
02920
520
1
5 2 0 2
5 2 0 3
5 2 0 4
5 2 0 5
5 2 0 6
5 2 0 7
5 2 08
5 2 0 9
5 2
1 0
5 2 1 1
5 2 1 2
5 2 1 3
5 2 1 4
i
(
N
+