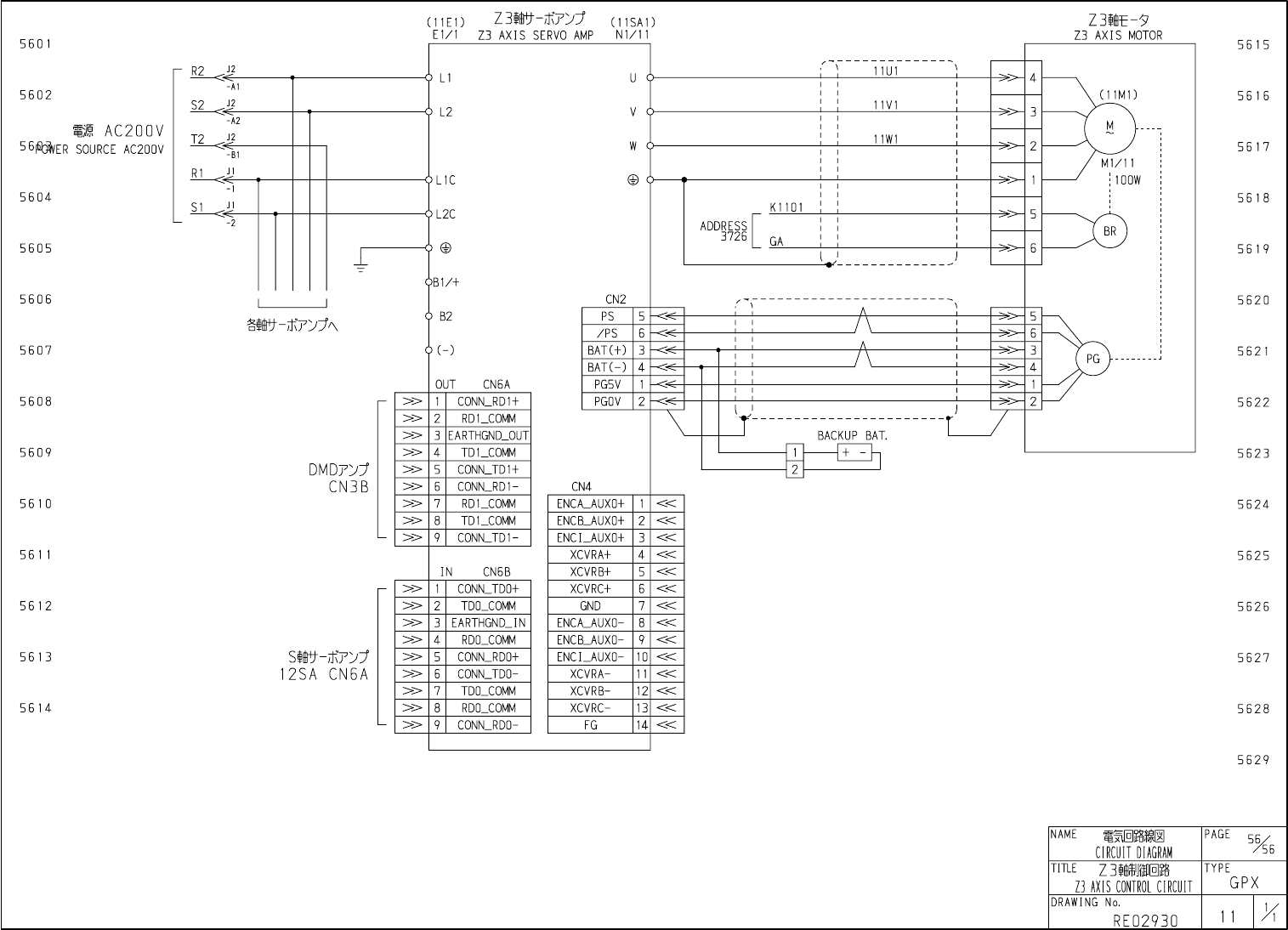
Schmtic_GPX_07_ - 第60页
Downloaded at 2010/04/07 18:31 JST by 3PYM4216 DL#jdS6Xojc sm - tiyyy S ® = E - 夕 S A X I S M O T O R ( 1 1 E 1 ) E l / 1 1 S A X I S S E R V O A M P ( 1 2 S A 1 ) N 1 / 1 2 5 7 0 1 5 7 1 5 R 2 1 2 U 1 々 L I u 6 - 5 7 0 …

Downloaded at 2010/04/07 18:31 JST by 3PYM4216 DL#jdS6Xojc
Ism
-
iTM
Z
3
軸石
-
夕
Z
3
AXIS
MOTOR
(
11
E
1
)
El
/
1
Z
3
AXIS
SERVO
AMP
(
11
SA
1
)
N
1
/
1 1
560
1
5615
11
U
1
々
LI
u
6
-
-
A
1
5602
5616
J
2
S
2
11
V
1
々
L
2
V
6
-
-
A
2
電源
AC
200
V
56
_
ER
SOURCE
AC
200
V
^
3
nwi
w
a
-
5617
-
B
1
J
1
®
Q
-
OL
1
C
5604
5618
JI
KH
01
々
L
2
C
-
2
ADDRESS
3726
GA
5605
5619
)
B
1
/
+
5606
CN
2
5620
B
2
PS
5
/
PS
6
(
-
)
BAT
(
+
)
5607
3
5621
BAT
(
-
)
4
OUT
CN
6
A
PG
5
V
5608
C
0
NN
—
RD
1
+
PG
0
V
2
»
5622
2
RDUCOMM
»
3
EARTHGND
OUT
BACKUP
BAT
.
»
ffl
5609
4
TD
1
COMM
»
5623
omyyy
CN
3
B
5
CONN
TD
1
+
»
6
CONN
RD
1
-
CN
4
»
5610
7
RD
1
COMM
ENCA
AUX
0
+
»
«
5624
8
TD
1
COMM
ENCB
AUX
0
+
2
»
«
9
CONN
TD
1
-
ENCI
AUX
0
+
3
»
«
5 6 1 1
XCVRA
+
«
5 6 2 5
IN
CN
6
B
XCVRB
+
5
«
CONN
—
TD
0
+
XCVRC
+
6
»
«
5 6 1 2
2
TD
0
COMM
GND
7
»
«
5 6 2 6
3
EARTHGND
IN
ENCA
—
AUXO
-
8
»
«
9
4
關
—
COMM
ENCB
AUX
0
-
»
«
sm
-
myyy
12
SA
CN
6
A
56
13
5
CONN
RD
0
+
ENCI
—
AUXO
-
10
»
«
5 6 2 7
6
CONN
TD
0
-
XCVRA
-
»
«
7
TD
0
COMM
XCVRB
-
12
»
«
5 6 1 4
8
RD
0
COMM
XCVRC
-
13
»
«
5 6 2 8
9
CONN
—
RDO
-
FG
14
»
«
5 6 2 9
電気回路線図
CIRCUIT
DIAGRAM
NAME
PAGE
5 6
,
TITLE
Z
3
軸制御回路
Z
3
AXIS
CONTROL
CIRCUIT
TYPE
GPX
DRAWING
No
.
X
REQ
293
Q

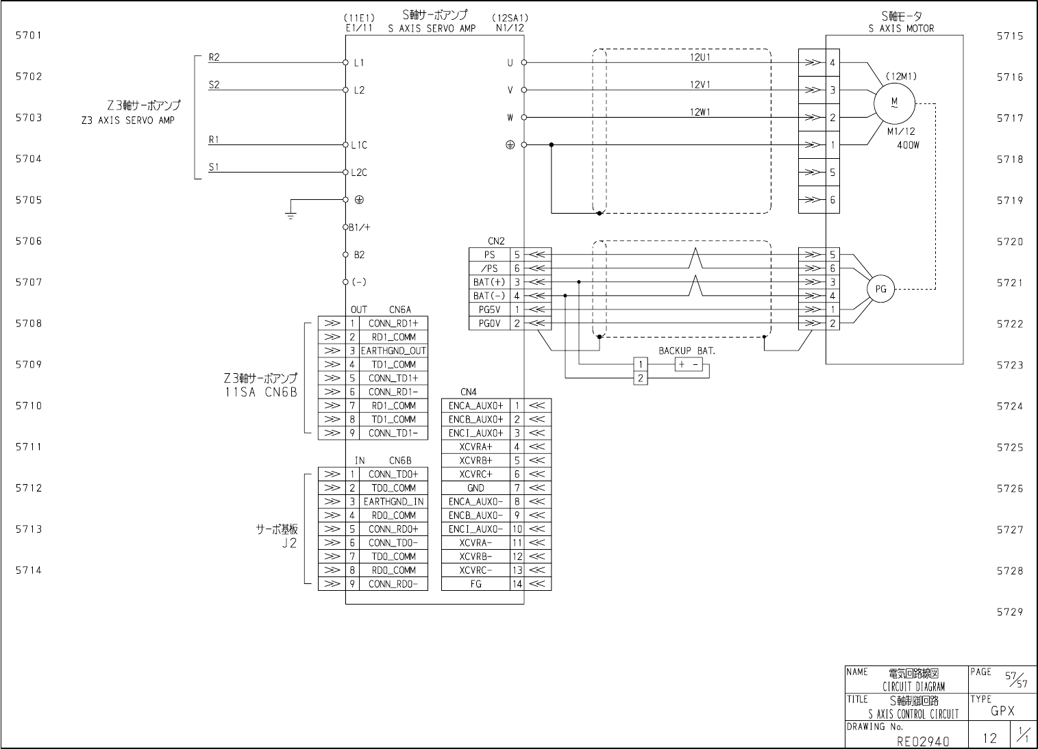
Downloaded at 2010/04/07 18:31 JST by 3PYM4216 DL#jdS6Xojc
sm
-
tiyyy
S
®
=
E
-
夕
S
AXIS
MOTOR
(
11
E
1
)
El
/
11
S
AXIS
SERVO
AMP
(
12
SA
1
)
N
1
/
12
570
1
5715
R
2
12
U
1
々
LI
u
6
-
5702
5716
S
2
12
V
1
々
L
2
V
6
-
Z
3
AXIS
SERVO
AMP
12
W
1
5703
w
a
-
5717
R
1
®
Q
-
OL
1
C
5704
57
18
SI
々
L
2
C
5705
57
1
9
)
B
1
/
+
5706
CN
2
5720
B
2
PS
5
/
PS
6
(
-
)
BAT
(
+
)
5707
3
5721
BAT
(
-
)
4
OUT
CN
6
A
PG
5
V
5708
C
0
NN
—
RD
1
+
PG
0
V
2
»
5722
2
RDUCOMM
»
3
EARTHGND
OUT
BACKUP
BAT
.
»
ffl
5709
4
TD
1
C
0
MM
»
5723
Z
3
m
-
ir
:
yyy
1
ISA
CN
6
B
5
C
0
NN
TD
1
+
»
6
C
0
NN
RD
1
-
CN
4
»
57
10
7
RD
1
COMM
ENCA
AUX
0
+
»
«
5724
8
TD
1
COMM
ENCB
AUX
0
+
2
»
«
9
C
0
NN
TD
1
-
ENCI
AUX
0
+
3
»
«
5711
XCVRA
+
«
5725
IN
CN
6
B
XCVRB
+
5
«
CONN
—
TD
0
+
XCVRC
+
6
»
«
5712
2
TD
0
COMM
GND
7
»
«
5726
3
EARTHGND
IN
ENCA
—
AUXO
-
8
»
«
9
4
關
—
COMM
ENCB
AUX
0
-
»
«
5
CONN
RD
0
+
ENCI
AUX
0
-
5713
10
»
«
5727
J
2
6
CONN
TD
0
-
XCVRA
-
»
«
7
TD
0
COMM
XCVRB
-
12
»
«
5714
8
RD
0
COMM
XCVRC
-
13
»
«
5728
9
CONN
—
RDO
-
FG
14
»
«
5729
電気回路線図
CIRCUIT
DIAGRAM
NAME
PAGE
57
57
TITLE
s
軸制御回路
S
AXIS
CONTROL
CIRCUIT
TYPE
GPX
DRAWING
No
.
X
12
REQ
2940

Downloaded at 2010/04/07 18:31 JST by 3PYM4216 DL#jdS6Xojc
(
11
E
1
)
DMD
7
>
^
(
13
SA
1
)
El
/
11
DM D
AM P
N
1
/
13
AC
/
DCIDA
'
-
夕
AC
/
DC
CON V E RTE R
(
11
E
1
)
El
/
11
580
1
58
15
CN
1
CN
2
CN
2
580 2
58 16
R
1
L
1
C
DC
48
V
DC
4
-
8
V
SI
2
L
2
C
OV
2
2
OV
Z
3
m
-
ir
:
yyy
13
AX I S
SER V O
AMP
R
2
3
3
3
GND
LI
GND
58 03
58 17
S
2
4
L
2
+
15
V
4
4
+
1
BV
T
2
5
L
3
GND
5
5
GND
6
6
+
5
V
+
5
V
580 4
58
18
々
㊉
■
6
@
580 5
58
19
CN
4
FAN
+
T
FAN
FAN
-
2
580 6
582 0
580 7
582 1
580 8
58 22
580 9
CN
3
582 3
DC
48
V
«
OV
2
«
581 0
GND
3
«
582 4
4
+
15
V
«
GND
5
«
581 1
+
5
V
6
«
582 5
581 2
582 6
CN
5
FA N
+
«
58
13
FAN
-
2
«
582 7
581 4
582 8
582 9
電気回路線図
CIRCUIT
DIAGRAM
NA M E
PAG E
58
,
,
61
TITLE
DMD
廿
-
ZK
制御回路
m
SERVO
CONTROL
CIRCUIT
TYPE
GPX
DRA W I NG
No
.
X
13
REQ
295
Q