Schmtic_GPX_07_ - 第69页
Downloaded at 2010/04/07 18:31 JST by 3PYM4216 DL#jdS6Xojc 6 6 1 5 6 6 1 6 啊 L / 外 I / 0 2 D I R E C T I / O 2 制御基板 ( M 0 P C B 1 ) C O N T R O L B O A R D A P I / M O 6 6 2 2 6 6 2 3 6 6 2 4 o 運転開始 ( 軸 ㊂ ) OPERATION STA…

Downloaded at 2010/04/07 18:31 JST by 3PYM4216 DL#jdS6Xojc
Ut
—
卜
1
/
03
(
1
PCB
7
)
REMOTE
I
/
O
3
AP
7
/
1
制御基板
(
M
0
PCB
1
)
CONTROL
BOARD
API
/
MO
65
15
CQ
O
65
16
_
0
餱止
(
軸
②
)
PAUSE
(
AXIS
2
)
RY
026
-
21
I
ADDRESS
6517
«
7109
CN
4
-
A
9
65
1
8
-
時停止
(
軸
③
)
PAUSE
(
AXIS
3
)
RY
027
Zyj
-
2
i
I
ADDRESS
65
1
9
7309
CN
4
-
B
9
6520
-
時停止
(
軸
④
)
PAUSE
(
AXIS
4
)
RY
028
-
21
(
ADDRESS
6521
7509
CN
4
-
A
8
6522
-
時停止
(
軸
⑤
)
PAUSE
(
AXIS
5
)
R
丫
029
ADDRESS
6523
7709
CN
4
-
B
8
6524
6525
6526
6527
6528
6529
電気回路綱
CIRCUIT
DIAGRAM
NAME
PAGE
6
^
7
TITLE
外 付 时 制 御 回 路
STO
WITH
OUTSIDE
CONTROL
CIRC
TYPE
GPX
JIT
DRAWING
No
.
u
RE
02961
650
1
6502
6503
6504
6505
6506
6507
6508
6509
65
10
651
1
6512
65
13
6514
nCQAS
+

Downloaded at 2010/04/07 18:31 JST by 3PYM4216 DL#jdS6Xojc
66 1 5
66
1
6
啊
L
/
外
I
/
02
DIRECT
I
/
O
2
制御基板
(
M
0
PCB
1
)
CONTROL
BOARD
API
/
MO
6622
6623
6624
o
運転開始
(
軸
㊂
)
OPERATION
START
(
AXIS
5
)
丫
018
丫
018
ADDRESS
6617
7708
CN
2
-
30
6618
ZftONo
.
夕
◦
(
軸
⑤
)
POINT
NO
.
DATA
0
(
AXIS
5
)
丫
019
DI
02
丫
019
圆
ADDRESS
6619
7710
-
B
3
I
CN
2
-
31
6620
朮心卜
No
.
T
-
9 1
(
軸
⑤
)
POINT
NO
.
DATA
1
(
AXIS
5
)
Y
01
A
滕
Y
01
A
ADD RESS
6621
7711
CN
2
-
32
660
1
6602
6603
6604
6605
6606
6607
66 0 8
6609
66
1
0
6629
電気回路綱
CIRCUIT
DIAGRAM
NAME
PAGE
%
TITLE
外 付 时 制 御 回 路
STO
WITH
OUTSIDE
CONTROL
CIRC
TYPE
GPX
JIT
DRAWING
No
.
X
6
U
RE
02961
66
U
6628
66
13
6627
6612
6626
6
6
6625
SCQA
17
CN
+
s
々
CN
-
2
Yo
®
CSI
_
JVAS
+
IVAS
+

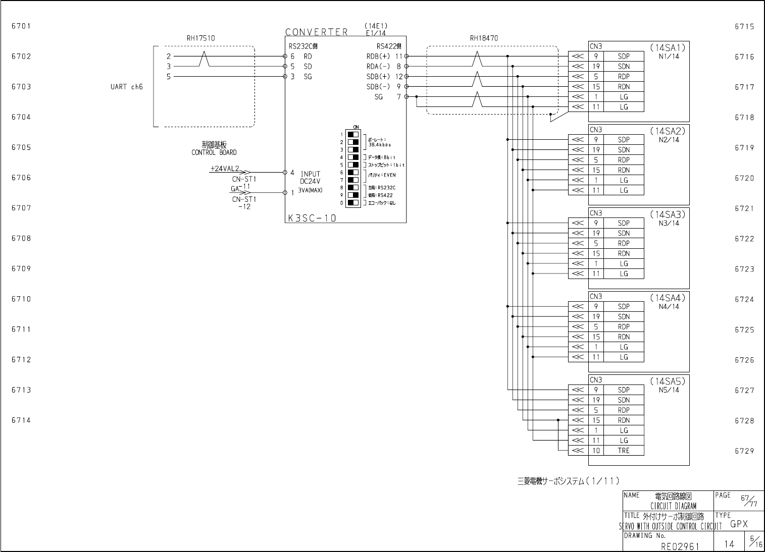
Downloaded at 2010/04/07 18:31 JST by 3PYM4216 DL#jdS6Xojc
(
14
E
1
)
El
/
14
670
1
6715
CONVERTER
RH
17510
RH
18470
RS
232
C
側
■
0
6
RD
■
0
5
SD
■
0
3
SG
RS
4
-
22
IJJ
RDB
(
+
)
11
O
-
RDA
(
-
)
8
o
-
SDB
(
+
)
120
SDB
㈠
9
a
SG
7
O
-
CN
3
(
14
SA
1
)
N
1
/
14
6702
2
9
SDP
«
6716
3
19
SDN
«
5
5
RDP
«
6703
UART
ch
6
15
RDN
«
6717
A
LG
«
\
1 1
LG
«
6704
67
1
8
ON
,
CN
3
(
USA
2
)
N
2
/
14
9
SDP
«
ifi
-
U
-
h
:
38.4
kbps
6705
67
19
19
SDN
«
:
■
]
?
-
夕
ft
:
8
bi t
]
又卜沈外
Mb it
;
WTf
:
EVEN
4
5
RDP
«
LB
+
24
VAL
2
15
RDN
«
4
4
INPUT
DC
24
V
3
VA
(
MAX
)
■
n
6
6706
6720
CN
-
ST
1
CN
-
ST
1
LG
«
i
@
:
RS
232
C
傾
:
RS
422
U
-
IW
-
QI
8
LG
«
<
)
1
(
!
■
9
0
-
12
6707
6721
CN
3
(
14
SA
3
)
N
3
/
14
K
3
SC
-
1
0
9
SDP
«
19
SDN
«
6708
6722
5
RDP
«
15
RDN
«
LG
«
6709
6723
LG
1 1
«
CN
3
(
14
SA
4
)
N
4
/
14
67
10
6724
9
SDP
«
19
SDN
«
5
RDP
«
6711
6725
15
RDN
«
LG
«
1 1
LG
«
6712
6726
CN
3
(
USAS
)
N
5
/
14
6713
9
SDP
«
6727
19
SDN
«
5
RDP
«
6714
15
RDN
«
6728
LG
«
LG
«
10
TRE
«
6729
三菱電
tttD
又亍厶
(
1
/
11
)
電気回路線図
CIRCUIT
DIAGRAM
NAME
PAGE
67
77
TITLE
mn
-
mmm
S
10111
OUTSIDE
CONTROL
CIRClJIT
TYPE
GPX
DRAWING
No
.
u
REQ
2961