Schmtic_GPX_07_ - 第70页
Downloaded at 2010/04/07 18:31 JST by 3PYM4216 DL#jdS6Xojc ( 1 4 E 1 ) E l / 1 4 6 7 0 1 6 7 1 5 C O N V E R T E R R H 1 7 5 1 0 R H 1 8 4 7 0 R S 2 3 2 C 側 ■ 0 6 R D ■ 0 5 S D ■ 0 3 S G R S 4 - 2 2 I J J R D B ( + ) 1 1…

Downloaded at 2010/04/07 18:31 JST by 3PYM4216 DL#jdS6Xojc
66 1 5
66
1
6
啊
L
/
外
I
/
02
DIRECT
I
/
O
2
制御基板
(
M
0
PCB
1
)
CONTROL
BOARD
API
/
MO
6622
6623
6624
o
運転開始
(
軸
㊂
)
OPERATION
START
(
AXIS
5
)
丫
018
丫
018
ADDRESS
6617
7708
CN
2
-
30
6618
ZftONo
.
夕
◦
(
軸
⑤
)
POINT
NO
.
DATA
0
(
AXIS
5
)
丫
019
DI
02
丫
019
圆
ADDRESS
6619
7710
-
B
3
I
CN
2
-
31
6620
朮心卜
No
.
T
-
9 1
(
軸
⑤
)
POINT
NO
.
DATA
1
(
AXIS
5
)
Y
01
A
滕
Y
01
A
ADD RESS
6621
7711
CN
2
-
32
660
1
6602
6603
6604
6605
6606
6607
66 0 8
6609
66
1
0
6629
電気回路綱
CIRCUIT
DIAGRAM
NAME
PAGE
%
TITLE
外 付 时 制 御 回 路
STO
WITH
OUTSIDE
CONTROL
CIRC
TYPE
GPX
JIT
DRAWING
No
.
X
6
U
RE
02961
66
U
6628
66
13
6627
6612
6626
6
6
6625
SCQA
17
CN
+
s
々
CN
-
2
Yo
®
CSI
_
JVAS
+
IVAS
+

Downloaded at 2010/04/07 18:31 JST by 3PYM4216 DL#jdS6Xojc
(
14
E
1
)
El
/
14
670
1
6715
CONVERTER
RH
17510
RH
18470
RS
232
C
側
■
0
6
RD
■
0
5
SD
■
0
3
SG
RS
4
-
22
IJJ
RDB
(
+
)
11
O
-
RDA
(
-
)
8
o
-
SDB
(
+
)
120
SDB
㈠
9
a
SG
7
O
-
CN
3
(
14
SA
1
)
N
1
/
14
6702
2
9
SDP
«
6716
3
19
SDN
«
5
5
RDP
«
6703
UART
ch
6
15
RDN
«
6717
A
LG
«
\
1 1
LG
«
6704
67
1
8
ON
,
CN
3
(
USA
2
)
N
2
/
14
9
SDP
«
ifi
-
U
-
h
:
38.4
kbps
6705
67
19
19
SDN
«
:
■
]
?
-
夕
ft
:
8
bi t
]
又卜沈外
Mb it
;
WTf
:
EVEN
4
5
RDP
«
LB
+
24
VAL
2
15
RDN
«
4
4
INPUT
DC
24
V
3
VA
(
MAX
)
■
n
6
6706
6720
CN
-
ST
1
CN
-
ST
1
LG
«
i
@
:
RS
232
C
傾
:
RS
422
U
-
IW
-
QI
8
LG
«
<
)
1
(
!
■
9
0
-
12
6707
6721
CN
3
(
14
SA
3
)
N
3
/
14
K
3
SC
-
1
0
9
SDP
«
19
SDN
«
6708
6722
5
RDP
«
15
RDN
«
LG
«
6709
6723
LG
1 1
«
CN
3
(
14
SA
4
)
N
4
/
14
67
10
6724
9
SDP
«
19
SDN
«
5
RDP
«
6711
6725
15
RDN
«
LG
«
1 1
LG
«
6712
6726
CN
3
(
USAS
)
N
5
/
14
6713
9
SDP
«
6727
19
SDN
«
5
RDP
«
6714
15
RDN
«
6728
LG
«
LG
«
10
TRE
«
6729
三菱電
tttD
又亍厶
(
1
/
11
)
電気回路線図
CIRCUIT
DIAGRAM
NAME
PAGE
67
77
TITLE
mn
-
mmm
S
10111
OUTSIDE
CONTROL
CIRClJIT
TYPE
GPX
DRAWING
No
.
u
REQ
2961

Downloaded at 2010/04/07 18:31 JST by 3PYM4216 DL#jdS6Xojc
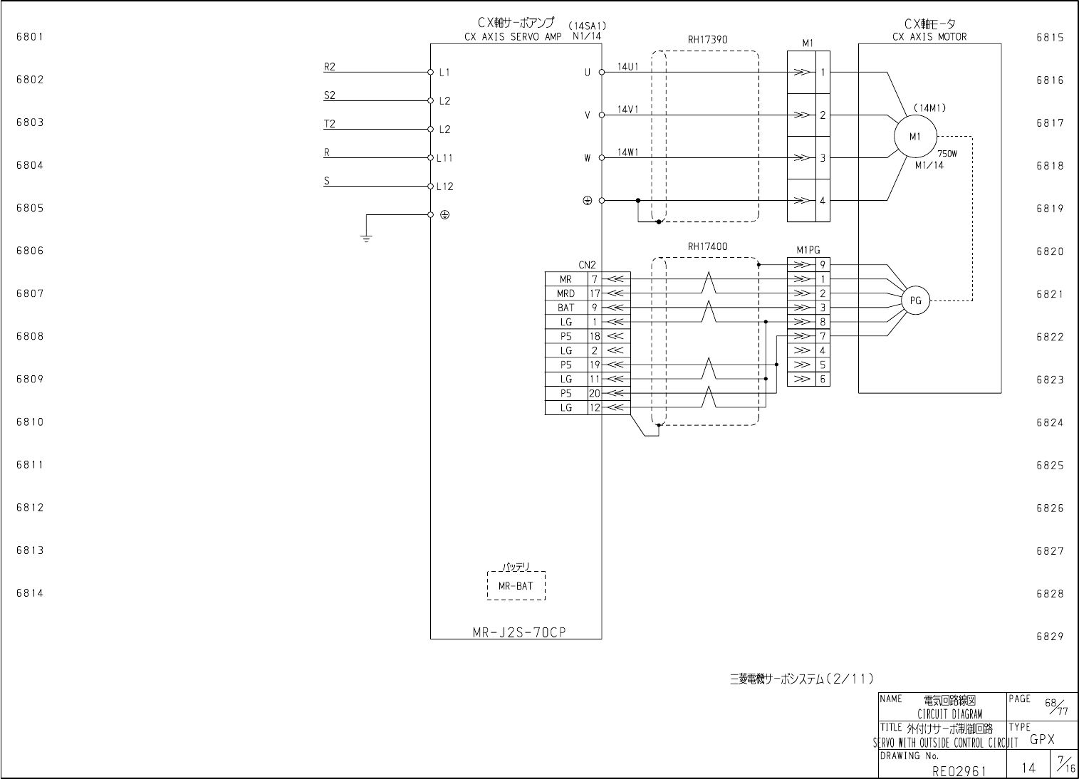
cxm
-
ir
:
yyy
CXIfc
-
^
CX
AXIS
MOTOR
(
USA
1
)
CX
AXIS
SERVO
AMP
N
1
/
U
680
1
68
15
RH
17390
Ml
R
2
14
U
1
V
LI
u
6
-
6802
6816
S
2
■
O
L
2
(
14
-
MO
HV
1
2
V
<
>
6803
6817
T
2
O
L
2
Ml
R
14
-
W
1
750
W
々
L
11
W
6
-
3
6804
M
1
/
14
-
68
18
S
OL
12
®
y
-
4
6805
68
19
RH
17400
M
1
PG
6806
6820
9
CN
2
MR
7
6807
MRD
17
2
6821
PG
BAT
9
3
8
LG
6808
P
5
18
7
«
6822
LG
2
4
«
»
P
5
19
5
»
6809
6
LG
»
6823
P
5
20
LG
12
6810
6824
6811
6825
6812
6826
6813
6827
ll
&
_
MR
-
BAT
6814
6828
MR
-
J
2
S
-
70
CP
6829
三菱電嫩
-
於乂
1
亍厶
(
2
/
11
)
電気回路線図
CIRCUIT
DIAGRAM
NAME
PAGE
68
.
77
TITLE
mn
-
mmm
S
10111
OUTSIDE
CONTROL
CIRC
TYPE
GPX
JIT
DRAWING
No
.
%
u
REQ
2961