Schmtic_GPX_07_ - 第78页
Downloaded at 2010/04/07 18:31 JST by 3PYM4216 DL#jdS6Xojc 7 5 0 1 7 5 0 2 7 5 0 3 7 5 0 4 7 5 0 5 7 5 0 6 7 5 0 7 7 5 0 8 7 5 0 9 7 5 1 0 7 5 1 1 7 5 1 2 7 5 1 3 7 5 1 4 制御麵 制御基板 ( M 0 PCB 1 ) BOARD AP 1 / M 0 ( M 0 PCB…

Downloaded at 2010/04/07 18:31 JST by 3PYM4216 DL#jdS6Xojc
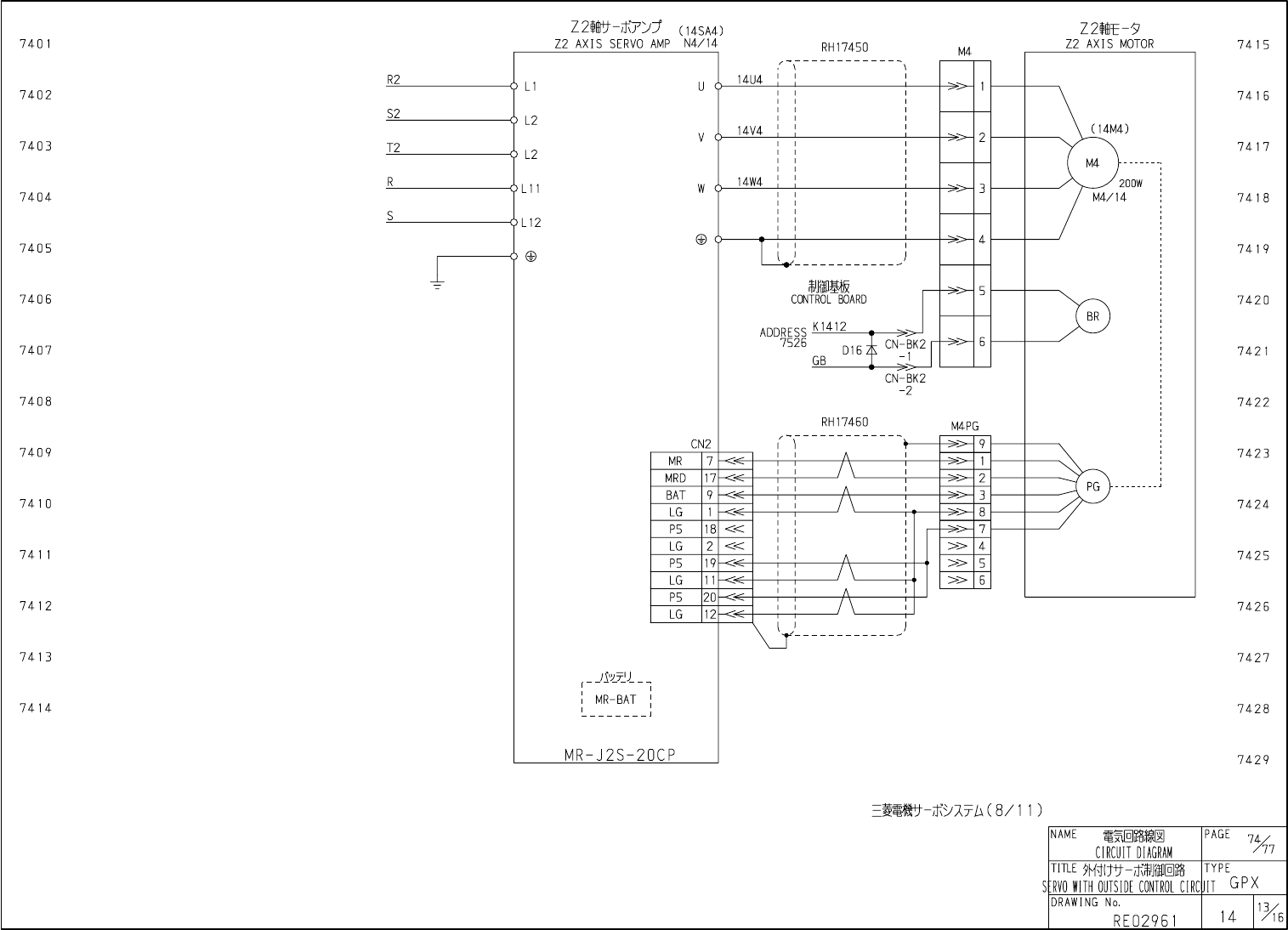
Z
2
m
-
ir
^
yy
Z
2
軸石
-
夕
Z
2
AXIS
MOTOR
(
USA
4
)
Z
2
AXIS
SERVO
AMP
N
4
/
U
740
1
74
15
RH
17450
M
4
-
14
-
U
4
-
R
2
V
LI
u
6
-
7402
7416
S
2
■
O
L
2
(
14
-
M
4
)
HV
4
2
V
<
>
7403
7417
T
2
O
L
2
M
4
R
14
-
W
4
200
W
々
L
11
W
C
>
3
74
-
04
M
4
-
/
14
-
7418
S
OL
12
®
y
-
4
7405
7419
5
7406
7420
K
1412
ADDRESS
6
7526
CN
-
BK
2
7407
D
16
ZS
7421
GB
CN
-
BK
2
-
2
74
-
08
7422
RH
17460
M
4
PG
9
CN
2
»
74
-
09
7423
MR
7
MRD
17
2
PG
BAT
9
3
7410
7424
8
LG
P
5
18
7
«
LG
2
4
«
»
741
1
7425
P
5
19
5
»
6
LG
»
P
5
20
7412
7426
LG
12
7413
7427
ll
&
_
MR
-
BAT
7414
7428
MR
-
J
2
S
-
20
CP
7429
三菱電嫩
-
於乂
1
亍厶
(
8
/
11
)
電気回路線図
CIRCUIT
DIAGRAM
NAME
PAGE
74
77
TITLE
mn
-
mmm
S
10111
OUTSIDE
CONTROL
CIRC
TYPE
GPX
JIT
DRAWING
No
.
%
u
REQ
2961

Downloaded at 2010/04/07 18:31 JST by 3PYM4216 DL#jdS6Xojc
750
1
7502
7503
7504
7505
7506
7507
7508
7509
75
1
0
751
1
7512
75
1
3
75
14
制御麵
制御基板
(
M
0
PCB
1
)
BOARD
AP
1
/
M
0
(
M
0
PCB
1
)
CONTROL
BOARD
API
/
MO
I
(
14
SA
4
-
-
)
:
:
N
4
/
14
-
!
「
(
14
SA
4
)
i
■
N
4
/
14
;
75
15
CQ
O
5
cm
GB
75
16
COM
-
I
3
j
CN
-
SV
2
-
9
非常停止
EMERGYENCY
STOP
CN
ADDRESS
:
GA
ADDRESS
7517
SG
7304
-
10
,
CN
-
SV
2
-
10
廿
-
獅
SERVO
ON
7703
SON
jCNIB
ADDRESS
75
1
8
E
7305
ADDRESS
CD
O
7704
75
19
CN
-
TB
3
-
4
Z
2
軸
-
物卜
SW
PC
25
KH
07
ADDRE
16
CN
-
TB
3
CN
-
TB
3
CN
-
SV
2
<
cr
-
\
a
CN
-
SV
2
^
2.7
kQ
-
4
-
SML
-
310
MT
7520
7321
-
2
-
6
PL
15
CN
;
t
>
RD
4
-
K
1409
ADDRE
Z
2
$
l
+
U
»
卜
SW
+
LIMIT
SW
RD
7720
^
N
,
B
LSN
PS
2805
-
1
7521
<
5
^
17
CN
-
TB
3
CN
-
SV
2
PC
26
-
8
運転開始
K
1408
ADDRE
0
START
ernci
i
co
^
o
1
IB
7322
RY
01
D
PL
16
ADDRESS
ST
1
7522
6405
cm
|
-
8
ALM
4
-
G
,
K
1410
CN
-
SV
2
ADDRE
ALM
-
時停止
7722
-
18
CN
-
SVZ
-
^
2.7
kQ
-
5
SML
-
310
MT
PS
2805
-
1
jCNIB
STP
RY
028
ADDRESS
7523
6507
CN
-
SV
2
;
-
9
PC
27
-
15
?
'
-
夕
0
DATA
0
J
4
PL
17
IB
RYQ
1
E
ADDRESS
DIO
7524
3
RX
015
ADDRE
MEND
6407
e
CN
-
SV
2
;
-
5
6213
-
12
PS
2805
-
1
?
-
夕
1
DATA
1
-
6
SML
-
310
MT
iCNIB
RY
01
F
ADDRESS
7525
6409
1
-
14
CN
-
SV
2
PMR
7
-
13
—
]
+
24
VBL
1
K
1412
PL
119
R
1
19
ADDRE
7526
MBR
7421
I
-
16
-
夕
2
DATA
2
SML
-
310
MT
G
3
VM
-
61
E
1
I A
DI
2
7527
RY
023
ADDRESS
|
-
8
6423
CN
-
SV
2
夕
3
DATA
3
-
3
<
^
N
I A
7528
DI
3
C N
WNG
4
RX
017
A
ADDRESS
WNG
19
6224
CN
-
SV
2
-
14
7529
L
CN
1
BUD
CN
1
B
COMMON
CN
1
B
SG
CN
1
B
SG
運転準備完了
READY
75
~
h
ALARM
位麵完了
FIN
Z
2
〕
V
-
牛
11
BRAKE
予備
(
_
)
NOT
IN
USE
(
AXIS
4
)
敬生
言口
WARNING
三菱電嫩
D
又亍厶
(
9
/
11
)
電気回路綱
CIRCUIT
DIAGRAM
NAME
PAGE
%
TITLE
外 付 时 制 御 回 路
STO
WITH
OUTSIDE
CONTROL
CIRC
TYPE
GPX
JIT
DRAWING
No
.
%
u
RE
02961
nCQA
17
CN
+
CSI
—
IVA
对
CNI
+

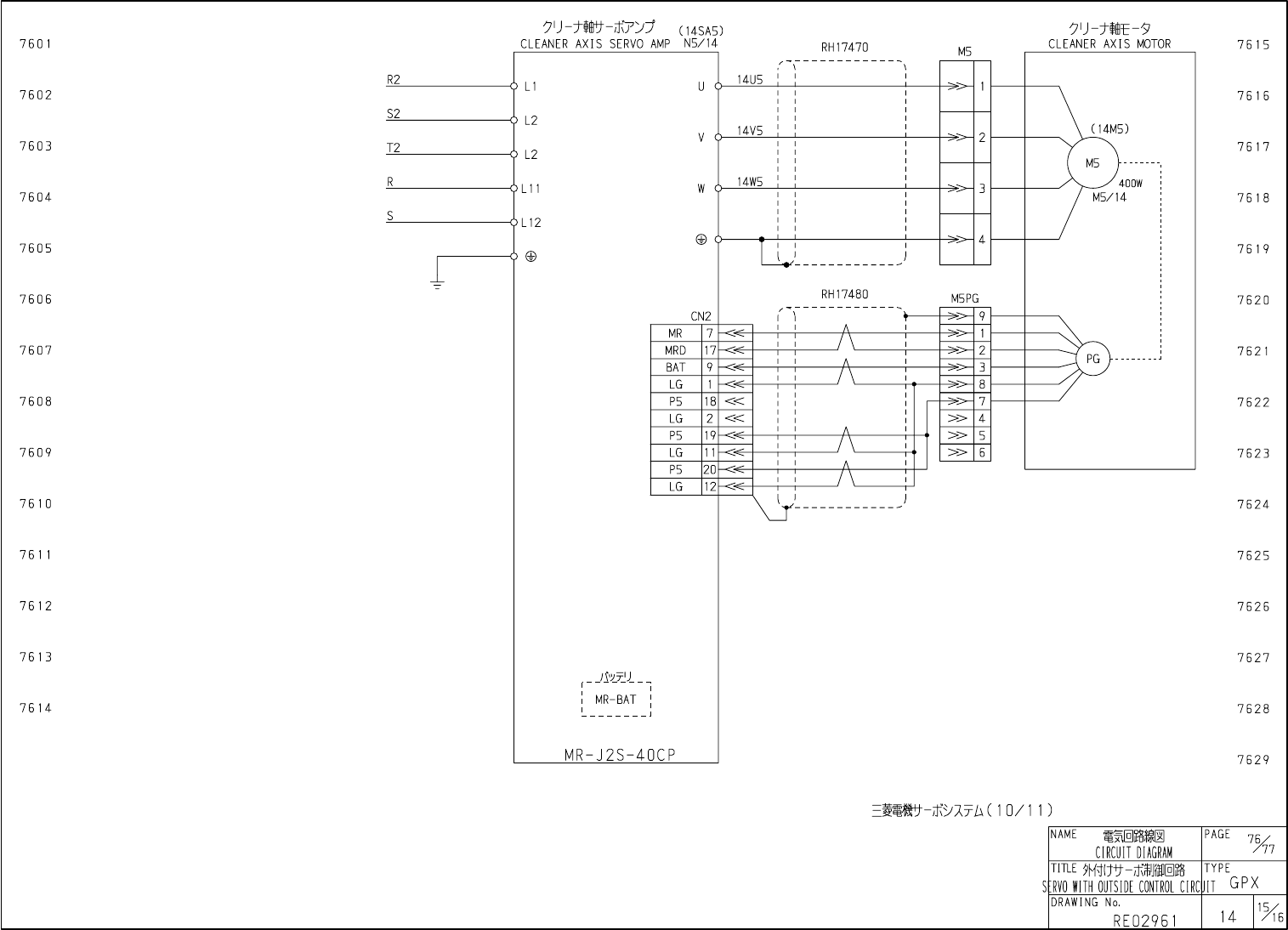
Downloaded at 2010/04/07 18:31 JST by 3PYM4216 DL#jdS6Xojc
夕
1
j
-
丈軸
1
E
-
夕
CLEANER
AXIS
MOTOR
(
USA
5
)
CLEANER
AXIS
SERVO
AMP
N
5
/
U
760
1
7615
RH
17470
M
5
R
2
14
-
U
5
V
LI
U
6
-
7602
7616
S
2
■
O
L
2
(
14
-
M
5
)
14
-
V
5
2
V
<
>
7603
7617
T
2
O
L
2
M
5
R
HW
5
400
W
々
L
11
W
6
-
3
7604
M
5
/
14
-
7618
S
OL
12
®
y
-
4
7605
7619
RH
17480
M
5
PG
7606
7620
9
CN
2
MR
7
7607
MRD
17
2
7621
PG
BAT
9
3
8
LG
7608
P
5
18
7
«
7622
LG
2
4
«
»
P
5
19
5
»
7609
6
LG
»
7623
P
5
20
LG
12
7610
7624
7611
7625
7612
7626
76
13
7627
ll
&
_
MR
-
BAT
7614
7628
MR
-
J
2
S
-
4
QCP
7629
三菱電
tttD
又亍厶
(
10
/
H
)
電気回路線図
CIRCUIT
DIAGRAM
NAME
PAGE
76
.
77
TITLE
mn
-
mmm
S
10111
OUTSIDE
CONTROL
CIRC
TYPE
GPX
JIT
DRAWING
No
.
%
u
REQ
2961