Schmtic_GPX_07_ - 第88页
Downloaded at 2010/04/07 18:31 JST by 3PYM4216 DL#jdS6Xojc 下 上 昇 SttlS LOWER CLEANER UPPER LIMIT CHECK C N - C L : R X 0 1 8 I - A 2 0 l ^ L ( 3 1 L S 6 ) - B 8 5 1 7 ■ v : D - F 9 B C N - C L CN 3 C 茶 S Q 6 / 3 1 青 - 5 …

Downloaded at 2010/04/07 18:31 JST by 3PYM4216 DL#jdS6Xojc
(
1
PCB
5
)
Ut
-
h
I
/
O
1
AP
5
/
1
REMOTE
I
/
O
1
8415
8416
洗浄剤歹邐検知
CLEANSING
AGENT
REMAINING
CHECK
84
-
17
84
-
18
洗浄纖給下降端
CLEANSING
AGENT
SUPPLY
LOWER
LIMIT
8419
8420
洗浄纖給上昇端
CLEANSING
AGENT
SUPPLY
UPPER
LIMIT
8 4 2
1
8422
洗浄纖給旋回
ite
端
CLEANSING
AGENT
SUPPLY
ROTATION
DISENGAGED
23
8424
洗浄纖給旋回入
y
端
CLEANSING
AGENT
SUPPLY
ROTATION
ENGAGED
84
-
25
840
1
8402
8403
8404
8405
8406
8407
8408
8409
8410
8411
8412
8426
8413
8427
8414
8428
8429
電気回路綱
CIRCUIT
DIAGRAM
NAME
PAGE
84
87
TITLE
7
J
-
丈
-
制御回路
CLEANER
CONTROL
CIRCUIT
TYPE
GPX
DRAWING
No
.
X
31
RE
02981
S
(
31
LS
1
)
青
BLU
RX
009
JSN
3
Rm
7
|
9
l
^
B
20
HPQ
-
T
2
-
005
BRW
茶
SQ
1
/
31
黒
BLK
B
25
RXOOAjgJ
3
Rr
^
|
A
i
^
A
19
IZQ
.
(
31
LS
2
)
"
VC
D
-
F
9
B
SQ
2
/
31
B
25
RXOOBjgJ
3
Rf
^
B
i
^
B
19
1
^
0
(
31
LS
3
)
CN
3
"
V
:
D
-
F
9
B
B
25
SQ
3
/
31
!
RXOOC
RXOOC
^
^
lJl
^
I
-
AI
8
V
-
^
-
(
31
LS
4
)
ZC
130
A
SQ
4
/
31
B
25
!
rM
,
RXOOD
(
31
LS
5
)
CN
3
ZC
130
A
B
25
SQ
5
/
31
l
_
lVA
17
CVJ
+

Downloaded at 2010/04/07 18:31 JST by 3PYM4216 DL#jdS6Xojc
下 上 昇
SttlS
LOWER
CLEANER
UPPER
LIMIT
CHECK
CN
-
CL
:
RX
018
I
-
A
20
l
^
L
(
31
LS
6
)
-
B
8517
■
v
:
D
-
F
9
B
CN
-
CL
CN
3
C
茶
SQ
6
/
31
青
-
5
-
A
20
BRW
BLU
85
1
8
下夕
1
J
_
丈下降繼認
LOWER
CLEANER
LOWER
LIMIT
CHECK
:
RX
019
m
^
Lri
7
\
I
-
B
20
l
/
U
(
31
LS
7
)
85
19
<
3
^
V
•
:
D
-
F
9
B
CN
-
CL
CN
3
茶
5
Q
7
/
31
青
-
6
-
B
20
BRW
BLU
8520
C
31
LS
8
)
青
BLU
下
VJ
-
t
-
夕才
)
l
/
送星確認
LOWER
CLEANER
TOWEL
ADVANCE
AMOUNT
CHECK
CN
-
CL
:
rM
,
RX
01
A
I
-
AI
9
\
/
KJ
-
4
PM
-
U
4
-
P
黒
BLK
8521
<
5
^
茶
SQ
8
/
31
白
WHT
CN
-
CL
CN
3
BRW
-
2
-
A
19
未使用線纖処理
又亍夕力
j
卜口
-
5
ADDRESS
;
8522
4
-
203
RX
01
B
3
RX
01
M
8523
-
B
19
CN
-
CL
CN
3
-
8
-
B
19
8524
(
31
LS
10
)
g
BLU
CNOCV
下
7
J
_
丈待避位置確認
(
原位置確認
)
LOWER
CLEANER
RETRACT
POSITION
CHECK
(
ORIGIN
POSITION
CHECK
)
L
RX
01
C
I
-
A
18
K
U
-
3
PM
-
XU
-
P
黒
BLK
8525
茶
SQ
10
/
31
a
WHT
M
-
OCV
1
CN
-
OCV
1
CN
3
BRW
D
ON
-
2
-
A
18
未刪線
3
S
縁処理
夕
-
□
必回路
8526
ADDRESS
1617
CN
(
洗 浄 剤 正 常
)
RX
01
D
RX
01
DjgJ
3
园
8527
-
B
18
CN
3
PC
1
Q
R
10
-
B
18
"
S
PL
29
J
4
8528
FAN
5
AL
0
ADDRESS
PS
2805
-
1
8613
SML
-
310
MT
8529
Ut
-
hl
/
C
REMOTE
I
/
O
制 御 麵
(
M
0
PCB
1
)
BOARD
AP
1
/
M
0
s
5
850
1
8502
8503
8504
8505
8506
8507
8508
8509
85
10
851
1
8512
85
1
3
8514
Ut
-
h
1
/
02
(
1
PCB
6
)
REMOTE
I
/
O
2
AP
6
/
1
制御基板
(
M
0
PCB
1
)
BOARD
API
/
MO
s
o
(
31
LS
11
)
青
BLU
CN
-
OCV
|
1
黒
BLK
洗浄纏給待避位
1
確認
CLEANSING
AGENT
SUPPLY
RETRACT
POSITION
CHECK
RX
01
E
-
6
PM
-
M
4
-
PI
RXOlEj
^
3
M
茶
SGU
1
/
31
白
WHT
-
A
17
M
-
OCV
1
CN
-
OCV
1
CN
3
BRW
-
4
-
5
-
A
17
未使用織才
Ife
麵理
心夕一
□
妙回路
ADDRESS
1618
電気回路綱
CIRCUIT
DIAGRAM
NAME
PAGE
8
B
.
87
TITLE
7
J
-
丈
-
制御回路
CLEANER
CONTROL
CIRCUIT
TYPE
GPX
DRAWING
No
.
31
RE
02981
CVJIVAm
6
1
B
/
c
6
p
p
CN
—
IVA
17
CN
+

Downloaded at 2010/04/07 18:31 JST by 3PYM4216 DL#jdS6Xojc
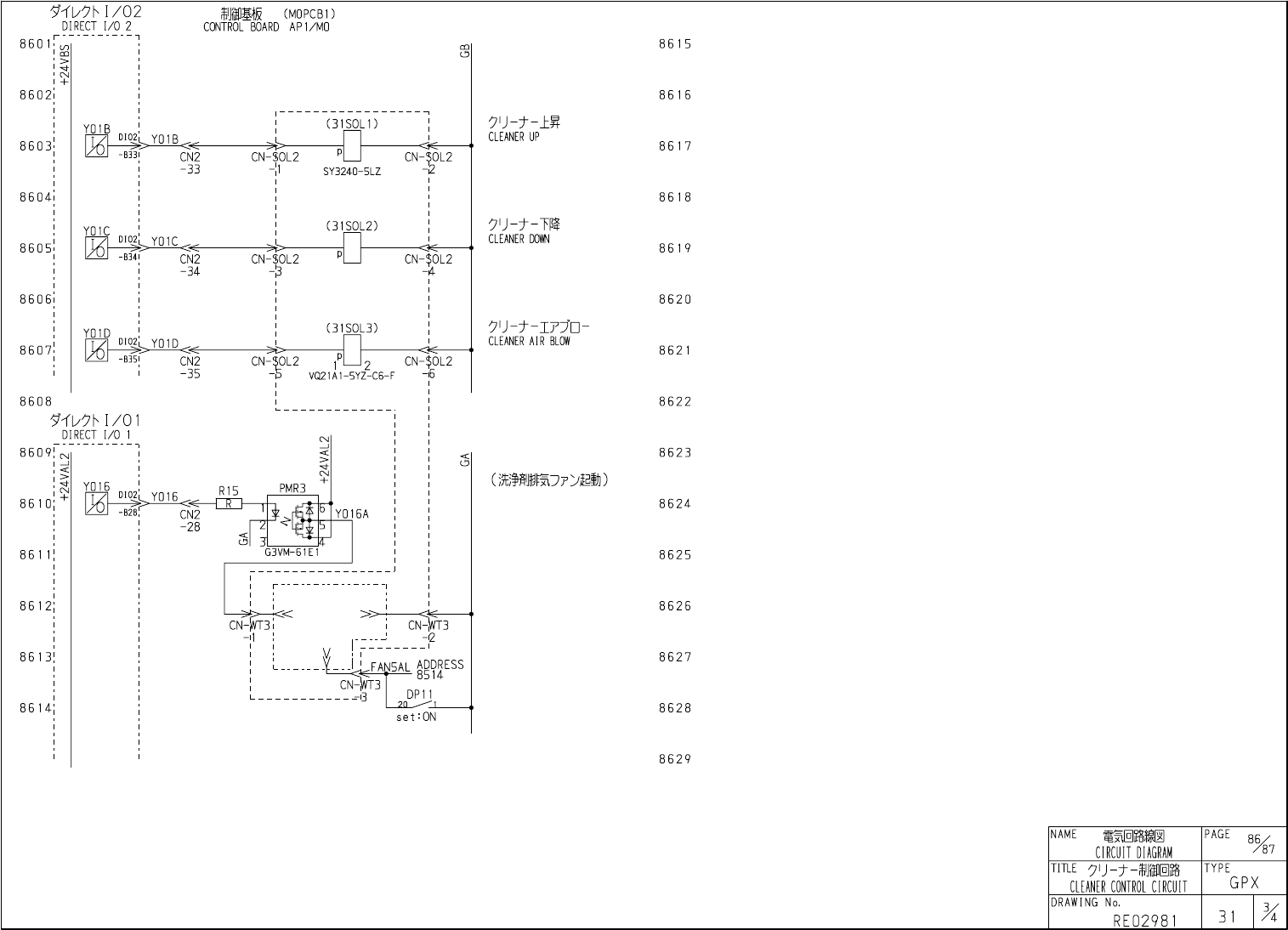
860
1
8602
夕
<
L
/
夕卜
I
/
01
DIRECT
I
/
O
1
CN
8609
丫
016
PMR
3
R
15
YQ
16
«
~
rm
86
10
Y
016
A
CN
2
-
28
SI
3
G
3
VM
-
61
E
1
8611
8608
夕
<
1
/
外
I
/
02
DIRECT
I
/
O
2
制御基板
(
M
0
PCB
1
)
CONTROL
BOARD
API
/
M
0
5
G
細纖於起動
)
夕
1
J
-
丈
-
上昇
CLEANER
UP
(
31
S
0
L
1
)
Y
01
B
DI
02
Y
01
B
M
8603
P
B
33
CN
-
?
0
L
2
CN
2
CN
-
S
0
L
2
-
33
-
!
2
SY
3240
-
5
LZ
8604
7
J
-
丈
-
下降
CLEANER
DOWN
(
31
SOL
2
)
Y
01
C
DiQkYOIC
■
8605
CN
-
$
0
L
2
-
B
34
P
CN
2
CN
-
SOL
2
-
34
-
8606
夕
1
J
—
t
一工
□
—
CLEANER
AIR
BLOW
(
31
S
0
L
3
)
Y
01
D
-
B
35
I
8607
P
CN
-
$
0
L
2
CN
2
CN
-
S
0
L
2
1
—
2
VQ
21
A
1
-
5
YZ
-
C
6
-
F
-
35
-
6
8612
CNn
^
T
3
»
CN
-
|
WT
3
-
2
8613
Ij
^
FANSAL
ADDRESS
8514
CN
-
|
W
-
-
-
)
3
丁
3
DP
11
20
^
-
-
"
1
set
-
ON
8614
8615
8 6
1
6
8617
8618
8619
8620
8621
8622
8623
8624
8625
8626
8627
8628
8629
電気回路綱
CIRCUIT
DIAGRAM
NAME
PAGE
86
.
87
TITLE
7
J
-
丈
-
制御回路
CLEANER
CONTROL
CIRCUIT
TYPE
GPX
DRAWING
No
.
31
RE
02981
SCQA
对
CN
+
CN
—
IVAS
4
-